Республика Беларусь,
г. Минск, ул. Селицкого 21к - центральный склад
Пн-пт с 8:00 до 17:00
Меню
К36-91-01 Турбокомпрессор
Наименование: Турбокомпрессор К36-91-01
Каталожный номер: К36-91-01
Производитель: RSTA
Код товара: 38761
Доставка: по всей Беларуси
Остаток: под заказ

Нашли не точность в описании товара? сообщить администратору.

+375 (44) 770-80-78 +375 (29) 747-80-78
* Выставить счет, получить техническую информацию и стоимость
Заказать деталь Онлайн
Описание
Наличие на филиалах
Применяемость
Заменить на СТО

Турбокомпрессор К36-91-01 производства RSTA (РФ), Код для заказа: 38761

Марка Модель Кат.номер Наим. по каталогу Чертеж
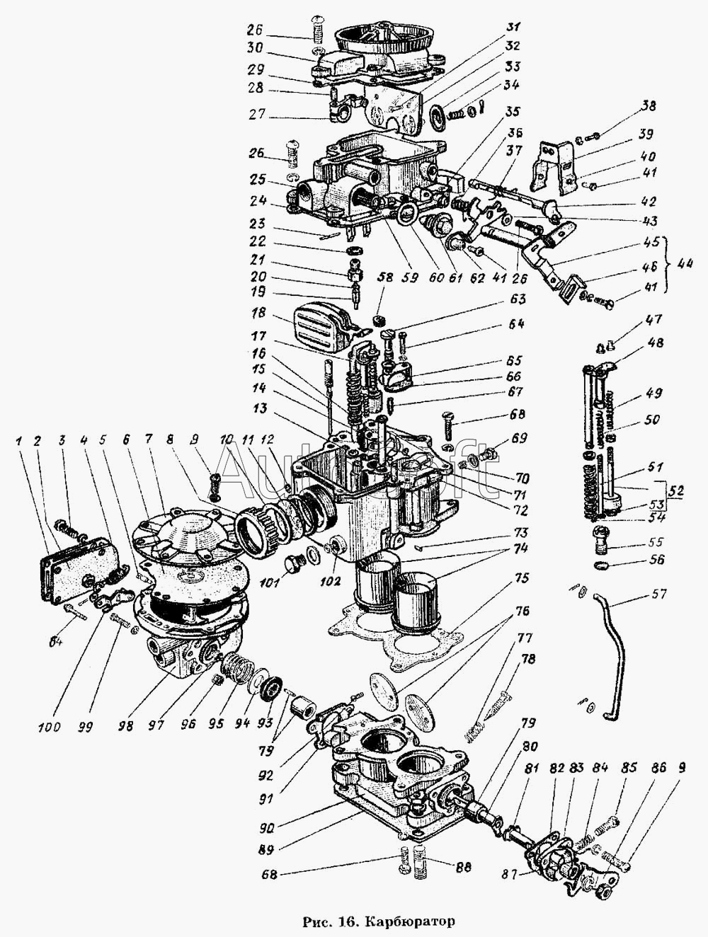
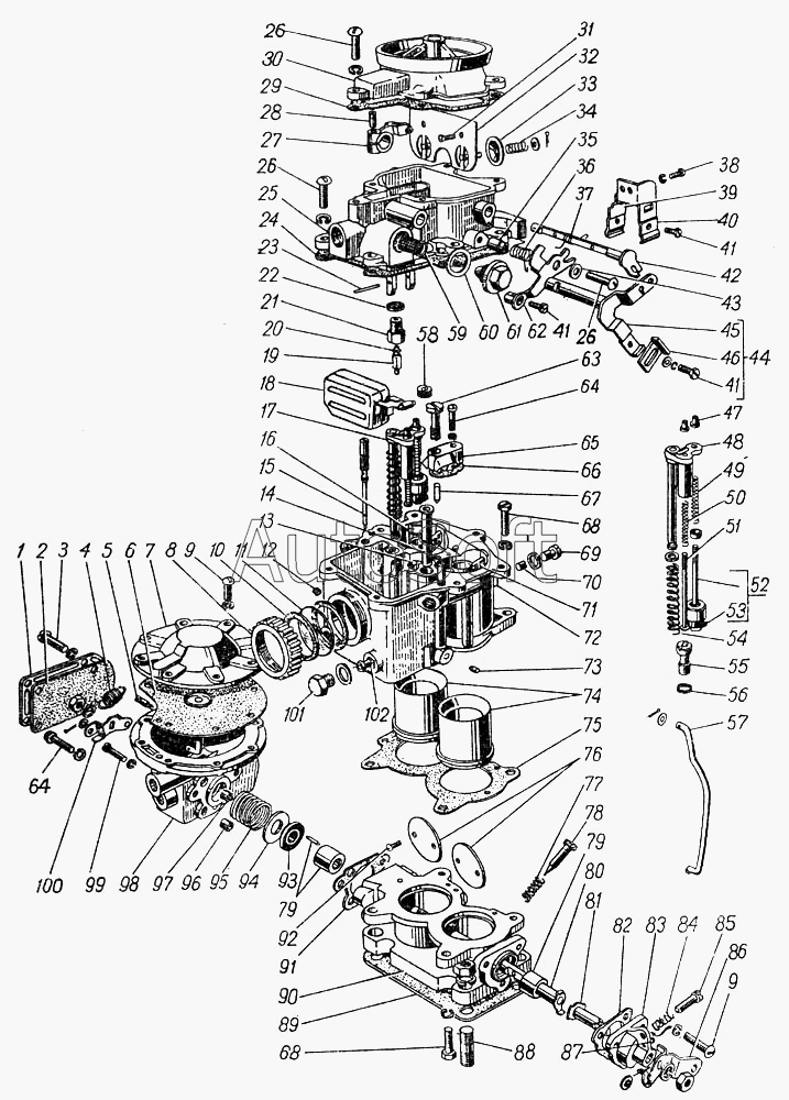
ГАЗ ГАЗ-3307 (2000) К36-1107014 Пружина поршня Карбюратор Чертеж Карбюратор
ГАЗ ГАЗ-53 А (1989) К36-1107014 Пружина поршня Карбюратор Чертеж Карбюратор
ГАЗ ГАЗ-66 (Каталог 1996 г.) (1996) К36-1107014 Пружина поршня Карбюратор (часть 2) Чертеж Карбюратор (часть 2)
ГАЗ ГАЗ-5312 (2002) К36-1107014 Пружина поршня Карбюратор Чертеж Карбюратор
ПАЗ ПАЗ-3205 (2001) К36-1107014 Пружина поршня Карбюратор Чертеж Карбюратор
ПАЗ ПАЗ-32053 (2004) К36-1107014 Пружина поршня Карбюратор Чертеж Карбюратор
ЯМЗ ЯМЗ-240 (1998) 240НМ-1008480 Патрубок кронштей левый в сборе (ТКР К36) Газопровод двигателя ЯМЗ-240НМ2 и ЯМЗ-240ПМ2 Чертеж Газопровод двигателя ЯМЗ-240НМ2 и ЯМЗ-240ПМ2
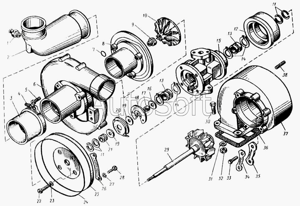
ЯМЗ ЯМЗ-240 (1998) К36-3566/32.21 Турбокомпрессор в сборе Турбокомпрессор К36
ЯМЗ ЯМЗ-8421.10 К36-4070/2222 Турбокомпрессор в сборе Турбокомпрессор
ЯМЗ ЯМЗ-8423.10 К36-4070/39.22 Турбокомпрессор в сборе Турбокомпрессор Чертеж Турбокомпрессор
ЯМЗ ЯМЗ-8423 К36-4070/39.22 Турбокомпрессор в сборе Турбокомпрессор Чертеж Турбокомпрессор
ЯМЗ ЯМЗ-7511 (2005) (2005) К36-87-01 Турбокомпрессор в сборе (Чехия) Трубки подвода и слива масла турбокомпрессора Чертеж Трубки подвода и слива масла турбокомпрессора
ЯМЗ ЯМЗ-6562.10, 6563.10 (Евро 3) (2010) 8.8658 Турбокомпрессор К36-97-14 в сборе ТРУБКИ ПОДВОДА И СЛИВА МАСЛА ТУРБОКОМПРЕССОРА двигателей ЯМЗ-6562.10, ЯМЗ-6563.10 Чертеж ТРУБКИ ПОДВОДА И СЛИВА МАСЛА ТУРБОКОМПРЕССОРА двигателей ЯМЗ-6562.10, ЯМЗ-6563.10
ЯМЗ ЯМЗ-6581.10, 6582.10 (Евро 3) (2010) 8.8835 Турбокомпрессор в сборе К36-30-01 Трубки подвода и слива масла Чертеж Трубки подвода и слива масла
ЯМЗ ЯМЗ-7511.10 (2014) 8.8835 Турбокомпрессор в сборе К36-30-01 Трубки подвода и слива масла турбокомпрессора Чертеж Трубки подвода и слива масла турбокомпрессора
ПТЗ К-702МВА К36-4070/39.22 Турбокомпрессор в сборе Турбокомпрессор двигателя ЯМЗ-8423.10 Чертеж Турбокомпрессор двигателя ЯМЗ-8423.10
Товары из этой категории
Воздухозаборник 4370-1109024 ОЗАА 4370-1109024
Воздухозаборник 4370-1109024 ОЗАА
Каталожный номер 4370-1109024
Производитель ОЗАА ОЗАА
Код 00-ГР021658
Доставка по всей Беларуси
Доступность остатки на филиалах Остатки на филиалах
Остаток: г.Минск, ул.Селицкого 21к В наличии
Склад Адрес Контакт Остатки
г. Минск ул. Селицкого, 21к +375 (44) 770-80-78 ( Мало )
Схема проезда
Кольцо ТНВД 016х020х25 33-1106379
Кольцо ТНВД 016х020х25
Каталожный номер 33-1106379
Производитель РФ РФ
Код 29193
Доставка по всей Беларуси
Доступность остатки на филиалах Остатки на филиалах
Остаток В наличии
Склад Адрес Контакт Остатки
г. Гродно ул. Карского, 35 +375 (44) 770-70-21 ( Мало )
Схема проезда
Втулка поворотная ЯЗДА 17.1111174-04
Втулка поворотная ЯЗДА
Каталожный номер 17.1111174-04
Производитель ЯЗДА ЯЗДА
Код 9932
Доставка по всей Беларуси
Доступность остатки на филиалах Остатки на филиалах
Остаток: г.Минск, ул.Селицкого 21к В наличии
Склад Адрес Контакт Остатки
г. Минск ул. Селицкого, 21к +375 (44) 770-80-78 ( Много )
Схема проезда
г. Полоцк-2 ул. Шенягина, 52 +375 (29) 302-94-73 ( Мало )
Схема проезда
Бак топливный 500л 64221-1101010 (600*670*1400) 64221-1101010
Бак топливный 500л 64221-1101010 (600*670*1400)
Каталожный номер 64221-1101010
Производитель Автотехнология Автотехнология
Код 00-ГР011036
Доставка по всей Беларуси
Доступность остатки на филиалах Остатки на филиалах
Остаток: г.Минск, ул.Селицкого 21к В наличии
Склад Адрес Контакт Остатки
г. Минск ул. Селицкого, 21к +375 (44) 770-80-78 ( Мало )
Схема проезда
Датчик 742.3829-01 (650-1130548,0 281 002 576) темп. и давл. воздуха АвтоТрейд 742.3829-01
Датчик 742.3829-01 (650-1130548,0 281 002 576) темп. и давл. воздуха АвтоТрейд
Каталожный номер 742.3829-01
Производитель АвтоТрейд АвтоТрейд
Код 00-ГР002722
Доставка по всей Беларуси
Доступность остатки на филиалах Остатки на филиалах
Остаток В наличии
Склад Адрес Контакт Остатки
г. Кобрин ул. Пролетарская, 177А +375 (44) 588-10-80 ( Мало )
Схема проезда
г. Ошмяны ул. Льнозоводская 3 +375 (44) 770-80-91 ( Мало )
Схема проезда