Республика Беларусь,
г. Минск, ул. Селицкого 21к - центральный склад
Пн-пт с 8:00 до 17:00
Меню
7406.1118010 Турбокомпрессор ТКР 7С-6 левый
Наименование: Турбокомпрессор 7406.1118010 ТКР 7С-6 левый
Каталожный номер: 7406.1118010
Производитель: RSTA
Код товара: 00-ГР031342
Доставка: по всей Беларуси
Остаток: под заказ

Нашли не точность в описании товара? сообщить администратору.

+375 (44) 770-80-78 +375 (29) 747-80-78
* Выставить счет, получить техническую информацию и стоимость
Заказать деталь Онлайн
Описание
Наличие на филиалах
Применяемость
Заменить на СТО

Турбокомпрессор 7406.1118010 ТКР 7С-6 левый производства RSTA (РФ), Код для заказа: 00-ГР031342

Марка Модель Кат.номер Наим. по каталогу Чертеж
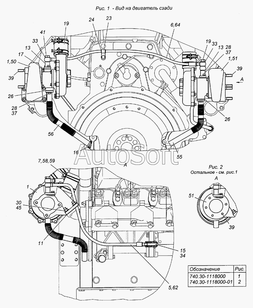
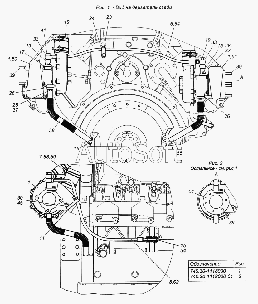
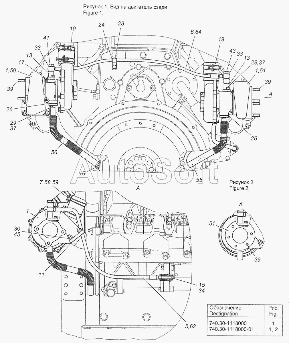
Камский автозавод 740.11-240 (Евро 1) (2002) 7406.1118010 Турбокомпрессор ТКР 7С-6 Установка турбокомпрессора Чертеж Установка турбокомпрессора
Камский автозавод 6520 7406.1118010 Турбокомпрессор ТКР 7С-6 Установка турбокомпрессора Чертеж Установка турбокомпрессора
Камский автозавод 740.30-260 (Евро 2) (2004) 7406.1118010 Турбокомпрессор ТКР 7С-6 740.30-1118000 Установка турбокомпрессора Чертеж 740.30-1118000 Установка турбокомпрессора
Камский автозавод 740.31-240 (Евро 2) (2004) 7406.1118010 Турбокомпрессор ТКР 7С-6 740.30-1118000 Установка турбокомпрессора Чертеж 740.30-1118000 Установка турбокомпрессора
Камский автозавод 6522 (2005) 7406.1118010 Турбокомпрессор ТКР 7С-6 Установка турбокомпрессора Чертеж Установка турбокомпрессора
Камский автозавод 65116 (2006) 7406.1118010 Турбокомпрессор ТКР 7С-6 Установка турбокомпрессора Чертеж Установка турбокомпрессора
Камский автозавод 43501 (4х4) (2007) 7406.1118010 Турбокомпрессор ТКР 7С-6 740.30-1118000 Установка турбокомпрессоров на двигатель Чертеж 740.30-1118000 Установка турбокомпрессоров на двигатель
Камский автозавод 740.60-360 (Евро 3) (2007) 7406.1118010 Турбокомпрессор ТКР 7С-6 740.30-1118000 Установка турбокомпрессора Чертеж 740.30-1118000 Установка турбокомпрессора
Камский автозавод 4350 (4х4) (2004) 7406.1118010 Турбокомпрессор ТКР 7С-6 740.30-1118000 Установка турбокомпрессоров на двигатель
Камский автозавод 6520 (Euro-2, 3) (2009) 7406.1118010 Турбокомпрессор ТКР 7С-6 740.30-1118000 Установка турбокомпрессоров на двигатель Чертеж 740.30-1118000 Установка турбокомпрессоров на двигатель
Камский автозавод 6520 (Euro-2, 3) (2009) 7406.1118010 Турбокомпрессор ТКР 7С-6 7406.1118010 Турбокомпрессор Чертеж 7406.1118010 Турбокомпрессор
Камский автозавод 6520 (Euro-2, 3) (2009) 7406.1118010-10 Турбокомпрессор 7406.1118010 Турбокомпрессор Чертеж 7406.1118010 Турбокомпрессор
Камский автозавод 6520 (Euro-2, 3) (2009) 7406.1118154 Корпус турбины 7406.1118010 Турбокомпрессор Чертеж 7406.1118010 Турбокомпрессор
Камский автозавод 43261 (Евро-1, 2) (2007) 7406.1118010 Турбокомпрессор ТКР 7С-6 740.30-1118000 Установка турбокомпрессора
Камский автозавод 43253 (Часть-1) (2011) 7406.1118010 Турбокомпрессор ТКР 7С-6 740.30-1118000 Установка турбокомпрессора Чертеж 740.30-1118000 Установка турбокомпрессора
Камский автозавод 6460 (Евро 3, 4) (2013) 7406.1118010 Турбокомпрессор ТКР 7С-6 740.30-1118000 Установка турбокомпрессоров на двигатель Чертеж 740.30-1118000 Установка турбокомпрессоров на двигатель
Камский автозавод 65115 (Евро-3) (2013) 7406.1118010 Турбокомпрессор ТКР 7С-6 740.30-1118000 Установка турбокомпрессоров на двигатель
Камский автозавод 65115 (Евро-3) (2013) 7406.1118010 Турбокомпрессор ТКР 7С-6 7406.1118010 Турбокомпрессор
Камский автозавод 65115 (Евро-3) (2013) 7406.1118010-10 Турбокомпрессор 7406.1118010 Турбокомпрессор
Камский автозавод 65115 (Евро-3) (2013) 7406.1118154 Корпус турбины 7406.1118010 Турбокомпрессор
Товары из этой категории
Ремкомплект фильтра масляного РТИ740-1112001РК2
Ремкомплект фильтра масляного
Каталожный номер РТИ740-1112001РК2
Производитель Резинотехника Резинотехника
Код 11326
Доставка по всей Беларуси
Доступность остатки на филиалах Остатки на филиалах
Остаток В наличии
Склад Адрес Контакт Остатки
г. Бобруйск ул. Орловского, 22к3 +375 (29) 345-37-07 ( Средне )
Схема проезда
г. Борисов ул. Демина, 2а +375 (44) 560-99-75 ( Средне )
Схема проезда
г. Витебск ул. Правды, 33 +375 (44) 770-80-87 ( Средне )
Схема проезда
г. Витебск ул. Петруся Бровки, 34 +375 (29) 636-25-08 ( Мало )
Схема проезда
г. Гомель ул. Барыкина, 291Б +375 (44) 514-15-30 ( Средне )
Схема проезда
г. Гродно ул. Карского, 35 +375 (44) 770-70-21 ( Мало )
Схема проезда
г. Кобрин ул. Пролетарская, 177А +375 (44) 588-10-80 ( Средне )
Схема проезда
г. Кричев ул. Комсомольская, 126 +375 (29) 628-88-42 ( Мало )
Схема проезда
г. Мозырь промузел Козенки +375 (44) 731-94-60 ( Мало )
Схема проезда
г. Молодечно ул. Галицкого, 14 +375 (44) 567-28-47 ( Средне )
Схема проезда
г. Новогрудок ул. Индустриальная, 3 +375 (44) 729-39-19 ( Мало )
Схема проезда
г. Осиповичи ул. Короткая, 11 +375 (29) 165-60-07 ( Средне )
Схема проезда
г. Ошмяны ул. Льнозоводская 3 +375 (44) 770-80-91 ( Средне )
Схема проезда
г. Петриков ул. Первомайская, 124 +375 (33) 660-06-75 ( Мало )
Схема проезда
г. Полоцк-2 ул. Шенягина, 52 +375 (29) 302-94-73 ( Мало )
Схема проезда
г. Слоним ул. Советская, 93а +375 (29) 394-82-01 ( Средне )
Схема проезда
Распылитель (33.1112110-12К) КАМАЗ 33.1112110-12К
Распылитель (33.1112110-12К) КАМАЗ
Каталожный номер 33.1112110-12К
Производитель АЗПИ АЗПИ
Код 26935
Доставка по всей Беларуси
Доступность остатки на филиалах Остатки на филиалах
Остаток: г.Минск, ул.Селицкого 21к В наличии
Склад Адрес Контакт Остатки
г. Минск ул. Селицкого, 21к +375 (44) 770-80-78 ( Много )
Схема проезда
г. Полоцк-2 ул. Шенягина, 52 +375 (29) 302-94-73 ( Много )
Схема проезда
г. Слоним ул. Советская, 93а +375 (29) 394-82-01 ( Много )
Схема проезда
Фильтр очистки топлива дизелей и их сменный элемент PL-270 в сборе PL-270
Фильтр очистки топлива дизелей и их сменный элемент PL-270 в сборе
Каталожный номер PL-270
Производитель ZTD ZTD
Код 22275
Доставка по всей Беларуси
Доступность остатки на филиалах Остатки на филиалах
Остаток В наличии
Склад Адрес Контакт Остатки
г. Ошмяны ул. Льнозоводская 3 +375 (44) 770-80-91 ( Мало )
Схема проезда
г. Полоцк-2 ул. Шенягина, 52 +375 (29) 302-94-73 ( Мало )
Схема проезда
Фильтр очистки топлива дизелей и их сменный элемент в сборе с подогревом PL-420
Фильтр очистки топлива дизелей и их сменный элемент в сборе с подогревом
Каталожный номер PL-420
Производитель СпецМаш СпецМаш
Код 32010
Доставка по всей Беларуси
Доступность остатки на филиалах Остатки на филиалах
Остаток В наличии
Склад Адрес Контакт Остатки
г. Сморгонь ул. Железнодорожная, 32 +375 (29) 671-02-10 ( Мало )
Схема проезда
Ремкомплект фильтра масляного КАМАЗ ЕВРО 7406-1012000
Ремкомплект фильтра масляного КАМАЗ ЕВРО
Каталожный номер 7406-1012000
Производитель Резинотехника Резинотехника
Код 17519
Доставка по всей Беларуси
Доступность остатки на филиалах Остатки на филиалах
Остаток: г.Минск, ул.Селицкого 21к В наличии
Склад Адрес Контакт Остатки
г. Минск ул. Селицкого, 21к +375 (44) 770-80-78 ( Средне )
Схема проезда
г. Бобруйск ул. Орловского, 22к3 +375 (29) 345-37-07 ( Мало )
Схема проезда
г. Брест Тельминский с/с, 1Д/1, 1 км южнее д. Тельмы-2 +375 (44) 599-90-75 ( Средне )
Схема проезда
г. Витебск ул. Правды, 33 +375 (44) 770-80-87 ( Средне )
Схема проезда
г. Витебск ул. Петруся Бровки, 34 +375 (29) 636-25-08 ( Мало )
Схема проезда
г. Мозырь промузел Козенки +375 (44) 731-94-60 ( Средне )
Схема проезда
г. Ошмяны ул. Льнозоводская 3 +375 (44) 770-80-91 ( Мало )
Схема проезда
г. Петриков ул. Первомайская, 124 +375 (33) 660-06-75 ( Средне )
Схема проезда
г. Пинск ул. Калиновского 32 +375 (44) 560-99-59 ( Средне )
Схема проезда
г. Слуцк ул. Тутаринова, 8 +375 (29) 346-06-90 ( Мало )
Схема проезда