4331-1602510 Цилиндр сцепления (00)
| Наименование: | Цилиндр сцепления 4331-1602510 (00) |
| Каталожный номер: | 4331-1602510 |
| Производитель: |
|
| Код товара: | 19831 |
| Доставка: | по всей Беларуси |
| Остаток: | под заказ |
Нашли не точность в описании товара? сообщить администратору.
* Выставить счет, получить техническую информацию и стоимость
Заказать деталь Онлайн
Описание
Наличие на филиалах
Применяемость
Заменить на СТО
Email
ras.Drenchik@gmail.com
Email
ras.Drobot@gmail.com
Email
ras.Rozhkov@gmail.com
Email
los.Konoda@gmail.com
Email
ras.titenkova@gmail.com
Email
ras.Abramovich@gmail.com
Email
pinsk.sto@gmail.com
Email
sto.Polock@snabavto.by
БС вес: 1,75 на 13.04.2020
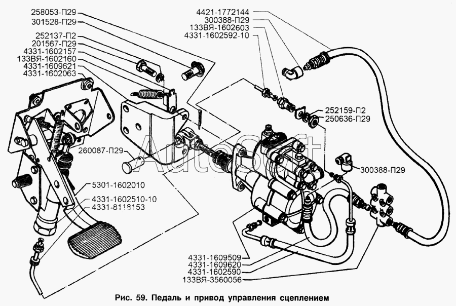
Главный цилиндр сцепления 4331 4331-1602510 для ЗИЛ.
Применяемость цилиндра 4331-1602510:
|
Марка |
Модель |
| ЗИЛ | ЗИЛ 433100 |
| ЗИЛ | ЗИЛ 433100 |
| ЗИЛ | ЗИЛ 433360 |
| ЗИЛ | ЗИЛ 433360 |
| ЗИЛ | ЗИЛ 433360 |
| ЗИЛ | ЗИЛ 442160 |
| ЗИЛ | ЗИЛ 442160 |
| ЗИЛ | ЗИЛ 442160 |
| ЗИЛ | ЗИЛ 494560 |
| ЗИЛ | ЗИЛ 494560 |
Код для заказа: 19831
| Марка | Модель | Кат.номер | Наим. по каталогу | Чертеж | |
|---|---|---|---|---|---|
| ЗИЛ | ЗИЛ-433100 | 4331-1602510-10 | Главный цилиндр управления сцеплением в сборе | Главный цилиндр управления сцеплением и бачок |
|
| ЗИЛ | ЗИЛ-433100 | 4331-1602510-10 | Главный цилиндр управления сцеплением в сборе | Педаль и привод управления сцеплением |
|
| ЗИЛ | ЗИЛ-433360 (1995) | 4331-1602510-10 | Главный цилиндр управления сцеплением в сборе | Педаль и привод управления сцеплением |
|
| ЗИЛ | ЗИЛ-433360 (1995) | 4331-1602510-10 | Главный цилиндр управления сцеплением в сборе | Установка педалей сцепления и тормоза |
|
| ЗИЛ | ЗИЛ-433360 (1995) | 4331-1602510-10 | Главный цилиндр управления сцеплением в сборе | Главный цилиндр управления сцеплением |
|
| ЗИЛ | ЗИЛ-442160 (1995) | 4331-1602510-10 | Главный цилиндр управления сцеплением в сборе | Педаль и привод управления сцеплением |
|
| ЗИЛ | ЗИЛ-442160 (1995) | 4331-1602510-10 | Главный цилиндр управления сцеплением в сборе | Установка педалей сцепления и тормоза |
|
| ЗИЛ | ЗИЛ-442160 (1995) | 4331-1602510-10 | Главный цилиндр управления сцеплением в сборе | Главный цилиндр управления сцеплением |
|
| ЗИЛ | ЗИЛ-494560 (1995) | 4331-1602510-10 | Главный цилиндр управления сцеплением в сборе | Педаль и привод управления сцеплением |
|
| ЗИЛ | ЗИЛ-494560 (1995) | 4331-1602510-10 | Главный цилиндр управления сцеплением в сборе | Установка педалей сцепления и тормоза |
|
| ЗИЛ | ЗИЛ-494560 (1995) | 4331-1602510-10 | Главный цилиндр управления сцеплением в сборе | Главный цилиндр управления сцеплением |
|
| ЗИЛ | ЗИЛ-5301 (2000) | 4331-1602510-10 | Главный цилиндр управления сцеплением в сборе | Педаль и привод управления сцеплением |
|
| ЗИЛ | ЗИЛ-5301 (2000) | 4331-1602510-10 | Главный цилиндр управления сцеплением в сборе | Установка педалей сцепления и тормоза |
|
| ЗИЛ | ЗИЛ-5301 (2000) | 4331-1602510-10 | Главный цилиндр управления сцеплением в сборе | Главный цилиндр управления сцеплением |
|
| ЗИЛ | ЗИЛ-3250 (2000) | 4331-1602510-10 | Главный цилиндр управления сцеплением в сборе | Педаль и привод управления сцеплением |
|
| ЗИЛ | ЗИЛ-3250 (2000) | 4331-1602510-10 | Главный цилиндр управления сцеплением в сборе | Установка педалей сцепления и тормоза |
|
| ЗИЛ | ЗИЛ-3250 (2000) | 4331-1602510-10 | Главный цилиндр управления сцеплением в сборе | Главный цилиндр управления сцеплением |
|
| ЗИЛ | ЗИЛ-433100 (Каталог 2003 года) | 4331-1602510-10 | Главный цилиндр управления сцеплением в сборе | Педаль и привод управления сцеплением |
|
| ЗИЛ | ЗИЛ-433100 (Каталог 2003 года) | 4331-1602510-10 | Главный цилиндр управления сцеплением в сборе | Установка педалей сцепления и тормоза |
|
| ЗИЛ | ЗИЛ-433100 (Каталог 2003 года) | 4331-1602510-10 | Главный цилиндр управления сцеплением в сборе | Главный цилиндр управления сцеплением |
|
Под заказ
Аналоги
| Цилиндр сцепления 4331-1602510 | |
| Каталожный номер | 4331-1602510 |
| Производитель |
|
| Код | 13000 |
| Доставка | по всей Беларуси |
| Доступность | остатки на филиалах |
| Остаток | Под заказ |
Товары из этой категории
| Диск сцепления 130-1601090 АЕ нажимной АГРОТЭК | |
| Каталожный номер | 130-1601090 АE |
| Производитель |
|
| Код | 00-ГР022845 |
| Доставка | по всей Беларуси |
| Доступность | остатки на филиалах |
| Остаток: г.Минск, ул.Селицкого 21к | В наличии |
| Склад | Адрес | Контакт | Остатки | |
|---|---|---|---|---|
| г. Минск | ул. Селицкого, 21к | +375 (44) 770-80-78 |
( Средне )
|
Схема проезда |
| г. Бобруйск | ул. Гоголя, 181/1-6 | +375 (29) 630-05-01 |
( Мало )
|
Схема проезда |
| г. Бобруйск | ул. Орловского, 22к3 | +375 (29) 345-37-07 |
( Мало )
|
Схема проезда |
| г. Борисов | ул. Демина, 2а | +375 (44) 560-99-75 |
( Мало )
|
Схема проезда |
| г. Ивацевичи | ул. Загородная, 6А | +375 (29) 188-59-01 |
( Мало )
|
Схема проезда |
| г. Лельчицы | ул. Советская, д.96/1 | +375 (29) 346-98-96 |
( Мало )
|
Схема проезда |
| г. Лунинец | ул.Красная, 175а | +375 (44) 721-46-74 |
( Мало )
|
Схема проезда |
| г. Новогрудок | ул. Индустриальная, 3 | +375 (44) 729-39-19 |
( Мало )
|
Схема проезда |
| г. Орша | ул. Сергея Кирова, д. 34 | +375 (44) 583-91-42 |
( Мало )
|
Схема проезда |
| г. Осиповичи | ул. Короткая, 11 | +375 (29) 165-60-07 |
( Мало )
|
Схема проезда |
| г. Слуцк | ул. Тутаринова, 8 | +375 (29) 346-06-90 |
( Мало )
|
Схема проезда |
| г. Солигорск | Чижевичский сельсовет, 3Г | +375 (29) 899-58-52 |
( Мало )
|
Схема проезда |
| Муфта сцепления 130-1601180 АЕ АГРОТЭК | |
| Каталожный номер | 130-1601180 АЕ |
| Производитель |
|
| Код | 00-ГР023187 |
| Доставка | по всей Беларуси |
| Доступность | остатки на филиалах |
| Остаток: г.Минск, ул.Селицкого 21к | В наличии |
| Склад | Адрес | Контакт | Остатки | |
|---|---|---|---|---|
| г. Минск | ул. Селицкого, 21к | +375 (44) 770-80-78 |
( Много )
|
Схема проезда |
| г. Березино | ул. Комсомольская, д. 24 | +375 (44) 770-80-17 |
( Мало )
|
Схема проезда |
| г. Бобруйск | ул. Орловского, 22к3 | +375 (29) 345-37-07 |
( Мало )
|
Схема проезда |
| г. Глубокое | ул. Энгельса, 22 | +375 (44) 505-71-40 |
( Мало )
|
Схема проезда |
| г. Гомель | ул. Барыкина, 291Б | +375 (44) 514-15-30 |
( Мало )
|
Схема проезда |
| г. Жлобин | ул. Козлова, 25 | +375 (29) 346-06-78 |
( Мало )
|
Схема проезда |
| г. Лунинец | ул.Красная, 175а | +375 (44) 721-46-74 |
( Мало )
|
Схема проезда |
| г. Несвиж | ул. Кутузова, 2 | +375 (29) 394-82-48 |
( Мало )
|
Схема проезда |
| г. Новогрудок | ул. Индустриальная, 3 | +375 (44) 729-39-19 |
( Мало )
|
Схема проезда |
| г. Орша | ул. Сергея Кирова, д. 34 | +375 (44) 583-91-42 |
( Мало )
|
Схема проезда |
| г. Ошмяны | ул. Льнозоводская 3 | +375 (44) 770-80-91 |
( Мало )
|
Схема проезда |
| г. Петриков | ул. Первомайская, 124 | +375 (33) 660-06-75 |
( Мало )
|
Схема проезда |
| г. Полоцк-2 | ул. Шенягина, 52 | +375 (29) 302-94-73 |
( Мало )
|
Схема проезда |
| г. Поставы | ул. Советская, 69 | +375 (44) 770-80-13 |
( Мало )
|
Схема проезда |
| г. Слуцк | ул. Тутаринова, 8 | +375 (29) 346-06-90 |
( Мало )
|
Схема проезда |
| г. Солигорск | Чижевичский сельсовет, 3Г | +375 (29) 899-58-52 |
( Мало )
|
Схема проезда |
| Диск сцепления 130-1601090 нажимной рычажный ПРАМО | |
| Каталожный номер | 130-1601090 |
| Производитель |
|
| Код | 00-ГР031181 |
| Доставка | по всей Беларуси |
| Доступность | остатки на филиалах |
| Остаток: г.Минск, ул.Селицкого 21к | Под заказ |
| Склад | Адрес | Контакт | Остатки | |
|---|---|---|---|---|
| г. Минск | ул. Селицкого, 21к | +375 (44) 770-80-78 |
( Средне )
|
Схема проезда |
| г. Витебск | ул. Правды, 33 | +375 (44) 770-80-87 |
( Мало )
|
Схема проезда |
| г. Лунинец | ул.Красная, 175а | +375 (44) 721-46-74 |
( Мало )
|
Схема проезда |
| г. Полоцк-2 | ул. Шенягина, 52 | +375 (29) 302-94-73 |
( Мало )
|
Схема проезда |
| г. Слуцк | ул. Тутаринова, 8 | +375 (29) 346-06-90 |
( Мало )
|
Схема проезда |
| Диск сцепления ТМ 130-1601130 ведомый ТРАНСМАШ | |
| Каталожный номер | ТМ 130-1601130 |
| Производитель |
|
| Код | 00-ГР032755 |
| Доставка | по всей Беларуси |
| Доступность | остатки на филиалах |
| Остаток: г.Минск, ул.Селицкого 21к | Под заказ |
| Склад | Адрес | Контакт | Остатки | |
|---|---|---|---|---|
| г. Минск | ул. Селицкого, 21к | +375 (44) 770-80-78 |
( Средне )
|
Схема проезда |
| г. Глубокое | ул. Энгельса, 22 | +375 (44) 505-71-40 |
( Мало )
|
Схема проезда |
| г. Дрогичин | ул. Юбилейная, 42 | +375 (29) 682-17-13 |
( Мало )
|
Схема проезда |
| г. Орша | ул. Сергея Кирова, д. 34 | +375 (44) 583-91-42 |
( Мало )
|
Схема проезда |
| г. Ошмяны | ул. Льнозоводская 3 | +375 (44) 770-80-91 |
( Мало )
|
Схема проезда |
| г. Сморгонь | ул. Железнодорожная, 32 | +375 (29) 671-02-10 |
( Мало )
|
Схема проезда |
| Диск сцепления 130-1601130ТУУ ведомый ТМ | |
| Каталожный номер | 130-1601130Е |
| Производитель |
|
| Код | 00-ГР027697 |
| Доставка | по всей Беларуси |
| Доступность | остатки на филиалах |
| Остаток: г.Минск, ул.Селицкого 21к | Под заказ |
| Склад | Адрес | Контакт | Остатки | |
|---|---|---|---|---|
| г. Минск | ул. Селицкого, 21к | +375 (44) 770-80-78 |
( Много )
|
Схема проезда |
| г. Борисов | ул. Демина, 2а | +375 (44) 560-99-75 |
( Мало )
|
Схема проезда |
| г. Глубокое | ул. Энгельса, 22 | +375 (44) 505-71-40 |
( Мало )
|
Схема проезда |
| г. Гомель | ул. Барыкина, 291Б | +375 (44) 514-15-30 |
( Мало )
|
Схема проезда |
| г. Дятлово | ул. Советская ,104 | +375 (29) 187-87-37 |
( Мало )
|
Схема проезда |
| г. Житковичи | ул. Комсомольская, 49 | +375 (29) 394-82-52 |
( Мало )
|
Схема проезда |
| г. Жлобин | ул. Козлова, 25 | +375 (29) 346-06-78 |
( Мало )
|
Схема проезда |
| г. Осиповичи | ул. Короткая, 11 | +375 (29) 165-60-07 |
( Мало )
|
Схема проезда |
| г. Слуцк | ул. Тутаринова, 8 | +375 (29) 346-06-90 |
( Мало )
|
Схема проезда |
Политика обработки файлов cookie
На сайте snabavto.by используются файлы cookie для сбора обезличенной информации о пользователях. Это помогает нам анализировать статистику, совершенствовать сервис и делать его более удобным для вас. Подробнее о файлах cookie вы можете узнать в соответствующем разделе Политики обработки файлов cookie.
Ремавтоснаб