Республика Беларусь,
г. Минск, ул. Селицкого 21к - центральный склад
Пн-пт с 8:00 до 17:00
Меню
53-11-1017085-20 Трубка масляного фильтра
Наименование: Трубка 53-11-1017085-20 масляного фильтра
Каталожный номер: 53-11-1017085-20
Производитель: ЗМЗ
Код товара: 00-ГР003223
Доставка: по всей Беларуси
Остаток: под заказ

Нашли не точность в описании товара? сообщить администратору.

+375 (44) 770-80-78 +375 (29) 747-80-78
* Выставить счет, получить техническую информацию и стоимость
Заказать деталь Онлайн
Описание
Наличие на филиалах
Применяемость
Заменить на СТО

Трубка 53-11-1017085-20 масляного фильтра производства ЗМЗ (РФ), Код для заказа: 00-ГР003223

Марка Модель Кат.номер Наим. по каталогу Чертеж
ГАЗ ГАЗ-3306 (1994) 542.1017085 Плунжер Насос масляный, маслоотделитель и фильтр масляный Чертеж Насос масляный, маслоотделитель и фильтр масляный
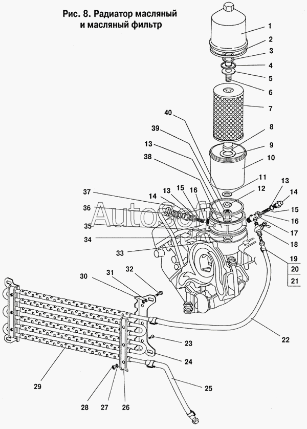
ГАЗ ГАЗ-3307 (2000) 53-11-1017085-20 Трубка выпускная масляного фильтра в сборе Радиатор масляный и фильтр тонкой очистки масла Чертеж Радиатор масляный и фильтр тонкой очистки масла
ГАЗ ГАЗ-3309 542.1017085 Плунжер Насос масляный, маслоотделитель и фильтр масляный Чертеж Насос масляный, маслоотделитель и фильтр масляный
ГАЗ ГАЗ-4301 542.1017085 Плунжер Насос масляный, маслоотделитель и фильтр масляный Чертеж Насос масляный, маслоотделитель и фильтр масляный
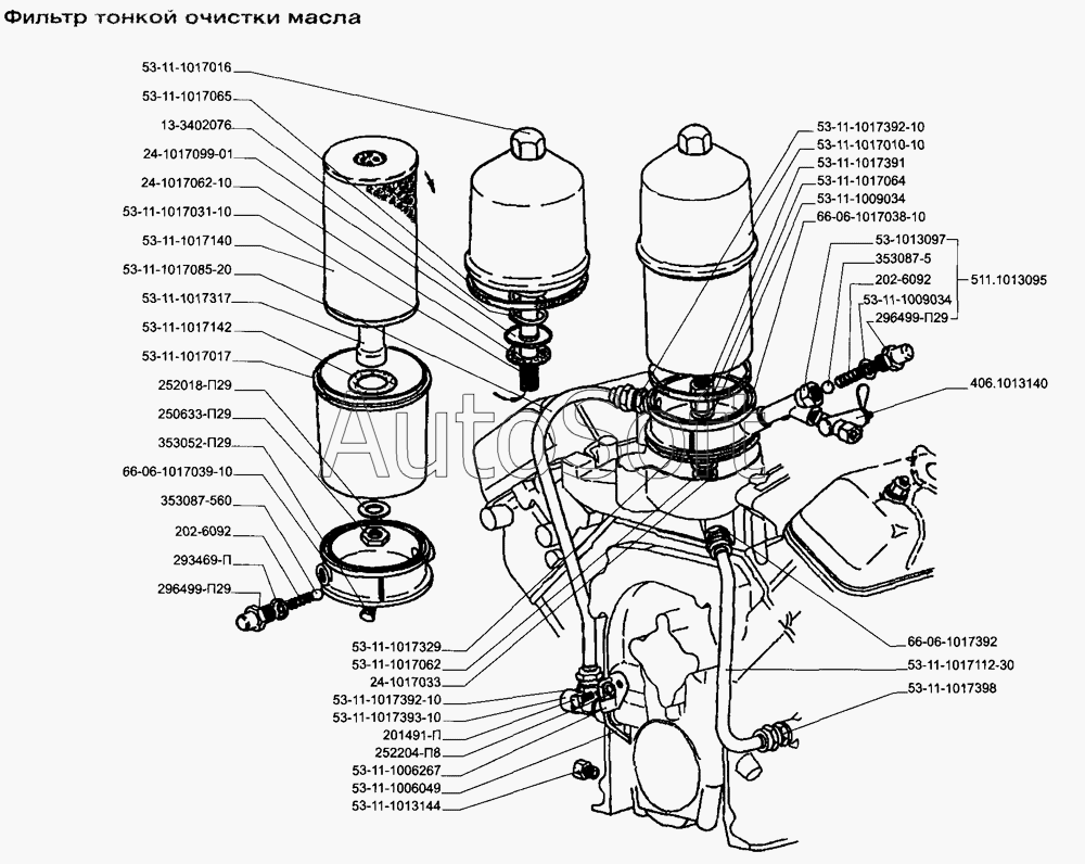
ГАЗ ГАЗ-66 (Каталог 1996 г.) (1996) 53-11-1017085-20 Трубка выпускная масляного фильтра в сборе Радиатор масляный, фильтр тонкой очистки масла Чертеж Радиатор масляный, фильтр тонкой очистки масла
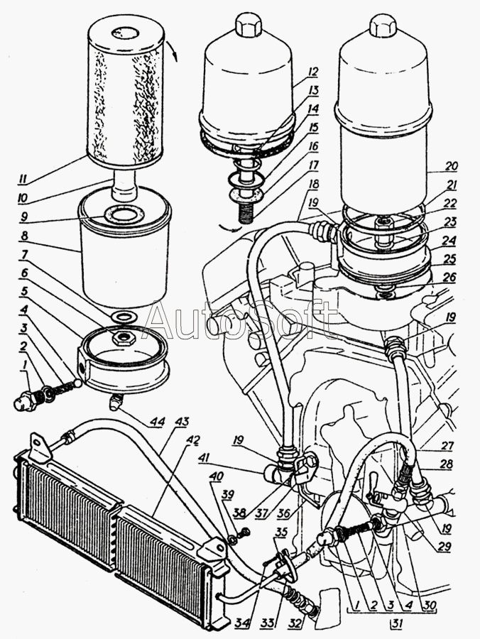
ГАЗ ГАЗ-5312 (2002) 53-11-1017085-20 Трубка выпускная масляного фильтра в сборе Масляный радиатор и фильтр масляный Чертеж Масляный радиатор и фильтр масляный
ПАЗ ПАЗ-672М (1987) 53-11-1017085-20 Трубка выпускная Смазочный насос и привод распределителя
ПАЗ ПАЗ-32053 (2004) 53-11-1017085-20 Трубка выпускная Радиатор масляный и масляный фильтр Чертеж Радиатор масляный и масляный фильтр
ЗМЗ ЗМЗ-5234.10 (2006) 53-11-1017085-20 Трубка выпускная масляного фильтра Фильтр масляный Чертеж Фильтр масляный
ЗМЗ ЗМЗ-5234.10 (Евро 3) (2008) 53-11-1017085-20 Трубка выпускная масляного фильтра Фильтр масляный Чертеж Фильтр масляный
Товары из этой категории
Комплект 5257188/52571871 прокладок двигателя (Cummins ISF 2.8) 5257188/52571871
Комплект 5257188/52571871 прокладок двигателя (Cummins ISF 2.8)
Каталожный номер 5257188/52571871
Производитель ФАРЕР ФАРЕР
Код 00-ГР027413
Доставка по всей Беларуси
Доступность остатки на филиалах Остатки на филиалах
Остаток В наличии
Склад Адрес Контакт Остатки
г. Витебск ул. Правды, 33 +375 (44) 770-80-87 ( Мало )
Схема проезда
Сальник коленвала задний 4062-1005160-001
Сальник коленвала задний
Каталожный номер 4062-1005160-001
Производитель БРТ БРТ
Код 24967
Доставка по всей Беларуси
Доступность остатки на филиалах Остатки на филиалах
Остаток В наличии
Склад Адрес Контакт Остатки
г. Барановичи ул. Пролетарская, 40 +375 (29) 795-96-37 ( Мало )
Схема проезда
г. Барановичи ул. Бадака, 27Б +375 (29) 350-33-47 ( Мало )
Схема проезда
г. Гродно ул. Карского, 35 +375 (44) 770-70-21 ( Мало )
Схема проезда
Вкладыш коренной (0,5) 24-1000102-31
Вкладыш коренной (0,5)
Каталожный номер 24-1000102-31
Производитель Дайдо Дайдо
Код 10842
Доставка по всей Беларуси
Доступность остатки на филиалах Остатки на филиалах
Остаток: г.Минск, ул.Селицкого 21к В наличии
Склад Адрес Контакт Остатки
г. Минск ул. Селицкого, 21к +375 (44) 770-80-78 ( Средне )
Схема проезда
Ремень 612630061046 (6 РК 1395) генератора (WP-10,WP-12,WP-13) Weichai 612630061046
Ремень 612630061046 (6 РК 1395) генератора (WP-10,WP-12,WP-13) Weichai
Каталожный номер 612630061046
Производитель WEICHAI WEICHAI
Код 00-ГР008351
Доставка по всей Беларуси
Доступность остатки на филиалах Остатки на филиалах
Остаток: г.Минск, ул.Селицкого 21к В наличии
Склад Адрес Контакт Остатки
г. Минск ул. Селицкого, 21к +375 (44) 770-80-78 ( Средне )
Схема проезда
г. Березино ул. Комсомольская, д. 24 +375 (44) 770-80-17 ( Мало )
Схема проезда
г. Бобруйск ул. Орловского, 22к3 +375 (29) 345-37-07 ( Мало )
Схема проезда
г. Борисов ул. Демина, 2а +375 (44) 560-99-75 ( Мало )
Схема проезда
г. Витебск ул. Правды, 33 +375 (44) 770-80-87 ( Мало )
Схема проезда
г. Витебск ул. Петруся Бровки, 34 +375 (29) 636-25-08 ( Мало )
Схема проезда
г. Глубокое ул. Энгельса, 22 +375 (44) 505-71-40 ( Мало )
Схема проезда
г. Гомель ул. Барыкина, 291Б +375 (44) 514-15-30 ( Мало )
Схема проезда
г. Гродно ул. Карского, 35 +375 (44) 770-70-21 ( Средне )
Схема проезда
г. Житковичи ул. Комсомольская, 49 +375 (29) 394-82-52 ( Мало )
Схема проезда
г. Ивацевичи ул. Загородная, 6А +375 (29) 188-59-01 ( Мало )
Схема проезда
г. Кобрин ул. Пролетарская, 177А +375 (44) 588-10-80 ( Мало )
Схема проезда
г. Лельчицы ул. Советская, д.96/1 +375 (29) 346-98-96 ( Мало )
Схема проезда
г. Лунинец ул.Красная, 175а +375 (44) 721-46-74 ( Мало )
Схема проезда
г. Могилев ул. Габровская 11Б +375 (29) 662-02-16 ( Мало )
Схема проезда
г. Мозырь промузел Козенки +375 (44) 731-94-60 ( Мало )
Схема проезда
г. Ошмяны ул. Льнозоводская 3 +375 (44) 770-80-91 ( Средне )
Схема проезда
г. Пинск ул. Калиновского 32 +375 (44) 560-99-59 ( Мало )
Схема проезда
г. Слоним ул. Советская, 93а +375 (29) 394-82-01 ( Мало )
Схема проезда
г. Слуцк ул. Тутаринова, 8 +375 (29) 346-06-90 ( Мало )
Схема проезда
г. Солигорск Чижевичский сельсовет, 3Г +375 (29) 899-58-52 ( Мало )
Схема проезда
г. Щучин ул. Советская, 39 +375 (29) 177-29-70 ( Средне )
Схема проезда
Комплект прокладок ЗМЗ-511-3906022 полный Riginal RG511-3906022
Комплект прокладок ЗМЗ-511-3906022 полный Riginal
Каталожный номер RG511-3906022
Производитель RIGINAL RIGINAL
Код 00-ГР022209
Доставка по всей Беларуси
Доступность остатки на филиалах Остатки на филиалах
Остаток: г.Минск, ул.Селицкого 21к В наличии
Склад Адрес Контакт Остатки
г. Минск ул. Селицкого, 21к +375 (44) 770-80-78 ( Много )
Схема проезда
г. Барановичи ул. Пролетарская, 40 +375 (29) 795-96-37 ( Мало )
Схема проезда
г. Бобруйск ул. Гоголя, 181/1-6 +375 (29) 630-05-01 ( Мало )
Схема проезда
г. Борисов ул. Демина, 2а +375 (44) 560-99-75 ( Мало )
Схема проезда
г. Витебск ул. Правды, 33 +375 (44) 770-80-87 ( Мало )
Схема проезда
г. Глубокое ул. Энгельса, 22 +375 (44) 505-71-40 ( Мало )
Схема проезда
г. Гомель ул. Барыкина, 291Б +375 (44) 514-15-30 ( Мало )
Схема проезда
г. Дятлово ул. Советская ,104 +375 (29) 187-87-37 ( Мало )
Схема проезда
г. Жлобин ул. Козлова, 25 +375 (29) 346-06-78 ( Мало )
Схема проезда
г. Ивацевичи ул. Загородная, 6А +375 (29) 188-59-01 ( Мало )
Схема проезда
г. Кричев ул. Комсомольская, 126 +375 (29) 628-88-42 ( Мало )
Схема проезда
г. Лельчицы ул. Советская, д.96/1 +375 (29) 346-98-96 ( Мало )
Схема проезда
г. Мозырь промузел Козенки +375 (44) 731-94-60 ( Мало )
Схема проезда
г. Молодечно ул. Галицкого, 14 +375 (44) 567-28-47 ( Мало )
Схема проезда
г. Полоцк-2 ул. Шенягина, 52 +375 (29) 302-94-73 ( Мало )
Схема проезда
г. Поставы ул. Советская, 69 +375 (44) 770-80-13 ( Мало )
Схема проезда
г. Пружаны ул. Макаренко, 21 +375 (29) 348-83-18 ( Мало )
Схема проезда
г. Слоним ул. Советская, 93а +375 (29) 394-82-01 ( Мало )
Схема проезда
г. Сморгонь ул. Железнодорожная, 32 +375 (29) 671-02-10 ( Мало )
Схема проезда