Республика Беларусь,
г. Минск, ул. Селицкого 21к - центральный склад
Пн-пт с 8:00 до 17:00
Меню
245-1104330-Д Трубка
Наименование: Трубка 245-1104330-Д
Каталожный номер: 245-1104330-Д
Производитель: RSTA
Код товара: 00-ГР032046
Доставка: по всей Беларуси
Остаток: под заказ

Нашли не точность в описании товара? сообщить администратору.

+375 (44) 770-80-78 +375 (29) 747-80-78
* Выставить счет, получить техническую информацию и стоимость
Заказать деталь Онлайн
Описание
Наличие на филиалах
Применяемость
Заменить на СТО

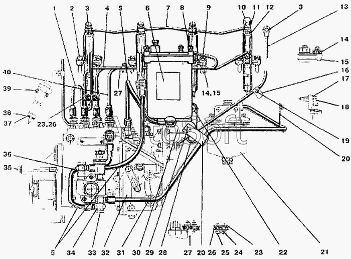
Трубка 245-1104330-Д производства RSTA (РФ), Код для заказа: 00-ГР032046

Марка Модель Кат.номер Наим. по каталогу Чертеж
ЗИЛ ЗИЛ-5301 (2000) 245-1104330-Б Трубка пневмокорректора Установка топливоподающей аппаратуры Чертеж Установка топливоподающей аппаратуры
ЗИЛ ЗИЛ-3250 (2000) 245-1104330-Б Трубка пневмокорректора Установка топливоподающей аппаратуры Чертеж Установка топливоподающей аппаратуры
ЗИЛ ЗИЛ-5301 (2006) (2006) 245-1104330-И Трубка пневмокорректора Установка топливоподающей аппаратуры на дизеле Д-245.9Е2 Чертеж Установка топливоподающей аппаратуры на дизеле Д-245.9Е2
ЗИЛ ЗИЛ-5301 (2006) (2006) 245-1104330-Б Трубка пневмокорректора Установка топливоподающей аппаратуры на дизеле Д-245.12С
ЗИЛ ЗИЛ-3250 (2006) 245-1104330-И Трубка пневмокорректора Установка топливоподающей аппаратуры на дизеле Д-245.9Е2
МТЗ МТЗ-100 245-1104330 Трубка пневмокорректора Топливные трубопроводы и установка топливной аппаратуры
МТЗ МТЗ-900 245-1104330 Трубка пневмокорректора Топливные трубопроводы. Установка топливной аппаратуры Чертеж Топливные трубопроводы. Установка топливной аппаратуры
МТЗ МТЗ-822 (2008) 245-1104330 Трубка пневмокорректора Топливные трубопроводы. Установка топливной аппаратуры Чертеж Топливные трубопроводы. Установка топливной аппаратуры
МТЗ МТЗ-922 (2008) 245-1104330 Трубка пневмокорректора Топливные трубопроводы. Установка топливной аппаратуры
МТЗ МТЗ-923 (2008) 245-1104330 Трубка пневмокорректора Топливные трубопроводы. Установка топливной аппаратуры
МТЗ МТЗ-1005 (2008) 245-1104330 Трубка пневмокорректора Топливные трубопроводы. Установка топливной аппаратуры Чертеж Топливные трубопроводы. Установка топливной аппаратуры
ММЗ Д-245 245-1104330 Трубка пневмокорректора Топливные трубопроводы и установка топливной аппаратуры Чертеж Топливные трубопроводы и установка топливной аппаратуры
ММЗ Д-245.9 245-1104330-В Трубка пневмокорректора Топливные трубопроводы и установка топливной аппаратуры Чертеж Топливные трубопроводы и установка топливной аппаратуры
ММЗ Д-245.12 245-1104330-Б Трубка пневмокорректора Топливные трубопроводы и установка топливной аппаратуры Чертеж Топливные трубопроводы и установка топливной аппаратуры
ММЗ Д-245.30Е2-469 (2006) 245-1104330-И Трубка пневмокорректора Топливные трубопроводы и установка топливной аппаратуры Чертеж Топливные трубопроводы и установка топливной аппаратуры
ММЗ Д-245.7E2 (2006) 245-1104330-Д Трубка перепускная Насос топливный (773.1111005-20.05Э2) Чертеж Насос топливный (773.1111005-20.05Э2)
ММЗ Д-245.7E2 (2006) 246-1104330-И Трубка пневмокорректора Насос топливный (773.1111005-20.05Э2) Чертеж Насос топливный (773.1111005-20.05Э2)
ММЗ Д-245.7E2 (2006) 245-1104330-И Трубка пневмокорректора Насос топливный (773.1111005-20.05) Чертеж Насос топливный (773.1111005-20.05)
ПАЗ ПАЗ-4234 (2005) 245-1104330-В Трубка пневмокорректора Топливные трубопроводы
ПАЗ ПАЗ-4230 (2005) 245-1104330-И Трубка пневмокорректора Топливные трубопроводы
Товары из этой категории
Болт 245-1104797-02 поворотного угольника ММЗ 245-1104797-02
Болт 245-1104797-02 поворотного угольника ММЗ
Каталожный номер 245-1104797-02
Производитель ММЗ ММЗ
Код 00-ГР020626
Доставка по всей Беларуси
Доступность остатки на филиалах Остатки на филиалах
Остаток: г.Минск, ул.Селицкого 21к В наличии
Склад Адрес Контакт Остатки
г. Минск ул. Селицкого, 21к +375 (44) 770-80-78 ( Много )
Схема проезда
г. Бобруйск ул. Орловского, 22к3 +375 (29) 345-37-07 ( Средне )
Схема проезда
г. Дрогичин ул. Юбилейная, 42 +375 (29) 682-17-13 ( Мало )
Схема проезда
г. Житковичи ул. Комсомольская, 49 +375 (29) 394-82-52 ( Много )
Схема проезда
г. Лунинец ул.Красная, 175а +375 (44) 721-46-74 ( Средне )
Схема проезда
г. Осиповичи ул. Короткая, 11 +375 (29) 165-60-07 ( Средне )
Схема проезда
г. Ошмяны ул. Льнозоводская 3 +375 (44) 770-80-91 ( Средне )
Схема проезда
г. Полоцк-2 ул. Шенягина, 52 +375 (29) 302-94-73 ( Мало )
Схема проезда
г. Столин ул. Быковского, 29 +375 (33) 304-54-36 ( Средне )
Схема проезда
Насос топливоподкачивающий Motorpal Д-260 990.3554, 23007008М
Насос топливоподкачивающий Motorpal Д-260
Каталожный номер 990.3554, 23007008М
Производитель RCZP LTD RCZP LTD
Код 22237
Доставка по всей Беларуси
Доступность остатки на филиалах Остатки на филиалах
Остаток В наличии
Склад Адрес Контакт Остатки
г. Барановичи ул. Бадака, 27Б +375 (29) 350-33-47 ( Мало )
Схема проезда
г. Несвиж ул. Кутузова, 2 +375 (29) 394-82-48 ( Мало )
Схема проезда
Кольцо 240-1111036-Б защитное (н/о) синий FMVQ 240-1111036-Б
Кольцо 240-1111036-Б защитное (н/о) синий FMVQ
Каталожный номер 240-1111036-Б
Производитель ГБЦ ГБЦ
Код 00-ГР032476
Доставка по всей Беларуси
Доступность остатки на филиалах Остатки на филиалах
Остаток: г.Минск, ул.Селицкого 21к В наличии
Склад Адрес Контакт Остатки
г. Минск ул. Селицкого, 21к +375 (44) 770-80-78 ( Много )
Схема проезда
г. Березино ул. Комсомольская, д. 24 +375 (44) 770-80-17 ( Много )
Схема проезда
г. Бобруйск ул. Орловского, 22к3 +375 (29) 345-37-07 ( Много )
Схема проезда
г. Брест Тельминский с/с, 1Д/1, 1 км южнее д. Тельмы-2 +375 (44) 599-90-75 ( Много )
Схема проезда
г. Гродно ул. Карского, 35 +375 (44) 770-70-21 ( Много )
Схема проезда
г. Жлобин ул. Козлова, 25 +375 (29) 346-06-78 ( Средне )
Схема проезда
г. Лунинец ул.Красная, 175а +375 (44) 721-46-74 ( Много )
Схема проезда
г. Новогрудок ул. Индустриальная, 3 +375 (44) 729-39-19 ( Много )
Схема проезда
г. Осиповичи ул. Короткая, 11 +375 (29) 165-60-07 ( Много )
Схема проезда
г. Полоцк-2 ул. Шенягина, 52 +375 (29) 302-94-73 ( Средне )
Схема проезда
г. Столин ул. Быковского, 29 +375 (33) 304-54-36 ( Средне )
Схема проезда
Клапан перепускной 16-С13-1Б
Клапан перепускной
Каталожный номер 16-С13-1Б
Производитель RCZP LTD RCZP LTD
Код 44188
Доставка по всей Беларуси
Доступность остатки на филиалах Остатки на филиалах
Остаток Под заказ
Трубка топливная (L=1045мм) 245-1104180-А1-06
Трубка топливная (L=1045мм)
Каталожный номер 245-1104180-А1-06
Производитель НЗГА НЗГА
Код 26085
Доставка по всей Беларуси
Доступность остатки на филиалах Остатки на филиалах
Остаток: г.Минск, ул.Селицкого 21к В наличии
Склад Адрес Контакт Остатки
г. Минск ул. Бабушкина, 37 +375 (29) 632-00-82 ( Мало )
Схема проезда
г. Минск ул. Селицкого, 21к +375 (44) 770-80-78 ( Много )
Схема проезда
г. Барановичи ул. Пролетарская, 40 +375 (29) 795-96-37 ( Мало )
Схема проезда
г. Барановичи ул. Бадака, 27Б +375 (29) 350-33-47 ( Мало )
Схема проезда
г. Березино ул. Комсомольская, д. 24 +375 (44) 770-80-17 ( Средне )
Схема проезда
г. Бобруйск ул. Орловского, 22к3 +375 (29) 345-37-07 ( Средне )
Схема проезда
г. Борисов ул. Демина, 2а +375 (44) 560-99-75 ( Средне )
Схема проезда
г. Брест Тельминский с/с, 1Д/1, 1 км южнее д. Тельмы-2 +375 (44) 599-90-75 ( Мало )
Схема проезда
г. Витебск ул. Правды, 33 +375 (44) 770-80-87 ( Средне )
Схема проезда
г. Витебск ул. Петруся Бровки, 34 +375 (29) 636-25-08 ( Мало )
Схема проезда
г. Глубокое ул. Энгельса, 22 +375 (44) 505-71-40 ( Мало )
Схема проезда
г. Гомель ул. Барыкина, 291Б +375 (44) 514-15-30 ( Мало )
Схема проезда
г. Горки ул.Мира, д.51а/1 +375 (44) 565-33-61 ( Средне )
Схема проезда
г. Гродно ул. Карского, 35 +375 (44) 770-70-21 ( Мало )
Схема проезда
г. Дрогичин ул. Юбилейная, 42 +375 (29) 682-17-13 ( Средне )
Схема проезда
г. Житковичи ул. Комсомольская, 49 +375 (29) 394-82-52 ( Средне )
Схема проезда
г. Ивацевичи ул. Загородная, 6А +375 (29) 188-59-01 ( Средне )
Схема проезда
г. Лельчицы ул. Советская, д.96/1 +375 (29) 346-98-96 ( Средне )
Схема проезда
г. Лепель ул. Лобанка, 43 +375 (44) 778-65-21 ( Средне )
Схема проезда
г. Лунинец ул.Красная, 175а +375 (44) 721-46-74 ( Средне )
Схема проезда
г. Могилев ул. Габровская 11Б +375 (29) 662-02-16 ( Средне )
Схема проезда
г. Мозырь промузел Козенки +375 (44) 731-94-60 ( Мало )
Схема проезда
г. Молодечно ул. Галицкого, 14 +375 (44) 567-28-47 ( Средне )
Схема проезда
г. Несвиж ул. Кутузова, 2 +375 (29) 394-82-48 ( Средне )
Схема проезда
г. Новогрудок ул. Индустриальная, 3 +375 (44) 729-39-19 ( Средне )
Схема проезда
г. Орша ул. Сергея Кирова, д. 34 +375 (44) 583-91-42 ( Мало )
Схема проезда
г. Осиповичи ул. Короткая, 11 +375 (29) 165-60-07 ( Средне )
Схема проезда
г. Ошмяны ул. Льнозоводская 3 +375 (44) 770-80-91 ( Средне )
Схема проезда
г. Петриков ул. Первомайская, 124 +375 (33) 660-06-75 ( Средне )
Схема проезда
г. Полоцк-2 ул. Шенягина, 52 +375 (29) 302-94-73 ( Средне )
Схема проезда
г. Поставы ул. Советская, 69 +375 (44) 770-80-13 ( Мало )
Схема проезда
г. Пружаны ул. Макаренко, 21 +375 (29) 348-83-18 ( Средне )
Схема проезда
г. Слуцк ул. Тутаринова, 8 +375 (29) 346-06-90 ( Мало )
Схема проезда
г. Сморгонь ул. Железнодорожная, 32 +375 (29) 671-02-10 ( Мало )
Схема проезда
г. Столин ул. Быковского, 29 +375 (33) 304-54-36 ( Средне )
Схема проезда