Республика Беларусь,
г. Минск, ул. Селицкого 21к - центральный склад
Пн-пт с 8:00 до 17:00
Меню
403062-01 Тройник МАЗ ОАО, УВК
Наименование: Тройник МАЗ ОАО, УВК
Каталожный номер: 403062-01
Код товара: 40306201
Доставка: по всей Беларуси
Остаток: под заказ 1-45 дней

Нашли не точность в описании товара? сообщить администратору.

+375 (44) 770-80-78 +375 (29) 747-80-78
* Выставить счет, получить техническую информацию и стоимость
Заказать деталь Онлайн
Описание
Наличие на филиалах
Применяемость
Заменить на СТО

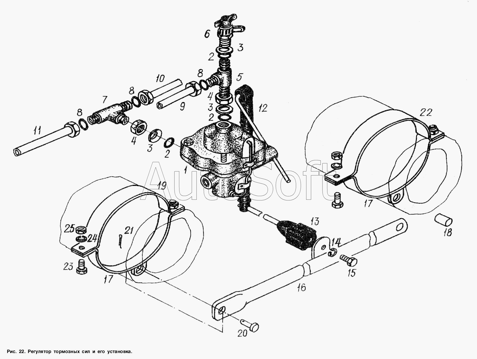
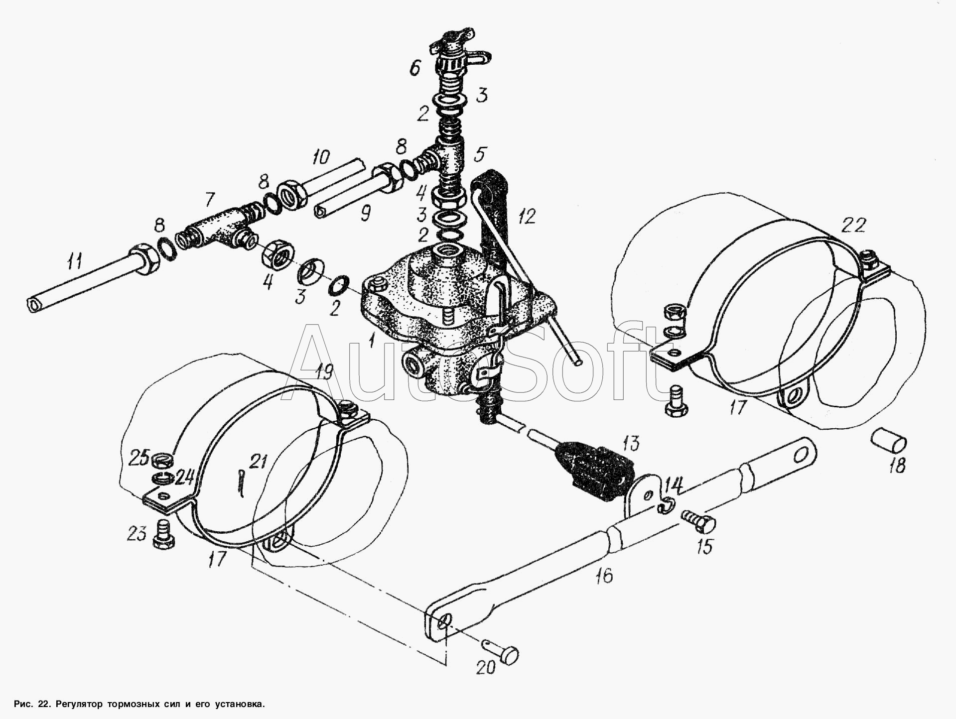
403062-01 Тройник.

  • Производитель: МАЗ ОАО, УВК
  • Каталожный номер по заводу: 403062-01
  • Код для заказа:  40306201
Марка Модель Кат.номер Наим. по каталогу Чертеж
МАЗ МАЗ-437040 (Зубренок) (2002) 403062 Тройник Тормозной кран с присоединительной арматурой Чертеж Тормозной кран с присоединительной арматурой
МАЗ МАЗ-437040 (Зубренок) (2002) 403062 Тройник Присоединительная арматура к ресиверам Чертеж Присоединительная арматура к ресиверам
МАЗ МАЗ-54321 403062 Тройник Регулятор тормозных сил МАЗ-54321 Чертеж Регулятор тормозных сил МАЗ-54321
МАЗ МАЗ-54321 403062 Тройник Присоединительная арматура ресиверов МАЗ-64221
МАЗ МАЗ-5434 403062 Тройник Присоединительная арматура к ресиверам МАЗ-5434 Чертеж Присоединительная арматура к ресиверам МАЗ-5434
МАЗ МАЗ-6317 403062 Тройник Присоединительная арматура к ресиверам Чертеж Присоединительная арматура к ресиверам
МАЗ МАЗ-64221 403062 Тройник Регулятор тормозных сил МАЗ-54321 Чертеж Регулятор тормозных сил МАЗ-54321
МАЗ МАЗ-64221 403062 Тройник Присоединительная арматура ресиверов МАЗ-64221 Чертеж Присоединительная арматура ресиверов МАЗ-64221
МАЗ МАЗ-64255 403062 Тройник Присоединительная арматура к ресиверам МАЗ-5434
МАЗ МАЗ-83781 403062 Тройник Установка аппаратов Чертеж Установка аппаратов
МАЗ МАЗ-93802 403062 Тройник Регулятор тормозных сил и его установка
МАЗ МАЗ-93866 403062 Тройник Регулятор тормозных сил и его установка Чертеж Регулятор тормозных сил и его установка
МАЗ МАЗ-938662 403062 Тройник Регулятор тормозных сил и его установка Чертеж Регулятор тормозных сил и его установка
МАЗ МАЗ-93892 403062 Тройник Трубопроводы к регулятору тормозных сил
МАЗ МАЗ-9506 403062 Тройник Установка регулятора тормозных сил
МАЗ МАЗ-9758 403062 Тройник Установка пневмооборудования подвески Чертеж Установка пневмооборудования подвески
МАЗ МАЗ-9758 403062 Тройник Регулятор тормозных сил и его установка МАЗ-9758-30 Чертеж Регулятор тормозных сил и его установка МАЗ-9758-30
МАЗ МАЗ-9758-30 403062 Тройник Установка пневмооборудования подвески Чертеж Установка пневмооборудования подвески
МАЗ МАЗ-9758-30 403062 Тройник Регулятор тормозных сил и его установка МАЗ-9758-30 Чертеж Регулятор тормозных сил и его установка МАЗ-9758-30
МАЗ МАЗ-543202 (2003) 403062 Тройник Установка ускорительного клапана и присоединительной арматуры на автомобиль МАЗ-543208, 543205, 543203, 543202 с пневмоподвеской
Аналоги
Тройник с внутр.резьбой М16хМ22 403062-01
Тройник с внутр.резьбой М16хМ22
Каталожный номер 403062-01
Производитель Випра Випра
Код 7379
Доставка по всей Беларуси
Доступность остатки на филиалах Остатки на филиалах
Остаток: г.Минск, ул.Селицкого 21к В наличии
Склад Адрес Контакт Остатки
г. Минск ул. Селицкого, 21к +375 (44) 770-80-78 ( Много )
Схема проезда
Товары из этой категории
Болт  МАЗ ОАО 502-3104008-10
Болт МАЗ ОАО
Каталожный номер 502-3104008-10
Производитель
Код 502310400810
Доставка по всей Беларуси
Остаток Под заказ
Ступица  МАЗ ОАО 8561-3104015
Ступица МАЗ ОАО
Каталожный номер 8561-3104015
Производитель
Код 85613104015
Доставка по всей Беларуси
Остаток Под заказ
Пружина  МАЗ ОАО 64221-2703033
Пружина МАЗ ОАО
Каталожный номер 64221-2703033
Производитель
Код 642212703033
Доставка по всей Беларуси
Остаток Под заказ
Вилка с пружиной, МАЗ ОАО 631219-2806114-000
Вилка с пружиной, МАЗ ОАО
Каталожный номер 631219-2806114-000
Производитель
Код 6312192806114000
Доставка по всей Беларуси
Остаток Под заказ
Заглушка 65 ост 3700117375  МАЗ ОАО 260325
Заглушка 65 ост 3700117375 МАЗ ОАО
Каталожный номер 260325
Производитель
Код 260325
Доставка по всей Беларуси
Остаток Под заказ