Республика Беларусь,
г. Минск, ул. Селицкого 21к - центральный склад
Пн-пт с 8:00 до 17:00
Меню
403068-01 Тройник МАЗ ОАО, УВК
Наименование: Тройник МАЗ ОАО, УВК
Каталожный номер: 403068-01
Код товара: 40306801
Доставка: по всей Беларуси
Остаток: под заказ 1-45 дней

Нашли не точность в описании товара? сообщить администратору.

+375 (44) 770-80-78 +375 (29) 747-80-78
* Выставить счет, получить техническую информацию и стоимость
Заказать деталь Онлайн
Описание
Наличие на филиалах
Применяемость
Заменить на СТО

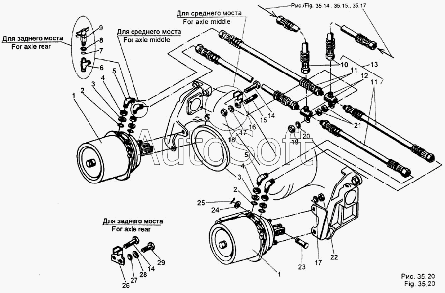
403068-01 Тройник.

  • Производитель: МАЗ ОАО, УВК
  • Каталожный номер по заводу: 403068-01
  • Код для заказа:  40306801
Марка Модель Кат.номер Наим. по каталогу Чертеж
МАЗ МАЗ-437040 (Зубренок) (2002) 403068 Тройник Установка задних тормозных камер и присоединительной арматуры Чертеж Установка задних тормозных камер и присоединительной арматуры
МАЗ МАЗ-5337 403068 Тройник Крепление передних тормозных камер и трубопроводов
МАЗ МАЗ-53371 403068 Тройник Крепление передних тормозных камер и трубопроводов Чертеж Крепление передних тормозных камер и трубопроводов
МАЗ МАЗ-54321 403068 Тройник Крепление передних тормозных камер и трубопроводов Чертеж Крепление передних тормозных камер и трубопроводов
МАЗ МАЗ-54323 403068 Тройник Крепление передних тормозных камер и трубопроводов
МАЗ МАЗ-5434 403068 Тройник Крепление передних тормозных камер и трубопроводов
МАЗ МАЗ-5434 403068 Тройник Установка тормозных камер на заднем мосту
МАЗ МАЗ-5516 403068 Тройник Крепление передних тормозных камер и трубопроводов Чертеж Крепление передних тормозных камер и трубопроводов
МАЗ МАЗ-5551 403068 Тройник Крепление передних тормозных камер и трубопроводов Чертеж Крепление передних тормозных камер и трубопроводов
МАЗ МАЗ-64221 403068 Тройник Крепление передних тормозных камер и трубопроводов
МАЗ МАЗ-64255 403068 Тройник Крепление передних тормозных камер и трубопроводов
МАЗ МАЗ-64255 403068 Тройник Установка тормозных камер на заднем мосту
МАЗ МАЗ-64229 403068 Тройник Крепление передних тормозных камер и трубопроводов
МАЗ МАЗ-93802 403068 Тройник Схема тормозная МАЗ-93802 Чертеж Схема тормозная МАЗ-93802
МАЗ МАЗ-93866 403068 Тройник Схема тормозная МАЗ-93802 Чертеж Схема тормозная МАЗ-93802
МАЗ МАЗ-938662 403068 Тройник Схема тормозная МАЗ-93802
МАЗ Общий (см. мод-ции) 403068 Тройник Крепление передних тормозных камер и трубопроводов
МАЗ МАЗ-543202 (2003) 403068 Тройник Установка задних тормозных камер и присоединительной арматуры на МАЗ-543208, 543205, 543203, 543202
МЗКТ МЗКТ-65158 (1999) 403068 Тройник Крепление передних тормозных камер и трубопроводов Чертеж Крепление передних тормозных камер и трубопроводов
МЗКТ МЗКТ-65158 (1999) 403068 Тройник Крепление задних тормозных камер и шлангов Чертеж Крепление задних тормозных камер и шлангов
Аналоги
Тройник 403068 403068-01
Тройник 403068
Каталожный номер 403068-01
Производитель Випра Випра
Код 24717
Доставка по всей Беларуси
Доступность остатки на филиалах Остатки на филиалах
Остаток: г.Минск, ул.Селицкого 21к В наличии
Склад Адрес Контакт Остатки
г. Минск ул. Селицкого, 21к +375 (44) 770-80-78 ( Много )
Схема проезда
г. Барановичи ул. Пролетарская, 40 +375 (29) 795-96-37 ( Средне )
Схема проезда
г. Березино ул. Комсомольская, д. 24 +375 (44) 770-80-17 ( Средне )
Схема проезда
г. Берёза ул. Красноармейская, 89/11 +375 (29) 676-70-71 ( Средне )
Схема проезда
г. Бобруйск ул. Гоголя, 181/1-6 +375 (29) 630-05-01 ( Средне )
Схема проезда
г. Бобруйск ул. Орловского, 22к3 +375 (29) 345-37-07 ( Много )
Схема проезда
г. Борисов ул. Демина, 2а +375 (44) 560-99-75 ( Средне )
Схема проезда
г. Брест Тельминский с/с, 1Д/1, 1 км южнее д. Тельмы-2 +375 (44) 599-90-75 ( Средне )
Схема проезда
г. Глубокое ул. Энгельса, 22 +375 (44) 505-71-40 ( Мало )
Схема проезда
г. Горки ул.Мира, д.51а/1 +375 (44) 565-33-61 ( Мало )
Схема проезда
г. Гродно ул. Карского, 35 +375 (44) 770-70-21 ( Много )
Схема проезда
г. Дрогичин ул. Юбилейная, 42 +375 (29) 682-17-13 ( Мало )
Схема проезда
г. Дятлово ул. Советская ,104 +375 (29) 187-87-37 ( Много )
Схема проезда
г. Житковичи ул. Комсомольская, 49 +375 (29) 394-82-52 ( Много )
Схема проезда
г. Жлобин ул. Козлова, 25 +375 (29) 346-06-78 ( Средне )
Схема проезда
г. Кобрин ул. Пролетарская, 177А +375 (44) 588-10-80 ( Много )
Схема проезда
г. Кричев ул. Комсомольская, 126 +375 (29) 628-88-42 ( Средне )
Схема проезда
г. Лельчицы ул. Советская, д.96/1 +375 (29) 346-98-96 ( Средне )
Схема проезда
г. Лунинец ул.Красная, 175а +375 (44) 721-46-74 ( Средне )
Схема проезда
г. Могилев ул. Габровская 11Б +375 (29) 662-02-16 ( Мало )
Схема проезда
г. Мозырь промузел Козенки +375 (44) 731-94-60 ( Средне )
Схема проезда
г. Молодечно ул. Галицкого, 14 +375 (44) 567-28-47 ( Средне )
Схема проезда
г. Несвиж ул. Кутузова, 2 +375 (29) 394-82-48 ( Средне )
Схема проезда
г. Новогрудок ул. Индустриальная, 3 +375 (44) 729-39-19 ( Средне )
Схема проезда
г. Орша ул. Сергея Кирова, д. 34 +375 (44) 583-91-42 ( Средне )
Схема проезда
г. Осиповичи ул. Короткая, 11 +375 (29) 165-60-07 ( Средне )
Схема проезда
г. Ошмяны ул. Льнозоводская 3 +375 (44) 770-80-91 ( Средне )
Схема проезда
г. Петриков ул. Первомайская, 124 +375 (33) 660-06-75 ( Средне )
Схема проезда
г. Пинск ул. Калиновского 32 +375 (44) 560-99-59 ( Много )
Схема проезда
г. Полоцк-2 ул. Шенягина, 52 +375 (29) 302-94-73 ( Средне )
Схема проезда
г. Полоцк-2 ул. Шенягина, 52 +375 (29) 302-94-73 ( Много )
Схема проезда
г. Полоцк-2 ул. Шенягина, 52 +375 (29) 302-94-73 ( Много )
Схема проезда
г. Поставы ул. Советская, 69 +375 (44) 770-80-13 ( Средне )
Схема проезда
г. Пружаны ул. Макаренко, 21 +375 (29) 348-83-18 ( Средне )
Схема проезда
г. Слоним ул. Советская, 93а +375 (29) 394-82-01 ( Много )
Схема проезда
г. Солигорск Чижевичский сельсовет, 3Г +375 (29) 899-58-52 ( Средне )
Схема проезда
г. Столин ул. Быковского, 29 +375 (33) 304-54-36 ( Средне )
Схема проезда
г. Щучин ул. Советская, 39 +375 (29) 177-29-70 ( Много )
Схема проезда
Товары из этой категории
Трубопровод  МАЗ ОАО 4370-5009055
Трубопровод МАЗ ОАО
Каталожный номер 4370-5009055
Производитель
Код 43705009055
Доставка по всей Беларуси
Остаток Под заказ
Змеевик, МАЗ ОАО 105-3506090
Змеевик, МАЗ ОАО
Каталожный номер 105-3506090
Производитель
Код 1053506090
Доставка по всей Беларуси
Остаток Под заказ
Опора рессоры  МАЗ ОАО 6303-2912038
Опора рессоры МАЗ ОАО
Каталожный номер 6303-2912038
Производитель
Код 63032912038
Доставка по всей Беларуси
Остаток Под заказ
Шланг  Универсал,Бобруйск 6422-3506380
Шланг Универсал,Бобруйск
Каталожный номер 6422-3506380
Производитель
Код 64223506380
Доставка по всей Беларуси
Остаток Под заказ
Фланец радиатора, МАЗ ОАО 544069-8101500-010
Фланец радиатора, МАЗ ОАО
Каталожный номер 544069-8101500-010
Производитель
Код 5440698101500010
Доставка по всей Беларуси
Остаток Под заказ