Республика Беларусь,
г. Минск, ул. Селицкого 21к - центральный склад
Пн-пт с 8:00 до 17:00
Меню
ТС108.1306100-01 Термостат ТС-108-01 СтАТО
Наименование: Термостат ТС-108-01 СтАТО
Каталожный номер: ТС108.1306100-01
Производитель: СТАТО
Код товара: 00-ГР019855
Доставка: по всей Беларуси
Остаток: в наличии

Нашли не точность в описании товара? сообщить администратору.

+375 (44) 770-80-78 +375 (29) 747-80-78
* Выставить счет, получить техническую информацию и стоимость
Заказать деталь Онлайн
Описание
Наличие на филиалах
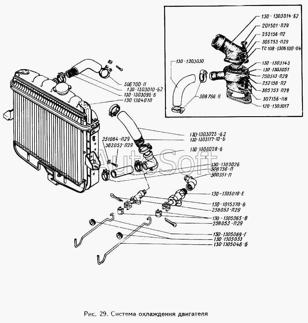
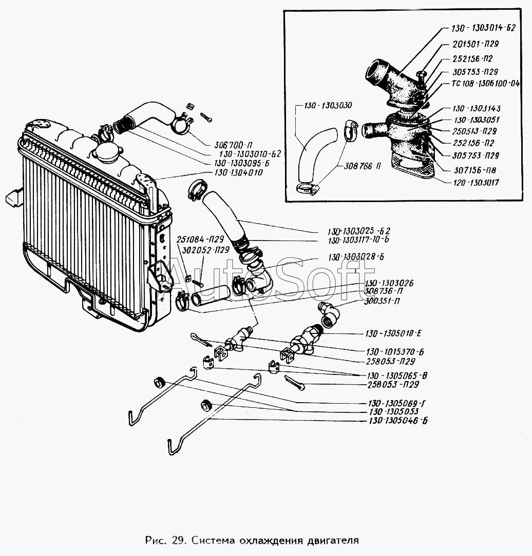
Применяемость
Заменить на СТО

УАЗ 3151, 3741, 3909, 3962, 3303 с двиг. УМЗ
Температура начала открытия основного клапана, °С: 70±2
Температура полного открытия основного клапана: °С: 85±2
Ход основного клапана до полного открытия, не менее, мм.: 8,5

Термостат ТС-108-01 СтАТО. Код товара для заказа: 00-ГР019855

Марка Модель Кат.номер Наим. по каталогу Чертеж
ГАЗ ГАЗ-3307 (2000) ТС108-1306100-01 Термостат ТС108 (покупное изделие) Газопровод
ГАЗ ГАЗ-53 А (1989) ТС108-1306100-01 Термостат системы охлаждения в сборе Газопровод
ГАЗ ГАЗ-53 А (1989) ТС108-1306100-01 Термостат системы охлаждения в сборе Радиатор Чертеж Радиатор
ГАЗ ГАЗ-66 (Каталог 1996 г.) (1996) ТС108-1306100-01 Термостат системы охлаждения в сборе Газопровод впускной и выпускной двигателя Чертеж Газопровод впускной и выпускной двигателя
УАЗ УАЗ-3151 (1993) ТС108-1306100-03 Термостат в сборе Насос системы охлаждения двигателя
УАЗ УАЗ-3741 ТС108-1306100-03 Термостат в сборе Насос водяной с кронштейном, выпускным патрубком и термостатом
УАЗ УАЗ-3962 ТС108-1306100-03 Термостат в сборе Насос водяной с кронштейном, выпускным патрубком и термостатом Чертеж Насос водяной с кронштейном, выпускным патрубком и термостатом
УАЗ УАЗ-2206 ТС108-1306100-03 Термостат в сборе Насос водяной с кронштейном, выпускным патрубком и термостатом
УАЗ УАЗ-3303 ТС108-1306100-03 Термостат в сборе Насос водяной с кронштейном, выпускным патрубком и термостатом
ПАЗ ПАЗ-3205 (2001) ТС108-1306100-01 Термостат Газопровод
ЗИЛ ЗИЛ-433360 (1995) ТС108-1306100-04 Термостат в сборе Система охлаждения двигателя
ЗИЛ ЗИЛ-442160 (1995) ТС108-1306100-04 Термостат в сборе Система охлаждения двигателя Чертеж Система охлаждения двигателя
ЗИЛ ЗИЛ-494560 (1995) ТС108-1306100-04 Термостат в сборе Система охлаждения двигателя Чертеж Система охлаждения двигателя
Алтайдизель Д-442И ТС108-1306100-03 Термостат Насос водяной, вентилятор и термостат 440В-13с1-01
Алтайдизель Д-442И ТС108-1306100-03 Термостат Насос водяной, вентилятор и термостат 442-25-13с1
Алтайдизель Д-442И ТС108-1306100-03 Термостат Насос водяной и вентилятор 444-13с1-01
Алтайдизель Д-442И ТС108-1306100-03 Термостат Насос водяной, вентилятор и термостат 442-55-13с1
Алтайдизель Д-442 ТС108-1306100-03 Термостат Головка цилиндров с коллекторами и термостатом 442-00с2-10.04 Чертеж Головка цилиндров с коллекторами и термостатом 442-00с2-10.04
Алтайдизель Д-442 ТС108-1306100-03 Термостат Головка цилиндров с коллекторами и термостатом 442-24-00с2 Чертеж Головка цилиндров с коллекторами и термостатом 442-24-00с2
Алтайдизель Д-442 ТС108-1306100-03 Термостат Головка цилиндров с коллекторами и термостатом 442-00с2-50 Чертеж Головка цилиндров с коллекторами и термостатом 442-00с2-50
Склад Адрес Контакт Остатки
г. Солигорск Чижевичский сельсовет, 3Г +375 (29) 899-58-52 ( Мало )
Схема проезда
г. Щучин ул. Советская, 39 +375 (29) 177-29-70 ( Мало )
Схема проезда
г. Барановичи ул. Бадака, 27Б +375 (29) 350-33-47 Под заказ
Схема проезда
г. Барановичи ул. Пролетарская, 40 +375 (29) 795-96-37 Под заказ
Схема проезда
г. Берёза ул. Красноармейская, 89/11 +375 (29) 676-70-71 Под заказ
Схема проезда
г. Березино ул. Комсомольская, д. 24 +375 (44) 770-80-17 Под заказ
Схема проезда
г. Бобруйск ул. Орловского, 22к3 +375 (29) 345-37-07 Под заказ
Схема проезда
г. Бобруйск ул. Гоголя, 181/1-6 +375 (29) 630-05-01 Под заказ
Схема проезда
г. Борисов ул. Демина, 2а +375 (44) 560-99-75 Под заказ
Схема проезда
г. Брест Тельминский с/с, 1Д/1, 1 км южнее д. Тельмы-2 +375 (44) 599-90-75 Под заказ
Схема проезда
г. Витебск ул. Правды, 33 +375 (44) 770-80-87 Под заказ
Схема проезда
г. Витебск ул. Петруся Бровки, 34 +375 (29) 636-25-08 Под заказ
Схема проезда
г. Глубокое ул. Энгельса, 22 +375 (44) 505-71-40 Под заказ
Схема проезда
г. Гомель ул. Барыкина, 291Б +375 (44) 514-15-30 Под заказ
Схема проезда
г. Гомель ул. Текстильная, 10 +375 (44) 540-02-05 Под заказ
Схема проезда
г. Горки ул.Мира, д.51а/1 +375 (44) 565-33-61 Под заказ
Схема проезда
г. Гродно ул. Карского, 35 +375 (44) 770-70-21 Под заказ
Схема проезда
г. Дрогичин ул. Юбилейная, 42 +375 (29) 682-17-13 Под заказ
Схема проезда
г. Дятлово ул. Советская ,104 +375 (29) 187-87-37 Под заказ
Схема проезда
г. Житковичи ул. Комсомольская, 49 +375 (29) 394-82-52 Под заказ
Схема проезда
г. Жлобин ул. Козлова, 25 +375 (29) 346-06-78 Под заказ
Схема проезда
г. Ивацевичи ул. Загородная, 6А +375 (29) 188-59-01 Под заказ
Схема проезда
г. Кобрин ул. Пролетарская, 177А +375 (44) 588-10-80 Под заказ
Схема проезда
г. Кричев ул. Комсомольская, 126 +375 (29) 628-88-42 Под заказ
Схема проезда
г. Лельчицы ул. Советская, д.96/1 +375 (29) 346-98-96 Под заказ
Схема проезда
г. Лепель ул. Лобанка, 43 +375 (44) 778-65-21 Под заказ
Схема проезда
г. Лида ул. Качана, 7 +375 (29) 612-60-61 Под заказ
Схема проезда
г. Лунинец ул.Красная, 175а +375 (44) 721-46-74 Под заказ
Схема проезда
г. Минск ул. Бабушкина, 37 +375 (29) 632-00-82 Под заказ
Схема проезда
г. Минск ул. Селицкого, 21к +375 (44) 770-80-78 Под заказ
Схема проезда
г. Могилев ул. Габровская 11Б +375 (29) 662-02-16 Под заказ
Схема проезда
г. Мозырь промузел Козенки +375 (44) 731-94-60 Под заказ
Схема проезда
г. Молодечно ул. Галицкого, 14 +375 (44) 567-28-47 Под заказ
Схема проезда
г. Несвиж ул. Кутузова, 2 +375 (29) 394-82-48 Под заказ
Схема проезда
г. Новогрудок ул. Индустриальная, 3 +375 (44) 729-39-19 Под заказ
Схема проезда
г. Орша ул. Сергея Кирова, д. 34 +375 (44) 583-91-42 Под заказ
Схема проезда
г. Осиповичи ул. Короткая, 11 +375 (29) 165-60-07 Под заказ
Схема проезда
г. Ошмяны ул. Льнозоводская 3 +375 (44) 770-80-91 Под заказ
Схема проезда
г. Петриков ул. Первомайская, 124 +375 (33) 660-06-75 Под заказ
Схема проезда
г. Пинск ул. Калиновского 32 +375 (44) 560-99-59 Под заказ
Схема проезда
г. Полоцк ул. Пролетарская, 6 +375 (29) 644-57-58 Под заказ
Схема проезда
г. Полоцк ул. Строительная, 30Б +375 (29) 302-97-91 Под заказ
Схема проезда
г. Полоцк-2 ул. Шенягина, 52 +375 (29) 302-94-73 Под заказ
Схема проезда
г. Поставы ул. Советская, 69 +375 (44) 770-80-13 Под заказ
Схема проезда
г. Пружаны ул. Макаренко, 21 +375 (29) 348-83-18 Под заказ
Схема проезда
г. Слоним ул. Советская, 93а +375 (29) 394-82-01 Под заказ
Схема проезда
г. Слуцк ул. Тутаринова, 8 +375 (29) 346-06-90 Под заказ
Схема проезда
г. Сморгонь ул. Железнодорожная, 32 +375 (29) 671-02-10 Под заказ
Схема проезда
г. Столин ул. Быковского, 29 +375 (33) 304-54-36 Под заказ
Схема проезда
Товары из этой категории
Радиатор 3307-1301012 (2-ух рядн.3309 дв.245 алюминиевый, пл. бачки) PEKAR 3307-1301012
Радиатор 3307-1301012 (2-ух рядн.3309 дв.245 алюминиевый, пл. бачки) PEKAR
Каталожный номер 3307-1301012
Производитель PEKAR PEKAR
Код 00-ГР018279
Доставка по всей Беларуси
Доступность остатки на филиалах Остатки на филиалах
Остаток: г.Минск, ул.Селицкого 21к В наличии
Склад Адрес Контакт Остатки
г. Минск ул. Селицкого, 21к +375 (44) 770-80-78 ( Средне )
Схема проезда
г. Полоцк-2 ул. Шенягина, 52 +375 (29) 302-94-73 ( Мало )
Схема проезда
Радиатор 53-1301010-02 (алюминиевый, пл. бачки) PEKAR 53-1301010-02
Радиатор 53-1301010-02 (алюминиевый, пл. бачки) PEKAR
Каталожный номер 53-1301010-02
Производитель PEKAR PEKAR
Код 00-ГР018280
Доставка по всей Беларуси
Доступность остатки на филиалах Остатки на филиалах
Остаток Под заказ
Ремень (Z) Г-3302, ЗМЗ-402 зубчатый 1030х10х8,5х8 Z
Ремень (Z) Г-3302, ЗМЗ-402 зубчатый
Каталожный номер 1030х10х8,5х8 Z
Производитель SUNWAY SUNWAY
Код 19255
Доставка по всей Беларуси
Доступность остатки на филиалах Остатки на филиалах
Остаток: г.Минск, ул.Селицкого 21к В наличии
Склад Адрес Контакт Остатки
г. Минск ул. Селицкого, 21к +375 (44) 770-80-78 ( Средне )
Схема проезда
г. Барановичи ул. Пролетарская, 40 +375 (29) 795-96-37 ( Средне )
Схема проезда
г. Березино ул. Комсомольская, д. 24 +375 (44) 770-80-17 ( Средне )
Схема проезда
г. Берёза ул. Красноармейская, 89/11 +375 (29) 676-70-71 ( Средне )
Схема проезда
г. Бобруйск ул. Орловского, 22к3 +375 (29) 345-37-07 ( Средне )
Схема проезда
г. Борисов ул. Демина, 2а +375 (44) 560-99-75 ( Мало )
Схема проезда
г. Глубокое ул. Энгельса, 22 +375 (44) 505-71-40 ( Средне )
Схема проезда
г. Гродно ул. Карского, 35 +375 (44) 770-70-21 ( Средне )
Схема проезда
г. Дятлово ул. Советская ,104 +375 (29) 187-87-37 ( Средне )
Схема проезда
г. Житковичи ул. Комсомольская, 49 +375 (29) 394-82-52 ( Средне )
Схема проезда
г. Ивацевичи ул. Загородная, 6А +375 (29) 188-59-01 ( Средне )
Схема проезда
г. Лельчицы ул. Советская, д.96/1 +375 (29) 346-98-96 ( Средне )
Схема проезда
г. Новогрудок ул. Индустриальная, 3 +375 (44) 729-39-19 ( Средне )
Схема проезда
г. Осиповичи ул. Короткая, 11 +375 (29) 165-60-07 ( Средне )
Схема проезда
г. Пинск ул. Калиновского 32 +375 (44) 560-99-59 ( Средне )
Схема проезда
г. Полоцк-2 ул. Шенягина, 52 +375 (29) 302-94-73 ( Средне )
Схема проезда
г. Сморгонь ул. Железнодорожная, 32 +375 (29) 671-02-10 ( Средне )
Схема проезда
г. Столин ул. Быковского, 29 +375 (33) 304-54-36 ( Средне )
Схема проезда
г. Щучин ул. Советская, 39 +375 (29) 177-29-70 ( Средне )
Схема проезда
Пробка расширительного бачка 3302-1311066
Пробка расширительного бачка
Каталожный номер 3302-1311066
Производитель RSTA RSTA
Код 12419
Доставка по всей Беларуси
Доступность остатки на филиалах Остатки на филиалах
Остаток: г.Минск, ул.Селицкого 21к В наличии
Склад Адрес Контакт Остатки
г. Минск ул. Селицкого, 21к +375 (44) 770-80-78 ( Много )
Схема проезда
г. Барановичи ул. Бадака, 27Б +375 (29) 350-33-47 ( Средне )
Схема проезда
г. Бобруйск ул. Орловского, 22к3 +375 (29) 345-37-07 ( Средне )
Схема проезда
г. Борисов ул. Демина, 2а +375 (44) 560-99-75 ( Средне )
Схема проезда
г. Брест Тельминский с/с, 1Д/1, 1 км южнее д. Тельмы-2 +375 (44) 599-90-75 ( Мало )
Схема проезда
г. Витебск ул. Правды, 33 +375 (44) 770-80-87 ( Средне )
Схема проезда
г. Глубокое ул. Энгельса, 22 +375 (44) 505-71-40 ( Мало )
Схема проезда
г. Гомель ул. Барыкина, 291Б +375 (44) 514-15-30 ( Мало )
Схема проезда
г. Гомель ул. Барыкина, 291Б +375 (44) 514-15-30 ( Средне )
Схема проезда
г. Горки ул.Мира, д.51а/1 +375 (44) 565-33-61 ( Мало )
Схема проезда
г. Гродно ул. Карского, 35 +375 (44) 770-70-21 ( Мало )
Схема проезда
г. Дятлово ул. Советская ,104 +375 (29) 187-87-37 ( Мало )
Схема проезда
г. Кобрин ул. Пролетарская, 177А +375 (44) 588-10-80 ( Мало )
Схема проезда
г. Кричев ул. Комсомольская, 126 +375 (29) 628-88-42 ( Мало )
Схема проезда
г. Мозырь промузел Козенки +375 (44) 731-94-60 ( Мало )
Схема проезда
г. Молодечно ул. Галицкого, 14 +375 (44) 567-28-47 ( Средне )
Схема проезда
г. Осиповичи ул. Короткая, 11 +375 (29) 165-60-07 ( Мало )
Схема проезда
г. Полоцк-2 ул. Шенягина, 52 +375 (29) 302-94-73 ( Мало )
Схема проезда
г. Полоцк-2 ул. Шенягина, 52 +375 (29) 302-94-73 ( Мало )
Схема проезда
г. Поставы ул. Советская, 69 +375 (44) 770-80-13 ( Мало )
Схема проезда
г. Пружаны ул. Макаренко, 21 +375 (29) 348-83-18 ( Средне )
Схема проезда
г. Слоним ул. Советская, 93а +375 (29) 394-82-01 ( Средне )
Схема проезда
г. Слуцк ул. Тутаринова, 8 +375 (29) 346-06-90 ( Средне )
Схема проезда
г. Сморгонь ул. Железнодорожная, 32 +375 (29) 671-02-10 ( Мало )
Схема проезда
г. Солигорск Чижевичский сельсовет, 3Г +375 (29) 899-58-52 ( Мало )
Схема проезда
Термостат ТС-107-04М ELTRA ТС107.1306100-04М
Термостат ТС-107-04М ELTRA
Каталожный номер ТС107.1306100-04М
Производитель ELTRA ELTRA
Код 00-ГР025163
Доставка по всей Беларуси
Доступность остатки на филиалах Остатки на филиалах
Остаток: г.Минск, ул.Селицкого 21к В наличии
Склад Адрес Контакт Остатки
г. Минск ул. Селицкого, 21к +375 (44) 770-80-78 ( Много )
Схема проезда
г. Барановичи ул. Бадака, 27Б +375 (29) 350-33-47 ( Мало )
Схема проезда
г. Березино ул. Комсомольская, д. 24 +375 (44) 770-80-17 ( Средне )
Схема проезда
г. Берёза ул. Красноармейская, 89/11 +375 (29) 676-70-71 ( Средне )
Схема проезда
г. Бобруйск ул. Гоголя, 181/1-6 +375 (29) 630-05-01 ( Средне )
Схема проезда
г. Бобруйск ул. Орловского, 22к3 +375 (29) 345-37-07 ( Средне )
Схема проезда
г. Борисов ул. Демина, 2а +375 (44) 560-99-75 ( Мало )
Схема проезда
г. Брест Тельминский с/с, 1Д/1, 1 км южнее д. Тельмы-2 +375 (44) 599-90-75 ( Средне )
Схема проезда
г. Витебск ул. Правды, 33 +375 (44) 770-80-87 ( Мало )
Схема проезда
г. Витебск ул. Петруся Бровки, 34 +375 (29) 636-25-08 ( Мало )
Схема проезда
г. Глубокое ул. Энгельса, 22 +375 (44) 505-71-40 ( Средне )
Схема проезда
г. Горки ул.Мира, д.51а/1 +375 (44) 565-33-61 ( Мало )
Схема проезда
г. Дрогичин ул. Юбилейная, 42 +375 (29) 682-17-13 ( Средне )
Схема проезда
г. Житковичи ул. Комсомольская, 49 +375 (29) 394-82-52 ( Много )
Схема проезда
г. Жлобин ул. Козлова, 25 +375 (29) 346-06-78 ( Много )
Схема проезда
г. Ивацевичи ул. Загородная, 6А +375 (29) 188-59-01 ( Средне )
Схема проезда
г. Лельчицы ул. Советская, д.96/1 +375 (29) 346-98-96 ( Средне )
Схема проезда
г. Лепель ул. Лобанка, 43 +375 (44) 778-65-21 ( Средне )
Схема проезда
г. Могилев ул. Габровская 11Б +375 (29) 662-02-16 ( Средне )
Схема проезда
г. Мозырь промузел Козенки +375 (44) 731-94-60 ( Мало )
Схема проезда
г. Молодечно ул. Галицкого, 14 +375 (44) 567-28-47 ( Средне )
Схема проезда
г. Новогрудок ул. Индустриальная, 3 +375 (44) 729-39-19 ( Средне )
Схема проезда
г. Осиповичи ул. Короткая, 11 +375 (29) 165-60-07 ( Много )
Схема проезда
г. Пинск ул. Калиновского 32 +375 (44) 560-99-59 ( Средне )
Схема проезда
г. Полоцк-2 ул. Шенягина, 52 +375 (29) 302-94-73 ( Средне )
Схема проезда
г. Поставы ул. Советская, 69 +375 (44) 770-80-13 ( Средне )
Схема проезда
г. Слоним ул. Советская, 93а +375 (29) 394-82-01 ( Много )
Схема проезда
г. Сморгонь ул. Железнодорожная, 32 +375 (29) 671-02-10 ( Средне )
Схема проезда
г. Солигорск Чижевичский сельсовет, 3Г +375 (29) 899-58-52 ( Средне )
Схема проезда
г. Щучин ул. Советская, 39 +375 (29) 177-29-70 ( Средне )
Схема проезда