Республика Беларусь,
г. Минск, ул. Селицкого 21к - центральный склад
Пн-пт с 8:00 до 17:00
Меню
80-3805041 Стенка
Наименование: Стенка 80-3805041
Каталожный номер: 80-3805041
Производитель: RSTA
Код товара: 00-ГР019123
Доставка: по всей Беларуси
Остаток: под заказ

Нашли не точность в описании товара? сообщить администратору.

+375 (44) 770-80-78 +375 (29) 747-80-78
* Выставить счет, получить техническую информацию и стоимость
Заказать деталь Онлайн
Описание
Наличие на филиалах
Применяемость
Заменить на СТО

15.10.20

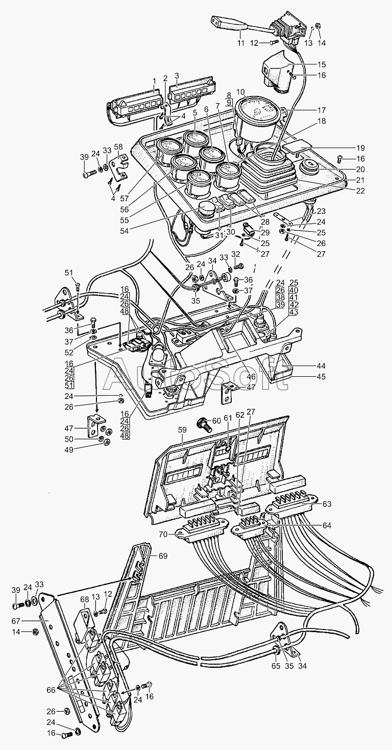
Стенка 80-3805041. Код товара для заказа: 00-ГР019123

Марка Модель Кат.номер Наим. по каталогу Чертеж
МТЗ МТЗ-1221 (1997) 80-3805041 Стенка Стенка, крышка
МТЗ МТЗ-1005 (2008) 80-3805041 Стенка Стенка, крышка
МТЗ МТЗ-80 (2002) (2002) 80-3805041 Стенка 3805 Стенка, крышка Чертеж 3805 Стенка, крышка
МТЗ МЛ-131 (2008) 80-3805041 Стенка Щиток приборов
МТЗ МЛПТ-354М (2008) 80-3805041 Стенка Щиток приборов Чертеж Щиток приборов
МТЗ МТЗ-80 (2009) (2009) 80-3805041 Стенка Стенка, крышка Чертеж Стенка, крышка
МТЗ МТЗ-570 (2010) 80-3805041 Стенка Стенка, крышка Чертеж Стенка, крышка
МТЗ МТЗ-900/920/950/952 (2009) 80-3805041 Стенка Стенка, крышка Чертеж Стенка, крышка
МТЗ МТЗ-1221 (2009) (2009) 80-3805041 Стенка Стенка, крышка Чертеж Стенка, крышка
МТЗ МЛПТ-344 (2011) 80-3805041 Стенка Щиток приборов. Панели. Основание. Крышка Чертеж Щиток приборов. Панели. Основание. Крышка
МТЗ 892 (2011) 80-3805041 Стенка Стенка, крышка Чертеж Стенка, крышка
МТЗ 80Х (2012) 80-3805041 Стенка Щиток приборов в развернутом виде Чертеж Щиток приборов в развернутом виде
МТЗ МТЗ-80.1 (2015) 80-3805041 Стенка Щиток приборов 80-3805010 Чертеж Щиток приборов 80-3805010
МТЗ МТЗ-80.1 (2015) 826-3805041-Б Стенка формованная или литьевая Щиток приборов 826-3805010 Чертеж Щиток приборов 826-3805010
МТЗ 1025/1025.2/1025.3 (2009) 80-3805041 Стенка Стенка, крышка Чертеж Стенка, крышка
МТЗ 800/900 (2003) 80-3805041 Стенка Стенка, крышка Чертеж Стенка, крышка
МТЗ БЕЛАРУС 1220.7 (2022) 826-3805041-Б Стенка формованная или литьевая Щиток приборов 926-3805010-Б Чертеж  Щиток приборов 926-3805010-Б
МТЗ БЕЛАРУС 1220.7 (2022) 826-3805041-Б Стенка формованная или литьевая Щиток приборов 926-3805010-Б Чертеж  Щиток приборов 926-3805010-Б
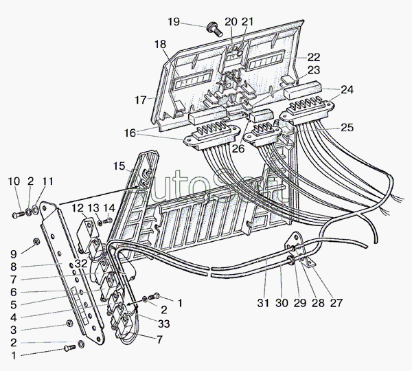
МАЗ МАЗ-543 (7310) (2008) 543-3805041 Лист левый Монтаж электрооборудования левой кабины Чертеж Монтаж электрооборудования левой кабины
МАЗ МАЗ-543 (7310) (2008) 543-3805041 Лист левый Монтаж электрооборудования левой кабины Чертеж Монтаж электрооборудования левой кабины
Товары из этой категории
Датчик ДУМП-21М ДУМП-21МИ
Датчик ДУМП-21М
Каталожный номер ДУМП-21МИ
Производитель Экран Экран
Код 27100
Доставка по всей Беларуси
Доступность остатки на филиалах Остатки на филиалах
Остаток: г.Минск, ул.Селицкого 21к В наличии
Склад Адрес Контакт Остатки
г. Минск ул. Бабушкина, 37 +375 (29) 632-00-82 ( Мало )
Схема проезда
г. Минск ул. Селицкого, 21к +375 (44) 770-80-78 ( Средне )
Схема проезда
г. Бобруйск ул. Орловского, 22к3 +375 (29) 345-37-07 ( Мало )
Схема проезда
г. Гомель ул. Барыкина, 291Б +375 (44) 514-15-30 ( Мало )
Схема проезда
г. Полоцк-2 ул. Шенягина, 52 +375 (29) 302-94-73 ( Мало )
Схема проезда
г. Полоцк-2 ул. Шенягина, 52 +375 (29) 302-94-73 ( Мало )
Схема проезда
г. Полоцк-2 ул. Шенягина, 52 +375 (29) 302-94-73 ( Средне )
Схема проезда
г. Столин ул. Быковского, 29 +375 (33) 304-54-36 ( Мало )
Схема проезда
Датчик ДД-6М AE давления масла АВТОЭЛЕКТРИКА ДД-6М AE
Датчик ДД-6М AE давления масла АВТОЭЛЕКТРИКА
Каталожный номер ДД-6М AE
Производитель Автоэлектрика Автоэлектрика
Код 00-ГР022714
Доставка по всей Беларуси
Доступность остатки на филиалах Остатки на филиалах
Остаток: г.Минск, ул.Селицкого 21к В наличии
Склад Адрес Контакт Остатки
г. Минск ул. Бабушкина, 37 +375 (29) 632-00-82 ( Мало )
Схема проезда
г. Минск ул. Селицкого, 21к +375 (44) 770-80-78 ( Мало )
Схема проезда
г. Барановичи ул. Пролетарская, 40 +375 (29) 795-96-37 ( Средне )
Схема проезда
г. Барановичи ул. Бадака, 27Б +375 (29) 350-33-47 ( Мало )
Схема проезда
г. Березино ул. Комсомольская, д. 24 +375 (44) 770-80-17 ( Мало )
Схема проезда
г. Бобруйск ул. Гоголя, 181/1-6 +375 (29) 630-05-01 ( Мало )
Схема проезда
г. Бобруйск ул. Орловского, 22к3 +375 (29) 345-37-07 ( Средне )
Схема проезда
г. Борисов ул. Демина, 2а +375 (44) 560-99-75 ( Средне )
Схема проезда
г. Витебск ул. Правды, 33 +375 (44) 770-80-87 ( Средне )
Схема проезда
г. Глубокое ул. Энгельса, 22 +375 (44) 505-71-40 ( Средне )
Схема проезда
г. Гомель ул. Барыкина, 291Б +375 (44) 514-15-30 ( Мало )
Схема проезда
г. Гомель ул. Барыкина, 291Б +375 (44) 514-15-30 ( Мало )
Схема проезда
г. Горки ул.Мира, д.51а/1 +375 (44) 565-33-61 ( Мало )
Схема проезда
г. Гродно ул. Карского, 35 +375 (44) 770-70-21 ( Мало )
Схема проезда
г. Дрогичин ул. Юбилейная, 42 +375 (29) 682-17-13 ( Средне )
Схема проезда
г. Дятлово ул. Советская ,104 +375 (29) 187-87-37 ( Средне )
Схема проезда
г. Житковичи ул. Комсомольская, 49 +375 (29) 394-82-52 ( Мало )
Схема проезда
г. Жлобин ул. Козлова, 25 +375 (29) 346-06-78 ( Средне )
Схема проезда
г. Ивацевичи ул. Загородная, 6А +375 (29) 188-59-01 ( Средне )
Схема проезда
г. Кобрин ул. Пролетарская, 177А +375 (44) 588-10-80 ( Мало )
Схема проезда
г. Кричев ул. Комсомольская, 126 +375 (29) 628-88-42 ( Средне )
Схема проезда
г. Лельчицы ул. Советская, д.96/1 +375 (29) 346-98-96 ( Средне )
Схема проезда
г. Лепель ул. Лобанка, 43 +375 (44) 778-65-21 ( Средне )
Схема проезда
г. Лунинец ул.Красная, 175а +375 (44) 721-46-74 ( Средне )
Схема проезда
г. Могилев ул. Габровская 11Б +375 (29) 662-02-16 ( Мало )
Схема проезда
г. Молодечно ул. Галицкого, 14 +375 (44) 567-28-47 ( Средне )
Схема проезда
г. Несвиж ул. Кутузова, 2 +375 (29) 394-82-48 ( Мало )
Схема проезда
г. Новогрудок ул. Индустриальная, 3 +375 (44) 729-39-19 ( Средне )
Схема проезда
г. Орша ул. Сергея Кирова, д. 34 +375 (44) 583-91-42 ( Средне )
Схема проезда
г. Осиповичи ул. Короткая, 11 +375 (29) 165-60-07 ( Средне )
Схема проезда
г. Ошмяны ул. Льнозоводская 3 +375 (44) 770-80-91 ( Мало )
Схема проезда
г. Петриков ул. Первомайская, 124 +375 (33) 660-06-75 ( Средне )
Схема проезда
г. Полоцк-2 ул. Шенягина, 52 +375 (29) 302-94-73 ( Средне )
Схема проезда
г. Полоцк-2 ул. Шенягина, 52 +375 (29) 302-94-73 ( Средне )
Схема проезда
г. Поставы ул. Советская, 69 +375 (44) 770-80-13 ( Средне )
Схема проезда
г. Пружаны ул. Макаренко, 21 +375 (29) 348-83-18 ( Средне )
Схема проезда
г. Слоним ул. Советская, 93а +375 (29) 394-82-01 ( Средне )
Схема проезда
г. Слуцк ул. Тутаринова, 8 +375 (29) 346-06-90 ( Мало )
Схема проезда
г. Сморгонь ул. Железнодорожная, 32 +375 (29) 671-02-10 ( Мало )
Схема проезда
г. Столин ул. Быковского, 29 +375 (33) 304-54-36 ( Средне )
Схема проезда
Комбинация приборов КД8071-3 AE 5 приборов АВТОЭЛЕКТРИКА КД8071-3 AE
Комбинация приборов КД8071-3 AE 5 приборов АВТОЭЛЕКТРИКА
Каталожный номер КД8071-3 AE
Производитель Автоэлектрика Автоэлектрика
Код 00-ГР022907
Доставка по всей Беларуси
Доступность остатки на филиалах Остатки на филиалах
Остаток: г.Минск, ул.Селицкого 21к В наличии
Склад Адрес Контакт Остатки
г. Минск ул. Бабушкина, 37 +375 (29) 632-00-82 ( Мало )
Схема проезда
г. Минск ул. Селицкого, 21к +375 (44) 770-80-78 ( Средне )
Схема проезда
г. Бобруйск ул. Орловского, 22к3 +375 (29) 345-37-07 ( Мало )
Схема проезда
г. Борисов ул. Демина, 2а +375 (44) 560-99-75 ( Средне )
Схема проезда
г. Витебск ул. Правды, 33 +375 (44) 770-80-87 ( Мало )
Схема проезда
г. Глубокое ул. Энгельса, 22 +375 (44) 505-71-40 ( Мало )
Схема проезда
г. Кобрин ул. Пролетарская, 177А +375 (44) 588-10-80 ( Мало )
Схема проезда
г. Лельчицы ул. Советская, д.96/1 +375 (29) 346-98-96 ( Мало )
Схема проезда
г. Лепель ул. Лобанка, 43 +375 (44) 778-65-21 ( Мало )
Схема проезда
г. Орша ул. Сергея Кирова, д. 34 +375 (44) 583-91-42 ( Мало )
Схема проезда
г. Пинск ул. Калиновского 32 +375 (44) 560-99-59 ( Мало )
Схема проезда
г. Полоцк-2 ул. Шенягина, 52 +375 (29) 302-94-73 ( Средне )
Схема проезда
г. Полоцк-2 ул. Шенягина, 52 +375 (29) 302-94-73 ( Мало )
Схема проезда
г. Сморгонь ул. Железнодорожная, 32 +375 (29) 671-02-10 ( Мало )
Схема проезда
г. Солигорск Чижевичский сельсовет, 3Г +375 (29) 899-58-52 ( Мало )
Схема проезда
г. Столин ул. Быковского, 29 +375 (33) 304-54-36 ( Мало )
Схема проезда
Датчик МД-219 МД-219
Датчик МД-219
Каталожный номер МД-219
Производитель RSTA RSTA
Код 19763
Доставка по всей Беларуси
Доступность остатки на филиалах Остатки на филиалах
Остаток Под заказ
Комбинация приборов КД8071-4 AE 6 приборов АВТОЭЛЕКТРИКА КД8071-4 AE
Комбинация приборов КД8071-4 AE 6 приборов АВТОЭЛЕКТРИКА
Каталожный номер КД8071-4 AE
Производитель Автоэлектрика Автоэлектрика
Код 00-ГР022908
Доставка по всей Беларуси
Доступность остатки на филиалах Остатки на филиалах
Остаток: г.Минск, ул.Селицкого 21к В наличии
Склад Адрес Контакт Остатки
г. Минск ул. Селицкого, 21к +375 (44) 770-80-78 ( Много )
Схема проезда
г. Берёза ул. Красноармейская, 89/11 +375 (29) 676-70-71 ( Мало )
Схема проезда
г. Витебск ул. Правды, 33 +375 (44) 770-80-87 ( Мало )
Схема проезда
г. Дятлово ул. Советская ,104 +375 (29) 187-87-37 ( Мало )
Схема проезда
г. Кобрин ул. Пролетарская, 177А +375 (44) 588-10-80 ( Мало )
Схема проезда
г. Кричев ул. Комсомольская, 126 +375 (29) 628-88-42 ( Мало )
Схема проезда
г. Лельчицы ул. Советская, д.96/1 +375 (29) 346-98-96 ( Мало )
Схема проезда
г. Лепель ул. Лобанка, 43 +375 (44) 778-65-21 ( Мало )
Схема проезда
г. Новогрудок ул. Индустриальная, 3 +375 (44) 729-39-19 ( Мало )
Схема проезда
г. Пинск ул. Калиновского 32 +375 (44) 560-99-59 ( Мало )
Схема проезда
г. Полоцк-2 ул. Шенягина, 52 +375 (29) 302-94-73 ( Мало )
Схема проезда
г. Полоцк-2 ул. Шенягина, 52 +375 (29) 302-94-73 ( Мало )
Схема проезда
г. Поставы ул. Советская, 69 +375 (44) 770-80-13 ( Мало )
Схема проезда
г. Пружаны ул. Макаренко, 21 +375 (29) 348-83-18 ( Мало )
Схема проезда
г. Слоним ул. Советская, 93а +375 (29) 394-82-01 ( Мало )
Схема проезда
г. Солигорск Чижевичский сельсовет, 3Г +375 (29) 899-58-52 ( Мало )
Схема проезда
г. Столин ул. Быковского, 29 +375 (33) 304-54-36 ( Мало )
Схема проезда