Республика Беларусь,
г. Минск, ул. Селицкого 21к - центральный склад
Пн-пт с 8:00 до 17:00
Меню
236-1003112-В Стакан форсунки (я)
Наименование: Стакан форсунки 236-1003112-В (я)
Каталожный номер: 236-1003112-В
Производитель: Автодизель
Код товара: 9717
Доставка: по всей Беларуси
Остаток: в наличии

Нашли не точность в описании товара? сообщить администратору.

+375 (44) 770-80-78 +375 (29) 747-80-78
* Выставить счет, получить техническую информацию и стоимость
Заказать деталь Онлайн
Описание
Наличие на филиалах
Применяемость
Заменить на СТО

БС вес: 0,15 на 26.03.2020

Стакан форсунки 236 236-1003112-В для автомобилей МАЗ производство ОАО Автодизель. Стакан 236-1003112-В

Код для заказа: 9717

Марка Модель Кат.номер Наим. по каталогу Чертеж
МАЗ МАЗ-500А 236-1003112-В Стакан форсунки Головка цилиндров Чертеж Головка цилиндров
МАЗ МАЗ-503А 236-1003112-В Стакан форсунки Головка цилиндров Чертеж Головка цилиндров
МАЗ МАЗ-504А 236-1003112-В Стакан форсунки Головка цилиндров Чертеж Головка цилиндров
МАЗ МАЗ-54328 236-1003112-В Стакан форсунки Головка цилиндров Чертеж Головка цилиндров
МАЗ МАЗ-5433 236-1003112-В Стакан форсунки Головка цилиндров двигателя
ЛАЗ ЛАЗ 5252 236-1003112-В Стакан форсунки Головка цилиндров двигателя ЯМЗ-236НЕ и ЯМЗ-236А Чертеж Головка цилиндров двигателя ЯМЗ-236НЕ и ЯМЗ-236А
ПТЗ К-700 236-1003112-В Стакан форсунки Головка цилиндров
ЯМЗ ЯМЗ-236 М 236-1003112-В Стакан форсунки Головка цилиндров двигателя ЯМЗ-236М Чертеж Головка цилиндров двигателя ЯМЗ-236М
ЯМЗ ЯМЗ-236 НЕ, 236 БЕ, 7601.10 (2003) 236-1003112-В Стакан форсунки Головка цилиндров Чертеж Головка цилиндров
ЯМЗ ЯМЗ-236 НЕ, 236 БЕ, 7601.10 (2003) 7511.1003112 Стакан форсунки Головка цилиндра двигателей ЯМЗ-7601.10, ЯМЗ-236НЕ2, ЯМЗ-236БЕ2 Чертеж Головка цилиндра двигателей ЯМЗ-7601.10, ЯМЗ-236НЕ2, ЯМЗ-236БЕ2
ЯМЗ ЯМЗ-236 ДК и ЯМЗ 238 АК (2002) 236-1003112-В Стакан форсунки Головка цилиндров двигателя ЯМЗ-236ДК
ЯМЗ ЯМЗ-236 ДК и ЯМЗ 238 АК (2002) 236-1003112-В Стакан форсунки Головка цилиндров двигателя ЯМЗ-238АК
ЯМЗ ЯМЗ-238 М 236-1003112-В Стакан форсунки Головка цилиндров двигателей ЯМЗ-238М и ЯМЗ-238НД Чертеж Головка цилиндров двигателей ЯМЗ-238М и ЯМЗ-238НД
ЯМЗ ЯМЗ-236 М2 и 238 М2 236-1003112-В Стакан форсунки Головка цилиндров двигателя ЯМЗ-236М2 Чертеж Головка цилиндров двигателя ЯМЗ-236М2
ЯМЗ ЯМЗ-236 М2 и 238 М2 236-1003112-В Стакан форсунки Головка цилиндров двигателя ЯМЗ-238М2 Чертеж Головка цилиндров двигателя ЯМЗ-238М2
ЯМЗ ЯМЗ-238 АК 236-1003112-030 Стакан форсунки Головка цилиндров
ЯМЗ ЯМЗ-238 НД 236-1003112-В Стакан форсунки Головка цилиндров двигателей ЯМЗ-238М и ЯМЗ-238НД
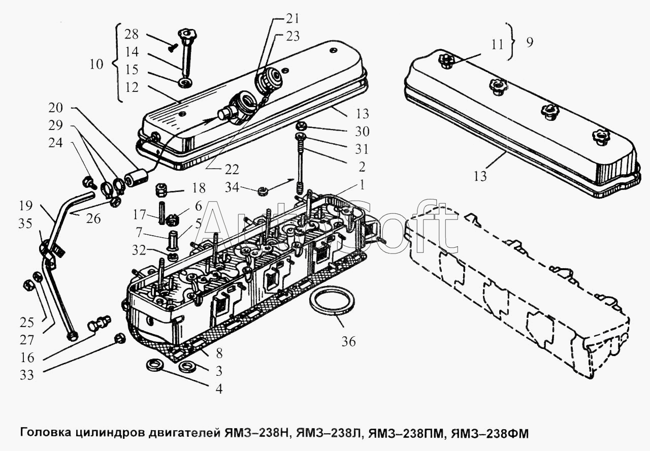
ЯМЗ ЯМЗ-238 Н 236-1003112-В Стакан форсунки Головка цилиндров двигателей ЯМЗ-238Н, ЯМЗ-238Л, ЯМЗ-238ПМ, ЯМЗ-238ФМ Чертеж Головка цилиндров двигателей ЯМЗ-238Н, ЯМЗ-238Л, ЯМЗ-238ПМ, ЯМЗ-238ФМ
ЯМЗ ЯМЗ-238 Л 236-1003112-В Стакан форсунки Головка цилиндров двигателей ЯМЗ-238Н, ЯМЗ-238Л, ЯМЗ-238ПМ, ЯМЗ-238ФМ Чертеж Головка цилиндров двигателей ЯМЗ-238Н, ЯМЗ-238Л, ЯМЗ-238ПМ, ЯМЗ-238ФМ
ЯМЗ ЯМЗ-238 ПМ и 238 ФМ 236-1003112-В Стакан форсунки Головка цилиндров двигателей ЯМЗ-238Н, ЯМЗ-238Л, ЯМЗ-238ПМ, ЯМЗ-238ФМ
Склад Адрес Контакт Остатки
г. Минск ул. Селицкого, 21к +375 (44) 770-80-78 ( Много )
Схема проезда
г. Барановичи ул. Бадака, 27Б +375 (29) 350-33-47 ( Много )
Схема проезда
г. Барановичи ул. Пролетарская, 40 +375 (29) 795-96-37 Под заказ
Схема проезда
г. Берёза ул. Красноармейская, 89/11 +375 (29) 676-70-71 Под заказ
Схема проезда
г. Березино ул. Комсомольская, д. 24 +375 (44) 770-80-17 Под заказ
Схема проезда
г. Бобруйск ул. Орловского, 22к3 +375 (29) 345-37-07 Под заказ
Схема проезда
г. Бобруйск ул. Гоголя, 181/1-6 +375 (29) 630-05-01 Под заказ
Схема проезда
г. Борисов ул. Демина, 2а +375 (44) 560-99-75 Под заказ
Схема проезда
г. Брест Тельминский с/с, 1Д/1, 1 км южнее д. Тельмы-2 +375 (44) 599-90-75 Под заказ
Схема проезда
г. Витебск ул. Правды, 33 +375 (44) 770-80-87 Под заказ
Схема проезда
г. Витебск ул. Петруся Бровки, 34 +375 (29) 636-25-08 Под заказ
Схема проезда
г. Глубокое ул. Энгельса, 22 +375 (44) 505-71-40 Под заказ
Схема проезда
г. Гомель ул. Барыкина, 291Б +375 (44) 514-15-30 Под заказ
Схема проезда
г. Гомель ул. Текстильная, 10 +375 (44) 540-02-05 Под заказ
Схема проезда
г. Горки ул.Мира, д.51а/1 +375 (44) 565-33-61 Под заказ
Схема проезда
г. Гродно ул. Карского, 35 +375 (44) 770-70-21 Под заказ
Схема проезда
г. Дрогичин ул. Юбилейная, 42 +375 (29) 682-17-13 Под заказ
Схема проезда
г. Дятлово ул. Советская ,104 +375 (29) 187-87-37 Под заказ
Схема проезда
г. Житковичи ул. Комсомольская, 49 +375 (29) 394-82-52 Под заказ
Схема проезда
г. Жлобин ул. Козлова, 25 +375 (29) 346-06-78 Под заказ
Схема проезда
г. Ивацевичи ул. Загородная, 6А +375 (29) 188-59-01 Под заказ
Схема проезда
г. Кобрин ул. Пролетарская, 177А +375 (44) 588-10-80 Под заказ
Схема проезда
г. Кричев ул. Комсомольская, 126 +375 (29) 628-88-42 Под заказ
Схема проезда
г. Лельчицы ул. Советская, д.96/1 +375 (29) 346-98-96 Под заказ
Схема проезда
г. Лепель ул. Лобанка, 43 +375 (44) 778-65-21 Под заказ
Схема проезда
г. Лида ул. Качана, 7 +375 (29) 612-60-61 Под заказ
Схема проезда
г. Лунинец ул.Красная, 175а +375 (44) 721-46-74 Под заказ
Схема проезда
г. Минск ул. Бабушкина, 37 +375 (29) 632-00-82 Под заказ
Схема проезда
г. Могилев ул. Габровская 11Б +375 (29) 662-02-16 Под заказ
Схема проезда
г. Мозырь промузел Козенки +375 (44) 731-94-60 Под заказ
Схема проезда
г. Молодечно ул. Галицкого, 14 +375 (44) 567-28-47 Под заказ
Схема проезда
г. Несвиж ул. Кутузова, 2 +375 (29) 394-82-48 Под заказ
Схема проезда
г. Новогрудок ул. Индустриальная, 3 +375 (44) 729-39-19 Под заказ
Схема проезда
г. Орша ул. Сергея Кирова, д. 34 +375 (44) 583-91-42 Под заказ
Схема проезда
г. Осиповичи ул. Короткая, 11 +375 (29) 165-60-07 Под заказ
Схема проезда
г. Ошмяны ул. Льнозоводская 3 +375 (44) 770-80-91 Под заказ
Схема проезда
г. Петриков ул. Первомайская, 124 +375 (33) 660-06-75 Под заказ
Схема проезда
г. Пинск ул. Калиновского 32 +375 (44) 560-99-59 Под заказ
Схема проезда
г. Полоцк ул. Пролетарская, 6 +375 (29) 644-57-58 Под заказ
Схема проезда
г. Полоцк ул. Строительная, 30Б +375 (29) 302-97-91 Под заказ
Схема проезда
г. Полоцк-2 ул. Шенягина, 52 +375 (29) 302-94-73 Под заказ
Схема проезда
г. Поставы ул. Советская, 69 +375 (44) 770-80-13 Под заказ
Схема проезда
г. Пружаны ул. Макаренко, 21 +375 (29) 348-83-18 Под заказ
Схема проезда
г. Слоним ул. Советская, 93а +375 (29) 394-82-01 Под заказ
Схема проезда
г. Слуцк ул. Тутаринова, 8 +375 (29) 346-06-90 Под заказ
Схема проезда
г. Сморгонь ул. Железнодорожная, 32 +375 (29) 671-02-10 Под заказ
Схема проезда
г. Солигорск Чижевичский сельсовет, 3Г +375 (29) 899-58-52 Под заказ
Схема проезда
г. Столин ул. Быковского, 29 +375 (33) 304-54-36 Под заказ
Схема проезда
г. Щучин ул. Советская, 39 +375 (29) 177-29-70 Под заказ
Схема проезда
Аналоги
Стакан форсунки 236-1003112-В
Стакан форсунки
Каталожный номер 236-1003112-В
Производитель RSTA RSTA
Код 1121
Доставка по всей Беларуси
Доступность остатки на филиалах Остатки на филиалах
Остаток Под заказ
Товары из этой категории
Кольцо уплотнительное 028-034-36 ФСИ 65 650.1002602
Кольцо уплотнительное 028-034-36 ФСИ 65
Каталожный номер 650.1002602
Производитель Автодизель Автодизель
Код 45343
Доставка по всей Беларуси
Доступность остатки на филиалах Остатки на филиалах
Остаток: г.Минск, ул.Селицкого 21к В наличии
Склад Адрес Контакт Остатки
г. Минск ул. Селицкого, 21к +375 (44) 770-80-78 ( Много )
Схема проезда
г. Барановичи ул. Пролетарская, 40 +375 (29) 795-96-37 ( Средне )
Схема проезда
г. Брест Тельминский с/с, 1Д/1, 1 км южнее д. Тельмы-2 +375 (44) 599-90-75 ( Много )
Схема проезда
г. Ошмяны ул. Льнозоводская 3 +375 (44) 770-80-91 ( Средне )
Схема проезда
г. Пинск ул. Калиновского 32 +375 (44) 560-99-59 ( Много )
Схема проезда
г. Сморгонь ул. Железнодорожная, 32 +375 (29) 671-02-10 ( Средне )
Схема проезда
г. Щучин ул. Советская, 39 +375 (29) 177-29-70 ( Мало )
Схема проезда
Манжета 236-1007262
Манжета
Каталожный номер 236-1007262
Производитель АРСПРОМ АРСПРОМ
Код 7282
Доставка по всей Беларуси
Доступность остатки на филиалах Остатки на филиалах
Остаток: г.Минск, ул.Селицкого 21к В наличии
Склад Адрес Контакт Остатки
г. Минск ул. Селицкого, 21к +375 (44) 770-80-78 ( Много )
Схема проезда
г. Барановичи ул. Пролетарская, 40 +375 (29) 795-96-37 ( Много )
Схема проезда
г. Барановичи ул. Бадака, 27Б +375 (29) 350-33-47 ( Много )
Схема проезда
г. Березино ул. Комсомольская, д. 24 +375 (44) 770-80-17 ( Много )
Схема проезда
г. Бобруйск ул. Орловского, 22к3 +375 (29) 345-37-07 ( Много )
Схема проезда
г. Борисов ул. Демина, 2а +375 (44) 560-99-75 ( Много )
Схема проезда
г. Брест Тельминский с/с, 1Д/1, 1 км южнее д. Тельмы-2 +375 (44) 599-90-75 ( Много )
Схема проезда
г. Витебск ул. Правды, 33 +375 (44) 770-80-87 ( Много )
Схема проезда
г. Витебск ул. Петруся Бровки, 34 +375 (29) 636-25-08 ( Много )
Схема проезда
г. Гомель ул. Барыкина, 291Б +375 (44) 514-15-30 ( Много )
Схема проезда
г. Горки ул.Мира, д.51а/1 +375 (44) 565-33-61 ( Много )
Схема проезда
г. Гродно ул. Карского, 35 +375 (44) 770-70-21 ( Много )
Схема проезда
г. Дрогичин ул. Юбилейная, 42 +375 (29) 682-17-13 ( Много )
Схема проезда
г. Житковичи ул. Комсомольская, 49 +375 (29) 394-82-52 ( Много )
Схема проезда
г. Ивацевичи ул. Загородная, 6А +375 (29) 188-59-01 ( Много )
Схема проезда
г. Кобрин ул. Пролетарская, 177А +375 (44) 588-10-80 ( Средне )
Схема проезда
г. Мозырь промузел Козенки +375 (44) 731-94-60 ( Много )
Схема проезда
г. Молодечно ул. Галицкого, 14 +375 (44) 567-28-47 ( Много )
Схема проезда
г. Новогрудок ул. Индустриальная, 3 +375 (44) 729-39-19 ( Много )
Схема проезда
г. Орша ул. Сергея Кирова, д. 34 +375 (44) 583-91-42 ( Много )
Схема проезда
г. Осиповичи ул. Короткая, 11 +375 (29) 165-60-07 ( Много )
Схема проезда
г. Полоцк-2 ул. Шенягина, 52 +375 (29) 302-94-73 ( Много )
Схема проезда
г. Полоцк-2 ул. Шенягина, 52 +375 (29) 302-94-73 ( Много )
Схема проезда
г. Слоним ул. Советская, 93а +375 (29) 394-82-01 ( Средне )
Схема проезда
г. Солигорск Чижевичский сельсовет, 3Г +375 (29) 899-58-52 ( Много )
Схема проезда
г. Столин ул. Быковского, 29 +375 (33) 304-54-36 ( Много )
Схема проезда
Скоба крепления подушки двигателя 64227-1001030
Скоба крепления подушки двигателя
Каталожный номер 64227-1001030
Производитель Автоштамп Автоштамп
Код 910
Доставка по всей Беларуси
Доступность остатки на филиалах Остатки на филиалах
Остаток: г.Минск, ул.Селицкого 21к В наличии
Склад Адрес Контакт Остатки
г. Минск ул. Бабушкина, 37 +375 (29) 632-00-82 ( Мало )
Схема проезда
г. Минск ул. Селицкого, 21к +375 (44) 770-80-78 ( Средне )
Схема проезда
г. Барановичи ул. Пролетарская, 40 +375 (29) 795-96-37 ( Мало )
Схема проезда
г. Бобруйск ул. Орловского, 22к3 +375 (29) 345-37-07 ( Мало )
Схема проезда
г. Дятлово ул. Советская ,104 +375 (29) 187-87-37 ( Мало )
Схема проезда
г. Орша ул. Сергея Кирова, д. 34 +375 (44) 583-91-42 ( Средне )
Схема проезда
г. Ошмяны ул. Льнозоводская 3 +375 (44) 770-80-91 ( Мало )
Схема проезда
Кольцо стопорное пальца поршневого 7511.1004022
Кольцо стопорное пальца поршневого
Каталожный номер 7511.1004022
Производитель RSTA RSTA
Код 5279
Доставка по всей Беларуси
Доступность остатки на филиалах Остатки на филиалах
Остаток Под заказ
Болт М16х46мм крепления маховика ,Автодизель 7511.1005127
Болт М16х46мм крепления маховика ,Автодизель
Каталожный номер 7511.1005127
Производитель Автодизель Автодизель
Код 9721
Доставка по всей Беларуси
Доступность остатки на филиалах Остатки на филиалах
Остаток: г.Минск, ул.Селицкого 21к В наличии
Склад Адрес Контакт Остатки
г. Минск ул. Селицкого, 21к +375 (44) 770-80-78 ( Много )
Схема проезда
г. Новогрудок ул. Индустриальная, 3 +375 (44) 729-39-19 ( Много )
Схема проезда
г. Ошмяны ул. Льнозоводская 3 +375 (44) 770-80-91 ( Много )
Схема проезда