Республика Беларусь,
г. Минск, ул. Селицкого 21к - центральный склад
Пн-пт с 8:00 до 17:00
Меню
С313 Сигнал электрич. 24В
Наименование: Сигнал С313 электрич. 24В
Каталожный номер: С313
Производитель: RSTA
Код товара: 7989
Доставка: по всей Беларуси
Остаток: под заказ

Нашли не точность в описании товара? сообщить администратору.

+375 (44) 770-80-78 +375 (29) 747-80-78
* Выставить счет, получить техническую информацию и стоимость
Заказать деталь Онлайн
Описание
Наличие на филиалах
Применяемость
Заменить на СТО

БС вес: 0,48 на 01.04.2020

Код для заказа: 7989

Марка Модель Кат.номер Наим. по каталогу Чертеж
ГАЗ ГАЗ-4301 С313-3721000 Сигнал звуковой низкого тона С313 (покупная деталь) Установка звуковых сигналов, пульта управления пусковым подогревателем прерывателя указателя поворота, розетки прицепа, штепсельной розетки, резистора, сопротивления независимого отопителя
МАЗ МАЗ-5433 С313-3721000 Сигнал (уст. с 1988 г.) Схема установки изделий электрооборудования МАЗ-53371
ЛАЗ ЛАЗ 4207 С313 Сигнал звуковой (среднего тона) Электрооборудование Чертеж Электрооборудование
ЛАЗ ЛАЗ 4207 С313-3721000 Сигнал звуковой С313 Электрооборудование и радиооборудование Чертеж Электрооборудование и радиооборудование
ЛиАЗ ЛиАЗ 5256 С313-3721000 Сигнал звуковой безрупорный низкого тона 24В Электрооборудование Чертеж Электрооборудование
ЛиАЗ ЛиАЗ 5256 С313-3721000 Сигнал звуковой безрупорный низкого тона 24В Электрооборудование и радиооборудование Чертеж Электрооборудование и радиооборудование
Камский автозавод 5315 С313-3721000 Сигнал звуковой безрупорный низкого тона Лампа подкапотная Чертеж Лампа подкапотная
БелАЗ 7548А (2000) С313 Сигнал звуковой Установка фар, подфарников и звукового сигнала
БелАЗ 7547 С313 Сигнал звуковой Установка фар, подфарников и звуковых сигналов Чертеж Установка фар, подфарников и звуковых сигналов
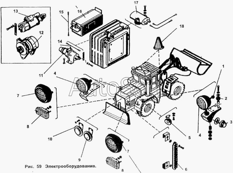
ПТЗ К-702МВ С313-3721000 Сигнал звуковой Электрооборудование Чертеж Электрооборудование
ПТЗ К-702МБА (1998) С313-3721000 Сигнал звуковой Электрооборудование Чертеж Электрооборудование
ПТЗ К-744Р2 С313-3721000 Сигнал звуковой Приборы световой и звуковой сигнализации 744P2-3799000-5 744P2-3800000-5 Чертеж Приборы световой и звуковой сигнализации 744P2-3799000-5 744P2-3800000-5
ПТЗ К-744Р2 С313-3721000 Сигнал звуковой Приборы световой и звуковой сигнализации 744P2-3799000-5 744P2-3800000-5
ПТЗ К-702МВА С313-3721000 Сигнал звуковой Электрооборудование
Амкодор Амкодор-333В (ТО-18Б3) С313 Сигнал звуковой Электросистема Чертеж Электросистема
Амкодор Амкодор-342А (ТО-28А) С313 Сигнал звуковой Электросистема Чертеж Электросистема
Амкодор Амкодор-327 (ТО-18Д) (2003) С313-У-ХЛ Сигнал звуковой Электросистема подкабинника
ПАЗ ПАЗ-4230 (2005) С313 Сигнал звуковой низкого тона Электрооборудование автобуса Чертеж Электрооборудование автобуса
ПАЗ ПАЗ-4230 (2005) С313 Сигнал звуковой низкого тона Электрооборудование автобуса Чертеж Электрооборудование автобуса
МоАЗ 7505 С313 Сигнал электрический низкого тона Установка электрооборудования 7505-3700002 Чертеж Установка электрооборудования 7505-3700002
Товары из этой категории
Гнездо (мама) 8865
Гнездо (мама)
Каталожный номер 8865
Производитель Автоэлектросервис Автоэлектросервис
Код 37963
Доставка по всей Беларуси
Доступность остатки на филиалах Остатки на филиалах
Остаток: г.Минск, ул.Селицкого 21к В наличии
Склад Адрес Контакт Остатки
г. Минск ул. Селицкого, 21к +375 (44) 770-80-78 ( Много )
Схема проезда
г. Бобруйск ул. Орловского, 22к3 +375 (29) 345-37-07 ( Много )
Схема проезда
г. Витебск ул. Петруся Бровки, 34 +375 (29) 636-25-08 ( Много )
Схема проезда
г. Гомель ул. Барыкина, 291Б +375 (44) 514-15-30 ( Много )
Схема проезда
г. Гродно ул. Карского, 35 +375 (44) 770-70-21 ( Много )
Схема проезда
г. Поставы ул. Советская, 69 +375 (44) 770-80-13 ( Много )
Схема проезда
г. Сморгонь ул. Железнодорожная, 32 +375 (29) 671-02-10 ( Много )
Схема проезда
Реле стартера втягивающее СТ-142-3708800
Реле стартера втягивающее
Каталожный номер СТ-142-3708800
Производитель СпецМаш СпецМаш
Код 3058
Доставка по всей Беларуси
Доступность остатки на филиалах Остатки на филиалах
Остаток: г.Минск, ул.Селицкого 21к В наличии
Склад Адрес Контакт Остатки
г. Минск ул. Селицкого, 21к +375 (44) 770-80-78 ( Много )
Схема проезда
г. Барановичи ул. Пролетарская, 40 +375 (29) 795-96-37 ( Мало )
Схема проезда
г. Березино ул. Комсомольская, д. 24 +375 (44) 770-80-17 ( Мало )
Схема проезда
г. Берёза ул. Красноармейская, 89/11 +375 (29) 676-70-71 ( Мало )
Схема проезда
г. Бобруйск ул. Гоголя, 181/1-6 +375 (29) 630-05-01 ( Мало )
Схема проезда
г. Бобруйск ул. Орловского, 22к3 +375 (29) 345-37-07 ( Мало )
Схема проезда
г. Витебск ул. Правды, 33 +375 (44) 770-80-87 ( Средне )
Схема проезда
г. Витебск ул. Петруся Бровки, 34 +375 (29) 636-25-08 ( Мало )
Схема проезда
г. Глубокое ул. Энгельса, 22 +375 (44) 505-71-40 ( Средне )
Схема проезда
г. Гомель ул. Барыкина, 291Б +375 (44) 514-15-30 ( Мало )
Схема проезда
г. Горки ул.Мира, д.51а/1 +375 (44) 565-33-61 ( Мало )
Схема проезда
г. Гродно ул. Карского, 35 +375 (44) 770-70-21 ( Средне )
Схема проезда
г. Дрогичин ул. Юбилейная, 42 +375 (29) 682-17-13 ( Мало )
Схема проезда
г. Дятлово ул. Советская ,104 +375 (29) 187-87-37 ( Мало )
Схема проезда
г. Житковичи ул. Комсомольская, 49 +375 (29) 394-82-52 ( Мало )
Схема проезда
г. Жлобин ул. Козлова, 25 +375 (29) 346-06-78 ( Мало )
Схема проезда
г. Ивацевичи ул. Загородная, 6А +375 (29) 188-59-01 ( Мало )
Схема проезда
г. Кобрин ул. Пролетарская, 177А +375 (44) 588-10-80 ( Мало )
Схема проезда
г. Кричев ул. Комсомольская, 126 +375 (29) 628-88-42 ( Средне )
Схема проезда
г. Лельчицы ул. Советская, д.96/1 +375 (29) 346-98-96 ( Мало )
Схема проезда
г. Лепель ул. Лобанка, 43 +375 (44) 778-65-21 ( Мало )
Схема проезда
г. Могилев ул. Габровская 11Б +375 (29) 662-02-16 ( Мало )
Схема проезда
г. Молодечно ул. Галицкого, 14 +375 (44) 567-28-47 ( Мало )
Схема проезда
г. Несвиж ул. Кутузова, 2 +375 (29) 394-82-48 ( Мало )
Схема проезда
г. Новогрудок ул. Индустриальная, 3 +375 (44) 729-39-19 ( Мало )
Схема проезда
г. Орша ул. Сергея Кирова, д. 34 +375 (44) 583-91-42 ( Мало )
Схема проезда
г. Осиповичи ул. Короткая, 11 +375 (29) 165-60-07 ( Мало )
Схема проезда
г. Ошмяны ул. Льнозоводская 3 +375 (44) 770-80-91 ( Мало )
Схема проезда
г. Петриков ул. Первомайская, 124 +375 (33) 660-06-75 ( Мало )
Схема проезда
г. Поставы ул. Советская, 69 +375 (44) 770-80-13 ( Мало )
Схема проезда
г. Слоним ул. Советская, 93а +375 (29) 394-82-01 ( Средне )
Схема проезда
г. Слуцк ул. Тутаринова, 8 +375 (29) 346-06-90 ( Мало )
Схема проезда
г. Солигорск Чижевичский сельсовет, 3Г +375 (29) 899-58-52 ( Мало )
Схема проезда
г. Столин ул. Быковского, 29 +375 (33) 304-54-36 ( Мало )
Схема проезда
г. Щучин ул. Советская, 39 +375 (29) 177-29-70 ( Мало )
Схема проезда
Электромагнит ЭМП 01-30 Родина ЭМП 01-30
Электромагнит ЭМП 01-30 Родина
Каталожный номер ЭМП 01-30
Производитель НПО Родина НПО Родина
Код 00-ГР034331
Доставка по всей Беларуси
Доступность остатки на филиалах Остатки на филиалах
Остаток: г.Минск, ул.Селицкого 21к В наличии
Склад Адрес Контакт Остатки
г. Минск ул. Селицкого, 21к +375 (44) 770-80-78 ( Много )
Схема проезда
г. Барановичи ул. Бадака, 27Б +375 (29) 350-33-47 ( Мало )
Схема проезда
г. Бобруйск ул. Орловского, 22к3 +375 (29) 345-37-07 ( Мало )
Схема проезда
г. Брест Тельминский с/с, 1Д/1, 1 км южнее д. Тельмы-2 +375 (44) 599-90-75 ( Мало )
Схема проезда
г. Витебск ул. Петруся Бровки, 34 +375 (29) 636-25-08 ( Средне )
Схема проезда
г. Гомель ул. Барыкина, 291Б +375 (44) 514-15-30 ( Мало )
Схема проезда
г. Мозырь промузел Козенки +375 (44) 731-94-60 ( Средне )
Схема проезда
г. Пинск ул. Калиновского 32 +375 (44) 560-99-59 ( Мало )
Схема проезда
Перемычка 544018-3724057 544018-3724057
Перемычка 544018-3724057
Каталожный номер 544018-3724057
Производитель Автоэлектросервис Автоэлектросервис
Код 00-ГР038238
Доставка по всей Беларуси
Доступность остатки на филиалах Остатки на филиалах
Остаток Под заказ
Фонарь заднего хода АМАЗ 6.3716010
Фонарь заднего хода АМАЗ
Каталожный номер 6.3716010
Производитель Белфер Белфер
Код 8029
Доставка по всей Беларуси
Доступность остатки на филиалах Остатки на филиалах
Остаток В наличии
Склад Адрес Контакт Остатки
г. Брест Тельминский с/с, 1Д/1, 1 км южнее д. Тельмы-2 +375 (44) 599-90-75 ( Средне )
Схема проезда