Республика Беларусь,
г. Минск, ул. Селицкого 21к - центральный склад
Пн-пт с 8:00 до 17:00
Меню
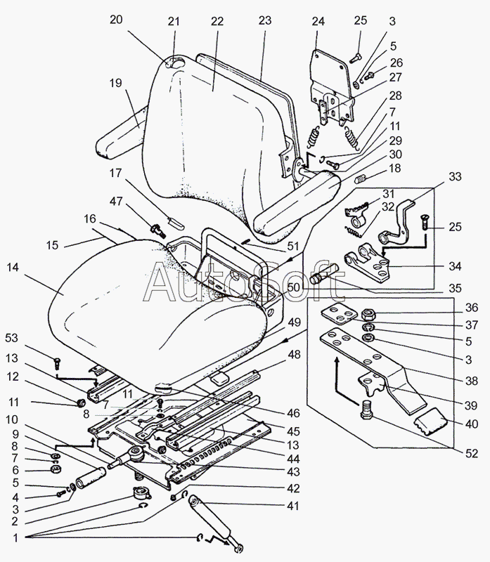
80В-6800000 Сиденье БЗТДиА
Наименование: Сиденье 80В-6800000 БЗТДиА
Каталожный номер: 80В-6800000
Производитель: БЗТДиА
Код товара: 13838
Доставка: по всей Беларуси
Остаток: под заказ

Нашли не точность в описании товара? сообщить администратору.

+375 (44) 770-80-78 +375 (29) 747-80-78
* Выставить счет, получить техническую информацию и стоимость
Заказать деталь Онлайн
Описание
Наличие на филиалах
Применяемость
Заменить на СТО

БС вес: 26,6 на 17.03.2020

Код для заказа: 13838

Марка Модель Кат.номер Наим. по каталогу Чертеж
ПТЗ К-702МБА (1998) 80В-6800000 Сиденье Сиденье Чертеж Сиденье
ПТЗ К-744Р2 80В-6800000 Сиденье Сиденье водителя 744Р-6800000 Чертеж Сиденье водителя 744Р-6800000
ПТЗ K-744P1 (2001) 80В-6800000 Сиденье Сиденье водителя Чертеж Сиденье водителя
МТЗ МТЗ-1523 80В-6800000 Сиденье Сиденье оператора Чертеж Сиденье оператора
МТЗ МТЗ-1522 (2008) 80В-6800000 Сиденье Сиденье оператора
МТЗ МТЗ-822 (2008) 80В-6800000 Сиденье Сиденье оператора
МТЗ МТЗ-922 (2008) 80В-6800000 Сиденье Сиденье оператора
МТЗ МТЗ-923 (2008) 80В-6800000 Сиденье Сиденье оператора
МТЗ МТЗ-1005 (2008) 80В-6800000-01 Сиденье Сиденье водителя Чертеж Сиденье водителя
МТЗ МТЗ-80 (2002) (2002) 80В-6800000-01 Сиденье 6800 Сиденье оператора Чертеж 6800 Сиденье оператора
МТЗ МЛ-131 (2008) 80В-6800000 Сиденье Сиденье оператора Чертеж Сиденье оператора
МТЗ МТЗ-570 (2010) 80В-6800000 Сиденье Сиденье оператора
МТЗ МТЗ-570 (2010) 80В-6800000-01 Сиденье Сиденье оператора
МТЗ МТЗ-826 (2010) 80В-6800000 Сиденье Сиденье
МТЗ МТЗ-826 (2010) 80В-6800000-01 Сиденье Сиденье
МТЗ МТЗ-1021.3 (2010) 80В-6800000 Сиденье Сиденье оператора Чертеж Сиденье оператора
МТЗ МТЗ-1021.3 (2010) 80В-6800000-01 Сиденье Сиденье оператора Чертеж Сиденье оператора
Гомсельмаш УЭС-2-250А (2010) 80В-6800000 Сиденье Площадка управления УЭС-7-0300000А (вид сбоку) Чертеж Площадка управления УЭС-7-0300000А (вид сбоку)
Гомсельмаш УЭС-2-250А (2010) 80В-6800000 Сиденье Сиденье Чертеж Сиденье
Гомсельмаш УЭС-2-280А (2010) 80В-6800000-02 Сиденье Площадка управления УЭС-6-0300000 (вид сбоку) Чертеж Площадка управления УЭС-6-0300000 (вид сбоку)
Товары из этой категории
Виброизолятор кабины МТЗ 80-6700160
Виброизолятор кабины МТЗ
Каталожный номер 80-6700160
Производитель RSTA RSTA
Код 16625
Доставка по всей Беларуси
Доступность остатки на филиалах Остатки на филиалах
Остаток: г.Минск, ул.Селицкого 21к В наличии
Склад Адрес Контакт Остатки
г. Минск ул. Селицкого, 21к +375 (44) 770-80-78 ( Средне )
Схема проезда
г. Барановичи ул. Бадака, 27Б +375 (29) 350-33-47 ( Средне )
Схема проезда
г. Бобруйск ул. Орловского, 22к3 +375 (29) 345-37-07 ( Средне )
Схема проезда
г. Борисов ул. Демина, 2а +375 (44) 560-99-75 ( Мало )
Схема проезда
г. Витебск ул. Правды, 33 +375 (44) 770-80-87 ( Мало )
Схема проезда
г. Глубокое ул. Энгельса, 22 +375 (44) 505-71-40 ( Средне )
Схема проезда
г. Гомель ул. Барыкина, 291Б +375 (44) 514-15-30 ( Средне )
Схема проезда
г. Дятлово ул. Советская ,104 +375 (29) 187-87-37 ( Средне )
Схема проезда
г. Жлобин ул. Козлова, 25 +375 (29) 346-06-78 ( Средне )
Схема проезда
г. Ивацевичи ул. Загородная, 6А +375 (29) 188-59-01 ( Средне )
Схема проезда
г. Кобрин ул. Пролетарская, 177А +375 (44) 588-10-80 ( Мало )
Схема проезда
г. Лепель ул. Лобанка, 43 +375 (44) 778-65-21 ( Много )
Схема проезда
г. Молодечно ул. Галицкого, 14 +375 (44) 567-28-47 ( Мало )
Схема проезда
г. Несвиж ул. Кутузова, 2 +375 (29) 394-82-48 ( Средне )
Схема проезда
г. Новогрудок ул. Индустриальная, 3 +375 (44) 729-39-19 ( Средне )
Схема проезда
г. Ошмяны ул. Льнозоводская 3 +375 (44) 770-80-91 ( Средне )
Схема проезда
г. Полоцк-2 ул. Шенягина, 52 +375 (29) 302-94-73 ( Средне )
Схема проезда
г. Поставы ул. Советская, 69 +375 (44) 770-80-13 ( Средне )
Схема проезда
г. Пружаны ул. Макаренко, 21 +375 (29) 348-83-18 ( Мало )
Схема проезда
г. Слоним ул. Советская, 93а +375 (29) 394-82-01 ( Мало )
Схема проезда
г. Сморгонь ул. Железнодорожная, 32 +375 (29) 671-02-10 ( Средне )
Схема проезда
г. Столин ул. Быковского, 29 +375 (33) 304-54-36 ( Средне )
Схема проезда
г. Щучин ул. Советская, 39 +375 (29) 177-29-70 ( Средне )
Схема проезда
Моторедуктор стеклоочистителя 96.5205100 AE, 192.090.010 (WWM12002) FENOX WWM12002
Моторедуктор стеклоочистителя 96.5205100 AE, 192.090.010 (WWM12002) FENOX
Каталожный номер WWM12002
Производитель FENOX FENOX
Код 00-ГР035918
Доставка по всей Беларуси
Доступность остатки на филиалах Остатки на филиалах
Остаток: г.Минск, ул.Селицкого 21к В наличии
Склад Адрес Контакт Остатки
г. Минск ул. Селицкого, 21к +375 (44) 770-80-78 ( Средне )
Схема проезда
г. Берёза ул. Красноармейская, 89/11 +375 (29) 676-70-71 ( Мало )
Схема проезда
г. Житковичи ул. Комсомольская, 49 +375 (29) 394-82-52 ( Мало )
Схема проезда
г. Молодечно ул. Галицкого, 14 +375 (44) 567-28-47 ( Мало )
Схема проезда
Стекло 80-6708211-А заднее (1213,5х841) 80-6708211
Стекло 80-6708211-А заднее (1213,5х841)
Каталожный номер 80-6708211
Производитель Гомельстекло Гомельстекло
Код 00-ГР030253
Доставка по всей Беларуси
Доступность остатки на филиалах Остатки на филиалах
Остаток В наличии
Склад Адрес Контакт Остатки
г. Кричев ул. Комсомольская, 126 +375 (29) 628-88-42 ( Средне )
Схема проезда
г. Новогрудок ул. Индустриальная, 3 +375 (44) 729-39-19 ( Мало )
Схема проезда
г. Столин ул. Быковского, 29 +375 (33) 304-54-36 ( Мало )
Схема проезда
Брызговик заднего крыла МТЗ 85-8404040
Брызговик заднего крыла МТЗ
Каталожный номер 85-8404040
Производитель RSTA RSTA
Код 16610
Доставка по всей Беларуси
Доступность остатки на филиалах Остатки на филиалах
Остаток: г.Минск, ул.Селицкого 21к В наличии
Склад Адрес Контакт Остатки
г. Минск ул. Селицкого, 21к +375 (44) 770-80-78 ( Много )
Схема проезда
г. Бобруйск ул. Орловского, 22к3 +375 (29) 345-37-07 ( Средне )
Схема проезда
г. Глубокое ул. Энгельса, 22 +375 (44) 505-71-40 ( Средне )
Схема проезда
г. Дрогичин ул. Юбилейная, 42 +375 (29) 682-17-13 ( Средне )
Схема проезда
г. Ивацевичи ул. Загородная, 6А +375 (29) 188-59-01 ( Средне )
Схема проезда
г. Кричев ул. Комсомольская, 126 +375 (29) 628-88-42 ( Средне )
Схема проезда
г. Лунинец ул.Красная, 175а +375 (44) 721-46-74 ( Средне )
Схема проезда
г. Новогрудок ул. Индустриальная, 3 +375 (44) 729-39-19 ( Средне )
Схема проезда
г. Орша ул. Сергея Кирова, д. 34 +375 (44) 583-91-42 ( Средне )
Схема проезда
г. Осиповичи ул. Короткая, 11 +375 (29) 165-60-07 ( Средне )
Схема проезда
г. Ошмяны ул. Льнозоводская 3 +375 (44) 770-80-91 ( Средне )
Схема проезда
г. Полоцк-2 ул. Шенягина, 52 +375 (29) 302-94-73 ( Средне )
Схема проезда
г. Слоним ул. Советская, 93а +375 (29) 394-82-01 ( Много )
Схема проезда
г. Столин ул. Быковского, 29 +375 (33) 304-54-36 ( Средне )
Схема проезда
Моторедуктор стеклоочистителя 192.090.010
Моторедуктор стеклоочистителя
Каталожный номер 192.090.010
Производитель RSTA RSTA
Код 19938
Доставка по всей Беларуси
Доступность остатки на филиалах Остатки на филиалах
Остаток: г.Минск, ул.Селицкого 21к В наличии
Склад Адрес Контакт Остатки
г. Минск ул. Селицкого, 21к +375 (44) 770-80-78 ( Средне )
Схема проезда
г. Дятлово ул. Советская ,104 +375 (29) 187-87-37 ( Мало )
Схема проезда
г. Новогрудок ул. Индустриальная, 3 +375 (44) 729-39-19 ( Мало )
Схема проезда