Республика Беларусь,
г. Минск, ул. Селицкого 21к - центральный склад
Пн-пт с 8:00 до 17:00
Меню
Д01-015 Штифт установочный
Наименование: Штифт установочный Д01-015
Каталожный номер: Д01-015
Производитель: RSTA
Код товара: 00-ГР001897
Доставка: по всей Беларуси
Остаток: под заказ

Нашли не точность в описании товара? сообщить администратору.

+375 (44) 770-80-78 +375 (29) 747-80-78
* Выставить счет, получить техническую информацию и стоимость
Заказать деталь Онлайн
Описание
Наличие на филиалах
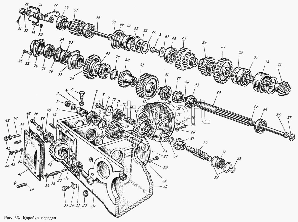
Применяемость
Заменить на СТО

13.10.20

Штифт установочный Д01-015 производства RSTA (РФ), Код для заказа: 00-ГР001897

Марка Модель Кат.номер Наим. по каталогу Чертеж
МТЗ МТЗ-80 (1998) Д01-015 Штифт установочный Корпус сцепления Чертеж Корпус сцепления
МТЗ МТЗ-80 (1998) Д01-015 Штифт установочный Корпус коробки передач
МТЗ МТЗ-80 (1998) Д01-015 Штифт установочный Передний ведущий мост. Дифференциал Чертеж Передний ведущий мост. Дифференциал
МТЗ МТЗ-80 (1998) Д01-015 Штифт установочный Корпус заднего моста. Дифференциал Чертеж Корпус заднего моста. Дифференциал
МТЗ МТЗ-100 Д01-015 Штифт установочный Коробка передач (вариант 1) Чертеж Коробка передач (вариант 1)
МТЗ МТЗ-100 Д01-015 Штифт установочный Передний ведущий мост
МТЗ МТЗ-100 Д01-015 Штифт установочный Корпус заднего моста Чертеж Корпус заднего моста
МТЗ МТЗ-900 Д01-015 Штифт установочный Передний ведущий мост Чертеж Передний ведущий мост
МТЗ МТЗ-900 Штифт Д01-015 Штифт Д01-015 ПВМ с гидроцилиндром в рулевой трапеции
МТЗ МТЗ-900 Штифт Д01-015 Штифт Д01-015 Передняя ось с гидроцилиндром в рулевой трапеции Чертеж Передняя ось с гидроцилиндром в рулевой трапеции
МТЗ МТЗ-1523 Д01-015 Штифт установочный Коробка передач 1522-1700010
МТЗ МТЗ-1523 Д01-015 Штифт установочный Коробка передач 1222-1700010
МТЗ МТЗ-1523 Д01-015 Штифт установочный Вал первичный
МТЗ МТЗ-1523 Д01-015 Штифт установочный Передний ведущий мост. Главная передача переднего ведущего моста. Дифференциал
МТЗ МТЗ-1523 Д01-015 Штифт установочный Передний ведущий мост. Редуктор центральный
ЮМЗ ЮМЗ-6Л (1991) Д01-015 Штифт установочный Блок цилиндров Чертеж Блок цилиндров
ЮМЗ ЮМЗ-6Л (1991) Д01-015 Штифт установочный Сцепление. Гибка муфта Чертеж Сцепление. Гибка муфта
ЮМЗ ЮМЗ-6Л (1991) Д01-015 Штифт установочный Сцепление. Гибка муфта Чертеж Сцепление. Гибка муфта
ЮМЗ ЮМЗ-6Л (1991) Д01-015 Штифт установочный Коробка передач Чертеж Коробка передач
ЮМЗ ЮМЗ-6Л (1991) Д01-015 Штифт установочный Корпус заднего моста. Дифференциал. Конечная передача и полуоси Чертеж Корпус заднего моста. Дифференциал. Конечная передача и полуоси
Аналоги
Штифт Д01-015 МТЗ Д01-015
Штифт Д01-015 МТЗ
Каталожный номер Д01-015
Производитель МТЗ МТЗ
Код 00-ГР044735
Доставка по всей Беларуси
Доступность остатки на филиалах Остатки на филиалах
Остаток Под заказ
Товары из этой категории
Корпус сцепления  под реверс МТЗ 92П 70-1601015-04
Корпус сцепления под реверс МТЗ 92П
Каталожный номер 70-1601015-04
Производитель МТЗ МТЗ
Код 46975
Доставка по всей Беларуси
Доступность остатки на филиалах Остатки на филиалах
Остаток Под заказ
Цилиндр сцепления главный Girling 73067196
Цилиндр сцепления главный Girling
Каталожный номер 73067196
Производитель КНР КНР
Код 22656
Доставка по всей Беларуси
Доступность остатки на филиалах Остатки на филиалах
Остаток В наличии
Склад Адрес Контакт Остатки
г. Новогрудок ул. Индустриальная, 3 +375 (44) 729-39-19 ( Мало )
Схема проезда
г. Ошмяны ул. Льнозоводская 3 +375 (44) 770-80-91 ( Мало )
Схема проезда
г. Поставы ул. Советская, 69 +375 (44) 770-80-13 ( Средне )
Схема проезда
Диск сцепления фрикционный (ведомый) 80-1601130-А БЗТДиА 80-1601130-А
Диск сцепления фрикционный (ведомый) 80-1601130-А БЗТДиА
Каталожный номер 80-1601130-А
Производитель БЗТДиА БЗТДиА
Код 00-ГР036020
Доставка по всей Беларуси
Доступность остатки на филиалах Остатки на филиалах
Остаток: г.Минск, ул.Селицкого 21к В наличии
Склад Адрес Контакт Остатки
г. Минск ул. Селицкого, 21к +375 (44) 770-80-78 ( Много )
Схема проезда
г. Бобруйск ул. Орловского, 22к3 +375 (29) 345-37-07 ( Мало )
Схема проезда
г. Гродно ул. Карского, 35 +375 (44) 770-70-21 ( Мало )
Схема проезда
г. Ивацевичи ул. Загородная, 6А +375 (29) 188-59-01 ( Мало )
Схема проезда
г. Полоцк-2 ул. Шенягина, 52 +375 (29) 302-94-73 ( Мало )
Схема проезда
Диск сцепления фрикционный (ведомый) 320-1601130 БЗТДиА 320-1601130
Диск сцепления фрикционный (ведомый) 320-1601130 БЗТДиА
Каталожный номер 320-1601130
Производитель БЗТДиА БЗТДиА
Код 00-ГР024285
Доставка по всей Беларуси
Доступность остатки на филиалах Остатки на филиалах
Остаток: г.Минск, ул.Селицкого 21к В наличии
Склад Адрес Контакт Остатки
г. Минск ул. Селицкого, 21к +375 (44) 770-80-78 ( Средне )
Схема проезда
г. Глубокое ул. Энгельса, 22 +375 (44) 505-71-40 ( Мало )
Схема проезда
г. Полоцк-2 ул. Шенягина, 52 +375 (29) 302-94-73 ( Мало )
Схема проезда
Диск сцепления 80-1601090 нажимной АМ 80-1601090
Диск сцепления 80-1601090 нажимной АМ
Каталожный номер 80-1601090
Производитель Автомагнат Автомагнат
Код 00-ГР021225
Доставка по всей Беларуси
Доступность остатки на филиалах Остатки на филиалах
Остаток Под заказ