Республика Беларусь,
г. Минск, ул. Селицкого 21к - центральный склад
Пн-пт с 8:00 до 17:00
Меню
50-1601352 Штифт установочный (d=14мм, l=40мм)
Наименование: Штифт установочный 50-1601352 (d=14мм, l=40мм)
Каталожный номер: 50-1601352
Производитель: RSTA
Код товара: 00-ГР011096
Доставка: по всей Беларуси
Остаток: под заказ

Нашли не точность в описании товара? сообщить администратору.

+375 (44) 770-80-78 +375 (29) 747-80-78
* Выставить счет, получить техническую информацию и стоимость
Заказать деталь Онлайн
Описание
Наличие на филиалах
Применяемость
Заменить на СТО

13.10.20

Штифт установочный 50-1601352 (d=14мм, l=40мм) производства RSTA (РФ), Код для заказа: 00-ГР011096

Марка Модель Кат.номер Наим. по каталогу Чертеж
МТЗ МТЗ-80 (1998) 50-1601352 Штифт Корпус сцепления Чертеж Корпус сцепления
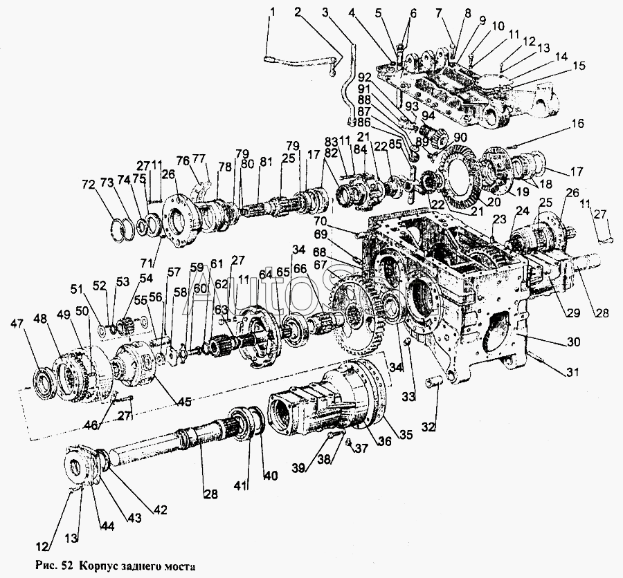
МТЗ МТЗ-80 (1998) 50-1601352 Штифт Корпус заднего моста. Дифференциал Чертеж Корпус заднего моста. Дифференциал
МТЗ МТЗ-80 (1998) 50-1601352 Штифт Бортовой редуктор. Колеса передние и задние (МТЗ-82Р)
МТЗ МТЗ-80 (1998) 50-1601352 Штифт Гидроусилитель рулевого управления
МТЗ МТЗ-100 50-1601352 Штифт Корпус заднего моста Чертеж Корпус заднего моста
МТЗ МТЗ-1221 (1997) 50-1601352 Штифт Корпус заднего моста Чертеж Корпус заднего моста
МТЗ МТЗ-1523 50-1601352 Штифт Дифференциал. Стакан подшипников
МТЗ МТЗ-1522 (2008) 50-1601352 Штифт Дифференциал. Стакан подшипников
МТЗ МТЗ-822 (2008) 50-1601352 Штифт Корпус сцепления Чертеж Корпус сцепления
МТЗ МТЗ-822 (2008) 50-1601352 Штифт Дифференциал. Главная передача. Стакан подшипников. Крышка стакана
МТЗ МТЗ-922 (2008) 50-1601352 Штифт Корпус сцепления Чертеж Корпус сцепления
МТЗ МТЗ-922 (2008) 50-1601352 Штифт Дифференциал. Главная передача. Стакан подшипников. Крышка стакана
МТЗ МТЗ-923 (2008) 50-1601352 Штифт Корпус сцепления
МТЗ МТЗ-923 (2008) 50-1601352 Штифт Дифференциал. Главная передача. Стакан подшипников. Крышка стакана
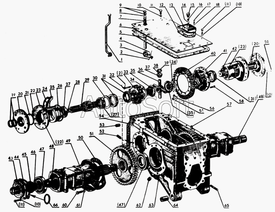
МТЗ МТЗ-1005 (2008) 50-1601352 Штифт Корпус заднего моста
МТЗ МТЗ-80 (2002) (2002) 50-1601352 Штифт 1601 Корпус сцепления
МТЗ МТЗ-80 (2002) (2002) 50-1601352 Штифт 2403 Дифференциал. Стакан подшипников Чертеж 2403 Дифференциал. Стакан подшипников
МТЗ МТЗ-80 (2002) (2002) 50-1601352 Штифт 2412 Бортовой редуктор (82Р) Чертеж 2412 Бортовой редуктор (82Р)
МТЗ МТЗ-80 (2002) (2002) 50-1601352 Штифт 3407 Гидроагрегаты и армаура ГУР Чертеж 3407 Гидроагрегаты и армаура ГУР
МТЗ МТЗ-90/92 (2008) 50-1601352 Штифт Корпус сцепления Чертеж Корпус сцепления
Товары из этой категории
Цилиндр сцепления главный FENOX C2602C3
Цилиндр сцепления главный FENOX
Каталожный номер C2602C3
Производитель FENOX FENOX
Код 00-ГР005947
Доставка по всей Беларуси
Доступность остатки на филиалах Остатки на филиалах
Остаток: г.Минск, ул.Селицкого 21к В наличии
Склад Адрес Контакт Остатки
г. Минск ул. Селицкого, 21к +375 (44) 770-80-78 ( Много )
Схема проезда
г. Березино ул. Комсомольская, д. 24 +375 (44) 770-80-17 ( Мало )
Схема проезда
г. Борисов ул. Демина, 2а +375 (44) 560-99-75 ( Мало )
Схема проезда
г. Гомель ул. Барыкина, 291Б +375 (44) 514-15-30 ( Мало )
Схема проезда
г. Дрогичин ул. Юбилейная, 42 +375 (29) 682-17-13 ( Мало )
Схема проезда
г. Дятлово ул. Советская ,104 +375 (29) 187-87-37 ( Мало )
Схема проезда
г. Ивацевичи ул. Загородная, 6А +375 (29) 188-59-01 ( Мало )
Схема проезда
г. Лельчицы ул. Советская, д.96/1 +375 (29) 346-98-96 ( Мало )
Схема проезда
г. Лепель ул. Лобанка, 43 +375 (44) 778-65-21 ( Мало )
Схема проезда
г. Лунинец ул.Красная, 175а +375 (44) 721-46-74 ( Мало )
Схема проезда
г. Несвиж ул. Кутузова, 2 +375 (29) 394-82-48 ( Средне )
Схема проезда
г. Новогрудок ул. Индустриальная, 3 +375 (44) 729-39-19 ( Мало )
Схема проезда
г. Ошмяны ул. Льнозоводская 3 +375 (44) 770-80-91 ( Средне )
Схема проезда
г. Пинск ул. Калиновского 32 +375 (44) 560-99-59 ( Мало )
Схема проезда
г. Поставы ул. Советская, 69 +375 (44) 770-80-13 ( Мало )
Схема проезда
г. Солигорск Чижевичский сельсовет, 3Г +375 (29) 899-58-52 ( Мало )
Схема проезда
г. Столин ул. Быковского, 29 +375 (33) 304-54-36 ( Мало )
Схема проезда
Цилиндр 73067196 (T2652) FENOX T2652
Цилиндр 73067196 (T2652) FENOX
Каталожный номер T2652
Производитель FENOX FENOX
Код 00-ГР017658
Доставка по всей Беларуси
Доступность остатки на филиалах Остатки на филиалах
Остаток В наличии
Склад Адрес Контакт Остатки
г. Барановичи ул. Пролетарская, 40 +375 (29) 795-96-37 ( Средне )
Схема проезда
г. Гомель ул. Барыкина, 291Б +375 (44) 514-15-30 ( Мало )
Схема проезда
г. Новогрудок ул. Индустриальная, 3 +375 (44) 729-39-19 ( Мало )
Схема проезда
г. Ошмяны ул. Льнозоводская 3 +375 (44) 770-80-91 ( Мало )
Схема проезда
г. Петриков ул. Первомайская, 124 +375 (33) 660-06-75 ( Мало )
Схема проезда
г. Полоцк-2 ул. Шенягина, 52 +375 (29) 302-94-73 ( Мало )
Схема проезда
Диск сцепления фрикционный (ведомый) БЗТДиА 85-1601130
Диск сцепления фрикционный (ведомый) БЗТДиА
Каталожный номер 85-1601130
Производитель БЗТДиА БЗТДиА
Код 00-ГР006668
Доставка по всей Беларуси
Доступность остатки на филиалах Остатки на филиалах
Остаток: г.Минск, ул.Селицкого 21к В наличии
Склад Адрес Контакт Остатки
г. Минск ул. Селицкого, 21к +375 (44) 770-80-78 ( Много )
Схема проезда
г. Барановичи ул. Бадака, 27Б +375 (29) 350-33-47 ( Мало )
Схема проезда
г. Берёза ул. Красноармейская, 89/11 +375 (29) 676-70-71 ( Мало )
Схема проезда
г. Бобруйск ул. Гоголя, 181/1-6 +375 (29) 630-05-01 ( Мало )
Схема проезда
г. Борисов ул. Демина, 2а +375 (44) 560-99-75 ( Мало )
Схема проезда
г. Глубокое ул. Энгельса, 22 +375 (44) 505-71-40 ( Мало )
Схема проезда
г. Жлобин ул. Козлова, 25 +375 (29) 346-06-78 ( Средне )
Схема проезда
г. Ивацевичи ул. Загородная, 6А +375 (29) 188-59-01 ( Средне )
Схема проезда
г. Лунинец ул.Красная, 175а +375 (44) 721-46-74 ( Средне )
Схема проезда
г. Могилев ул. Габровская 11Б +375 (29) 662-02-16 ( Мало )
Схема проезда
г. Молодечно ул. Галицкого, 14 +375 (44) 567-28-47 ( Мало )
Схема проезда
г. Несвиж ул. Кутузова, 2 +375 (29) 394-82-48 ( Средне )
Схема проезда
г. Осиповичи ул. Короткая, 11 +375 (29) 165-60-07 ( Средне )
Схема проезда
г. Ошмяны ул. Льнозоводская 3 +375 (44) 770-80-91 ( Средне )
Схема проезда
г. Полоцк-2 ул. Шенягина, 52 +375 (29) 302-94-73 ( Средне )
Схема проезда
г. Полоцк-2 ул. Шенягина, 52 +375 (29) 302-94-73 ( Средне )
Схема проезда
г. Поставы ул. Советская, 69 +375 (44) 770-80-13 ( Средне )
Схема проезда
Диск сцепления нажимной (ведущий) 70-1601090
Диск сцепления нажимной (ведущий)
Каталожный номер 70-1601090
Производитель RCZP LTD RCZP LTD
Код 31285
Доставка по всей Беларуси
Доступность остатки на филиалах Остатки на филиалах
Остаток В наличии
Склад Адрес Контакт Остатки
г. Бобруйск ул. Орловского, 22к3 +375 (29) 345-37-07 ( Мало )
Схема проезда
г. Новогрудок ул. Индустриальная, 3 +375 (44) 729-39-19 ( Мало )
Схема проезда
г. Полоцк-2 ул. Шенягина, 52 +375 (29) 302-94-73 ( Мало )
Схема проезда
Диск сцепления фрикционный (ведомый) 320-1601130
Диск сцепления фрикционный (ведомый)
Каталожный номер 320-1601130
Производитель RSTA RSTA
Код 27286
Доставка по всей Беларуси
Доступность остатки на филиалах Остатки на филиалах
Остаток: г.Минск, ул.Селицкого 21к В наличии
Склад Адрес Контакт Остатки
г. Минск ул. Селицкого, 21к +375 (44) 770-80-78 ( Мало )
Схема проезда
г. Глубокое ул. Энгельса, 22 +375 (44) 505-71-40 ( Средне )
Схема проезда
г. Полоцк-2 ул. Шенягина, 52 +375 (29) 302-94-73 ( Мало )
Схема проезда