Республика Беларусь,
г. Минск, ул. Селицкого 21к - центральный склад
Пн-пт с 8:00 до 17:00
Меню
А.8х45.65Г Штифт
Наименование: Штифт А.8х45.65Г
Каталожный номер: А.8х45.65Г
Производитель: RSTA
Код товара: 00-ГР001896
Доставка: по всей Беларуси
Остаток: под заказ

Нашли не точность в описании товара? сообщить администратору.

+375 (44) 770-80-78 +375 (29) 747-80-78
* Выставить счет, получить техническую информацию и стоимость
Заказать деталь Онлайн
Описание
Наличие на филиалах
Применяемость
Заменить на СТО

13.10.20

Штифт А.8х45.65Г, А.8х45.65Г

  • Каталожный номер: А.8х45.65Г
  • Код товара  для заказа:  00-ГР001896
Марка Модель Кат.номер Наим. по каталогу Чертеж
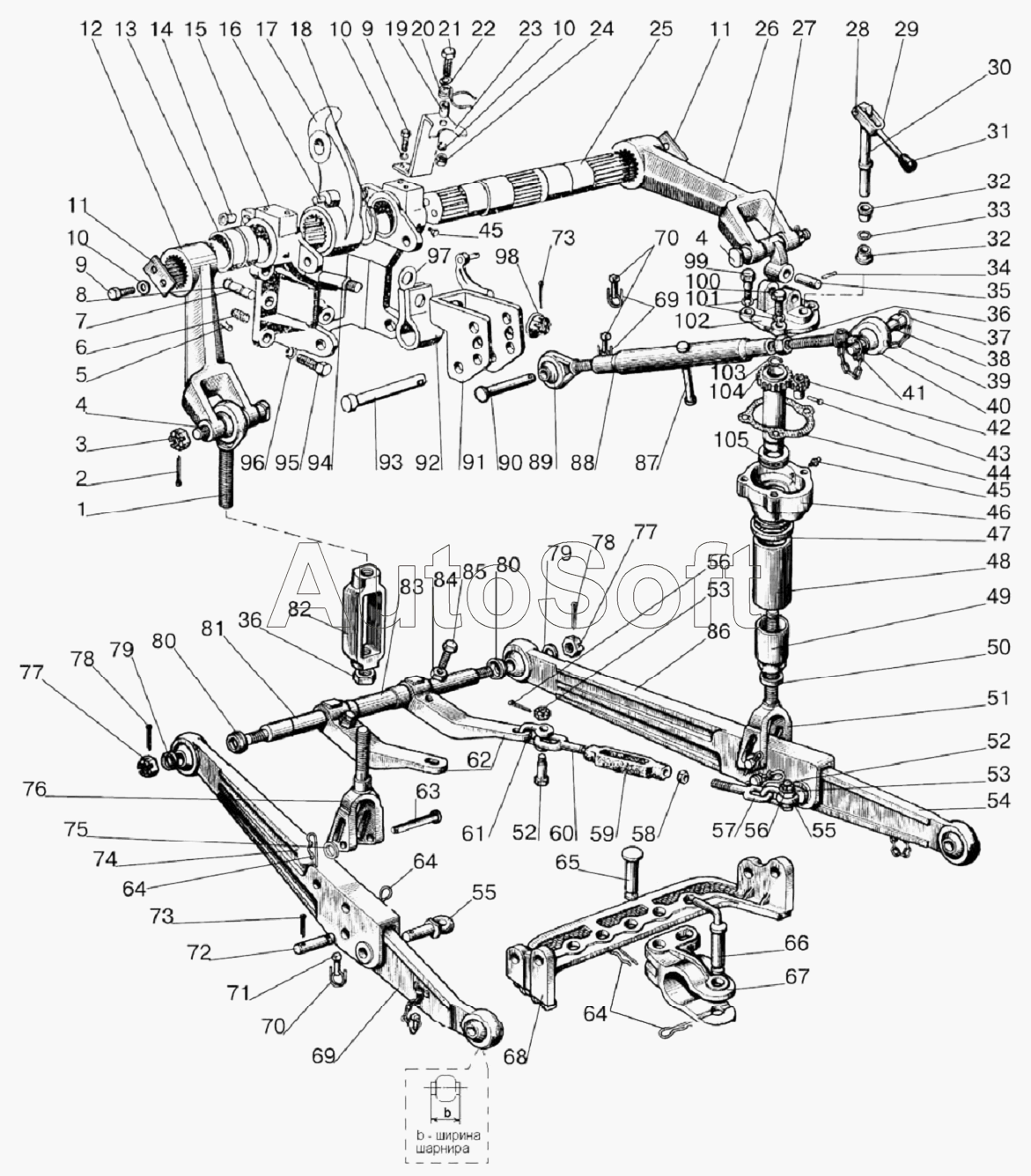
МТЗ МЛ-131 (2008) А.8х45.65Г Штифт Рукав
МТЗ МТЗ-821/921 (2009) А.8х45.65Г Штифт Вал внутренний. Вал промежуточный Чертеж Вал внутренний. Вал промежуточный
МТЗ МТЗ-900/920/950/952 (2009) А.8х45.65Г Штифт Вал промежуточный. Вал внутренний Чертеж Вал промежуточный. Вал внутренний
МТЗ МТЗ-900/920/950/952 (2009) А.8х45.65Г Штифт Механизм задней навески (для тракторов с силовым регулятором) Чертеж Механизм задней навески (для тракторов с силовым регулятором)
МТЗ МТЗ-920.4/952.4 (2009) А.8х45.65Г Штифт Вал промежуточный. Вал внутренний
МТЗ МТЗ-826 (2010) А.8х45.65Г Штифт Вал промежуточный. Вал внутренний Чертеж Вал промежуточный. Вал внутренний
МТЗ МТЗ-1523.4 (2010) А.8х45 65Г Штифт Корпус заднего моста, конечная передача
МТЗ МТЗ-1523.4 (2010) А.8Х45.65Г Штифт Переднее навесное устройство Чертеж Переднее навесное устройство
МТЗ МТЗ-2522 (2010) А.8х45.65Г Штифт Редуктор колесный
МТЗ МТЗ-1021.3 (2010) А.8х45.65Г Штифт Задний мост, дифференциал, конечные передачи Чертеж Задний мост, дифференциал, конечные передачи
МТЗ МТЗ-510/512, 520/522 (2010) А.8х45.65Г Штифт Вал внутренний. Вал промежуточный
МТЗ МТЗ-510/512, 520/522 (2010) А.8Х45.65Г Штифт Механизм задней навески (для тракторов с силовым регулятором и без силового регулятора) Чертеж Механизм задней навески (для тракторов с силовым регулятором и без силового регулятора)
МТЗ МТЗ-3522 (2011) ШтифтА.8х45.65Г Штифт А.8х45.65Г Редуктор колесный
МТЗ МТЗ-310, 320, 321 (2011) А.8х45.65Г Штифт Передний ведущий мост. Корпус и рукава переднего ведущего моста Чертеж Передний ведущий мост. Корпус и рукава переднего ведущего моста
МТЗ 622 (2012) А.8х45.65Г Штифт Устройство навесное заднее
МТЗ МТЗ-1221 (2009) (2009) А.8х45.65Г Штифт Задний мост. Дифференциал. Конечные передачи Чертеж Задний мост. Дифференциал. Конечные передачи
МТЗ 1220 (2011) А.8х45.65Г Штифт Задний мост. Дифференциал. Конечные передачи Чертеж Задний мост. Дифференциал. Конечные передачи
МТЗ 92П (2010) А.8х45.65Г Штифт Вал промежуточный. Вал внутренний Чертеж Вал промежуточный. Вал внутренний
МТЗ 892 (2011) А.8х45.65Г Штифт Вал промежуточный. Вал внутренний. Чертеж Вал промежуточный. Вал внутренний.
МТЗ 892 (2011) А.8х45.65Г Штифт Механизм задней навески (для тракторов с силовым регулятором) Чертеж Механизм задней навески (для тракторов с силовым регулятором)
Товары из этой категории
Шарнир 1220-3003020-А-01 (SP31520) левый в сборе FENOX SP31520
Шарнир 1220-3003020-А-01 (SP31520) левый в сборе FENOX
Каталожный номер SP31520
Производитель FENOX FENOX
Код 00-ГР025276
Доставка по всей Беларуси
Доступность остатки на филиалах Остатки на филиалах
Остаток: г.Минск, ул.Селицкого 21к В наличии
Склад Адрес Контакт Остатки
г. Минск ул. Селицкого, 21к +375 (44) 770-80-78 ( Средне )
Схема проезда
г. Березино ул. Комсомольская, д. 24 +375 (44) 770-80-17 ( Мало )
Схема проезда
г. Витебск ул. Правды, 33 +375 (44) 770-80-87 ( Мало )
Схема проезда
г. Гомель ул. Барыкина, 291Б +375 (44) 514-15-30 ( Мало )
Схема проезда
г. Ивацевичи ул. Загородная, 6А +375 (29) 188-59-01 ( Мало )
Схема проезда
г. Молодечно ул. Галицкого, 14 +375 (44) 567-28-47 ( Средне )
Схема проезда
г. Ошмяны ул. Льнозоводская 3 +375 (44) 770-80-91 ( Мало )
Схема проезда
г. Петриков ул. Первомайская, 124 +375 (33) 660-06-75 ( Мало )
Схема проезда
г. Полоцк-2 ул. Шенягина, 52 +375 (29) 302-94-73 ( Мало )
Схема проезда
г. Полоцк-2 ул. Шенягина, 52 +375 (29) 302-94-73 ( Мало )
Схема проезда
г. Солигорск Чижевичский сельсовет, 3Г +375 (29) 899-58-52 ( Мало )
Схема проезда
г. Столин ул. Быковского, 29 +375 (33) 304-54-36 ( Средне )
Схема проезда
Наконечник А35.32.000-А-01, 50-3003030-А (SP31500) рулевой тяги левый FENOX SP31500
Наконечник А35.32.000-А-01, 50-3003030-А (SP31500) рулевой тяги левый FENOX
Каталожный номер SP31500
Производитель FENOX FENOX
Код 00-ГР025273
Доставка по всей Беларуси
Доступность остатки на филиалах Остатки на филиалах
Остаток: г.Минск, ул.Селицкого 21к В наличии
Склад Адрес Контакт Остатки
г. Минск ул. Бабушкина, 37 +375 (29) 632-00-82 ( Средне )
Схема проезда
г. Минск ул. Селицкого, 21к +375 (44) 770-80-78 ( Средне )
Схема проезда
г. Дрогичин ул. Юбилейная, 42 +375 (29) 682-17-13 ( Мало )
Схема проезда
г. Дятлово ул. Советская ,104 +375 (29) 187-87-37 ( Мало )
Схема проезда
г. Житковичи ул. Комсомольская, 49 +375 (29) 394-82-52 ( Мало )
Схема проезда
г. Лунинец ул.Красная, 175а +375 (44) 721-46-74 ( Мало )
Схема проезда
г. Орша ул. Сергея Кирова, д. 34 +375 (44) 583-91-42 ( Мало )
Схема проезда
г. Полоцк-2 ул. Шенягина, 52 +375 (29) 302-94-73 ( Мало )
Схема проезда
г. Сморгонь ул. Железнодорожная, 32 +375 (29) 671-02-10 ( Мало )
Схема проезда
Насос левый шестеренный НШ14М-3Л
Насос левый шестеренный
Каталожный номер НШ14М-3Л
Производитель Гидросила Гидросила
Код 14487
Доставка по всей Беларуси
Доступность остатки на филиалах Остатки на филиалах
Остаток Под заказ
Палец 102-3405112 (L=148) длинный 102-3405112
Палец 102-3405112 (L=148) длинный
Каталожный номер 102-3405112
Производитель RSTA RSTA
Код 00-ГР031284
Доставка по всей Беларуси
Доступность остатки на филиалах Остатки на филиалах
Остаток: г.Минск, ул.Селицкого 21к В наличии
Склад Адрес Контакт Остатки
г. Минск ул. Селицкого, 21к +375 (44) 770-80-78 ( Много )
Схема проезда
г. Бобруйск ул. Орловского, 22к3 +375 (29) 345-37-07 ( Средне )
Схема проезда
г. Дрогичин ул. Юбилейная, 42 +375 (29) 682-17-13 ( Средне )
Схема проезда
г. Ивацевичи ул. Загородная, 6А +375 (29) 188-59-01 ( Мало )
Схема проезда
г. Полоцк-2 ул. Шенягина, 52 +375 (29) 302-94-73 ( Мало )
Схема проезда
Наконечник А35.32.000-А, 50-3003020-А (SP32500) рулевой тяги правый FENOX SP32500
Наконечник А35.32.000-А, 50-3003020-А (SP32500) рулевой тяги правый FENOX
Каталожный номер SP32500
Производитель FENOX FENOX
Код 00-ГР025270
Доставка по всей Беларуси
Доступность остатки на филиалах Остатки на филиалах
Остаток: г.Минск, ул.Селицкого 21к В наличии
Склад Адрес Контакт Остатки
г. Минск ул. Бабушкина, 37 +375 (29) 632-00-82 ( Средне )
Схема проезда
г. Минск ул. Селицкого, 21к +375 (44) 770-80-78 ( Средне )
Схема проезда
г. Дрогичин ул. Юбилейная, 42 +375 (29) 682-17-13 ( Мало )
Схема проезда
г. Дятлово ул. Советская ,104 +375 (29) 187-87-37 ( Мало )
Схема проезда
г. Житковичи ул. Комсомольская, 49 +375 (29) 394-82-52 ( Мало )
Схема проезда
г. Лунинец ул.Красная, 175а +375 (44) 721-46-74 ( Мало )
Схема проезда
г. Полоцк-2 ул. Шенягина, 52 +375 (29) 302-94-73 ( Мало )
Схема проезда
г. Сморгонь ул. Железнодорожная, 32 +375 (29) 671-02-10 ( Мало )
Схема проезда