Республика Беларусь,
г. Минск, ул. Селицкого 21к - центральный склад
Пн-пт с 8:00 до 17:00
Меню
870767 Штифт
Наименование: Штифт 870767
Каталожный номер: 870767
Производитель: КАМАЗ
Код товара: 00-ГР025495
Доставка: по всей Беларуси
Остаток: под заказ

Нашли не точность в описании товара? сообщить администратору.

+375 (44) 770-80-78 +375 (29) 747-80-78
* Выставить счет, получить техническую информацию и стоимость
Заказать деталь Онлайн
Описание
Наличие на филиалах
Применяемость
Заменить на СТО

Штифт 870767 производства КАМАЗ (РФ), Код для заказа: 00-ГР025495

Марка Модель Кат.номер Наим. по каталогу Чертеж
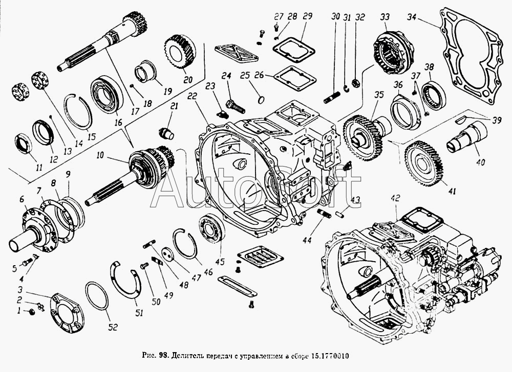
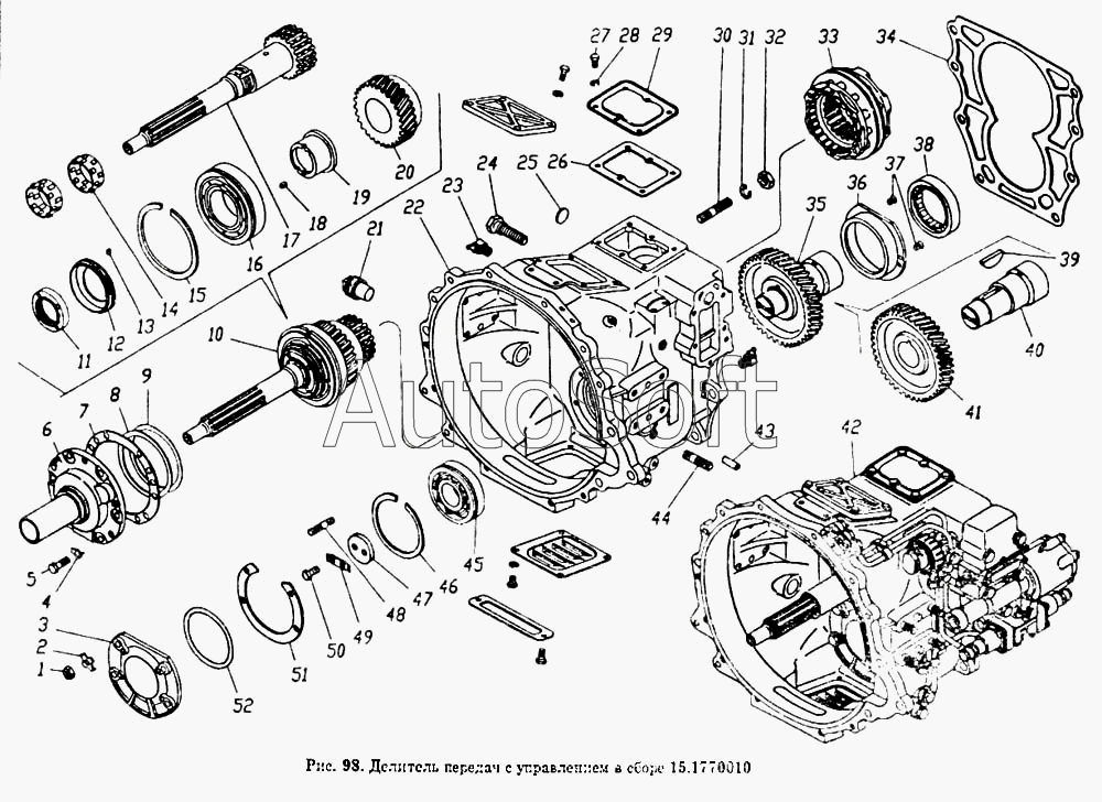
Камский автозавод 5320 870767 Штифт 4х12 Делитель передач с управлением в сборе
Камский автозавод 53212 870767 Штифт 4х12 Делитель передач с управлением в сборе Чертеж Делитель передач с управлением в сборе
Камский автозавод 5410 870767 Штифт 4х12 Делитель передач с управлением в сборе
Камский автозавод 54112 870767 Штифт 4х12 Делитель передач с управлением в сборе Чертеж Делитель передач с управлением в сборе
Камский автозавод 5511 (2003) 870767 Штифт 4х12 Делитель передач с управлением в сборе Чертеж Делитель передач с управлением в сборе
Камский автозавод 55102 870767 Штифт 4х12 Делитель передач с управлением в сборе
Камский автозавод Общий (5320, 53212, 5410, 54112, 5511, 55102) 870767 Штифт 4х12 Делитель передач с управлением в сборе Чертеж Делитель передач с управлением в сборе
Камский автозавод 65115 (2001) 870767 Штифт 4х12 Делитель передач с управление Чертеж Делитель передач с управление
Камский автозавод 6540 870767 Штифт 4х12 Вал первичный делителя передач в сборе Чертеж Вал первичный делителя передач в сборе
Камский автозавод 43118 (2002) 870767 Штифт 4х12 Вал первичный делителя передач
Камский автозавод 740.31-240 (Евро 2) (2004) 870767 Штифт 4х12 152.1770040 Вал первичный делителя передач Чертеж 152.1770040 Вал первичный делителя передач
Камский автозавод 6520 (Euro-2, 3) (2009) 870767 Штифт 4х12 7405.1118020 Корпус подшипников с подшипниками Чертеж 7405.1118020 Корпус подшипников с подшипниками
Камский автозавод 43261 (Евро-1, 2) (2007) 870767 Штифт 4х12 152.1770040 Вал первичный делителя передач
Камский автозавод 43253 (Часть-1) (2011) 870767 Штифт 4х12 152.1770040 Вал первичный делителя передач
Камский автозавод 6460 (Евро 4) (2013) 870767 Штифт 4х12 740.60-1004065 Установка форсунки охлаждения поршня Чертеж 740.60-1004065 Установка форсунки охлаждения поршня
Камский автозавод 65115 (Евро-3) (2013) 870767 Штифт 4х12 7405.1118020 Корпус подшипников с подшипниками Чертеж 7405.1118020 Корпус подшипников с подшипниками
Камский автозавод 53229 (Евро 2) (2010) 870767 Штифт 4х12 7405.1118020 Корпус подшипников с подшипниками Чертеж 7405.1118020 Корпус подшипников с подшипниками
Камский автозавод 53229 (Евро 2) (2010) 870767 Штифт 4х12 152.1770040 Вал первичный делителя передач Чертеж 152.1770040 Вал первичный делителя передач
Камский автозавод 65111 (Евро 4) (2012) 870767 Штифт 4х12 740.60-1004065 Установка форсунки охлаждения поршня Чертеж 740.60-1004065 Установка форсунки охлаждения поршня
ЗИЛ ЗИЛ-133ГЯ 870767-П2 Штифт стопорный маслонагнетающего кольца Валы и шестерни десятиступенчатой коробки передач Чертеж Валы и шестерни десятиступенчатой коробки передач
Товары из этой категории
Шестерня 154-1770050
Шестерня
Каталожный номер 154-1770050
Производитель РФ РФ
Код 35732
Доставка по всей Беларуси
Доступность остатки на филиалах Остатки на филиалах
Остаток Под заказ
Сальник 14-1701238
Сальник
Каталожный номер 14-1701238
Производитель БРТ БРТ
Код 11265
Доставка по всей Беларуси
Доступность остатки на филиалах Остатки на филиалах
Остаток В наличии
Склад Адрес Контакт Остатки
г. Брест Тельминский с/с, 1Д/1, 1 км южнее д. Тельмы-2 +375 (44) 599-90-75 ( Средне )
Схема проезда
г. Мозырь промузел Козенки +375 (44) 731-94-60 ( Мало )
Схема проезда
г. Орша ул. Сергея Кирова, д. 34 +375 (44) 583-91-42 ( Мало )
Схема проезда
г. Осиповичи ул. Короткая, 11 +375 (29) 165-60-07 ( Средне )
Схема проезда
г. Пинск ул. Калиновского 32 +375 (44) 560-99-59 ( Средне )
Схема проезда
г. Слоним ул. Советская, 93а +375 (29) 394-82-01 ( Средне )
Схема проезда
г. Слуцк ул. Тутаринова, 8 +375 (29) 346-06-90 ( Мало )
Схема проезда
Сальник 14-1701230
Сальник
Каталожный номер 14-1701230
Производитель БРТ БРТ
Код 11517
Доставка по всей Беларуси
Доступность остатки на филиалах Остатки на филиалах
Остаток: г.Минск, ул.Селицкого 21к В наличии
Склад Адрес Контакт Остатки
г. Минск ул. Селицкого, 21к +375 (44) 770-80-78 ( Много )
Схема проезда
г. Бобруйск ул. Орловского, 22к3 +375 (29) 345-37-07 ( Средне )
Схема проезда
г. Брест Тельминский с/с, 1Д/1, 1 км южнее д. Тельмы-2 +375 (44) 599-90-75 ( Средне )
Схема проезда
г. Горки ул.Мира, д.51а/1 +375 (44) 565-33-61 ( Мало )
Схема проезда
г. Дрогичин ул. Юбилейная, 42 +375 (29) 682-17-13 ( Мало )
Схема проезда
г. Кричев ул. Комсомольская, 126 +375 (29) 628-88-42 ( Мало )
Схема проезда
г. Мозырь промузел Козенки +375 (44) 731-94-60 ( Средне )
Схема проезда
г. Молодечно ул. Галицкого, 14 +375 (44) 567-28-47 ( Мало )
Схема проезда
г. Орша ул. Сергея Кирова, д. 34 +375 (44) 583-91-42 ( Мало )
Схема проезда
г. Осиповичи ул. Короткая, 11 +375 (29) 165-60-07 ( Средне )
Схема проезда
г. Пинск ул. Калиновского 32 +375 (44) 560-99-59 ( Мало )
Схема проезда
г. Слоним ул. Советская, 93а +375 (29) 394-82-01 ( Средне )
Схема проезда
г. Слуцк ул. Тутаринова, 8 +375 (29) 346-06-90 ( Средне )
Схема проезда
К-т прокладок КПП КАМАЗ 14-1700001-01
К-т прокладок КПП КАМАЗ
Каталожный номер 14-1700001-01
Производитель RSTA RSTA
Код 16039
Доставка по всей Беларуси
Доступность остатки на филиалах Остатки на филиалах
Остаток: г.Минск, ул.Селицкого 21к В наличии
Склад Адрес Контакт Остатки
г. Минск ул. Селицкого, 21к +375 (44) 770-80-78 ( Мало )
Схема проезда
г. Лельчицы ул. Советская, д.96/1 +375 (29) 346-98-96 ( Мало )
Схема проезда
г. Ошмяны ул. Льнозоводская 3 +375 (44) 770-80-91 ( Мало )
Схема проезда