Республика Беларусь,
г. Минск, ул. Селицкого 21к - центральный склад
Пн-пт с 8:00 до 17:00
Меню
85-1702305 Штифт
Наименование: Штифт 85-1702305
Каталожный номер: 85-1702305
Производитель: RSTA
Код товара: 00-ГР001893
Доставка: по всей Беларуси
Остаток: под заказ

Нашли не точность в описании товара? сообщить администратору.

+375 (44) 770-80-78 +375 (29) 747-80-78
* Выставить счет, получить техническую информацию и стоимость
Заказать деталь Онлайн
Описание
Наличие на филиалах
Применяемость
Заменить на СТО

13.10.20

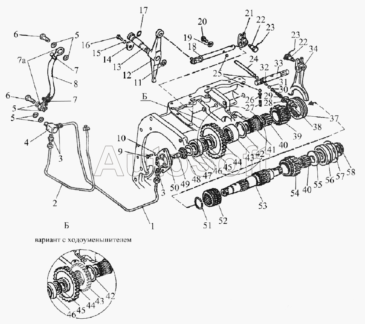
Штифт 85-1702305 производства RSTA (РФ), Код для заказа: 00-ГР001893

Марка Модель Кат.номер Наим. по каталогу Чертеж
МТЗ МТЗ-1221 (1997) 85-1702305 Штифт Вал пониженных передач
МТЗ МТЗ-1523 85-1702305 Штифт Вал пониженных передач
МТЗ МТЗ-1523 85-1702305 Штифт Вал пониженных передач и заднего хода
МТЗ МТЗ-1522 (2008) 85-1702305 Штифт Вал пониженных передач
МТЗ МТЗ-1522 (2008) 85-1702305 Штифт Вал пониженных передач и заднего хода
МТЗ МТЗ-1005 (2008) 85-1702305 Штифт Вал пониженных передач
МТЗ МЛ-131 (2008) 85-1702305 Штифт Коробка передач. Вал пониженных передач Чертеж Коробка передач. Вал пониженных передач
МТЗ МТЗ-1222/1523 (2009) 85-1702305 Штифт Вал пониженных передач и заднего хода
МТЗ МТЗ-2022 (2010) 85-1702305 Штифт Вал пониженных передач и заднего хода
МТЗ МТЗ-1523.4 (2010) 85-1702305 Штифт Вал пониженных передач
МТЗ МТЗ-1523.4 (2010) 85-1702305 Штифт Вал пониженных передач и заднего хода
МТЗ МТЗ-1025.4 (2009) 85-1702305 Штифт Вал пониженных передач
МТЗ МТЗ-2103 (2010) 2022-1702305 Штифт Коробка передач Чертеж Коробка передач
МТЗ МТЗ-1221 (2009) (2009) 85-1702305 Штифт Вал пониженных передач Чертеж Вал пониженных передач
МТЗ МТЗ-1221 (2009) (2009) 85-1702305 Штифт Коробка передач. Вал пониженных передач и заднего хода (24F+12R) Чертеж Коробка передач. Вал пониженных передач и заднего хода (24F+12R)
МТЗ МЛПТ-344 (2011) 85-1702305 Штифт Коробка передач – Вал пониженных передач. Вал. Стакан Чертеж Коробка передач – Вал пониженных передач. Вал. Стакан
МТЗ 1220 (2011) 85-1702305 Штифт Вал пониженных передач (16F+8R)
МТЗ 1220 (2011) 85-1702305 Штифт Вал пониженных передач и заднего хода (24F+12R) Чертеж Вал пониженных передач и заднего хода (24F+12R)
МТЗ 1502 (2012) 2022-1702305 Штифт Коробка передач Чертеж Коробка передач
ГАЗ ГАЗ-3111 (2004) 3111-1702305 Поводок Картер задний коробки передач, механизм переключения передач
Товары из этой категории
Комплект прокладок КПП МТЗ-1221 (15 позиций) GBC РК 52
Комплект прокладок КПП МТЗ-1221 (15 позиций) GBC
Каталожный номер РК 52
Производитель ГБЦ ГБЦ
Код 00-ГР031940
Доставка по всей Беларуси
Доступность остатки на филиалах Остатки на филиалах
Остаток Под заказ
Шестерня 50-1701218 5-ой пер. и з/х (Z=38/19) АГРОТЭК 50-1701218
Шестерня 50-1701218 5-ой пер. и з/х (Z=38/19) АГРОТЭК
Каталожный номер 50-1701218
Производитель АГРОТЭК АГРОТЭК
Код 00-ГР022958
Доставка по всей Беларуси
Доступность остатки на филиалах Остатки на филиалах
Остаток: г.Минск, ул.Селицкого 21к В наличии
Склад Адрес Контакт Остатки
г. Минск ул. Селицкого, 21к +375 (44) 770-80-78 ( Средне )
Схема проезда
г. Дрогичин ул. Юбилейная, 42 +375 (29) 682-17-13 ( Мало )
Схема проезда
г. Ивацевичи ул. Загородная, 6А +375 (29) 188-59-01 ( Мало )
Схема проезда
г. Лепель ул. Лобанка, 43 +375 (44) 778-65-21 ( Мало )
Схема проезда
г. Молодечно ул. Галицкого, 14 +375 (44) 567-28-47 ( Мало )
Схема проезда
г. Ошмяны ул. Льнозоводская 3 +375 (44) 770-80-91 ( Мало )
Схема проезда
г. Полоцк-2 ул. Шенягина, 52 +375 (29) 302-94-73 ( Мало )
Схема проезда
г. Полоцк-2 ул. Шенягина, 52 +375 (29) 302-94-73 ( Мало )
Схема проезда
г. Поставы ул. Советская, 69 +375 (44) 770-80-13 ( Мало )
Схема проезда
г. Столин ул. Быковского, 29 +375 (33) 304-54-36 ( Мало )
Схема проезда
Вал 50-1701185 внутренний АМ 50-1701185
Вал 50-1701185 внутренний АМ
Каталожный номер 50-1701185
Производитель Автомагнат Автомагнат
Код 00-ГР021627
Доставка по всей Беларуси
Доступность остатки на филиалах Остатки на филиалах
Остаток: г.Минск, ул.Селицкого 21к В наличии
Склад Адрес Контакт Остатки
г. Минск ул. Селицкого, 21к +375 (44) 770-80-78 ( Средне )
Схема проезда
г. Глубокое ул. Энгельса, 22 +375 (44) 505-71-40 ( Мало )
Схема проезда
г. Дрогичин ул. Юбилейная, 42 +375 (29) 682-17-13 ( Мало )
Схема проезда
г. Лунинец ул.Красная, 175а +375 (44) 721-46-74 ( Мало )
Схема проезда
Синхронизатор вала первичного 74-1701060
Синхронизатор вала первичного
Каталожный номер 74-1701060
Производитель RSTA RSTA
Код 16667
Доставка по всей Беларуси
Доступность остатки на филиалах Остатки на филиалах
Остаток: г.Минск, ул.Селицкого 21к В наличии
Склад Адрес Контакт Остатки
г. Минск ул. Селицкого, 21к +375 (44) 770-80-78 ( Средне )
Схема проезда
г. Глубокое ул. Энгельса, 22 +375 (44) 505-71-40 ( Мало )
Схема проезда
г. Горки ул.Мира, д.51а/1 +375 (44) 565-33-61 ( Мало )
Схема проезда
г. Дятлово ул. Советская ,104 +375 (29) 187-87-37 ( Средне )
Схема проезда
г. Кричев ул. Комсомольская, 126 +375 (29) 628-88-42 ( Мало )
Схема проезда
г. Лельчицы ул. Советская, д.96/1 +375 (29) 346-98-96 ( Мало )
Схема проезда
г. Молодечно ул. Галицкого, 14 +375 (44) 567-28-47 ( Средне )
Схема проезда
г. Несвиж ул. Кутузова, 2 +375 (29) 394-82-48 ( Мало )
Схема проезда
г. Новогрудок ул. Индустриальная, 3 +375 (44) 729-39-19 ( Мало )
Схема проезда
г. Полоцк-2 ул. Шенягина, 52 +375 (29) 302-94-73 ( Мало )
Схема проезда
г. Полоцк-2 ул. Шенягина, 52 +375 (29) 302-94-73 ( Мало )
Схема проезда
г. Столин ул. Быковского, 29 +375 (33) 304-54-36 ( Мало )
Схема проезда
Шестерня 1-й передачи и заднего хода 50-1701212 А
Шестерня 1-й передачи и заднего хода
Каталожный номер 50-1701212 А
Производитель RSTA RSTA
Код 11713
Доставка по всей Беларуси
Доступность остатки на филиалах Остатки на филиалах
Остаток В наличии
Склад Адрес Контакт Остатки
г. Глубокое ул. Энгельса, 22 +375 (44) 505-71-40 ( Мало )
Схема проезда
г. Ивацевичи ул. Загородная, 6А +375 (29) 188-59-01 ( Мало )
Схема проезда
г. Несвиж ул. Кутузова, 2 +375 (29) 394-82-48 ( Мало )
Схема проезда
г. Поставы ул. Советская, 69 +375 (44) 770-80-13 ( Мало )
Схема проезда
г. Столин ул. Быковского, 29 +375 (33) 304-54-36 ( Мало )
Схема проезда
Вал 74-1721113 74-1721113
Вал 74-1721113
Каталожный номер 74-1721113
Производитель БЗТДиА БЗТДиА
Код 00-ГР010966
Доставка по всей Беларуси
Доступность остатки на филиалах Остатки на филиалах
Остаток: г.Минск, ул.Селицкого 21к В наличии
Склад Адрес Контакт Остатки
г. Минск ул. Селицкого, 21к +375 (44) 770-80-78 ( Средне )
Схема проезда
Шестерня 50-1701048А 4,5 передач (Z=27/24) АМ 50-1701048
Шестерня 50-1701048А 4,5 передач (Z=27/24) АМ
Каталожный номер 50-1701048
Производитель Автомагнат Автомагнат
Код 00-ГР021624
Доставка по всей Беларуси
Доступность остатки на филиалах Остатки на филиалах
Остаток Под заказ
Рычаг 74-1723140 ВЗТЗЧ 74-1723140
Рычаг 74-1723140 ВЗТЗЧ
Каталожный номер 74-1723140
Производитель ВЗТЗЧ ВЗТЗЧ
Код 00-ГР025102
Доставка по всей Беларуси
Доступность остатки на филиалах Остатки на филиалах
Остаток Под заказ