Республика Беларусь,
г. Минск, ул. Селицкого 21к - центральный склад
Пн-пт с 8:00 до 17:00
Меню
258013-П29 Шплинт 2х16 оси педалей (упак-50шт.)
Наименование: Шплинт 258013-П29 2х16 оси педалей (упак-50шт.)
Каталожный номер: 258013-П29
Производитель: RSTA
Код товара: 00-ГР010285
Доставка: по всей Беларуси
Остаток: под заказ

Нашли не точность в описании товара? сообщить администратору.

+375 (44) 770-80-78 +375 (29) 747-80-78
* Выставить счет, получить техническую информацию и стоимость
Заказать деталь Онлайн
Описание
Наличие на филиалах
Применяемость
Заменить на СТО

Шплинт 258013-П29 2х16 оси педалей (упак-50шт.) производства RSTA (РФ), Код для заказа: 00-ГР010285

Марка Модель Кат.номер Наим. по каталогу Чертеж
ГАЗ ГАЗ-14 (Чайка) (1980) 258013-П29 Шплинт 2х16 ОСТ 37.001.171-93 Замок, ручки и фиксатор передней двери
ГАЗ ГАЗ-14 (Чайка) (1980) 258013-П29 Шплинт 2х16 ОСТ 37.001.171-93 Педаль и привод механизма управления тормозами, главный цилиндр тормозов, вакуумный усилитель тормозов Чертеж Педаль и привод механизма управления тормозами, главный цилиндр тормозов, вакуумный усилитель тормозов
ГАЗ ГАЗ-24 258013-П29 Шплинт 2х16 ОСТ 37.001.171-93 Привод выключения сцепления Чертеж Привод выключения сцепления
ГАЗ ГАЗ-24 258013-П29 Шплинт 2х16 ОСТ 37.001.171-93 Рулевые тяги Чертеж Рулевые тяги
ГАЗ ГАЗ-24-10 (1995) 258013-П29 Шплинт 2х16 ОСТ 37.001.171-93 Педаль сцепления и тормоза, привод механизма управления тормозами
ГАЗ ГАЗ-3102 (2000) 258013-П29 Шплинт 2х16 ОСТ 37.001.171-93 Акселератор
ГАЗ ГАЗ-3102 (2000) 258013-П29 Шплинт 2х16 ОСТ 37.001.171-93 Педаль сцепления и тормоза, привод механизма управления тормозами Чертеж Педаль сцепления и тормоза, привод механизма управления тормозами
ГАЗ ГАЗ-31029 258013-П29 Шплинт 2х16 ОСТ 37.001.171-93 Акселератор
ГАЗ ГАЗ-31029 258013-П29 Шплинт 2х16 ОСТ 37.001.171-93 Педаль сцепления и тормоза, привод механизма управления тормозами
ГАЗ ГАЗ-3105 (1996) 258013-П29 Шплинт 2х16 ОСТ 37.001.171-93 Акселератор Чертеж Акселератор
ГАЗ ГАЗ-3110 258013-П29 Шплинт 2х16 ОСТ 37.001.171-93 Привод воздушной дроссельной заслонки двигателя ЗМЗ-4062.10, педаль акселератора
ГАЗ ГАЗ-3110 258013-П29 Шплинт 2х16 ОСТ 37.001.171-93 Привод дроссельных и воздушной заслонок карбюратора двигателей ЗМЗ-402.10 и ЗМЗ-4021.10, педаль акселератора, выключатель сигнализатора прикрытия воздушной заслонки
ГАЗ ГАЗ-3110 258013-П29 Шплинт 2х16 ОСТ 37.001.171-93 Педали тормоза и сцепления, кронштейн педалей, выключатель сигнала торможения Чертеж Педали тормоза и сцепления, кронштейн педалей, выключатель сигнала торможения
ГАЗ ГАЗ-3302 (ГАЗель) 258013-П29 Шплинт 2х16 ОСТ 37.001.171-93 Акселератор
ГАЗ ГАЗ-2705 (ГАЗель) (2000) 258013-П29 Шплинт 2х16 ОСТ 37.001.171-93 Привод дроссельных и воздушной заслонок карбюратора
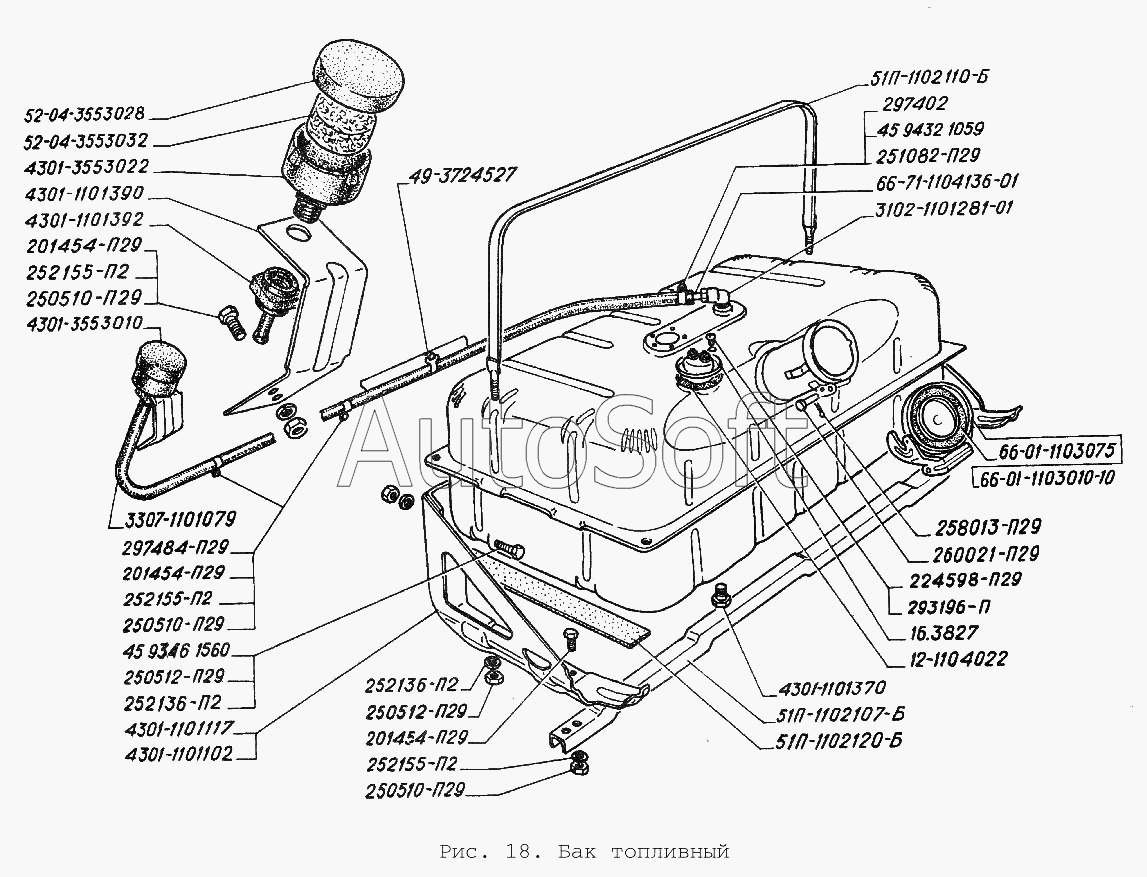
ГАЗ ГАЗ-3306 (1994) 258013-П29 Шплинт 2х16 ОСТ 37.001.171-93 Бак топливный Чертеж Бак топливный
ГАЗ ГАЗ-3306 (1994) 258013-П29 Шплинт 2х16 ОСТ 37.001.171-93 Акселератор (управления подачей топлива) Чертеж Акселератор (управления подачей топлива)
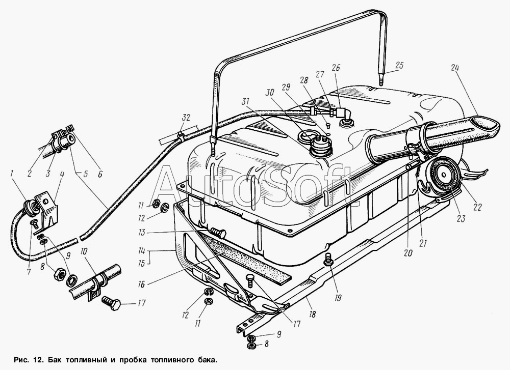
ГАЗ ГАЗ-3307 (2000) 258013-П29 Шплинт 2х16 ОСТ 37.001.171-93 Бак топливный и пробка топливного бака Чертеж Бак топливный и пробка топливного бака
ГАЗ ГАЗ-3307 (2000) 258013-П29 Шплинт 2х16 ОСТ 37.001.171-93 Акселератор (управление подачей топлива)
ГАЗ ГАЗ-4301 258013-П29 Шплинт 2х16 ОСТ 37.001.171-93 Бак топливный Чертеж Бак топливный
Товары из этой категории
Бак топливный 105л ГАЗ-3307 4301-1101010
Бак топливный 105л ГАЗ-3307
Каталожный номер 4301-1101010
Производитель Автотехнология Автотехнология
Код 10643
Доставка по всей Беларуси
Доступность остатки на филиалах Остатки на филиалах
Остаток: г.Минск, ул.Селицкого 21к В наличии
Склад Адрес Контакт Остатки
г. Минск ул. Селицкого, 21к +375 (44) 770-80-78 ( Средне )
Схема проезда
г. Витебск ул. Правды, 33 +375 (44) 770-80-87 ( Мало )
Схема проезда
г. Полоцк-2 ул. Шенягина, 52 +375 (29) 302-94-73 ( Мало )
Схема проезда
Трос газа RG3309-1108050-2 572мм.RIGINAL 3309-1108050-2
Трос газа RG3309-1108050-2 572мм.RIGINAL
Каталожный номер 3309-1108050-2
Производитель RIGINAL RIGINAL
Код 00-ГР032727
Доставка по всей Беларуси
Доступность остатки на филиалах Остатки на филиалах
Остаток: г.Минск, ул.Селицкого 21к В наличии
Склад Адрес Контакт Остатки
г. Минск ул. Селицкого, 21к +375 (44) 770-80-78 ( Средне )
Схема проезда
г. Гродно ул. Карского, 35 +375 (44) 770-70-21 ( Мало )
Схема проезда
г. Житковичи ул. Комсомольская, 49 +375 (29) 394-82-52 ( Мало )
Схема проезда
Ремкомплект карбюратора К-151 PEKAR  К151-1107910
Ремкомплект карбюратора К-151 PEKAR
Каталожный номер К151-1107910
Производитель PEKAR PEKAR
Код 00-ГР019669
Доставка по всей Беларуси
Доступность остатки на филиалах Остатки на филиалах
Остаток Под заказ
Регулятор холостого хода (РХХ-60) 406-1147051
Регулятор холостого хода (РХХ-60)
Каталожный номер 406-1147051
Производитель RSTA RSTA
Код 29687
Доставка по всей Беларуси
Доступность остатки на филиалах Остатки на филиалах
Остаток: г.Минск, ул.Селицкого 21к В наличии
Склад Адрес Контакт Остатки
г. Минск ул. Селицкого, 21к +375 (44) 770-80-78 ( Мало )
Схема проезда
г. Витебск ул. Правды, 33 +375 (44) 770-80-87 ( Мало )
Схема проезда
г. Гомель ул. Барыкина, 291Б +375 (44) 514-15-30 ( Мало )
Схема проезда
г. Гродно ул. Карского, 35 +375 (44) 770-70-21 ( Мало )
Схема проезда
г. Дятлово ул. Советская ,104 +375 (29) 187-87-37 ( Мало )
Схема проезда
г. Мозырь промузел Козенки +375 (44) 731-94-60 ( Мало )
Схема проезда
г. Новогрудок ул. Индустриальная, 3 +375 (44) 729-39-19 ( Мало )
Схема проезда
г. Полоцк-2 ул. Шенягина, 52 +375 (29) 302-94-73 ( Мало )
Схема проезда
г. Слоним ул. Советская, 93а +375 (29) 394-82-01 ( Мало )
Схема проезда
Трос газа УАЗ-3741 (Двигатель 409) 200см 220695-1108050
Трос газа УАЗ-3741 (Двигатель 409) 200см
Каталожный номер 220695-1108050
Производитель Автотрос Автотрос
Код 25513
Доставка по всей Беларуси
Доступность остатки на филиалах Остатки на филиалах
Остаток: г.Минск, ул.Селицкого 21к В наличии
Склад Адрес Контакт Остатки
г. Минск ул. Селицкого, 21к +375 (44) 770-80-78 ( Средне )
Схема проезда
г. Березино ул. Комсомольская, д. 24 +375 (44) 770-80-17 ( Мало )
Схема проезда
г. Борисов ул. Демина, 2а +375 (44) 560-99-75 ( Мало )
Схема проезда
г. Витебск ул. Правды, 33 +375 (44) 770-80-87 ( Мало )
Схема проезда
г. Глубокое ул. Энгельса, 22 +375 (44) 505-71-40 ( Мало )
Схема проезда
г. Дрогичин ул. Юбилейная, 42 +375 (29) 682-17-13 ( Мало )
Схема проезда
г. Дятлово ул. Советская ,104 +375 (29) 187-87-37 ( Мало )
Схема проезда
г. Ивацевичи ул. Загородная, 6А +375 (29) 188-59-01 ( Мало )
Схема проезда
г. Молодечно ул. Галицкого, 14 +375 (44) 567-28-47 ( Мало )
Схема проезда
г. Новогрудок ул. Индустриальная, 3 +375 (44) 729-39-19 ( Мало )
Схема проезда
г. Осиповичи ул. Короткая, 11 +375 (29) 165-60-07 ( Средне )
Схема проезда
г. Ошмяны ул. Льнозоводская 3 +375 (44) 770-80-91 ( Мало )
Схема проезда
г. Полоцк-2 ул. Шенягина, 52 +375 (29) 302-94-73 ( Мало )
Схема проезда
г. Полоцк-2 ул. Шенягина, 52 +375 (29) 302-94-73 ( Средне )
Схема проезда
г. Слоним ул. Советская, 93а +375 (29) 394-82-01 ( Мало )
Схема проезда
г. Сморгонь ул. Железнодорожная, 32 +375 (29) 671-02-10 ( Мало )
Схема проезда