Республика Беларусь,
г. Минск, ул. Селицкого 21к - центральный склад
Пн-пт с 8:00 до 17:00
Меню
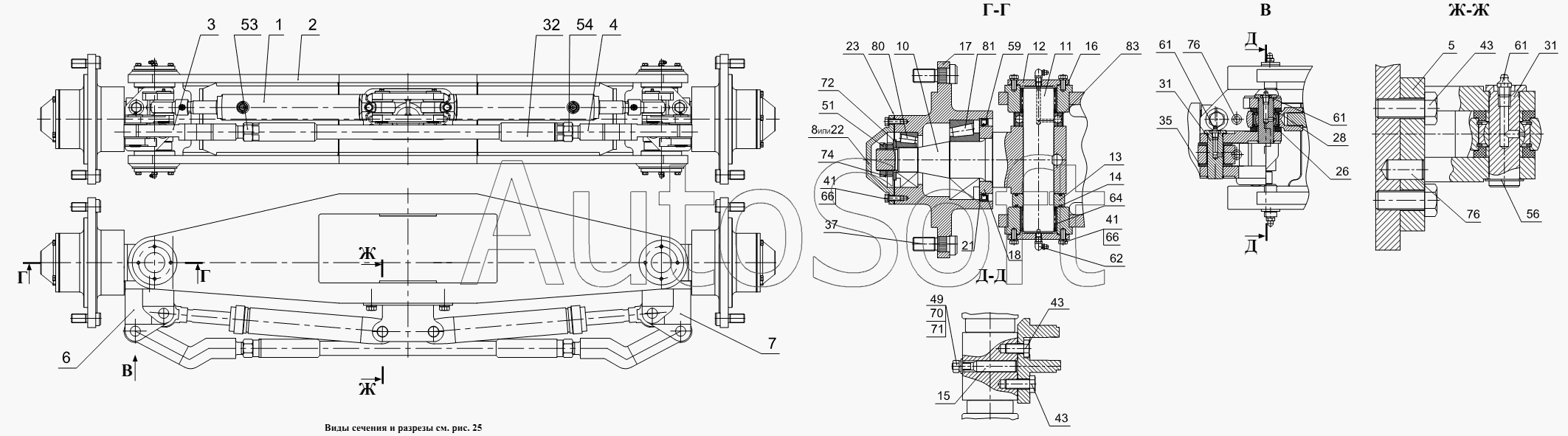
У2210.20Н-2-03.301 Шпилька (А) в гидромост (без гайки)
Наименование: Шпилька У2210.20Н-2-03.301 (А) в гидромост (без гайки)
Каталожный номер: У2210.20Н-2-03.301
Производитель: РБ
Код товара: 44621
Доставка: по всей Беларуси
Остаток: под заказ

Нашли не точность в описании товара? сообщить администратору.

+375 (44) 770-80-78 +375 (29) 747-80-78
* Выставить счет, получить техническую информацию и стоимость
Заказать деталь Онлайн
Описание
Наличие на филиалах
Применяемость
Заменить на СТО

Шпилька У2210.20Н-2-03.301 (А) в гидромост (без гайки) производства РБ (РБ), Код для заказа: 44621

Марка Модель Кат.номер Наим. по каталогу Чертеж
Амкодор Амкодор-352 (2006) У2210.20Н-2-03.301 Стержень Установка мостов и колес 350.05.00.000 Чертеж Установка мостов и колес 350.05.00.000
Амкодор Амкодор-342В (ТО-18А) (2006) У2210.20Н-2-03.301 Стержень Установка мостов и колес ТО-28А.35.00.000 Чертеж Установка мостов и колес ТО-28А.35.00.000
Амкодор Амкодор-342С (2006) У2210.20Н-2-03.301 Стержень Установка мостов и колес ТО-28А.35.00.000
Амкодор Амкодор-351 (2006) У2210.20Н-2-03.301 Стержень ТО-350.05.00.000 Установка мостов и колес Чертеж ТО-350.05.00.000 Установка мостов и колес
Амкодор Амкодор-352C (2006) У2210.20Н-2-03.301 Стержень 350.05.00.000 Установка мостов и колес
Амкодор Амкодор-332B, 332B4 (2008) У2210.20Н-2-03.301 Стержень Ведущий мост 342.05.01.000-01, 342.05.01.000-02 Чертеж Ведущий мост 342.05.01.000-01, 342.05.01.000-02
Амкодор Амкодор-342В, 342С4, 342Р (2008) У2210.20Н-2-03.301 Стержень Ведущий мост 342.05.01.000-01, 342.05.01.000-02 Чертеж Ведущий мост 342.05.01.000-01, 342.05.01.000-02
Амкодор Амкодор-342В, 342С4, 342Р (2008) У2210.20Н-2-03.301 Стержень Ведущий мост 342Р.05.01.000
Амкодор Амкодор-342В, 342С4, 342Р (2010) У2210.20Н-2-03.301 Стержень Ведущий мост 342.05.01.000-01, 342.05.01.000-02 Чертеж Ведущий мост 342.05.01.000-01, 342.05.01.000-02
Амкодор Амкодор-342В, 342С4, 342Р (2010) У2210.20Н-2-03.301 Стержень Ведущий мост 342Р.05.01.000 Чертеж Ведущий мост 342Р.05.01.000
Амкодор Амкодор-352 (352C, 352Л) (2008) У2210.20Н-2-03.301 Стержень Ведущий мост 342.05.01.000-01
Амкодор Амкодор-2243В (2012) У2210.20Н-2-03.301 Стержень 2241.05.03.000-01 Мост ведущий Чертеж 2241.05.03.000-01 Мост ведущий
Амкодор Амкодор-2661-01 (2011) У2210.20Н-2-03.301 Стержень Ведущий мост 342.05.01.000-01 Чертеж Ведущий мост 342.05.01.000-01
Амкодор Мосты ведущие серии 342 (2015) У2210.20Н-2-03.301 Стержень Редуктор колёсный 25Н.23.05.000, 25Н.23.05.000-Б Чертеж Редуктор колёсный 25Н.23.05.000, 25Н.23.05.000-Б
Амкодор Мосты ведущие серии 342 (2015) У2210.20Н-2-03.301 Стержень Колёсная передача 342.05.05.000 Чертеж Колёсная передача 342.05.05.000
Амкодор Амкодор-2541 (2013) У2210.20Н-2-03.301 Стержень 342.05.05.000 Колёсная передача
Амкодор Амкодор-451A(2011) (2011) У2210.20Н-2-03.301 Стержень Мост ведущий 451.16.00.000-02, 451.16.00.000-02-01 Чертеж Мост ведущий 451.16.00.000-02, 451.16.00.000-02-01
Амкодор Амкодор-451A(2011) (2011) У2210.20Н-2-03.301-01 Стержень Мост управляемый 451А.20.20.000-01-А Чертеж Мост управляемый 451А.20.20.000-01-А
Амкодор Амкодор-352-10 (2010) У2210.20Н-2-03.301 Стержень Ведущий мост 342.05.01.000-01, 342.05.01.000-05
Амкодор Амкодор-352 (2008) У2210.20Н-2-03.301 Стержень ТО-350.05.00.000 Установка мостов и колес
Товары из этой категории
Ось 6430-5001686 МАЗ 6430-5001686
Ось 6430-5001686 МАЗ
Каталожный номер 6430-5001686
Производитель МАЗ МАЗ
Код 00-ГР016697
Доставка по всей Беларуси
Доступность остатки на филиалах Остатки на филиалах
Остаток Под заказ
Цилиндр подъема кабины 181.5003010-01 (HC005) FENOX HC005
Цилиндр подъема кабины 181.5003010-01 (HC005) FENOX
Каталожный номер HC005
Производитель FENOX FENOX
Код 00-ГР011988
Доставка по всей Беларуси
Доступность остатки на филиалах Остатки на филиалах
Остаток: г.Минск, ул.Селицкого 21к В наличии
Склад Адрес Контакт Остатки
г. Минск ул. Селицкого, 21к +375 (44) 770-80-78 ( Средне )
Схема проезда
г. Барановичи ул. Пролетарская, 40 +375 (29) 795-96-37 ( Мало )
Схема проезда
г. Бобруйск ул. Орловского, 22к3 +375 (29) 345-37-07 ( Мало )
Схема проезда
г. Гомель ул. Барыкина, 291Б +375 (44) 514-15-30 ( Мало )
Схема проезда
г. Могилев ул. Габровская 11Б +375 (29) 662-02-16 ( Мало )
Схема проезда
г. Новогрудок ул. Индустриальная, 3 +375 (44) 729-39-19 ( Мало )
Схема проезда
г. Ошмяны ул. Льнозоводская 3 +375 (44) 770-80-91 ( Мало )
Схема проезда
г. Пинск ул. Калиновского 32 +375 (44) 560-99-59 ( Мало )
Схема проезда
г. Слоним ул. Советская, 93а +375 (29) 394-82-01 ( Мало )
Схема проезда
Щетка стеклоочистителя безкаркасная L-530мм WB-1530-P
Щетка стеклоочистителя безкаркасная L-530мм
Каталожный номер WB-1530-P
Производитель ПРАМО ПРАМО
Код 44242
Доставка по всей Беларуси
Доступность остатки на филиалах Остатки на филиалах
Остаток: г.Минск, ул.Селицкого 21к В наличии
Склад Адрес Контакт Остатки
г. Минск ул. Бабушкина, 37 +375 (29) 632-00-82 ( Мало )
Схема проезда
г. Минск ул. Селицкого, 21к +375 (44) 770-80-78 ( Много )
Схема проезда
г. Бобруйск ул. Орловского, 22к3 +375 (29) 345-37-07 ( Средне )
Схема проезда
г. Борисов ул. Демина, 2а +375 (44) 560-99-75 ( Много )
Схема проезда
г. Витебск ул. Правды, 33 +375 (44) 770-80-87 ( Мало )
Схема проезда
г. Витебск ул. Петруся Бровки, 34 +375 (29) 636-25-08 ( Средне )
Схема проезда
г. Глубокое ул. Энгельса, 22 +375 (44) 505-71-40 ( Мало )
Схема проезда
г. Кобрин ул. Пролетарская, 177А +375 (44) 588-10-80 ( Средне )
Схема проезда
г. Лельчицы ул. Советская, д.96/1 +375 (29) 346-98-96 ( Много )
Схема проезда
г. Орша ул. Сергея Кирова, д. 34 +375 (44) 583-91-42 ( Мало )
Схема проезда
г. Ошмяны ул. Льнозоводская 3 +375 (44) 770-80-91 ( Средне )
Схема проезда
г. Полоцк-2 ул. Шенягина, 52 +375 (29) 302-94-73 ( Средне )
Схема проезда
г. Поставы ул. Советская, 69 +375 (44) 770-80-13 ( Средне )
Схема проезда
г. Столин ул. Быковского, 29 +375 (33) 304-54-36 ( Средне )
Схема проезда
г. Щучин ул. Советская, 39 +375 (29) 177-29-70 ( Средне )
Схема проезда
Гидронасос подъема кабины 5440-5004010 (50033162040) SORL 50033162040
Гидронасос подъема кабины 5440-5004010 (50033162040) SORL
Каталожный номер 50033162040
Производитель SORL SORL
Код 00-ГР030346
Доставка по всей Беларуси
Доступность остатки на филиалах Остатки на филиалах
Остаток: г.Минск, ул.Селицкого 21к В наличии
Склад Адрес Контакт Остатки
г. Минск ул. Бабушкина, 37 +375 (29) 632-00-82 ( Мало )
Схема проезда
г. Минск ул. Селицкого, 21к +375 (44) 770-80-78 ( Средне )
Схема проезда
г. Барановичи ул. Бадака, 27Б +375 (29) 350-33-47 ( Мало )
Схема проезда
г. Бобруйск ул. Гоголя, 181/1-6 +375 (29) 630-05-01 ( Мало )
Схема проезда
г. Бобруйск ул. Орловского, 22к3 +375 (29) 345-37-07 ( Мало )
Схема проезда
г. Борисов ул. Демина, 2а +375 (44) 560-99-75 ( Мало )
Схема проезда
г. Брест Тельминский с/с, 1Д/1, 1 км южнее д. Тельмы-2 +375 (44) 599-90-75 ( Средне )
Схема проезда
г. Гомель ул. Барыкина, 291Б +375 (44) 514-15-30 ( Мало )
Схема проезда
г. Дрогичин ул. Юбилейная, 42 +375 (29) 682-17-13 ( Мало )
Схема проезда
г. Лунинец ул.Красная, 175а +375 (44) 721-46-74 ( Мало )
Схема проезда
г. Могилев ул. Габровская 11Б +375 (29) 662-02-16 ( Мало )
Схема проезда
г. Новогрудок ул. Индустриальная, 3 +375 (44) 729-39-19 ( Мало )
Схема проезда
г. Полоцк-2 ул. Шенягина, 52 +375 (29) 302-94-73 ( Мало )
Схема проезда
г. Полоцк-2 ул. Шенягина, 52 +375 (29) 302-94-73 ( Мало )
Схема проезда
г. Слоним ул. Советская, 93а +375 (29) 394-82-01 ( Мало )
Схема проезда
г. Щучин ул. Советская, 39 +375 (29) 177-29-70 ( Мало )
Схема проезда
Рукоятка замка кабины 5336-5001609-01
Рукоятка замка кабины
Каталожный номер 5336-5001609-01
Производитель МАЗ МАЗ
Код 48404
Доставка по всей Беларуси
Доступность остатки на филиалах Остатки на филиалах
Остаток: г.Минск, ул.Селицкого 21к В наличии
Склад Адрес Контакт Остатки
г. Минск ул. Селицкого, 21к +375 (44) 770-80-78 ( Мало )
Схема проезда