Республика Беларусь,
г. Минск, ул. Селицкого 21к - центральный склад
Пн-пт с 8:00 до 17:00
Меню
291750-П Шпилька
Наименование: Шпилька 291750-П
Каталожный номер: 291750-П
Производитель: RSTA
Код товара: 49658
Доставка: по всей Беларуси
Остаток: под заказ

Нашли не точность в описании товара? сообщить администратору.

+375 (44) 770-80-78 +375 (29) 747-80-78
* Выставить счет, получить техническую информацию и стоимость
Заказать деталь Онлайн
Описание
Наличие на филиалах
Применяемость
Заменить на СТО

Шпилька 291750-П производства ГАЗ (РФ), Код для заказа: 49658

Марка Модель Кат.номер Наим. по каталогу Чертеж
ГАЗ ГАЗ-24 291750-П2 Шпилька М8х1-4hх25 Газопровод
ГАЗ ГАЗ-24-10 (1995) 291750-П2 Шпилька М8х1-4hх25 Картер масляный, насос масляный и радиатор масляный Чертеж Картер масляный, насос масляный и радиатор масляный
ГАЗ ГАЗ-31029 291750-П2 Шпилька М8х1-4hх25 Картер масляный, насос масляный и радиатор масляный Чертеж Картер масляный, насос масляный и радиатор масляный
ГАЗ ГАЗ-3105 (1996) 291750-П2 Шпилька М8х1-4hх25 Газопровод
ГАЗ ГАЗ-3105 (1996) 291750-П2 Шпилька М8х1-4hх25 Газопровод
ГАЗ ГАЗ-3105 (1996) 291750-П2 Шпилька М8х1-4hх25 Датчик-распределитель
ГАЗ ГАЗ-3110 291750-П2 Шпилька М8х1-4hх25 Газопровод, ресивер, корпус дросселя, клапан рециркуляции двигателя ЗМЗ-4062.10 Чертеж Газопровод, ресивер, корпус дросселя, клапан рециркуляции двигателя ЗМЗ-4062.10
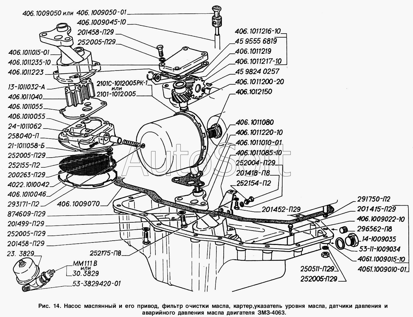
ГАЗ ГАЗ-3110 291750-П2 Шпилька М8х1-4hх25 Насос масляный и его привод, фильтр очистки масла, картер, масляный радиатор, указатель уровня масла, датчики давления и аварийного давления масла двигателя ЗМЗ-4062.10
ГАЗ ГАЗ-3110 291750-П2 Шпилька М8х1-4hх25 Привод распределителя зажигания и масляного насоса, фильтр очистки масла, датчик аварийного давления масла двигателей ЗМЗ-402.10 и ЗМЗ-4021.10
ГАЗ ГАЗ-3302 (ГАЗель) 291750-П2 Шпилька М8х1-4hх25 Газопровод двигателей ЗМЗ 4061.10, ЗМЗ 4063.10. ЗМЗ 40637.10
ГАЗ ГАЗ-3302 (ГАЗель) 291750-П2 Шпилька М8х1-4hх25 Картер масляный, указатель уровня масла, насос масляный и его привод, фильтр очистки масла, датчик указателя давления масла и датчик аварийного давления масла двигателей ЗМЗ 4061.10, ЗМЗ 4063.10, ЗМЗ 40637.10 Чертеж Картер масляный, указатель уровня масла, насос масляный и его привод, фильтр очистки масла, датчик указателя давления масла и датчик аварийного давления масла двигателей ЗМЗ 4061.10, ЗМЗ 4063.10, ЗМЗ 40637.10
ГАЗ ГАЗ-3302 (ГАЗель) 291750-П29 Шпилька М8х1-4hх25 Вентиляция картера, карбюратор, фильтр воздушный, клапан рециркуляции, термовакуумный выключатель двигателей ЗМЗ 4061.10, ЗМЗ 4063.10, ЗМЗ 40637.10
ГАЗ ГАЗ-2705 (ГАЗель) (2000) 291750-П2 Шпилька М8х1-4hх25 Газопровод двигателей ЗМЗ-4061.10, ЗМЗ-4063.10 Чертеж Газопровод двигателей ЗМЗ-4061.10, ЗМЗ-4063.10
ГАЗ ГАЗ-2705 (ГАЗель) (2000) 291750-П2 Шпилька М8х1-4hх25 Картер масляный, указатель уровня масла, насос масляный и его привод, фильтр очистки масла, датчики указателя давления и аварийного давления масла двигателей ЗМЗ-4061.10, ЗМЗ-4063.10 Чертеж Картер масляный, указатель уровня масла, насос масляный и его привод, фильтр очистки масла, датчики указателя давления и аварийного давления масла двигателей ЗМЗ-4061.10, ЗМЗ-4063.10
ГАЗ ГАЗ-2705 (ГАЗель) (2000) 291750-П29 Шпилька М8х1-4hх25 Карбюратор, фильтр воздушный, электромагнитный клапан, клапан рециркуляции с термовакуумным выключателем, вентиляция картера двигателей ЗМЗ-4061.10, ЗМЗ-4063.10 Чертеж Карбюратор, фильтр воздушный, электромагнитный клапан, клапан рециркуляции с термовакуумным выключателем, вентиляция картера двигателей ЗМЗ-4061.10, ЗМЗ-4063.10
ГАЗ ГАЗ-2705 (ГАЗель) (2000) 291750-П2 Шпилька М8х1-4hх25 Привод распределителя зажигания и масляного насоса, фильтр очистки масла сдатчиком аварийного давления масла двигателей ЗМЗ-4025.10, ЗМЗ-4026.10
ГАЗ ГАЗ-2217 (Соболь) (1999) 291750-П2 Шпилька М8х1-4hх25 Насос масляный и его привод, фильтр очистки масла, картер, указатель уровня масла, датчики давления и аварийного давления масла двигателя ЗМЗ-4063 Чертеж Насос масляный и его привод, фильтр очистки масла, картер, указатель уровня масла, датчики давления и аварийного давления масла двигателя ЗМЗ-4063
ГАЗ ГАЗ-2217 (Соболь) (1999) 291750-П29 Шпилька М8х1-4hх25 Карбюратор, фильтр воздушный, электромагнитный клапан ЭПХХ, клапан рециркуляции с термовакуумным выключателем, шланги вентиляции картера двигателя ЗМЗ-4063 Чертеж Карбюратор, фильтр воздушный, электромагнитный клапан ЭПХХ, клапан рециркуляции с термовакуумным выключателем, шланги вентиляции картера двигателя ЗМЗ-4063
ГАЗ ГАЗ-2217 (Соболь) (1999) 291750-П2 Шпилька М8х1-4hх25 Газопровод двигателя ЗМЗ-4063 Чертеж Газопровод двигателя ЗМЗ-4063
ГАЗ ГАЗ-3306 (1994) 291750-П2 Шпилька М8х1-4hх25 Корпус привода топливного насоса высокого давления и вентилятора, привод вентилятора и муфта опережения впрыска топлива Чертеж Корпус привода топливного насоса высокого давления и вентилятора, привод вентилятора и муфта опережения впрыска топлива
Товары из этой категории
Диск сцепления 4301-1601090 нажимной ПРАМО 4301-1601090
Диск сцепления 4301-1601090 нажимной ПРАМО
Каталожный номер 4301-1601090
Производитель ПРАМО ПРАМО
Код 00-ГР021228
Доставка по всей Беларуси
Доступность остатки на филиалах Остатки на филиалах
Остаток: г.Минск, ул.Селицкого 21к В наличии
Склад Адрес Контакт Остатки
г. Минск ул. Селицкого, 21к +375 (44) 770-80-78 ( Много )
Схема проезда
г. Барановичи ул. Пролетарская, 40 +375 (29) 795-96-37 ( Мало )
Схема проезда
г. Барановичи ул. Бадака, 27Б +375 (29) 350-33-47 ( Мало )
Схема проезда
г. Бобруйск ул. Орловского, 22к3 +375 (29) 345-37-07 ( Мало )
Схема проезда
г. Витебск ул. Правды, 33 +375 (44) 770-80-87 ( Мало )
Схема проезда
г. Витебск ул. Петруся Бровки, 34 +375 (29) 636-25-08 ( Мало )
Схема проезда
г. Глубокое ул. Энгельса, 22 +375 (44) 505-71-40 ( Мало )
Схема проезда
г. Горки ул.Мира, д.51а/1 +375 (44) 565-33-61 ( Мало )
Схема проезда
г. Гродно ул. Карского, 35 +375 (44) 770-70-21 ( Мало )
Схема проезда
г. Дятлово ул. Советская ,104 +375 (29) 187-87-37 ( Мало )
Схема проезда
г. Молодечно ул. Галицкого, 14 +375 (44) 567-28-47 ( Мало )
Схема проезда
г. Орша ул. Сергея Кирова, д. 34 +375 (44) 583-91-42 ( Мало )
Схема проезда
г. Ошмяны ул. Льнозоводская 3 +375 (44) 770-80-91 ( Мало )
Схема проезда
г. Петриков ул. Первомайская, 124 +375 (33) 660-06-75 ( Мало )
Схема проезда
г. Полоцк-2 ул. Шенягина, 52 +375 (29) 302-94-73 ( Мало )
Схема проезда
г. Полоцк-2 ул. Шенягина, 52 +375 (29) 302-94-73 ( Мало )
Схема проезда
г. Пружаны ул. Макаренко, 21 +375 (29) 348-83-18 ( Мало )
Схема проезда
г. Слоним ул. Советская, 93а +375 (29) 394-82-01 ( Мало )
Схема проезда
г. Слуцк ул. Тутаринова, 8 +375 (29) 346-06-90 ( Мало )
Схема проезда
Вилка выключения сцепления 24-1601200
Вилка выключения сцепления
Каталожный номер 24-1601200
Производитель ГАЗ ГАЗ
Код 10542
Доставка по всей Беларуси
Доступность остатки на филиалах Остатки на филиалах
Остаток: г.Минск, ул.Селицкого 21к В наличии
Склад Адрес Контакт Остатки
г. Минск ул. Селицкого, 21к +375 (44) 770-80-78 ( Средне )
Схема проезда
г. Барановичи ул. Бадака, 27Б +375 (29) 350-33-47 ( Мало )
Схема проезда
г. Бобруйск ул. Гоголя, 181/1-6 +375 (29) 630-05-01 ( Мало )
Схема проезда
г. Бобруйск ул. Орловского, 22к3 +375 (29) 345-37-07 ( Мало )
Схема проезда
г. Витебск ул. Правды, 33 +375 (44) 770-80-87 ( Мало )
Схема проезда
г. Глубокое ул. Энгельса, 22 +375 (44) 505-71-40 ( Мало )
Схема проезда
г. Гомель ул. Барыкина, 291Б +375 (44) 514-15-30 ( Мало )
Схема проезда
г. Гомель ул. Барыкина, 291Б +375 (44) 514-15-30 ( Мало )
Схема проезда
г. Горки ул.Мира, д.51а/1 +375 (44) 565-33-61 ( Мало )
Схема проезда
г. Гродно ул. Карского, 35 +375 (44) 770-70-21 ( Мало )
Схема проезда
г. Дрогичин ул. Юбилейная, 42 +375 (29) 682-17-13 ( Мало )
Схема проезда
г. Дятлово ул. Советская ,104 +375 (29) 187-87-37 ( Мало )
Схема проезда
г. Кобрин ул. Пролетарская, 177А +375 (44) 588-10-80 ( Мало )
Схема проезда
г. Кричев ул. Комсомольская, 126 +375 (29) 628-88-42 ( Мало )
Схема проезда
г. Молодечно ул. Галицкого, 14 +375 (44) 567-28-47 ( Мало )
Схема проезда
г. Несвиж ул. Кутузова, 2 +375 (29) 394-82-48 ( Мало )
Схема проезда
г. Новогрудок ул. Индустриальная, 3 +375 (44) 729-39-19 ( Мало )
Схема проезда
г. Осиповичи ул. Короткая, 11 +375 (29) 165-60-07 ( Мало )
Схема проезда
г. Ошмяны ул. Льнозоводская 3 +375 (44) 770-80-91 ( Мало )
Схема проезда
г. Пинск ул. Калиновского 32 +375 (44) 560-99-59 ( Мало )
Схема проезда
г. Полоцк-2 ул. Шенягина, 52 +375 (29) 302-94-73 ( Мало )
Схема проезда
г. Полоцк-2 ул. Шенягина, 52 +375 (29) 302-94-73 ( Мало )
Схема проезда
г. Поставы ул. Советская, 69 +375 (44) 770-80-13 ( Мало )
Схема проезда
г. Пружаны ул. Макаренко, 21 +375 (29) 348-83-18 ( Мало )
Схема проезда
г. Слоним ул. Советская, 93а +375 (29) 394-82-01 ( Мало )
Схема проезда
г. Сморгонь ул. Железнодорожная, 32 +375 (29) 671-02-10 ( Мало )
Схема проезда
Болт 24-3504900 педали сцепления в сборе 31029 ЗавГар 24-3504900
Болт 24-3504900 педали сцепления в сборе 31029 ЗавГар
Каталожный номер 24-3504900
Производитель ЗавГар ЗавГар
Код 00-ГР029470
Доставка по всей Беларуси
Доступность остатки на филиалах Остатки на филиалах
Остаток В наличии
Склад Адрес Контакт Остатки
г. Барановичи ул. Бадака, 27Б +375 (29) 350-33-47 ( Мало )
Схема проезда
г. Бобруйск ул. Орловского, 22к3 +375 (29) 345-37-07 ( Мало )
Схема проезда
г. Витебск ул. Правды, 33 +375 (44) 770-80-87 ( Мало )
Схема проезда
г. Гродно ул. Карского, 35 +375 (44) 770-70-21 ( Мало )
Схема проезда
г. Пинск ул. Калиновского 32 +375 (44) 560-99-59 ( Средне )
Схема проезда
г. Слоним ул. Советская, 93а +375 (29) 394-82-01 ( Средне )
Схема проезда
Цилиндр сцепления 4301-1602510 рабочий 4301-1602510
Цилиндр сцепления 4301-1602510 рабочий
Каталожный номер 4301-1602510
Производитель RSTA RSTA
Код 00-ГР025364
Доставка по всей Беларуси
Доступность остатки на филиалах Остатки на филиалах
Остаток: г.Минск, ул.Селицкого 21к В наличии
Склад Адрес Контакт Остатки
г. Минск ул. Селицкого, 21к +375 (44) 770-80-78 ( Средне )
Схема проезда
Болт-втулки-гайка педали сцепления Волга (к-т) 24-3504900
Болт-втулки-гайка педали сцепления Волга (к-т)
Каталожный номер 24-3504900
Производитель G-PART G-PART
Код 17612
Доставка по всей Беларуси
Доступность остатки на филиалах Остатки на филиалах
Остаток: г.Минск, ул.Селицкого 21к В наличии
Склад Адрес Контакт Остатки
г. Минск ул. Селицкого, 21к +375 (44) 770-80-78 ( Средне )
Схема проезда
г. Бобруйск ул. Орловского, 22к3 +375 (29) 345-37-07 ( Мало )
Схема проезда
г. Борисов ул. Демина, 2а +375 (44) 560-99-75 ( Мало )
Схема проезда
г. Витебск ул. Петруся Бровки, 34 +375 (29) 636-25-08 ( Мало )
Схема проезда
г. Гомель ул. Барыкина, 291Б +375 (44) 514-15-30 ( Средне )
Схема проезда
г. Гродно ул. Карского, 35 +375 (44) 770-70-21 ( Средне )
Схема проезда
г. Дрогичин ул. Юбилейная, 42 +375 (29) 682-17-13 ( Мало )
Схема проезда
г. Дятлово ул. Советская ,104 +375 (29) 187-87-37 ( Средне )
Схема проезда
г. Житковичи ул. Комсомольская, 49 +375 (29) 394-82-52 ( Средне )
Схема проезда
г. Новогрудок ул. Индустриальная, 3 +375 (44) 729-39-19 ( Средне )
Схема проезда
г. Осиповичи ул. Короткая, 11 +375 (29) 165-60-07 ( Мало )
Схема проезда
г. Полоцк-2 ул. Шенягина, 52 +375 (29) 302-94-73 ( Средне )
Схема проезда