Республика Беларусь,
г. Минск, ул. Селицкого 21к - центральный склад
Пн-пт с 8:00 до 17:00
Меню
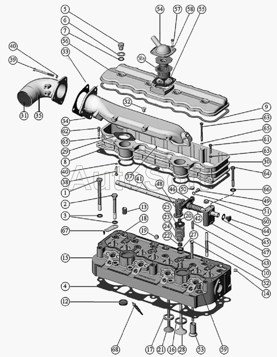
240-1003112 Шпилька МТЗ головки блока цилиндров,ММЗ
Наименование: Шпилька 240-1003112 МТЗ головки блока цилиндров,ММЗ
Каталожный номер: 240-1003112
Производитель: ММЗ
Код товара: 00-ГР005081
Доставка: по всей Беларуси
Остаток: под заказ

Нашли не точность в описании товара? сообщить администратору.

+375 (44) 770-80-78 +375 (29) 747-80-78
* Выставить счет, получить техническую информацию и стоимость
Заказать деталь Онлайн
Описание
Наличие на филиалах
Применяемость
Заменить на СТО

Ширина, м: 0.012
Высота, м: 0.012
Длина, м: 0.115
Вес, кг: 0.085

Шпилька 240-1003112 МТЗ головки блока цилиндров,ММЗ,  .

  • Каталожный номер:
  • Код товара  для заказа:  00-ГР005081
Марка Модель Кат.номер Наим. по каталогу Чертеж
ЯМЗ ЯМЗ-240 (1998) 236-1003112-Г Стакан форсунки Головка цилиндров
ЯМЗ ЯМЗ-240 (1998) 236-1003112-В Стакан форсунки Головка цилиндров
ЯМЗ ЯМЗ-240 (2000) 236-1003112-Г Стакан форсунки Головка цилиндров Чертеж Головка цилиндров
ЯМЗ ЯМЗ-240, 240Б, 240Н, 240П (1998) 236-1003112-В Стакан форсунки Головка блока цилиндров двигателей ЯМЗ-240, ЯМЗ-240Б Чертеж Головка блока цилиндров двигателей ЯМЗ-240, ЯМЗ-240Б
ЯМЗ ЯМЗ-240, 240Б, 240Н, 240П (1998) 236-1003112-Г Стакан форсунки Головка блока цилиндров двигателей ЯМЗ-240Н, ЯМЗ-240П Чертеж Головка блока цилиндров двигателей ЯМЗ-240Н, ЯМЗ-240П
ЯМЗ ЯМЗ-240 (2014) 236-1003112-Г Стакан форсунки Головка цилиндров
ММЗ Д-245.7E3 (2007) 240-1003112 ШПИЛЬКА СТОЙКИ Установка головки цилиндров и впускного тракта. Клапаны и толкатели клапанов Чертеж Установка головки цилиндров и впускного тракта. Клапаны и толкатели клапанов
ММЗ Д-245.S3A (2008) 240-1003112 ШПИЛЬКА СТОЙКИ Установка головки цилиндров и впускного тракта, клапаны и толкатели клапанов
ММЗ Д-245.30Е3 (для МАЗ) (2008) 240-1003112 ШПИЛЬКА СТОЙКИ Установка головки цилиндров и впускного тракта. Клапаны и толкатели клапанов Чертеж Установка головки цилиндров и впускного тракта. Клапаны и толкатели клапанов
ММЗ Д-260.5Е3 / Д-260.12Е3 (2008) 240-1003112 ШПИЛЬКА СТОЙКИ Установка головок цилиндров Чертеж Установка головок цилиндров
ММЗ Д–260.1 / Д-260.2 (2008) 240-1003112 ШПИЛЬКА СТОЙКИ Головка цилиндров Клапаны и толкатели клапанов Чертеж Головка цилиндров Клапаны и толкатели клапанов
ММЗ Д-245.43S3АМ-1871 (2011) 240-1003112 ШПИЛЬКА СТОЙКИ Установка головки цилиндра и впускного тракта. Клапаны и толкатели клапанов Чертеж Установка головки цилиндра и впускного тракта. Клапаны и толкатели клапанов
ММЗ Д-245.2S2-827 (2006) 240-1003112 ШПИЛЬКА СТОЙКИ Установка головки цилиндра и впускного тракта
ММЗ Д-245.7E4 (2014) 240-1003112 ШПИЛЬКА СТОЙКИ Установка головки цилиндров и впускного тракта. Клапаны и толкатели клапанов. Чертеж Установка головки цилиндров и впускного тракта. Клапаны и толкатели клапанов.
ММЗ Д-245.9E4-4020 (для ПАЗ) (2011) 240-1003112 ШПИЛЬКА СТОЙКИ Установка головки цилиндров и впускного тракта. Клапаны и толкатели клапанов.
ММЗ Д-245.35E4 (для МАЗ) (2015) 240-1003112 ШПИЛЬКА СТОЙКИ Установка головки цилиндров и впускного тракта. Клапаны и толкатели клапанов. Чертеж Установка головки цилиндров и впускного тракта. Клапаны и толкатели клапанов.
ММЗ Д-260.7C (2010) 240-1003112 ШПИЛЬКА СТОЙКИ Установка головок цилиндров Чертеж Установка головок цилиндров
ММЗ Д-245.7Е3, Д-245.9Е3 (2011) 240-1003112 ШПИЛЬКА СТОЙКИ Установка головки цилиндров и впускного тракта. Клапаны и толкатели клапанов. Чертеж Установка головки цилиндров и впускного тракта. Клапаны и толкатели клапанов.
ММЗ Д-245S3A (2019) 240-1003112 ШПИЛЬКА СТОЙКИ Установка головки цилиндров и впускного тракта. Клапаны и толкатели клапанов
ММЗ Д-245S3A (2019) 240-1003112 ШПИЛЬКА СТОЙКИ Установка головки цилиндров и впускного тракта. Клапаны и толкатели клапанов
Товары из этой категории
Болт ГБЦ Д-245 Евро-3 короткий 245-1002047-01
Болт ГБЦ Д-245 Евро-3 короткий
Каталожный номер 245-1002047-01
Производитель ММЗ ММЗ
Код 38905
Доставка по всей Беларуси
Доступность остатки на филиалах Остатки на филиалах
Остаток: г.Минск, ул.Селицкого 21к В наличии
Склад Адрес Контакт Остатки
г. Минск ул. Селицкого, 21к +375 (44) 770-80-78 ( Много )
Схема проезда
г. Барановичи ул. Бадака, 27Б +375 (29) 350-33-47 ( Много )
Схема проезда
г. Витебск ул. Петруся Бровки, 34 +375 (29) 636-25-08 ( Средне )
Схема проезда
г. Несвиж ул. Кутузова, 2 +375 (29) 394-82-48 ( Много )
Схема проезда
г. Пинск ул. Калиновского 32 +375 (44) 560-99-59 ( Средне )
Схема проезда
г. Полоцк-2 ул. Шенягина, 52 +375 (29) 302-94-73 ( Средне )
Схема проезда
г. Слоним ул. Советская, 93а +375 (29) 394-82-01 ( Много )
Схема проезда
г. Солигорск Чижевичский сельсовет, 3Г +375 (29) 899-58-52 ( Средне )
Схема проезда
Насос масляный 260-1011020-АМ 260-1011020
Насос масляный 260-1011020-АМ
Каталожный номер 260-1011020
Производитель Автомагнат Автомагнат
Код 00-ГР021243
Доставка по всей Беларуси
Доступность остатки на филиалах Остатки на филиалах
Остаток: г.Минск, ул.Селицкого 21к В наличии
Склад Адрес Контакт Остатки
г. Минск ул. Селицкого, 21к +375 (44) 770-80-78 ( Средне )
Схема проезда
г. Борисов ул. Демина, 2а +375 (44) 560-99-75 ( Мало )
Схема проезда
г. Дятлово ул. Советская ,104 +375 (29) 187-87-37 ( Мало )
Схема проезда
Вкладыш коренной комплект Евро-4 245.35-1005100-ЕН1
Вкладыш коренной комплект Евро-4
Каталожный номер 245.35-1005100-ЕН1
Производитель Дайдо Металл Русь Дайдо Металл Русь
Код 46860
Доставка по всей Беларуси
Доступность остатки на филиалах Остатки на филиалах
Остаток: г.Минск, ул.Селицкого 21к В наличии
Склад Адрес Контакт Остатки
г. Минск ул. Селицкого, 21к +375 (44) 770-80-78 ( Мало )
Схема проезда
г. Барановичи ул. Пролетарская, 40 +375 (29) 795-96-37 ( Мало )
Схема проезда
г. Барановичи ул. Бадака, 27Б +375 (29) 350-33-47 ( Мало )
Схема проезда
г. Бобруйск ул. Гоголя, 181/1-6 +375 (29) 630-05-01 ( Мало )
Схема проезда
г. Полоцк-2 ул. Шенягина, 52 +375 (29) 302-94-73 ( Мало )
Схема проезда
Коллектор передний выпускной 260-1008021
Коллектор передний выпускной
Каталожный номер 260-1008021
Производитель RSTA RSTA
Код 25255
Доставка по всей Беларуси
Доступность остатки на филиалах Остатки на филиалах
Остаток: г.Минск, ул.Селицкого 21к В наличии
Склад Адрес Контакт Остатки
г. Минск ул. Селицкого, 21к +375 (44) 770-80-78 ( Средне )
Схема проезда
г. Бобруйск ул. Орловского, 22к3 +375 (29) 345-37-07 ( Мало )
Схема проезда
г. Житковичи ул. Комсомольская, 49 +375 (29) 394-82-52 ( Мало )
Схема проезда
г. Молодечно ул. Галицкого, 14 +375 (44) 567-28-47 ( Мало )
Схема проезда
г. Несвиж ул. Кутузова, 2 +375 (29) 394-82-48 ( Мало )
Схема проезда
Гильза-поршень Евро-2 под палец 42мм. 260М1
Гильза-поршень Евро-2 под палец 42мм.
Каталожный номер 260М1
Производитель СZ СZ
Код 22684
Доставка по всей Беларуси
Доступность остатки на филиалах Остатки на филиалах
Остаток: г.Минск, ул.Селицкого 21к В наличии
Склад Адрес Контакт Остатки
г. Минск ул. Селицкого, 21к +375 (44) 770-80-78 ( Много )
Схема проезда