Республика Беларусь,
г. Минск, ул. Селицкого 21к - центральный склад
Пн-пт с 8:00 до 17:00
Меню
4061-1104126-01 Шланг топливный 1 штуцер (140 см)
Наименование: Шланг 4061-1104126-01 топливный 1 штуцер (140 см)
Каталожный номер: 4061-1104126-01
Производитель: RSTA
Код товара: 00-ГР027798
Доставка: по всей Беларуси
Остаток: под заказ

Нашли не точность в описании товара? сообщить администратору.

+375 (44) 770-80-78 +375 (29) 747-80-78
* Выставить счет, получить техническую информацию и стоимость
Заказать деталь Онлайн
Описание
Наличие на филиалах
Применяемость
Заменить на СТО

Шланг 4061-1104126-01 топливный 1 штуцер (140 см) производства RSTA (РФ), Код для заказа: 00-ГР027798

Марка Модель Кат.номер Наим. по каталогу Чертеж
ГАЗ ГАЗ-3302 (ГАЗель) 4061.1104126 Шланг соединительный Бак топливный, насос топливный, фильтр тонкой очистки топлива, трубопроводы Чертеж Бак топливный, насос топливный, фильтр тонкой очистки топлива, трубопроводы
ГАЗ ГАЗ-2705 (ГАЗель) (2000) 4061.1104126 Шланг соединительный Насос топливный, фильтр тонкой очистки, отстойник бензиновый и трубопроводы топливные двигателей ЗМЗ-4061.10, ЗМЗ-4063.10
ГАЗ ГАЗ-2217 (Соболь) (1999) 4061.1104126 Шланг соединительный Насос топливный, фильтр тонкой очистки, отстойник бензиновый и трубопроводы топливные двигателя ЗМЗ-4063 Чертеж Насос топливный, фильтр тонкой очистки, отстойник бензиновый и трубопроводы топливные двигателя ЗМЗ-4063
ГАЗ ГАЗ-3302 (2004) (2004) 4061.1104126-10 Трубка от фильтра тонкой очистки к карбюратору Трубопроводы топливные
ГАЗ ГАЗель 4х4 (2001) (2009) 4061.1104126 Шланг соединительный Бензиновый двигатель. Двухрядная кабина Чертеж Бензиновый двигатель. Двухрядная кабина
ГАЗ ГАЗель 4х4 (2001) (2009) 4061.1104126 Шланг соединительный Бензиновый двигатель. Однорядная кабина Чертеж Бензиновый двигатель. Однорядная кабина
ГАЗ ГАЗ-33027 (Дополнение) 4061.1104126 Шланг соединительный Система питания Чертеж Система питания
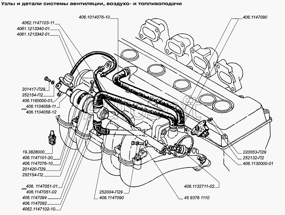
ЗМЗ ЗМЗ-4062.10 (2006) 4061.1104126-10 Шланг соединительный Узлы и детали системы вентиляции, воздухо- и топливоподачи Чертеж Узлы и детали системы вентиляции, воздухо- и топливоподачи
ЗМЗ ЗМЗ-40524.10 (Евро 3) (2008) 4061.1104126-10 Шланг соединительный Узлы и детали системы вентиляции, воздухо- и топливоподачи Чертеж Узлы и детали системы вентиляции, воздухо- и топливоподачи
Товары из этой категории
Бак топливный 105л 4301-1101010 (300*460*850) БАКОР 4301-1101010
Бак топливный 105л 4301-1101010 (300*460*850) БАКОР
Каталожный номер 4301-1101010
Производитель БАКОР БАКОР
Код 00-ГР024968
Доставка по всей Беларуси
Доступность остатки на филиалах Остатки на филиалах
Остаток: г.Минск, ул.Селицкого 21к В наличии
Склад Адрес Контакт Остатки
г. Минск ул. Селицкого, 21к +375 (44) 770-80-78 ( Мало )
Схема проезда
Дроссель с датчиком 406дв. 4062-1148100-02
Дроссель с датчиком 406дв.
Каталожный номер 4062-1148100-02
Производитель RSTA RSTA
Код 19444
Доставка по всей Беларуси
Доступность остатки на филиалах Остатки на филиалах
Остаток: г.Минск, ул.Селицкого 21к В наличии
Склад Адрес Контакт Остатки
г. Минск ул. Селицкого, 21к +375 (44) 770-80-78 ( Средне )
Схема проезда
Прокладка 53-1107015
Прокладка
Каталожный номер 53-1107015
Производитель ФРИТЕКС ФРИТЕКС
Код 39444
Доставка по всей Беларуси
Доступность остатки на филиалах Остатки на филиалах
Остаток: г.Минск, ул.Селицкого 21к В наличии
Склад Адрес Контакт Остатки
г. Минск ул. Селицкого, 21к +375 (44) 770-80-78 ( Средне )
Схема проезда
г. Барановичи ул. Пролетарская, 40 +375 (29) 795-96-37 ( Мало )
Схема проезда
г. Брест Тельминский с/с, 1Д/1, 1 км южнее д. Тельмы-2 +375 (44) 599-90-75 ( Мало )
Схема проезда
Шланг топливный длинный 4022-1104126
Шланг топливный длинный
Каталожный номер 4022-1104126
Производитель RSTA RSTA
Код 12126
Доставка по всей Беларуси
Доступность остатки на филиалах Остатки на филиалах
Остаток: г.Минск, ул.Селицкого 21к В наличии
Склад Адрес Контакт Остатки
г. Минск ул. Селицкого, 21к +375 (44) 770-80-78 ( Мало )
Схема проезда
г. Барановичи ул. Пролетарская, 40 +375 (29) 795-96-37 ( Мало )
Схема проезда
г. Гродно ул. Карского, 35 +375 (44) 770-70-21 ( Мало )
Схема проезда
г. Дрогичин ул. Юбилейная, 42 +375 (29) 682-17-13 ( Мало )
Схема проезда
г. Ивацевичи ул. Загородная, 6А +375 (29) 188-59-01 ( Мало )
Схема проезда
г. Кричев ул. Комсомольская, 126 +375 (29) 628-88-42 ( Средне )
Схема проезда
г. Новогрудок ул. Индустриальная, 3 +375 (44) 729-39-19 ( Мало )
Схема проезда
г. Осиповичи ул. Короткая, 11 +375 (29) 165-60-07 ( Мало )
Схема проезда
г. Сморгонь ул. Железнодорожная, 32 +375 (29) 671-02-10 ( Мало )
Схема проезда
Бензонасос CRTR0103702 (62-1139010) электрический Cartronic CRTR0103702
Бензонасос CRTR0103702 (62-1139010) электрический Cartronic
Каталожный номер CRTR0103702
Производитель CARTRONIC CARTRONIC
Код 00-ГР023714
Доставка по всей Беларуси
Доступность остатки на филиалах Остатки на филиалах
Остаток: г.Минск, ул.Селицкого 21к В наличии
Склад Адрес Контакт Остатки
г. Минск ул. Селицкого, 21к +375 (44) 770-80-78 ( Средне )
Схема проезда
г. Витебск ул. Правды, 33 +375 (44) 770-80-87 ( Мало )
Схема проезда
г. Горки ул.Мира, д.51а/1 +375 (44) 565-33-61 ( Мало )
Схема проезда
г. Гродно ул. Карского, 35 +375 (44) 770-70-21 ( Мало )
Схема проезда
г. Жлобин ул. Козлова, 25 +375 (29) 346-06-78 ( Мало )
Схема проезда
г. Лунинец ул.Красная, 175а +375 (44) 721-46-74 ( Мало )
Схема проезда
г. Новогрудок ул. Индустриальная, 3 +375 (44) 729-39-19 ( Мало )
Схема проезда
г. Осиповичи ул. Короткая, 11 +375 (29) 165-60-07 ( Средне )
Схема проезда
г. Ошмяны ул. Льнозоводская 3 +375 (44) 770-80-91 ( Мало )
Схема проезда
г. Полоцк-2 ул. Шенягина, 52 +375 (29) 302-94-73 ( Мало )
Схема проезда
г. Щучин ул. Советская, 39 +375 (29) 177-29-70 ( Мало )
Схема проезда