Республика Беларусь,
г. Минск, ул. Селицкого 21к - центральный склад
Пн-пт с 8:00 до 17:00
Меню
3302-1303025-60 Шланг
Наименование: Шланг 3302-1303025-60
Каталожный номер: 3302-1303025-60
Производитель: RSTA
Код товара: 00-ГР003485
Доставка: по всей Беларуси
Остаток: под заказ

Нашли не точность в описании товара? сообщить администратору.

+375 (44) 770-80-78 +375 (29) 747-80-78
* Выставить счет, получить техническую информацию и стоимость
Заказать деталь Онлайн
Описание
Наличие на филиалах
Применяемость
Заменить на СТО

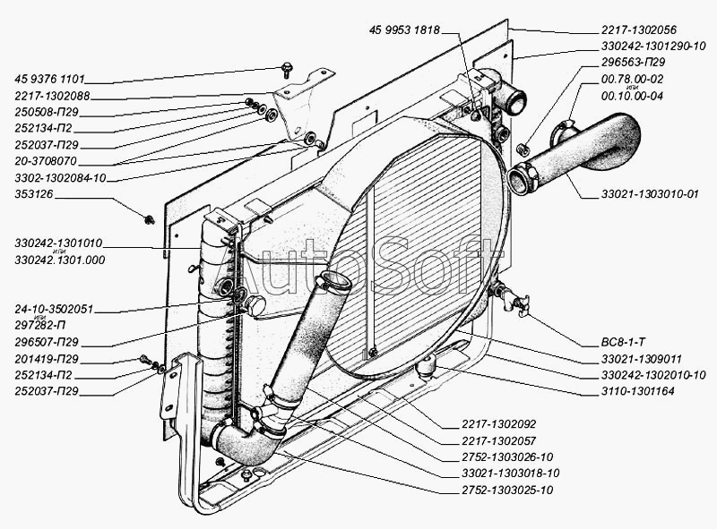
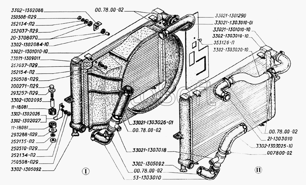
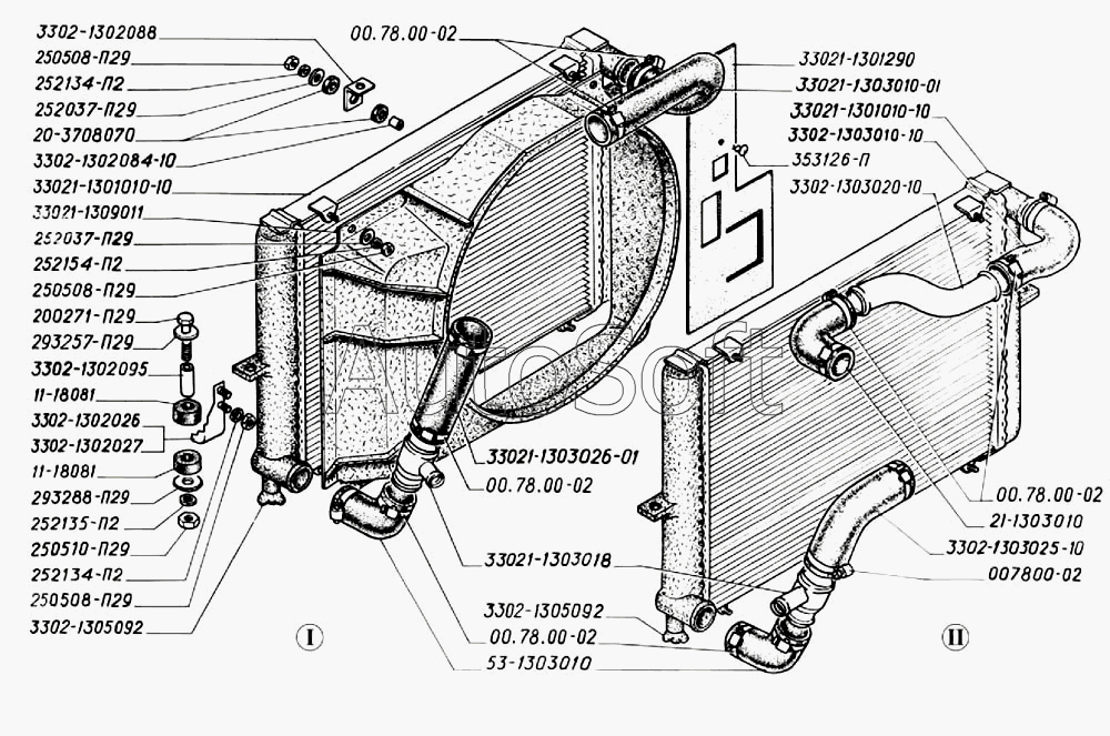
Шланг 3302-1303025-60 производства RSTA (РФ), Код для заказа: 00-ГР003485

Марка Модель Кат.номер Наим. по каталогу Чертеж
ГАЗ ГАЗ-3302 (ГАЗель) 3302-1303025-10 Шланг радиатора отводящий Радиатор, подвеска радиатора, трубопроводы и шланги Чертеж Радиатор, подвеска радиатора, трубопроводы и шланги
ГАЗ ГАЗ-2705 (ГАЗель) (2000) 3302-1303025-10 Шланг радиатора отводящий Радиатор, подвеска радиатора, трубопроводы и шланги Чертеж Радиатор, подвеска радиатора, трубопроводы и шланги
ГАЗ ГАЗ-2217 (Соболь) (1999) 3302-1303025-10 Шланг радиатора отводящий Радиатор, электровентилятор, датчик включения электровентилятора двигателя ЗМЗ-4063 6-b местного автобуса
ГАЗ ГАЗ-2217 (Соболь) (1999) 3302-1303025-10 Шланг радиатора отводящий Радиатор, кожух вентилятора двигателя ЗМЗ-4063 10-местного автобуса
ГАЗ ГАЗ-3302 (2004) (2004) 3302-1303025-10 Шланг радиатора отводящий Радиатор, трубопроводы и шланги (для автомобилей выпуска до 1998 г.) Чертеж Радиатор, трубопроводы и шланги (для автомобилей выпуска до 1998 г.)
ГАЗ ГАЗ-3302 (2004) (2004) 3302-1303025-10 Шланг радиатора отводящий Радиатор системы охлаждения, кожух вентилятора (для автомобилей выпуска с 1998 г. по октябрь 2002 г.) Чертеж Радиатор системы охлаждения, кожух вентилятора (для автомобилей выпуска с 1998 г. по октябрь 2002 г.)
ГАЗ ГАЗ-3302 (2004) (2004) 2752-1303025-10 Шланг радиатора отводящий Радиатор двигателей ЗМЗ-406 (для автомобилей выпуска с октября 2002 г.) Чертеж Радиатор двигателей ЗМЗ-406 (для автомобилей выпуска с октября 2002 г.)
ГАЗ ГАЗ-3302 (2004) (2004) 2752-1303025-10 Шланг радиатора отводящий Радиатор двигателей ЗМЗ-402 (для автомобилей выпуска с октября 2002 г.) Чертеж Радиатор двигателей ЗМЗ-402 (для автомобилей выпуска с октября 2002 г.)
ГАЗ ГАЗ-2705 (дв. ЗМЗ-402) (2006) 3302-1303025-10 Шланг радиатора отводящий Радиатор, подвеска радиатора, трубопроводы и шланги (для автомобилей выпуска до 1998 года): I- для двигателя ЗМЗ-402, II- для двигателя ЗМЗ-406
ГАЗ ГАЗ-2705 (дв. ЗМЗ-402) (2006) 3302-1303025-10 Шланг радиатора отводящий Радиатор системы охлаждения, кожух вентилятора (для автомобилей выпуска с 1998 года по октябрь 2002года): I- для двигателя ЗМЗ-406, II- для двигателей ЗМЗ-402 и УМЗ-4215
ГАЗ ГАЗ-3302 (доп. с дв. ЗМЗ Е 3) (2009) 2752-1303025-10 Шланг радиатора отводящий 2217-1300001-10. Установка системы охлаждения
ГАЗ ГАЗ-5603 (Евро 4) (2009) 3302-1303025-20 Шланг 3302-1300001-20 Установка системы охлаждения
ГАЗ ГАЗ-2705 (Cummins E-4) (2015) 3302-1303025-40 Шланг 3302-1300001-60. Установка системы охлаждения
ГАЗ ГАЗ-3302 (с двиг. УМЗ) (2015) 2752-1303025-10 Шланг радиатора отводящий 33027-1300001. Установка системы охлаждения Чертеж 33027-1300001. Установка системы охлаждения
ГАЗ ГАЗель-Бизнес 2705-393 (2015) 3302-1303025-60 Шланг 322173-1300001 Установка системы охлаждения опция Система охлаждения повышенной эффективности Чертеж  322173-1300001 Установка системы охлаждения опция Система охлаждения повышенной эффективности
ГАЗ ГАЗель-Бизнес 2705-393 (2015) 3302-1303025-60 Шланг 3302-1300001-60 Установка системы охлаждения Чертеж  3302-1300001-60 Установка системы охлаждения
ЗМЗ ЗМЗ-402 (2006) 3302-1303025-10 Шланг радиатора отводящий Радиатор, подвеска радиатора, трубопроводы и шланги (для автомобилей выпуска до 1998 года): I- для двигателя ЗМЗ-402, II- для двигателя ЗМЗ-406 Чертеж Радиатор, подвеска радиатора, трубопроводы и шланги (для автомобилей выпуска до 1998 года): I- для двигателя ЗМЗ-402, II- для двигателя ЗМЗ-406
ЗМЗ ЗМЗ-402 (2006) 3302-1303025-10 Шланг радиатора отводящий Радиатор системы охлаждения, кожух вентилятора (для автомобилей выпуска с 1998 года по октябрь 2002года): I- для двигателя ЗМЗ-406, II- для двигателей ЗМЗ-402 Чертеж Радиатор системы охлаждения, кожух вентилятора (для автомобилей выпуска с 1998 года по октябрь 2002года): I- для двигателя ЗМЗ-406, II- для двигателей ЗМЗ-402
Товары из этой категории
Радиатор 3307-1301010-36
Радиатор
Каталожный номер 3307-1301010-36
Производитель ШААЗ ШААЗ
Код 26944
Доставка по всей Беларуси
Доступность остатки на филиалах Остатки на филиалах
Остаток: г.Минск, ул.Селицкого 21к В наличии
Склад Адрес Контакт Остатки
г. Минск ул. Селицкого, 21к +375 (44) 770-80-78 ( Средне )
Схема проезда
г. Гродно ул. Карского, 35 +375 (44) 770-70-21 ( Мало )
Схема проезда
г. Полоцк-2 ул. Шенягина, 52 +375 (29) 302-94-73 ( Мало )
Схема проезда
г. Пружаны ул. Макаренко, 21 +375 (29) 348-83-18 ( Мало )
Схема проезда
Корпус термостата алюминиевый 245-1306040
Корпус термостата алюминиевый
Каталожный номер 245-1306040
Производитель ММЗ ММЗ
Код 24982
Доставка по всей Беларуси
Доступность остатки на филиалах Остатки на филиалах
Остаток: г.Минск, ул.Селицкого 21к В наличии
Склад Адрес Контакт Остатки
г. Минск ул. Селицкого, 21к +375 (44) 770-80-78 ( Много )
Схема проезда
г. Бобруйск ул. Орловского, 22к3 +375 (29) 345-37-07 ( Мало )
Схема проезда
г. Гомель ул. Барыкина, 291Б +375 (44) 514-15-30 ( Мало )
Схема проезда
г. Дятлово ул. Советская ,104 +375 (29) 187-87-37 ( Мало )
Схема проезда
г. Лепель ул. Лобанка, 43 +375 (44) 778-65-21 ( Мало )
Схема проезда
г. Столин ул. Быковского, 29 +375 (33) 304-54-36 ( Мало )
Схема проезда
Ремень генератора ЗМЗ-406 без ГУР зубчатый 1220х11х10
Ремень генератора ЗМЗ-406 без ГУР зубчатый
Каталожный номер 1220х11х10
Производитель SUNWAY SUNWAY
Код 19257
Доставка по всей Беларуси
Доступность остатки на филиалах Остатки на филиалах
Остаток: г.Минск, ул.Селицкого 21к В наличии
Склад Адрес Контакт Остатки
г. Минск ул. Бабушкина, 37 +375 (29) 632-00-82 ( Много )
Схема проезда
г. Минск ул. Селицкого, 21к +375 (44) 770-80-78 ( Много )
Схема проезда
г. Березино ул. Комсомольская, д. 24 +375 (44) 770-80-17 ( Средне )
Схема проезда
г. Берёза ул. Красноармейская, 89/11 +375 (29) 676-70-71 ( Мало )
Схема проезда
г. Бобруйск ул. Гоголя, 181/1-6 +375 (29) 630-05-01 ( Средне )
Схема проезда
г. Витебск ул. Правды, 33 +375 (44) 770-80-87 ( Мало )
Схема проезда
г. Глубокое ул. Энгельса, 22 +375 (44) 505-71-40 ( Средне )
Схема проезда
г. Гомель ул. Барыкина, 291Б +375 (44) 514-15-30 ( Мало )
Схема проезда
г. Дятлово ул. Советская ,104 +375 (29) 187-87-37 ( Средне )
Схема проезда
г. Житковичи ул. Комсомольская, 49 +375 (29) 394-82-52 ( Средне )
Схема проезда
г. Жлобин ул. Козлова, 25 +375 (29) 346-06-78 ( Средне )
Схема проезда
г. Ивацевичи ул. Загородная, 6А +375 (29) 188-59-01 ( Средне )
Схема проезда
г. Лельчицы ул. Советская, д.96/1 +375 (29) 346-98-96 ( Много )
Схема проезда
г. Лепель ул. Лобанка, 43 +375 (44) 778-65-21 ( Средне )
Схема проезда
г. Лунинец ул.Красная, 175а +375 (44) 721-46-74 ( Средне )
Схема проезда
г. Молодечно ул. Галицкого, 14 +375 (44) 567-28-47 ( Средне )
Схема проезда
г. Новогрудок ул. Индустриальная, 3 +375 (44) 729-39-19 ( Средне )
Схема проезда
г. Ошмяны ул. Льнозоводская 3 +375 (44) 770-80-91 ( Средне )
Схема проезда
г. Полоцк-2 ул. Шенягина, 52 +375 (29) 302-94-73 ( Много )
Схема проезда
г. Поставы ул. Советская, 69 +375 (44) 770-80-13 ( Средне )
Схема проезда
г. Пружаны ул. Макаренко, 21 +375 (29) 348-83-18 ( Мало )
Схема проезда
г. Слоним ул. Советская, 93а +375 (29) 394-82-01 ( Средне )
Схема проезда
г. Слуцк ул. Тутаринова, 8 +375 (29) 346-06-90 ( Средне )
Схема проезда
г. Сморгонь ул. Железнодорожная, 32 +375 (29) 671-02-10 ( Средне )
Схема проезда
г. Солигорск Чижевичский сельсовет, 3Г +375 (29) 899-58-52 ( Средне )
Схема проезда
г. Щучин ул. Советская, 39 +375 (29) 177-29-70 ( Средне )
Схема проезда
Насос водяной (КАММИНС) 5269784
Насос водяной (КАММИНС)
Каталожный номер 5269784
Производитель Автомагнат Автомагнат
Код 35852
Доставка по всей Беларуси
Доступность остатки на филиалах Остатки на филиалах
Остаток: г.Минск, ул.Селицкого 21к В наличии
Склад Адрес Контакт Остатки
г. Минск ул. Селицкого, 21к +375 (44) 770-80-78 ( Средне )
Схема проезда
г. Брест Тельминский с/с, 1Д/1, 1 км южнее д. Тельмы-2 +375 (44) 599-90-75 ( Мало )
Схема проезда
г. Витебск ул. Правды, 33 +375 (44) 770-80-87 ( Мало )
Схема проезда
г. Гомель ул. Барыкина, 291Б +375 (44) 514-15-30 ( Средне )
Схема проезда
г. Горки ул.Мира, д.51а/1 +375 (44) 565-33-61 ( Мало )
Схема проезда
г. Житковичи ул. Комсомольская, 49 +375 (29) 394-82-52 ( Мало )
Схема проезда
г. Новогрудок ул. Индустриальная, 3 +375 (44) 729-39-19 ( Мало )
Схема проезда
г. Орша ул. Сергея Кирова, д. 34 +375 (44) 583-91-42 ( Мало )
Схема проезда
г. Ошмяны ул. Льнозоводская 3 +375 (44) 770-80-91 ( Мало )
Схема проезда
г. Полоцк-2 ул. Шенягина, 52 +375 (29) 302-94-73 ( Мало )
Схема проезда
г. Слоним ул. Советская, 93а +375 (29) 394-82-01 ( Мало )
Схема проезда
г. Солигорск Чижевичский сельсовет, 3Г +375 (29) 899-58-52 ( Мало )
Схема проезда
Термостат 80°С ТС-107-01
Термостат 80°С
Каталожный номер ТС-107-01
Производитель Автомагнат Автомагнат
Код 12427
Доставка по всей Беларуси
Доступность остатки на филиалах Остатки на филиалах
Остаток В наличии
Склад Адрес Контакт Остатки
г. Дятлово ул. Советская ,104 +375 (29) 187-87-37 ( Средне )
Схема проезда