Республика Беларусь,
г. Минск, ул. Селицкого 21к - центральный склад
Пн-пт с 8:00 до 17:00
Меню
130-3810098 Шланг гибкий
Наименование: Шланг 130-3810098 гибкий
Каталожный номер: 130-3810098
Производитель: RSTA
Код товара: 17699
Доставка: по всей Беларуси
Остаток: под заказ

Нашли не точность в описании товара? сообщить администратору.

+375 (44) 770-80-78 +375 (29) 747-80-78
* Выставить счет, получить техническую информацию и стоимость
Заказать деталь Онлайн
Описание
Наличие на филиалах
Применяемость
Заменить на СТО

Шланг 130-3810098 гибкий производства RSTA (РФ), Код для заказа: 17699

Марка Модель Кат.номер Наим. по каталогу Чертеж
ЗИЛ ЗИЛ-431410 Каталог 1989 г. (1989) 130-3810098 Шланг гибкий Схема пневматического привода тормозных систем Чертеж Схема пневматического привода тормозных систем
ЗИЛ ЗИЛ-431410 Каталог 1989 г. (1989) 130-3810098 Шланг гибкий Установка трубопроводов к манометрам воздуха Чертеж Установка трубопроводов к манометрам воздуха
ЗИЛ ЗИЛ-433360 (1995) 130-3810098-10 Шланг в сборе Пневматическая схема привода тормозных систем Чертеж Пневматическая схема привода тормозных систем
ЗИЛ ЗИЛ-433360 (1995) 130-3810098-10 Шланг в сборе Установка тормозного крана Чертеж Установка тормозного крана
ЗИЛ ЗИЛ-442160 (1995) 130-3810098-10 Шланг в сборе Пневматическая схема привода тормозных систем Чертеж Пневматическая схема привода тормозных систем
ЗИЛ ЗИЛ-442160 (1995) 130-3810098-10 Шланг в сборе Установка тормозного крана Чертеж Установка тормозного крана
ЗИЛ ЗИЛ-494560 (1995) 130-3810098-10 Шланг в сборе Пневматическая схема привода тормозных систем Чертеж Пневматическая схема привода тормозных систем
ЗИЛ ЗИЛ-494560 (1995) 130-3810098-10 Шланг в сборе Установка тормозного крана Чертеж Установка тормозного крана
ЗИЛ ЗИЛ-3250 (2000) 130-3810098-10 Шланг в сборе Схема тормозного привода, разделённого по бортам Чертеж Схема тормозного привода, разделённого по бортам
ЗИЛ ЗИЛ-3250 (2000) 130-3810098-10 Шланг в сборе схема тормозного привода, разделённого по мостам Чертеж схема тормозного привода, разделённого по мостам
ЗИЛ ЗИЛ-3250 (2000) 130-3810098-10 Шланг в сборе Установка тормозного крана Чертеж Установка тормозного крана
ЗИЛ ЗИЛ-3250 (2000) 130-3810098-10 Шланг в сборе Схема тормозного привода с АБС Чертеж Схема тормозного привода с АБС
ЗИЛ ЗИЛ-3250 (2000) 130-3810098-10 Шланг в сборе Установка тормозного крана и модулятора АБС Чертеж Установка тормозного крана и модулятора АБС
ЗИЛ ЗИЛ-433100 (Каталог 2003 года) 130-3810098-10 Шланг в сборе Схема пневматического привода тормозных систем автомобиля ЗИЛ-433100 Чертеж Схема пневматического привода тормозных систем автомобиля ЗИЛ-433100
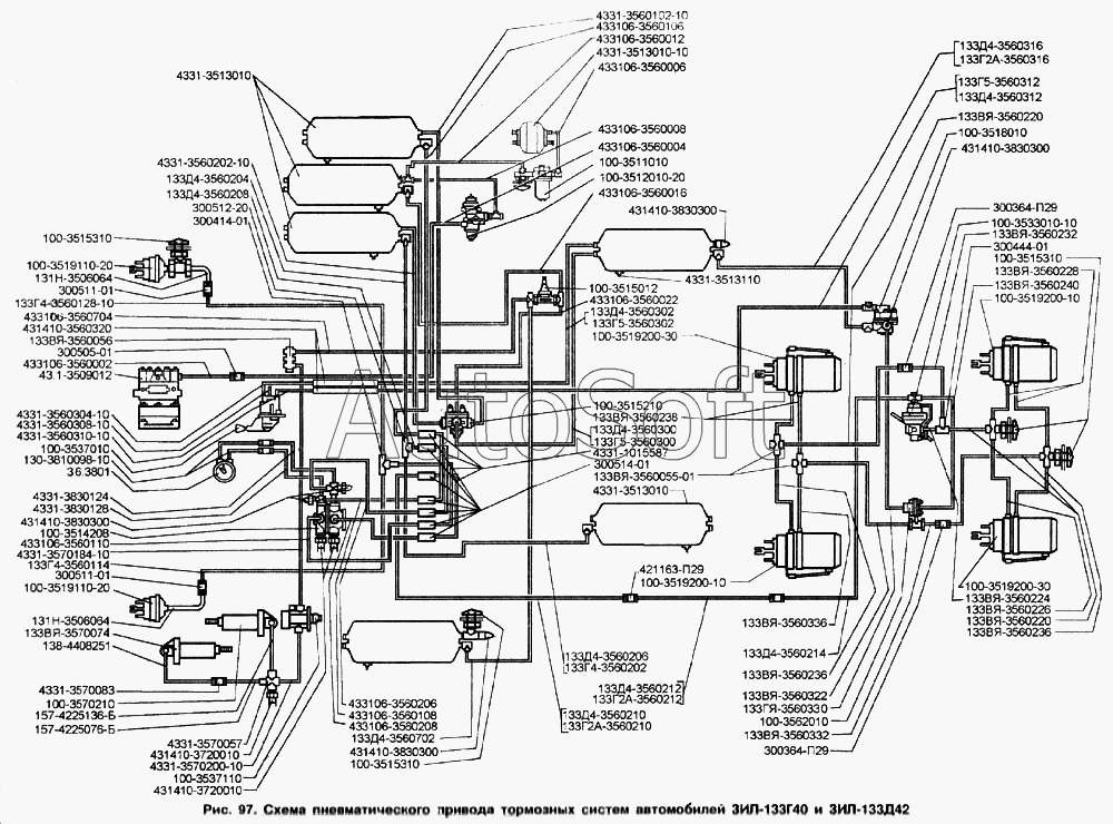
ЗИЛ ЗИЛ-433100 (Каталог 2003 года) 130-3810098-10 Шланг в сборе Схема пневматического привода тормозных систем автомобилей ЗИЛ-133Г40 и ЗИЛ-133Д42 Чертеж Схема пневматического привода тормозных систем автомобилей ЗИЛ-133Г40 и ЗИЛ-133Д42
ЗИЛ ЗИЛ-433100 (Каталог 2003 года) 130-3810098-10 Шланг в сборе Установка тормозного крана и трубок воздушного манометра на автомобиль ЗИЛ-433100 Чертеж Установка тормозного крана и трубок воздушного манометра на автомобиль ЗИЛ-433100
ЗИЛ ЗИЛ-433100 (Каталог 2003 года) 130-3810098-10 Шланг в сборе Установка тормозного крана и трубок воздушного манометра на автомобиль ЗИЛ-433 Чертеж Установка тормозного крана и трубок воздушного манометра на автомобиль ЗИЛ-433
ЗИЛ ЗИЛ-5301 (2006) (2006) 130-3810098-10 Шланг в сборе Схема тормозного привода автомобиля ЗИЛ-5301 без АБС, разделенного по мостам
ЗИЛ ЗИЛ-5301 (2006) (2006) 130-3810098-10 Шланг в сборе Схема тормозного привода автомобиля ЗИЛ-5301 без АБС, разделенного по бортам
ЗИЛ ЗИЛ-5301 (2006) (2006) 130-3810098-10 Шланг в сборе Схема тормозного привода автобусов и автомобилей с АБС
Товары из этой категории
Вал гибкий ЗИЛ 130 ГВ 300-04
Вал гибкий ЗИЛ 130
Каталожный номер ГВ 300-04
Производитель RSTA RSTA
Код 10381
Доставка по всей Беларуси
Доступность остатки на филиалах Остатки на филиалах
Остаток: г.Минск, ул.Селицкого 21к В наличии
Склад Адрес Контакт Остатки
г. Минск ул. Селицкого, 21к +375 (44) 770-80-78 ( Средне )
Схема проезда
г. Бобруйск ул. Орловского, 22к3 +375 (29) 345-37-07 ( Мало )
Схема проезда
г. Глубокое ул. Энгельса, 22 +375 (44) 505-71-40 ( Мало )
Схема проезда
г. Дятлово ул. Советская ,104 +375 (29) 187-87-37 ( Мало )
Схема проезда
г. Жлобин ул. Козлова, 25 +375 (29) 346-06-78 ( Мало )
Схема проезда
г. Кричев ул. Комсомольская, 126 +375 (29) 628-88-42 ( Мало )
Схема проезда
г. Новогрудок ул. Индустриальная, 3 +375 (44) 729-39-19 ( Мало )
Схема проезда
г. Осиповичи ул. Короткая, 11 +375 (29) 165-60-07 ( Средне )
Схема проезда
г. Полоцк-2 ул. Шенягина, 52 +375 (29) 302-94-73 ( Мало )
Схема проезда
г. Поставы ул. Советская, 69 +375 (44) 770-80-13 ( Мало )
Схема проезда
г. Слоним ул. Советская, 93а +375 (29) 394-82-01 ( Мало )
Схема проезда
г. Сморгонь ул. Железнодорожная, 32 +375 (29) 671-02-10 ( Средне )
Схема проезда
Вал гибкий ЗИЛ 5301 ГВ300-05
Вал гибкий ЗИЛ 5301
Каталожный номер ГВ300-05
Производитель Автотрос Автотрос
Код 11980
Доставка по всей Беларуси
Доступность остатки на филиалах Остатки на филиалах
Остаток: г.Минск, ул.Селицкого 21к В наличии
Склад Адрес Контакт Остатки
г. Минск ул. Селицкого, 21к +375 (44) 770-80-78 ( Мало )
Схема проезда
г. Бобруйск ул. Орловского, 22к3 +375 (29) 345-37-07 ( Мало )
Схема проезда
г. Дятлово ул. Советская ,104 +375 (29) 187-87-37 ( Мало )
Схема проезда
г. Новогрудок ул. Индустриальная, 3 +375 (44) 729-39-19 ( Мало )
Схема проезда
г. Полоцк-2 ул. Шенягина, 52 +375 (29) 302-94-73 ( Мало )
Схема проезда
г. Слоним ул. Советская, 93а +375 (29) 394-82-01 ( Мало )
Схема проезда