Республика Беларусь,
г. Минск, ул. Селицкого 21к - центральный склад
Пн-пт с 8:00 до 17:00
Меню
291762-П2 Шпилька термостата М8*75*
Наименование: Шпилька 291762-П2 термостата М8*75*
Каталожный номер: 291762-П2
Производитель: RSTA
Код товара: 00-ГР021114
Доставка: по всей Беларуси
Остаток: под заказ

Нашли не точность в описании товара? сообщить администратору.

+375 (44) 770-80-78 +375 (29) 747-80-78
* Выставить счет, получить техническую информацию и стоимость
Заказать деталь Онлайн
Описание
Наличие на филиалах
Применяемость
Заменить на СТО

Щпилька 291762-П2 термостата М8*75* производства RSTA (РФ), Код для заказа: 00-ГР021114

Марка Модель Кат.номер Наим. по каталогу Чертеж
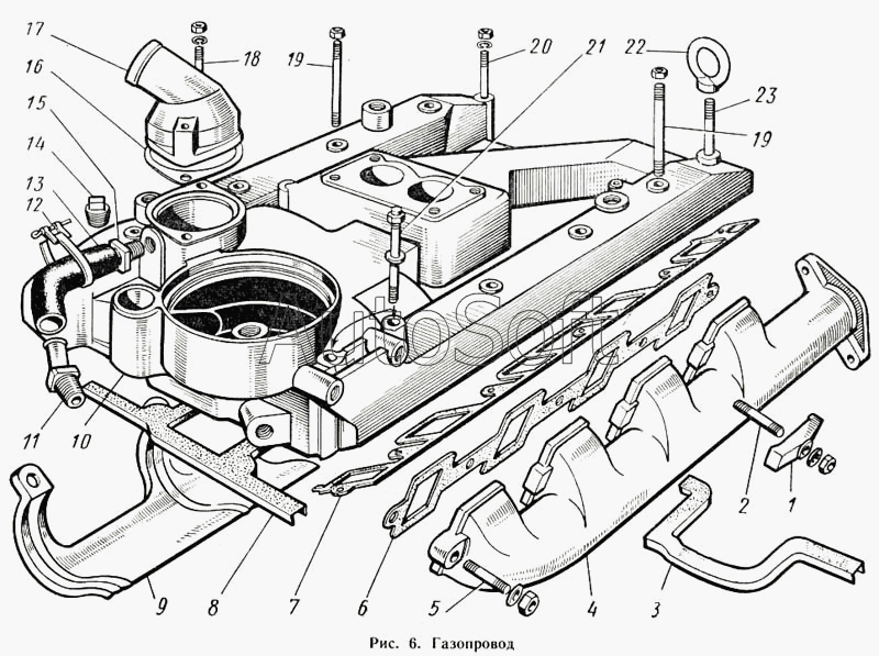
ГАЗ ГАЗ-14 (Чайка) (1980) 291762-П2 Шпилька М8х1-4hх75 Газопровод впускной и выпускной, вентиляция картера и термостат системы охлаждения двигателя Чертеж Газопровод впускной и выпускной, вентиляция картера и термостат системы охлаждения двигателя
ГАЗ ГАЗ-24-10 (1995) 291762-П Шпилька М8х1-4hх75 Термостат, насос водяной, вентилятор и его привод
ГАЗ ГАЗ-31029 291762-П Шпилька М8х1-4hх75 Термостат, насос водяной, вентилятор и его привод Чертеж Термостат, насос водяной, вентилятор и его привод
ГАЗ ГАЗ-3110 291762-П Шпилька М8х1-4hх75 Вентилятор, насос водяной, ремни привода вентилятора и водяного насоса, термостат, датчик указателя температуры охлаждающей жидкости двигателей ЗМЗ-402.10 и ЗМЗ-4021.10 Чертеж Вентилятор, насос водяной, ремни привода вентилятора и водяного насоса, термостат, датчик указателя температуры охлаждающей жидкости двигателей ЗМЗ-402.10 и ЗМЗ-4021.10
ГАЗ ГАЗ-3302 (ГАЗель) 291762-П Шпилька М8х1-4hх75 Насос водяной, вентилятор и его привод двигателей ЗМЗ 4025.10. ЗМЗ 4026.10 Чертеж Насос водяной, вентилятор и его привод двигателей ЗМЗ 4025.10. ЗМЗ 4026.10
ГАЗ ГАЗ-2705 (ГАЗель) (2000) 291762-П2 Шпилька М8х1-4hх75 Блок и головка цилиндров, датчик давления масла и датчик перегрева охлаждающей жидкости двигателей ЗМЗ-4025.10, ЗМЗ-4026.10 Чертеж Блок и головка цилиндров, датчик давления масла и датчик перегрева охлаждающей жидкости двигателей ЗМЗ-4025.10, ЗМЗ-4026.10
ГАЗ ГАЗ-2705 (ГАЗель) (2000) 291762-П Шпилька М8х1-4hх75 Вентилятор, насос водяной, приводы вентилятора и водяного насоса, термостат, датчик указателя температуры охлаждающей жидкости двигателей ЗМЗ-4025.10, ЗМЗ-4026.10 Чертеж Вентилятор, насос водяной, приводы вентилятора и водяного насоса, термостат, датчик указателя температуры охлаждающей жидкости двигателей ЗМЗ-4025.10, ЗМЗ-4026.10
ГАЗ ГАЗ-3307 (2000) 291762-П Шпилька М8х1-4hх75 Газопровод
ГАЗ ГАЗ-53 А (1989) 291762-П Шпилька М8х1-4hх75 Газопровод
ГАЗ ГАЗ-66 (Каталог 1983 г.) (1983) 291762-П Шпилька М8х1-4hх75 Газопровод
ГАЗ ГАЗ-66 (Каталог 1996 г.) (1996) 291762-П8 Шпилька М8Х1-4hХ75 Газопровод впускной и выпускной двигателя Чертеж Газопровод впускной и выпускной двигателя
ГАЗ ГАЗ-71 291762-П Шпилька М8х1-4hх75 Газопровод Чертеж Газопровод
ГАЗ ГАЗ-3302 (2004) (2004) 291762-П2 Шпилька М8х1-4hх75 Блок и головка цилиндров, датчик давления масла и датчик перегрева охлаждающей жидкости двигателей ЗМЗ-402 Чертеж Блок и головка цилиндров, датчик давления масла и датчик перегрева охлаждающей жидкости двигателей ЗМЗ-402
ГАЗ ГАЗ-3302 (2004) (2004) 291762-П Шпилька М8х1-4hх75 Вентилятор, насос водяной, термостат, датчик указателя температуры ЗМЗ-402 Чертеж Вентилятор, насос водяной, термостат, датчик указателя температуры ЗМЗ-402
УАЗ УАЗ-3160 (2002) 291762-П Шпилька 2М8х1,25х75 Термостат, насос системы охлаждения, вентилятор, кожух вентилятора, бачок расширительный
УАЗ УАЗ-31519 (2005) 291762 Шпилька 2М8х1х75 Термостат и насос системы охлаждения
ПАЗ ПАЗ-3205 (2001) 291762-П Шпилька М8х1х75 крепления выпускной трубы Газопровод
ПАЗ ПАЗ-672М (1987) 291762-П Шпилька М8х1х75 крепления выпускной трубы Газопровод
КАВЗ КАВЗ-685 (1971) 291762-П Шпилька М8-8Х1Х75 крепления впускной трубы Газопровод Чертеж Газопровод
УМЗ УМЗ-4215 (2002) 291762-П Шпилька 2М8х1х75 Привод водяного насоса
Товары из этой категории
Кран сливной ВС 8-1
Кран сливной
Каталожный номер ВС 8-1
Производитель RSTA RSTA
Код 12380
Доставка по всей Беларуси
Доступность остатки на филиалах Остатки на филиалах
Остаток: г.Минск, ул.Селицкого 21к В наличии
Склад Адрес Контакт Остатки
г. Минск ул. Селицкого, 21к +375 (44) 770-80-78 ( Мало )
Схема проезда
г. Барановичи ул. Бадака, 27Б +375 (29) 350-33-47 ( Средне )
Схема проезда
г. Борисов ул. Демина, 2а +375 (44) 560-99-75 ( Мало )
Схема проезда
г. Горки ул.Мира, д.51а/1 +375 (44) 565-33-61 ( Мало )
Схема проезда
г. Ивацевичи ул. Загородная, 6А +375 (29) 188-59-01 ( Мало )
Схема проезда
г. Кричев ул. Комсомольская, 126 +375 (29) 628-88-42 ( Мало )
Схема проезда
г. Осиповичи ул. Короткая, 11 +375 (29) 165-60-07 ( Мало )
Схема проезда
г. Поставы ул. Советская, 69 +375 (44) 770-80-13 ( Средне )
Схема проезда
г. Слуцк ул. Тутаринова, 8 +375 (29) 346-06-90 ( Средне )
Схема проезда
Патрубок верхний УАЗ 451-1303010
Патрубок верхний УАЗ
Каталожный номер 451-1303010
Производитель RSTA RSTA
Код 14941
Доставка по всей Беларуси
Доступность остатки на филиалах Остатки на филиалах
Остаток В наличии
Склад Адрес Контакт Остатки
г. Бобруйск ул. Орловского, 22к3 +375 (29) 345-37-07 ( Мало )
Схема проезда
Насос водяной 4022-1307010 М алюминий (HB1101L1) FENOX HB1101L1
Насос водяной 4022-1307010 М алюминий (HB1101L1) FENOX
Каталожный номер HB1101L1
Производитель FENOX FENOX
Код 00-ГР012000
Доставка по всей Беларуси
Доступность остатки на филиалах Остатки на филиалах
Остаток: г.Минск, ул.Селицкого 21к В наличии
Склад Адрес Контакт Остатки
г. Минск ул. Селицкого, 21к +375 (44) 770-80-78 ( Средне )
Схема проезда
г. Горки ул.Мира, д.51а/1 +375 (44) 565-33-61 ( Мало )
Схема проезда
г. Дятлово ул. Советская ,104 +375 (29) 187-87-37 ( Мало )
Схема проезда
г. Житковичи ул. Комсомольская, 49 +375 (29) 394-82-52 ( Мало )
Схема проезда
г. Лунинец ул.Красная, 175а +375 (44) 721-46-74 ( Мало )
Схема проезда
г. Полоцк-2 ул. Шенягина, 52 +375 (29) 302-94-73 ( Мало )
Схема проезда
г. Слуцк ул. Тутаринова, 8 +375 (29) 346-06-90 ( Мало )
Схема проезда
Пробка расширительного бачка 3302-1311066
Пробка расширительного бачка
Каталожный номер 3302-1311066
Производитель RSTA RSTA
Код 12419
Доставка по всей Беларуси
Доступность остатки на филиалах Остатки на филиалах
Остаток: г.Минск, ул.Селицкого 21к В наличии
Склад Адрес Контакт Остатки
г. Минск ул. Селицкого, 21к +375 (44) 770-80-78 ( Средне )
Схема проезда
г. Барановичи ул. Бадака, 27Б +375 (29) 350-33-47 ( Средне )
Схема проезда
г. Бобруйск ул. Орловского, 22к3 +375 (29) 345-37-07 ( Средне )
Схема проезда
г. Борисов ул. Демина, 2а +375 (44) 560-99-75 ( Средне )
Схема проезда
г. Брест Тельминский с/с, 1Д/1, 1 км южнее д. Тельмы-2 +375 (44) 599-90-75 ( Мало )
Схема проезда
г. Витебск ул. Правды, 33 +375 (44) 770-80-87 ( Средне )
Схема проезда
г. Глубокое ул. Энгельса, 22 +375 (44) 505-71-40 ( Мало )
Схема проезда
г. Гомель ул. Барыкина, 291Б +375 (44) 514-15-30 ( Мало )
Схема проезда
г. Гомель ул. Барыкина, 291Б +375 (44) 514-15-30 ( Средне )
Схема проезда
г. Горки ул.Мира, д.51а/1 +375 (44) 565-33-61 ( Мало )
Схема проезда
г. Гродно ул. Карского, 35 +375 (44) 770-70-21 ( Мало )
Схема проезда
г. Дятлово ул. Советская ,104 +375 (29) 187-87-37 ( Мало )
Схема проезда
г. Кобрин ул. Пролетарская, 177А +375 (44) 588-10-80 ( Мало )
Схема проезда
г. Кричев ул. Комсомольская, 126 +375 (29) 628-88-42 ( Мало )
Схема проезда
г. Мозырь промузел Козенки +375 (44) 731-94-60 ( Мало )
Схема проезда
г. Молодечно ул. Галицкого, 14 +375 (44) 567-28-47 ( Средне )
Схема проезда
г. Осиповичи ул. Короткая, 11 +375 (29) 165-60-07 ( Мало )
Схема проезда
г. Полоцк-2 ул. Шенягина, 52 +375 (29) 302-94-73 ( Мало )
Схема проезда
г. Полоцк-2 ул. Шенягина, 52 +375 (29) 302-94-73 ( Мало )
Схема проезда
г. Поставы ул. Советская, 69 +375 (44) 770-80-13 ( Мало )
Схема проезда
г. Пружаны ул. Макаренко, 21 +375 (29) 348-83-18 ( Средне )
Схема проезда
г. Слоним ул. Советская, 93а +375 (29) 394-82-01 ( Средне )
Схема проезда
г. Слуцк ул. Тутаринова, 8 +375 (29) 346-06-90 ( Средне )
Схема проезда
г. Сморгонь ул. Железнодорожная, 32 +375 (29) 671-02-10 ( Мало )
Схема проезда
г. Солигорск Чижевичский сельсовет, 3Г +375 (29) 899-58-52 ( Мало )
Схема проезда
Ролик натяжитель ГАЗ,УАЗ дв.406,514 голый 406-1308080-21
Ролик натяжитель ГАЗ,УАЗ дв.406,514 голый
Каталожный номер 406-1308080-21
Производитель PEKAR PEKAR
Код 29289
Доставка по всей Беларуси
Доступность остатки на филиалах Остатки на филиалах
Остаток Под заказ