Республика Беларусь,
г. Минск, ул. Селицкого 21к - центральный склад
Пн-пт с 8:00 до 17:00
Меню
50-1005033-А Шестерня ММЗ
Наименование: Шестерня 50-1005033-А ММЗ
Каталожный номер: 50-1005033-А
Производитель: ММЗ
Код товара: 00-ГР040208
Доставка: по всей Беларуси
Остаток: под заказ

Нашли не точность в описании товара? сообщить администратору.

+375 (44) 770-80-78 +375 (29) 747-80-78
* Выставить счет, получить техническую информацию и стоимость
Заказать деталь Онлайн
Описание
Наличие на филиалах
Применяемость
Заменить на СТО

Шестерня 50-1005033-А ММЗ производства ММЗ (ММЗ), Код для заказа: 00-ГР040208

Марка Модель Кат.номер Наим. по каталогу Чертеж
ГАЗ ГАЗ-3110 406.1005033 Звездочка коленчатого вала Вал коленчатый, поршни и шатуны двигателя ЗМЗ-4062.10
ГАЗ ГАЗ-3302 (ГАЗель) 406.1005033 Звездочка коленчатого вала Вал коленчатый, поршни и шатуны двигателей ЗМЗ 4061.10, ЗМЗ 4063.10, ЗМЗ 40637.10 Чертеж Вал коленчатый, поршни и шатуны двигателей ЗМЗ 4061.10, ЗМЗ 4063.10, ЗМЗ 40637.10
ГАЗ ГАЗ-2705 (ГАЗель) (2000) 406.1005033 Звездочка коленчатого вала Вал коленчатый, поршни и шатуны двигателей ЗМЗ-4061.10, ЗМЗ-4063.10 Чертеж Вал коленчатый, поршни и шатуны двигателей ЗМЗ-4061.10, ЗМЗ-4063.10
ГАЗ ГАЗ-2217 (Соболь) (1999) 406.1005033 Звездочка коленчатого вала Вал коленчатый, поршни и шатуны двигателя ЗМЗ-4063
ЛуАЗ ЛуАЗ 969М 968-1005033 Манжета передняя в сборе Вал коленчатый и маховик
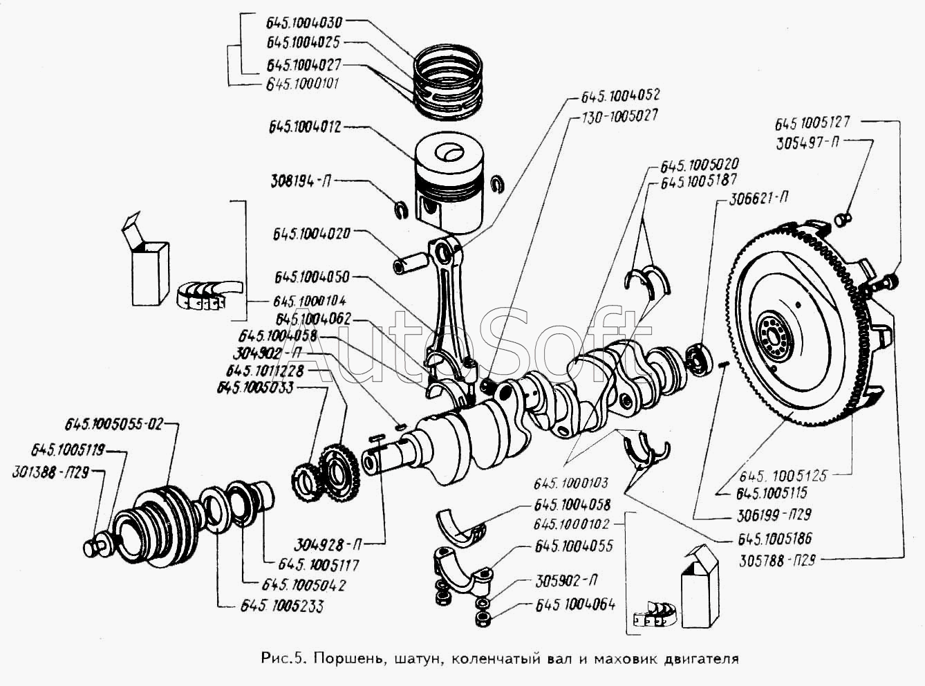
ЗИЛ ЗИЛ-433100 645.1005033 Шестерня коленчатого вала Поршень, шатун, коленчатый вал и маховик двигателя Чертеж Поршень, шатун, коленчатый вал и маховик двигателя
ЗИЛ ЗИЛ-5301 (2000) 240-1005033-01 Шестерня Поршень, шатун, коленчатый вал и маховик Чертеж Поршень, шатун, коленчатый вал и маховик
ЗИЛ ЗИЛ-3250 (2000) 240-1005033-01 Шестерня Поршень, шатун, коленчатый вал и маховик Чертеж Поршень, шатун, коленчатый вал и маховик
МТЗ МТЗ-80 (1998) 240-1005033 Шестерня Поршни и шатуны. Коленчатый вал и маховик Чертеж Поршни и шатуны. Коленчатый вал и маховик
МТЗ МТЗ-100 240-1005033 Шестерня Поршни и шатуны. Коленчатый вал и маховик Чертеж Поршни и шатуны. Коленчатый вал и маховик
МТЗ МТЗ-900 50-1005033 Шестерня Поршни и шатуны. Коленчатый вал и маховик Чертеж Поршни и шатуны. Коленчатый вал и маховик
МТЗ МТЗ-1221 (1997) 260-1005033 Шестерня ведущая Поршни и шатуны. Вал коленчатый и маховик Чертеж Поршни и шатуны. Вал коленчатый и маховик
ММЗ Д-242 50-1005033 Шестерня Поршни и шатуны. Коленчатый вал и маховик Чертеж Поршни и шатуны. Коленчатый вал и маховик
ММЗ Д-243 (2000) 240-1005033 Шестерня Поршни и шатуны. Коленчатый вал и маховик Чертеж Поршни и шатуны. Коленчатый вал и маховик
ММЗ Д-245 50-1005033 Шестерня Поршни и шатуны. Коленчатый вал и маховик Чертеж Поршни и шатуны. Коленчатый вал и маховик
ММЗ Д-245 240-1005033-01 Шестерня Поршни и шатуны. Коленчатый вал и маховик Чертеж Поршни и шатуны. Коленчатый вал и маховик
ММЗ Д-245.9 240-1005033-01 Шестерня Поршни и шатуны. Коленчатый вал и маховик Чертеж Поршни и шатуны. Коленчатый вал и маховик
ММЗ Д-245.12 240-1005033-01 Шестерня Поршни и шатуны. Коленчатый вал и маховик Чертеж Поршни и шатуны. Коленчатый вал и маховик
ММЗ Д-260.1 260-1005033 Шестерня ведущая Поршни и шатуны. Коленчатый вал и маховик Чертеж Поршни и шатуны. Коленчатый вал и маховик
ММЗ Д-260.4 260-1005033 Шестерня ведущая Поршни и шатуны. Коленчатый вал и маховик Чертеж Поршни и шатуны. Коленчатый вал и маховик
Аналоги
Шестерня 50-1005033-А 50-1005033-А
Шестерня 50-1005033-А
Каталожный номер 50-1005033-А
Производитель RSTA RSTA
Код 43366
Доставка по всей Беларуси
Доступность остатки на филиалах Остатки на филиалах
Остаток: г.Минск, ул.Селицкого 21к В наличии
Склад Адрес Контакт Остатки
г. Минск ул. Селицкого, 21к +375 (44) 770-80-78 ( Мало )
Схема проезда
Товары из этой категории
Болт 245-1008024 ММЗ 245-1008024
Болт 245-1008024 ММЗ
Каталожный номер 245-1008024
Производитель ММЗ ММЗ
Код 00-ГР035272
Доставка по всей Беларуси
Доступность остатки на филиалах Остатки на филиалах
Остаток: г.Минск, ул.Селицкого 21к В наличии
Склад Адрес Контакт Остатки
г. Минск ул. Селицкого, 21к +375 (44) 770-80-78 ( Много )
Схема проезда
г. Бобруйск ул. Орловского, 22к3 +375 (29) 345-37-07 ( Много )
Схема проезда
г. Слоним ул. Советская, 93а +375 (29) 394-82-01 ( Много )
Схема проезда
Кольцо гильзы 245-1002022-А2 FKM 245-1002022-А2
Кольцо гильзы 245-1002022-А2 FKM
Каталожный номер 245-1002022-А2
Производитель БСИ БСИ
Код 00-ГР024110
Доставка по всей Беларуси
Доступность остатки на филиалах Остатки на филиалах
Остаток: г.Минск, ул.Селицкого 21к В наличии
Склад Адрес Контакт Остатки
г. Минск ул. Селицкого, 21к +375 (44) 770-80-78 ( Много )
Схема проезда
г. Березино ул. Комсомольская, д. 24 +375 (44) 770-80-17 ( Много )
Схема проезда
г. Витебск ул. Правды, 33 +375 (44) 770-80-87 ( Много )
Схема проезда
г. Осиповичи ул. Короткая, 11 +375 (29) 165-60-07 ( Много )
Схема проезда
г. Полоцк-2 ул. Шенягина, 52 +375 (29) 302-94-73 ( Много )
Схема проезда
Вкладыш шатунный Д245-1004140А-Н2 комплект Д245-1004140-ЕН2
Вкладыш шатунный Д245-1004140А-Н2 комплект
Каталожный номер Д245-1004140-ЕН2
Производитель Дайдо Дайдо
Код 26608
Доставка по всей Беларуси
Доступность остатки на филиалах Остатки на филиалах
Остаток: г.Минск, ул.Селицкого 21к В наличии
Склад Адрес Контакт Остатки
г. Минск ул. Селицкого, 21к +375 (44) 770-80-78 ( Мало )
Схема проезда
г. Барановичи ул. Бадака, 27Б +375 (29) 350-33-47 ( Мало )
Схема проезда
г. Березино ул. Комсомольская, д. 24 +375 (44) 770-80-17 ( Мало )
Схема проезда
г. Витебск ул. Петруся Бровки, 34 +375 (29) 636-25-08 ( Мало )
Схема проезда
г. Гомель ул. Барыкина, 291Б +375 (44) 514-15-30 ( Мало )
Схема проезда
г. Жлобин ул. Козлова, 25 +375 (29) 346-06-78 ( Мало )
Схема проезда
г. Ивацевичи ул. Загородная, 6А +375 (29) 188-59-01 ( Мало )
Схема проезда
г. Лепель ул. Лобанка, 43 +375 (44) 778-65-21 ( Средне )
Схема проезда
г. Мозырь промузел Козенки +375 (44) 731-94-60 ( Мало )
Схема проезда
г. Несвиж ул. Кутузова, 2 +375 (29) 394-82-48 ( Мало )
Схема проезда
г. Новогрудок ул. Индустриальная, 3 +375 (44) 729-39-19 ( Мало )
Схема проезда
г. Орша ул. Сергея Кирова, д. 34 +375 (44) 583-91-42 ( Мало )
Схема проезда
г. Ошмяны ул. Льнозоводская 3 +375 (44) 770-80-91 ( Мало )
Схема проезда
г. Полоцк-2 ул. Шенягина, 52 +375 (29) 302-94-73 ( Мало )
Схема проезда
г. Полоцк-2 ул. Шенягина, 52 +375 (29) 302-94-73 ( Средне )
Схема проезда
г. Сморгонь ул. Железнодорожная, 32 +375 (29) 671-02-10 ( Мало )
Схема проезда
Амортизатор с ограничителем опоры двигателя передней 240-1001025
Амортизатор с ограничителем опоры двигателя передней
Каталожный номер 240-1001025
Производитель RSTA RSTA
Код 11544
Доставка по всей Беларуси
Доступность остатки на филиалах Остатки на филиалах
Остаток: г.Минск, ул.Селицкого 21к В наличии
Склад Адрес Контакт Остатки
г. Минск ул. Селицкого, 21к +375 (44) 770-80-78 ( Много )
Схема проезда
г. Барановичи ул. Пролетарская, 40 +375 (29) 795-96-37 ( Средне )
Схема проезда
г. Березино ул. Комсомольская, д. 24 +375 (44) 770-80-17 ( Средне )
Схема проезда
г. Берёза ул. Красноармейская, 89/11 +375 (29) 676-70-71 ( Средне )
Схема проезда
г. Бобруйск ул. Орловского, 22к3 +375 (29) 345-37-07 ( Мало )
Схема проезда
г. Борисов ул. Демина, 2а +375 (44) 560-99-75 ( Средне )
Схема проезда
г. Брест Тельминский с/с, 1Д/1, 1 км южнее д. Тельмы-2 +375 (44) 599-90-75 ( Средне )
Схема проезда
г. Витебск ул. Правды, 33 +375 (44) 770-80-87 ( Средне )
Схема проезда
г. Глубокое ул. Энгельса, 22 +375 (44) 505-71-40 ( Средне )
Схема проезда
г. Гомель ул. Барыкина, 291Б +375 (44) 514-15-30 ( Средне )
Схема проезда
г. Горки ул.Мира, д.51а/1 +375 (44) 565-33-61 ( Мало )
Схема проезда
г. Дрогичин ул. Юбилейная, 42 +375 (29) 682-17-13 ( Мало )
Схема проезда
г. Дятлово ул. Советская ,104 +375 (29) 187-87-37 ( Средне )
Схема проезда
г. Жлобин ул. Козлова, 25 +375 (29) 346-06-78 ( Мало )
Схема проезда
г. Ивацевичи ул. Загородная, 6А +375 (29) 188-59-01 ( Мало )
Схема проезда
г. Кричев ул. Комсомольская, 126 +375 (29) 628-88-42 ( Средне )
Схема проезда
г. Лепель ул. Лобанка, 43 +375 (44) 778-65-21 ( Средне )
Схема проезда
г. Молодечно ул. Галицкого, 14 +375 (44) 567-28-47 ( Средне )
Схема проезда
г. Несвиж ул. Кутузова, 2 +375 (29) 394-82-48 ( Средне )
Схема проезда
г. Новогрудок ул. Индустриальная, 3 +375 (44) 729-39-19 ( Средне )
Схема проезда
г. Орша ул. Сергея Кирова, д. 34 +375 (44) 583-91-42 ( Мало )
Схема проезда
г. Осиповичи ул. Короткая, 11 +375 (29) 165-60-07 ( Средне )
Схема проезда
г. Ошмяны ул. Льнозоводская 3 +375 (44) 770-80-91 ( Средне )
Схема проезда
г. Пинск ул. Калиновского 32 +375 (44) 560-99-59 ( Средне )
Схема проезда
г. Полоцк-2 ул. Шенягина, 52 +375 (29) 302-94-73 ( Мало )
Схема проезда
г. Полоцк-2 ул. Шенягина, 52 +375 (29) 302-94-73 ( Мало )
Схема проезда
г. Поставы ул. Советская, 69 +375 (44) 770-80-13 ( Средне )
Схема проезда
г. Пружаны ул. Макаренко, 21 +375 (29) 348-83-18 ( Средне )
Схема проезда
г. Слоним ул. Советская, 93а +375 (29) 394-82-01 ( Много )
Схема проезда
г. Сморгонь ул. Железнодорожная, 32 +375 (29) 671-02-10 ( Средне )
Схема проезда
г. Солигорск Чижевичский сельсовет, 3Г +375 (29) 899-58-52 ( Средне )
Схема проезда
г. Столин ул. Быковского, 29 +375 (33) 304-54-36 ( Средне )
Схема проезда
Палец поршневой 245-1004042 Б1 (42мм) КМЗ 245-1004042 Б1
Палец поршневой 245-1004042 Б1 (42мм) КМЗ
Каталожный номер 245-1004042 Б1
Производитель КМЗ КМЗ
Код 00-ГР013530
Доставка по всей Беларуси
Доступность остатки на филиалах Остатки на филиалах
Остаток: г.Минск, ул.Селицкого 21к В наличии
Склад Адрес Контакт Остатки
г. Минск ул. Селицкого, 21к +375 (44) 770-80-78 ( Много )
Схема проезда
г. Барановичи ул. Бадака, 27Б +375 (29) 350-33-47 ( Средне )
Схема проезда
г. Бобруйск ул. Орловского, 22к3 +375 (29) 345-37-07 ( Средне )
Схема проезда
г. Витебск ул. Правды, 33 +375 (44) 770-80-87 ( Средне )
Схема проезда
г. Слуцк ул. Тутаринова, 8 +375 (29) 346-06-90 ( Средне )
Схема проезда
Прокладка ГБЦ 245-1003020 (металл) GBC 245-1003020
Прокладка ГБЦ 245-1003020 (металл) GBC
Каталожный номер 245-1003020
Производитель ГБЦ ГБЦ
Код 00-ГР032425
Доставка по всей Беларуси
Доступность остатки на филиалах Остатки на филиалах
Остаток: г.Минск, ул.Селицкого 21к В наличии
Склад Адрес Контакт Остатки
г. Минск ул. Бабушкина, 37 +375 (29) 632-00-82 ( Мало )
Схема проезда
г. Минск ул. Селицкого, 21к +375 (44) 770-80-78 ( Много )
Схема проезда
г. Барановичи ул. Бадака, 27Б +375 (29) 350-33-47 ( Мало )
Схема проезда
г. Глубокое ул. Энгельса, 22 +375 (44) 505-71-40 ( Средне )
Схема проезда
г. Гродно ул. Карского, 35 +375 (44) 770-70-21 ( Мало )
Схема проезда
г. Жлобин ул. Козлова, 25 +375 (29) 346-06-78 ( Мало )
Схема проезда
г. Орша ул. Сергея Кирова, д. 34 +375 (44) 583-91-42 ( Средне )
Схема проезда
г. Ошмяны ул. Льнозоводская 3 +375 (44) 770-80-91 ( Мало )
Схема проезда
г. Слоним ул. Советская, 93а +375 (29) 394-82-01 ( Мало )
Схема проезда
г. Столин ул. Быковского, 29 +375 (33) 304-54-36 ( Мало )
Схема проезда
Ступица 260-1005141 шкива ЖМЗ 260-1005141
Ступица 260-1005141 шкива ЖМЗ
Каталожный номер 260-1005141
Производитель ЖМЗ ЖМЗ
Код 44538
Доставка по всей Беларуси
Доступность остатки на филиалах Остатки на филиалах
Остаток: г.Минск, ул.Селицкого 21к В наличии
Склад Адрес Контакт Остатки
г. Минск ул. Селицкого, 21к +375 (44) 770-80-78 ( Мало )
Схема проезда
Корпус 240-1002300 сальника с кольцом 240-1002300
Корпус 240-1002300 сальника с кольцом
Каталожный номер 240-1002300
Производитель ММЗ ММЗ
Код 00-ГР012971
Доставка по всей Беларуси
Доступность остатки на филиалах Остатки на филиалах
Остаток Под заказ