Республика Беларусь,
г. Минск, ул. Селицкого 21к - центральный склад
Пн-пт с 8:00 до 17:00
Меню
236-3802034-Б Шестерня (z=11) (я)
Наименование: Шестерня 236-3802034-Б (z=11) (я)
Каталожный номер: 236-3802034-Б
Производитель: RSTA
Код товара: 3759
Доставка: по всей Беларуси
Остаток: под заказ

Нашли не точность в описании товара? сообщить администратору.

+375 (44) 770-80-78 +375 (29) 747-80-78
* Выставить счет, получить техническую информацию и стоимость
Заказать деталь Онлайн
Описание
Наличие на филиалах
Применяемость
Заменить на СТО

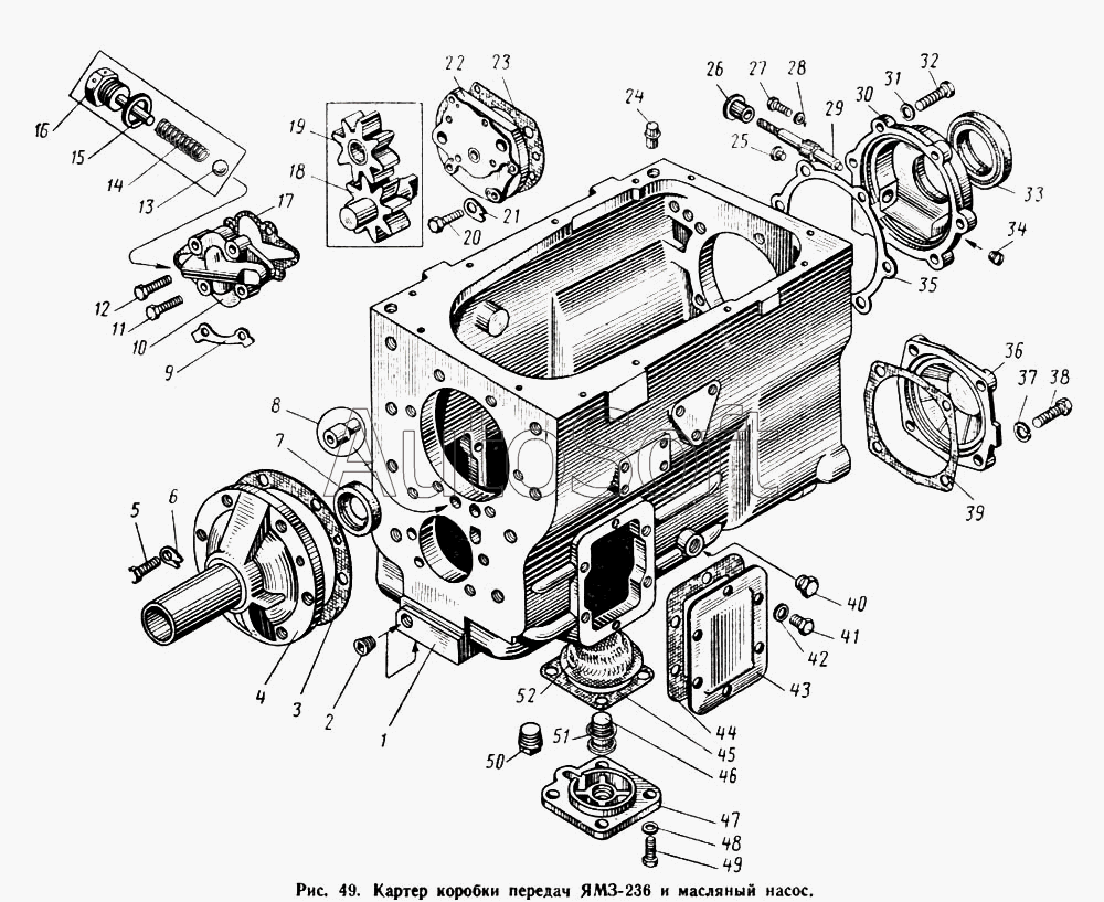
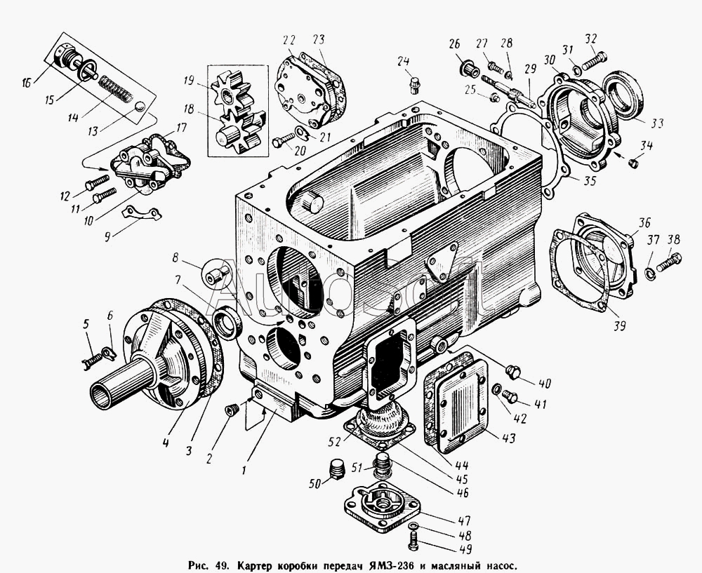
Шестерня 236-3802034-Б производства RSTA (РФ), Код для заказа: 3759

Марка Модель Кат.номер Наим. по каталогу Чертеж
МАЗ МАЗ-500А 236-3802034-Б Шестерня привода спидометра Картер коробки передач ЯМЗ-236 и масляный насос
МАЗ МАЗ-503А 236-3802034-Б Шестерня привода спидометра Картер коробки передач ЯМЗ-236 и масляный насос Чертеж Картер коробки передач ЯМЗ-236 и масляный насос
МАЗ МАЗ-504А 236-3802034-Б Шестерня привода спидометра Картер коробки передач ЯМЗ-236 и масляный насос Чертеж Картер коробки передач ЯМЗ-236 и масляный насос
ЛАЗ ЛАЗ 5252 236-3802034-Б Шестерня привода спидометра Коробка передач (модели 52528, 52528А) Чертеж Коробка передач (модели 52528, 52528А)
ЯМЗ ЯМЗ-236 М 236-3802034-Б Шестерня привода спидометра Картер и масляный насос коробки передач
ЯМЗ ЯМЗ-236 М 236-3802034-Б Шестерня привода спидометра Картер и масляный насос коробок передач ЯМЗ-236П и ЯМЗ-236Н
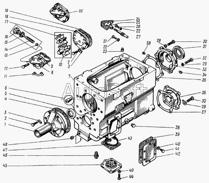
ЯМЗ ЯМЗ-236 М 201.3802034 Шестерня привода спидометра Картер понижающей передачи коробок передач 201 Чертеж Картер понижающей передачи коробок передач 201
ЯМЗ ЯМЗ-236 НЕ, 236 БЕ, 7601.10 (2003) 236-3802034-Б Шестерня привода спидометра Картер коробок передач ЯМЗ-236П3, ЯМЗ-236П4, ЯМЗ-236Л1, ЯМз-236У3
ЯМЗ ЯМЗ-236 НЕ, 236 БЕ, 7601.10 (2003) 201.3802034 Шестерня привода спидометра Картер демультипликатора Чертеж Картер демультипликатора
ЯМЗ ЯМЗ-238 М 236-3802034-Б Шестерня привода спидометра Картер и масляный насос коробки передач
ЯМЗ ЯМЗ-236 М2 и 238 М2 236-3802034-Б Шестерня привода спидометра Картер и масляный насос коробок передач ЯМЗ-236Н и ЯМЗ-236П Чертеж Картер и масляный насос коробок передач ЯМЗ-236Н и ЯМЗ-236П
ЯМЗ ЯМЗ-238 АМ 236-3802034-Б Шестерня привода спидометра Картер и масляный насос коробки передач
ЯМЗ ЯМЗ-238 ГМ 236-3802034-Б Шестерня привода спидометра Картер и масляный насос коробки передач
ЯМЗ ЯМЗ-238 ИМ 236-3802034-Б Шестерня привода спидометра Картер и масляный насос коробки передач
ЯМЗ ЯМЗ-238 НД 236-3802034-Б Шестерня привода спидометра Картер и масляный насос коробки передач
ЯМЗ ЯМЗ-238 Н 236-3802034-Б Шестерня привода спидометра Картер и масляный насос коробки передач
ЯМЗ ЯМЗ-238 Н 236-3802034-Б Шестерня привода спидометра Картер и масляный насос коробок передач ЯМЗ-236П и ЯМЗ-236Н
ЯМЗ ЯМЗ-238 Л 236-3802034-Б Шестерня привода спидометра Картер и масляный насос коробки передач
ЯМЗ ЯМЗ-238 ПМ и 238 ФМ 236-3802034-Б Шестерня привода спидометра Картер и масляный насос коробки передач
ЯМЗ Общий (см. мод-ции) 236-3802034-Б Шестерня привода спидометра Картер и масляный насос коробки передач Чертеж Картер и масляный насос коробки передач
Товары из этой категории
Блок контроля давления масла,напряжения, температуры ЭК8048-2
Блок контроля давления масла,напряжения, температуры
Каталожный номер ЭК8048-2
Производитель ВЗЭП ВЗЭП
Код 7497
Доставка по всей Беларуси
Доступность остатки на филиалах Остатки на филиалах
Остаток: г.Минск, ул.Селицкого 21к В наличии
Склад Адрес Контакт Остатки
г. Минск ул. Селицкого, 21к +375 (44) 770-80-78 ( Мало )
Схема проезда
Шестерня привода спидометра Z=31 54321-3802054
Шестерня привода спидометра Z=31
Каталожный номер 54321-3802054
Производитель МАЗ МАЗ
Код 4878
Доставка по всей Беларуси
Доступность остатки на филиалах Остатки на филиалах
Остаток В наличии
Склад Адрес Контакт Остатки
г. Полоцк-2 ул. Шенягина, 52 +375 (29) 302-94-73 ( Мало )
Схема проезда
Шестерня привода спидометра Z=16 54321-3802055
Шестерня привода спидометра Z=16
Каталожный номер 54321-3802055
Производитель МАЗ МАЗ
Код 4879
Доставка по всей Беларуси
Доступность остатки на филиалах Остатки на филиалах
Остаток: г.Минск, ул.Селицкого 21к В наличии
Склад Адрес Контакт Остатки
г. Минск ул. Селицкого, 21к +375 (44) 770-80-78 ( Мало )
Схема проезда
г. Гродно ул. Карского, 35 +375 (44) 770-70-21 ( Средне )
Схема проезда
г. Мозырь промузел Козенки +375 (44) 731-94-60 ( Мало )
Схема проезда
г. Полоцк-2 ул. Шенягина, 52 +375 (29) 302-94-73 ( Мало )
Схема проезда
Блок ЭК8048-1 контроля давления воздуха, уровня топлива ВЗЭП ЭК8048-1
Блок ЭК8048-1 контроля давления воздуха, уровня топлива ВЗЭП
Каталожный номер ЭК8048-1
Производитель ВЗЭП ВЗЭП
Код 7496
Доставка по всей Беларуси
Доступность остатки на филиалах Остатки на филиалах
Остаток: г.Минск, ул.Селицкого 21к В наличии
Склад Адрес Контакт Остатки
г. Минск ул. Селицкого, 21к +375 (44) 770-80-78 ( Мало )
Схема проезда
Указатель 33.3810 (УК-170) давления масла АВТОПРИБОР 33.3810
Указатель 33.3810 (УК-170) давления масла АВТОПРИБОР
Каталожный номер 33.3810
Производитель Автоприбор Автоприбор
Код 00-ГР014584
Доставка по всей Беларуси
Доступность остатки на филиалах Остатки на филиалах
Остаток: г.Минск, ул.Селицкого 21к В наличии
Склад Адрес Контакт Остатки
г. Минск ул. Селицкого, 21к +375 (44) 770-80-78 ( Средне )
Схема проезда
г. Барановичи ул. Пролетарская, 40 +375 (29) 795-96-37 ( Мало )
Схема проезда
г. Бобруйск ул. Гоголя, 181/1-6 +375 (29) 630-05-01 ( Мало )
Схема проезда
г. Бобруйск ул. Орловского, 22к3 +375 (29) 345-37-07 ( Мало )
Схема проезда
г. Борисов ул. Демина, 2а +375 (44) 560-99-75 ( Мало )
Схема проезда
г. Витебск ул. Правды, 33 +375 (44) 770-80-87 ( Мало )
Схема проезда
г. Глубокое ул. Энгельса, 22 +375 (44) 505-71-40 ( Мало )
Схема проезда
г. Дрогичин ул. Юбилейная, 42 +375 (29) 682-17-13 ( Мало )
Схема проезда
г. Дятлово ул. Советская ,104 +375 (29) 187-87-37 ( Мало )
Схема проезда
г. Житковичи ул. Комсомольская, 49 +375 (29) 394-82-52 ( Мало )
Схема проезда
г. Кричев ул. Комсомольская, 126 +375 (29) 628-88-42 ( Мало )
Схема проезда
г. Лунинец ул.Красная, 175а +375 (44) 721-46-74 ( Мало )
Схема проезда
г. Молодечно ул. Галицкого, 14 +375 (44) 567-28-47 ( Мало )
Схема проезда
г. Новогрудок ул. Индустриальная, 3 +375 (44) 729-39-19 ( Средне )
Схема проезда
г. Орша ул. Сергея Кирова, д. 34 +375 (44) 583-91-42 ( Мало )
Схема проезда
г. Ошмяны ул. Льнозоводская 3 +375 (44) 770-80-91 ( Мало )
Схема проезда
г. Полоцк-2 ул. Шенягина, 52 +375 (29) 302-94-73 ( Мало )
Схема проезда
г. Полоцк-2 ул. Шенягина, 52 +375 (29) 302-94-73 ( Мало )
Схема проезда
г. Столин ул. Быковского, 29 +375 (33) 304-54-36 ( Мало )
Схема проезда