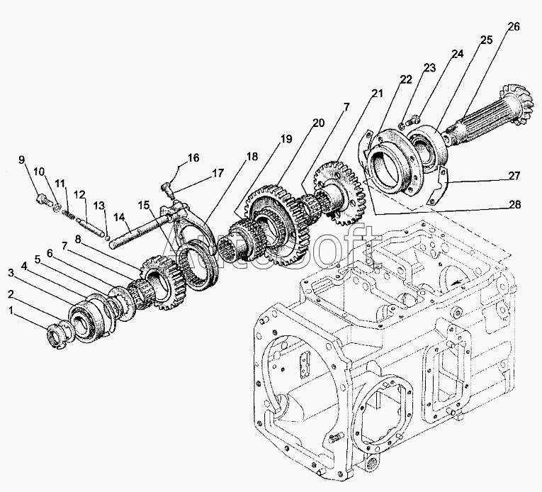
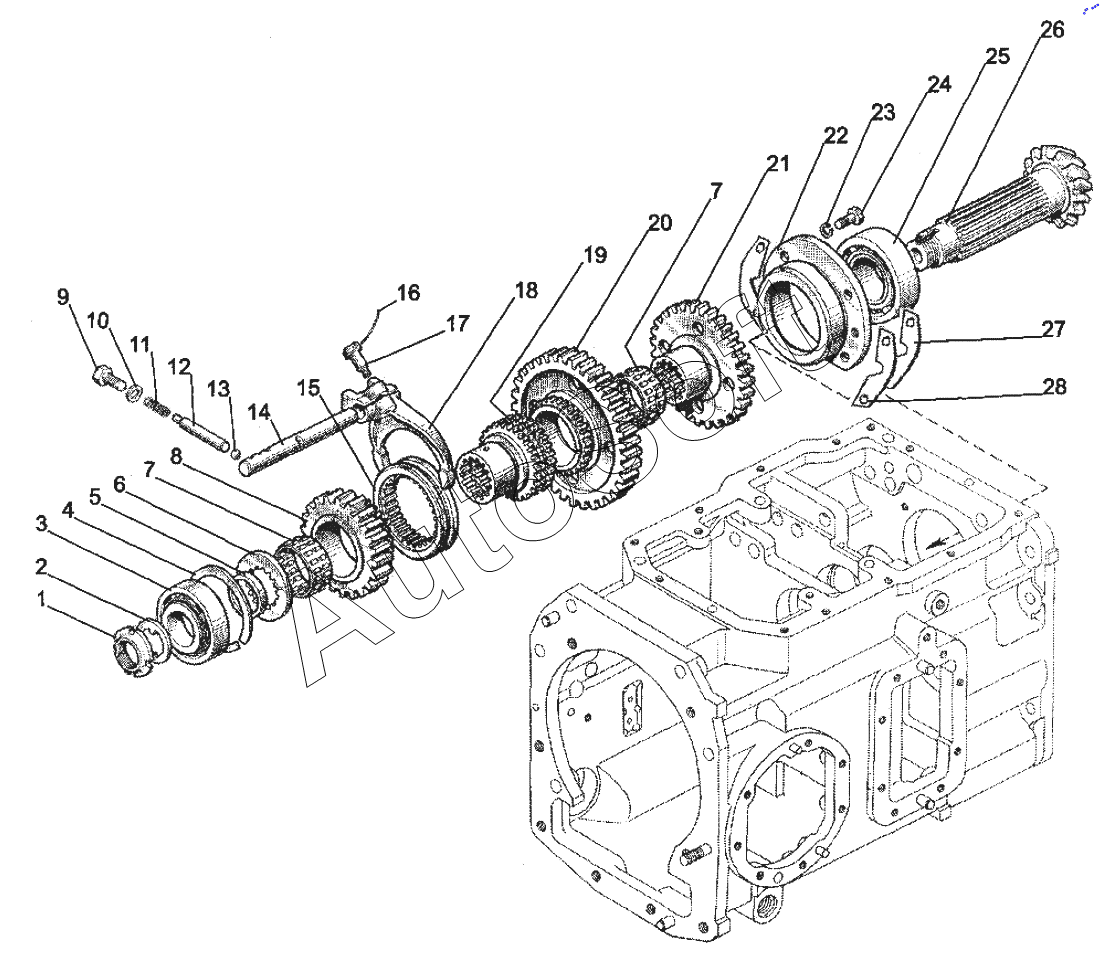
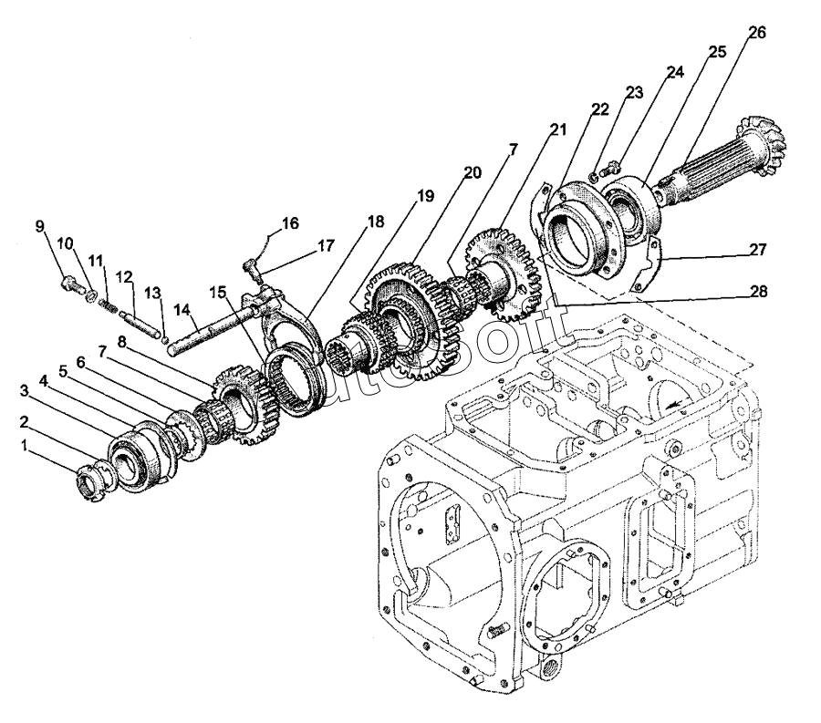
112-1701314 Шестерня
| Наименование: | Шестерня 112-1701314 |
| Каталожный номер: | 112-1701314 |
| Производитель: |
|
| Код товара: | 22794 |
| Доставка: | по всей Беларуси |
| Остаток: | под заказ |
Нашли не точность в описании товара? сообщить администратору.
* Выставить счет, получить техническую информацию и стоимость
Заказать деталь Онлайн
Описание
Наличие на филиалах
Применяемость
Заменить на СТО
Email
ras.Drenchik@gmail.com
Email
ras.Drobot@gmail.com
Email
ras.Rozhkov@gmail.com
Email
los.Konoda@gmail.com
Email
ras.titenkova@gmail.com
Email
ras.Abramovich@gmail.com
Email
pinsk.sto@gmail.com
Email
sto.Polock@snabavto.by
13.10.20
Код для заказа: 22794
| Марка | Модель | Кат.номер | Наим. по каталогу | Чертеж | |
|---|---|---|---|---|---|
| МТЗ | МТЗ-1221 (1997) | 112-1701314 | Шестерня | Вал вторичный |
|
| МТЗ | МТЗ-1005 (2008) | 112-1701314 | Шестерня | Вал вторичный | |
| МТЗ | МТЗ-1025.4 (2009) | 112-1701314 | Шестерня | Вал вторичный | |
| МТЗ | МТЗ-1221 (2009) (2009) | 112-1701314 | Шестерня | Коробка передач. Вал вторичный |
|
| МТЗ | 1220 (2011) | 112-1701314 | Шестерня | Коробка передач. Вал вторичный (16F+8R) |
|
| МТЗ | 1220.5 (2013) | 112-1701314 | Шестерня | Вал вторичный (16F+8R) |
|
| МТЗ | 1025/1025.2/1025.3 (2009) | 112-1701314 | Шестерня | Вал вторичный |
|
| МТЗ | 1025.5 (2013) | 112-1701314 | Шестерня | Вал вторичный |
|
| МТЗ | МТЗ-1221.5 (2013) | 112-1701314 | Шестерня | Вал вторичный (16F+8R) |
|
| МТЗ | МТЗ-1221.4 (2009) | 112-1701314 | Шестерня | Коробка передач. Вал вторичный |
|
| МТЗ | МТЗ-1221.4 (2009) | 112-1701314 | Шестерня | Коробка передач. Вал вторичный |
|
| МТЗ | БЕЛАРУС 1220.7 (2022) | 112-1701314 | Шестерня | Вал вторичный (16F+8R) |
|
Под заказ
Товары из этой категории
| Гайка 50-1701253 (М36х1,5) вторичного вала нижней цапфы АМ | |
| Каталожный номер | 50-1701253 |
| Производитель |
|
| Код | 00-ГР021633 |
| Доставка | по всей Беларуси |
| Доступность | остатки на филиалах |
| Остаток | В наличии |
| Склад | Адрес | Контакт | Остатки | |
|---|---|---|---|---|
| г. Глубокое | ул. Энгельса, 22 | +375 (44) 505-71-40 |
( Мало )
|
Схема проезда |
| г. Дятлово | ул. Советская ,104 | +375 (29) 187-87-37 |
( Средне )
|
Схема проезда |
| г. Кричев | ул. Комсомольская, 126 | +375 (29) 628-88-42 |
( Мало )
|
Схема проезда |
| г. Несвиж | ул. Кутузова, 2 | +375 (29) 394-82-48 |
( Средне )
|
Схема проезда |
| г. Ошмяны | ул. Льнозоводская 3 | +375 (44) 770-80-91 |
( Средне )
|
Схема проезда |
| г. Полоцк-2 | ул. Шенягина, 52 | +375 (29) 302-94-73 |
( Мало )
|
Схема проезда |
| Шестерня 50-1701212А 1 пер. и з/х (Z=17) АГРОТЭК | |
| Каталожный номер | 50-1701212А |
| Производитель |
|
| Код | 00-ГР022955 |
| Доставка | по всей Беларуси |
| Доступность | остатки на филиалах |
| Остаток: г.Минск, ул.Селицкого 21к | В наличии |
| Склад | Адрес | Контакт | Остатки | |
|---|---|---|---|---|
| г. Минск | ул. Селицкого, 21к | +375 (44) 770-80-78 |
( Средне )
|
Схема проезда |
| г. Глубокое | ул. Энгельса, 22 | +375 (44) 505-71-40 |
( Мало )
|
Схема проезда |
| г. Ивацевичи | ул. Загородная, 6А | +375 (29) 188-59-01 |
( Мало )
|
Схема проезда |
| г. Лепель | ул. Лобанка, 43 | +375 (44) 778-65-21 |
( Мало )
|
Схема проезда |
| г. Молодечно | ул. Галицкого, 14 | +375 (44) 567-28-47 |
( Мало )
|
Схема проезда |
| г. Новогрудок | ул. Индустриальная, 3 | +375 (44) 729-39-19 |
( Мало )
|
Схема проезда |
| г. Поставы | ул. Советская, 69 | +375 (44) 770-80-13 |
( Мало )
|
Схема проезда |
| Шестерня 50-1701218 5-ой пер. и з/х (Z=38/19) АГРОТЭК | |
| Каталожный номер | 50-1701218 |
| Производитель |
|
| Код | 00-ГР022958 |
| Доставка | по всей Беларуси |
| Доступность | остатки на филиалах |
| Остаток: г.Минск, ул.Селицкого 21к | В наличии |
| Склад | Адрес | Контакт | Остатки | |
|---|---|---|---|---|
| г. Минск | ул. Селицкого, 21к | +375 (44) 770-80-78 |
( Средне )
|
Схема проезда |
| г. Дрогичин | ул. Юбилейная, 42 | +375 (29) 682-17-13 |
( Мало )
|
Схема проезда |
| г. Ивацевичи | ул. Загородная, 6А | +375 (29) 188-59-01 |
( Мало )
|
Схема проезда |
| г. Лепель | ул. Лобанка, 43 | +375 (44) 778-65-21 |
( Мало )
|
Схема проезда |
| г. Молодечно | ул. Галицкого, 14 | +375 (44) 567-28-47 |
( Мало )
|
Схема проезда |
| г. Ошмяны | ул. Льнозоводская 3 | +375 (44) 770-80-91 |
( Мало )
|
Схема проезда |
| г. Полоцк-2 | ул. Шенягина, 52 | +375 (29) 302-94-73 |
( Мало )
|
Схема проезда |
| г. Полоцк-2 | ул. Шенягина, 52 | +375 (29) 302-94-73 |
( Мало )
|
Схема проезда |
| г. Поставы | ул. Советская, 69 | +375 (44) 770-80-13 |
( Мало )
|
Схема проезда |
| г. Столин | ул. Быковского, 29 | +375 (33) 304-54-36 |
( Мало )
|
Схема проезда |
| Вал промежуточный КПП МТЗ | |
| Каталожный номер | 50-1701182, 70-1701182 |
| Производитель |
|
| Код | 12583 |
| Доставка | по всей Беларуси |
| Доступность | остатки на филиалах |
| Остаток | В наличии |
| Склад | Адрес | Контакт | Остатки | |
|---|---|---|---|---|
| г. Глубокое | ул. Энгельса, 22 | +375 (44) 505-71-40 |
( Мало )
|
Схема проезда |
| г. Новогрудок | ул. Индустриальная, 3 | +375 (44) 729-39-19 |
( Мало )
|
Схема проезда |
| г. Ошмяны | ул. Льнозоводская 3 | +375 (44) 770-80-91 |
( Мало )
|
Схема проезда |
| г. Полоцк-2 | ул. Шенягина, 52 | +375 (29) 302-94-73 |
( Мало )
|
Схема проезда |
| Шестерня 5-й передачи и заднего хода | |
| Каталожный номер | 50-1701218 |
| Производитель |
|
| Код | 11807 |
| Доставка | по всей Беларуси |
| Доступность | остатки на филиалах |
| Остаток | Под заказ |
Политика обработки файлов cookie
На сайте snabavto.by используются файлы cookie для сбора обезличенной информации о пользователях. Это помогает нам анализировать статистику, совершенствовать сервис и делать его более удобным для вас. Подробнее о файлах cookie вы можете узнать в соответствующем разделе Политики обработки файлов cookie.
Ремавтоснаб