Республика Беларусь,
г. Минск, ул. Селицкого 21к - центральный склад
Пн-пт с 8:00 до 17:00
Меню
ШЦК10х25 Штифт
Наименование: Штифт ШЦК10х25
Каталожный номер: ШЦК10х25
Производитель: RSTA
Код товара: 00-ГР001894
Доставка: по всей Беларуси
Остаток: под заказ

Нашли не точность в описании товара? сообщить администратору.

+375 (44) 770-80-78 +375 (29) 747-80-78
* Выставить счет, получить техническую информацию и стоимость
Заказать деталь Онлайн
Описание
Наличие на филиалах
Применяемость
Заменить на СТО

21.10.20

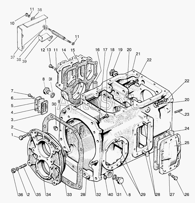
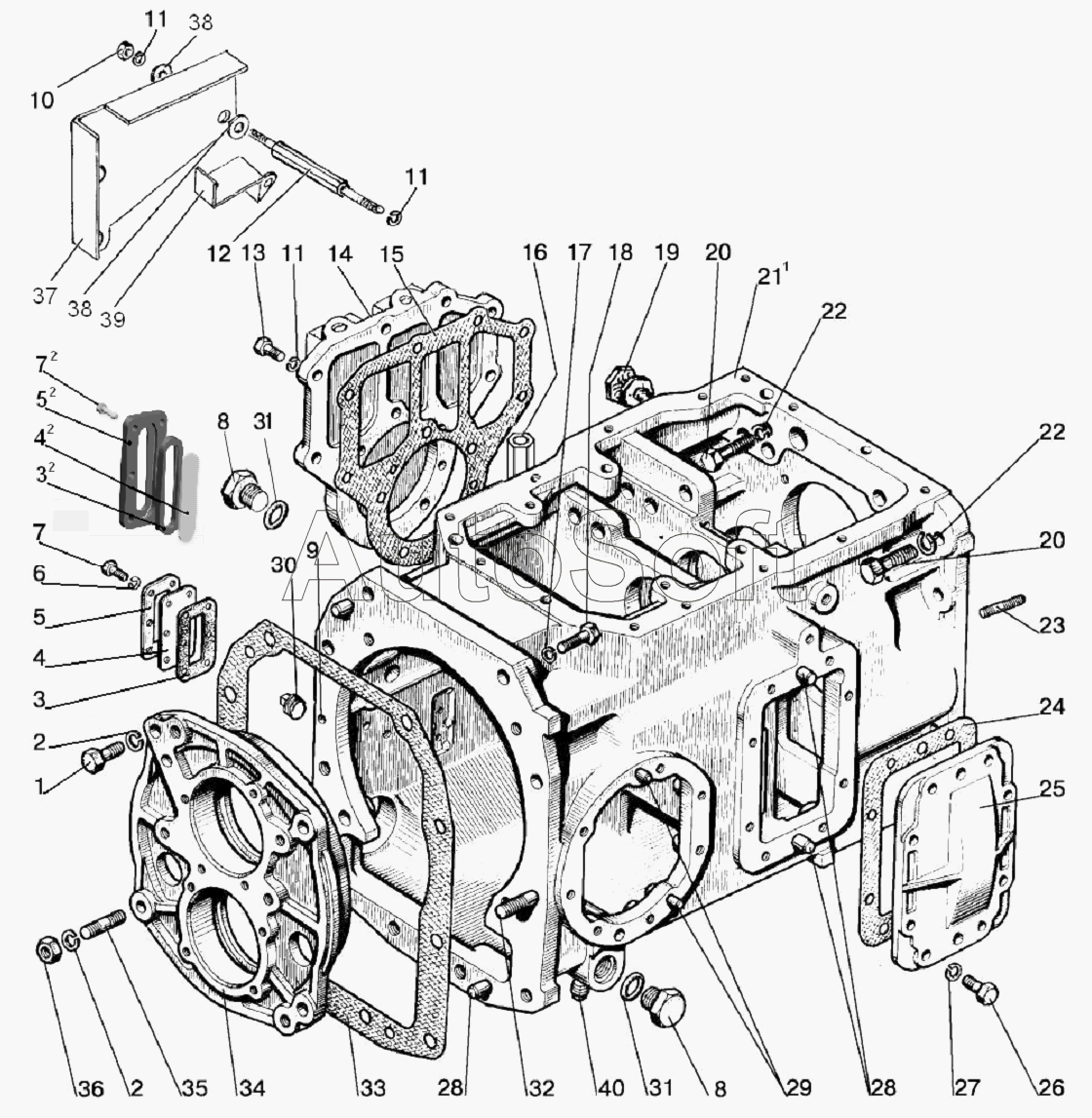
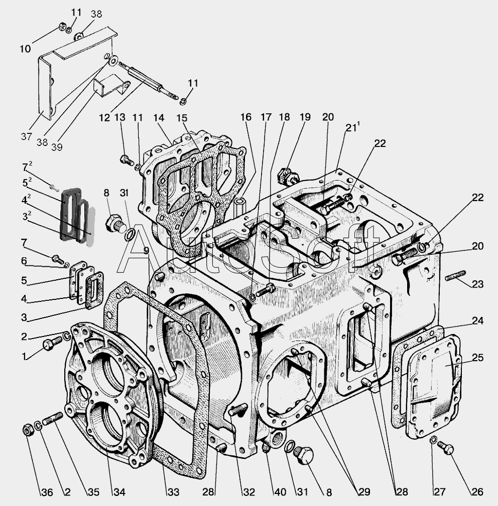
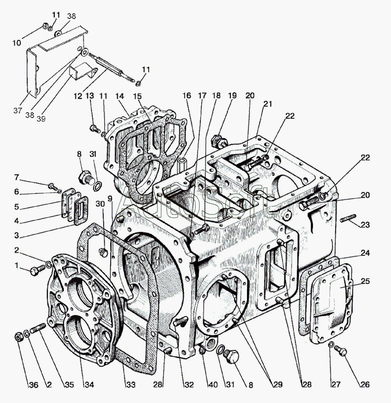
Штифт ШЦК10х25, группа: 17 — КПП МТЗ  , ШЦК10х25.

  • Каталожный номер: ШЦК10х25
  • Код товара  для заказа:  00-ГР001894
Марка Модель Кат.номер Наим. по каталогу Чертеж
МТЗ МТЗ-1523 ШЦК10х25 Штифт Корпус сцепления Чертеж Корпус сцепления
МТЗ МТЗ-1523 ШЦК10х25 Штифт Коробка передач 1522-1700010
МТЗ МТЗ-1523 ШЦК10х25 Штифт Коробка передач 1222-1700010
МТЗ МТЗ-1522 (2008) ШЦК10х25 Штифт Корпус сцепления
МТЗ МТЗ-1522 (2008) ШЦК10х25 Штифт Коробка передач 1522-1700010
МТЗ МТЗ-1522 (2008) ШЦК10х25 Штифт Коробка передач 1222-1700010
МТЗ МТЗ-822 (2008) ШЦК10х25 Штифт Корпус сцепления Чертеж Корпус сцепления
МТЗ МТЗ-822 (2008) ШЦК10х25 Штифт Механизм управления коробкой передач Чертеж Механизм управления коробкой передач
МТЗ МТЗ-922 (2008) ШЦК10х25 Штифт Корпус сцепления Чертеж Корпус сцепления
МТЗ МТЗ-922 (2008) ШЦК10х25 Штифт Механизм управления коробкой передач Чертеж Механизм управления коробкой передач
МТЗ МТЗ-923 (2008) ШЦК10х25 Штифт Корпус сцепления
МТЗ МТЗ-923 (2008) ШЦК10х25 Штифт Механизм управления коробкой передач Чертеж Механизм управления коробкой передач
МТЗ МТЗ-1025.4 (2009) ШЦК10х25 Штифт Коробка передач Чертеж Коробка передач
МТЗ МТЗ-3522 (2011) ШЦК10х25 Штифт Коробка передач
МТЗ 622 (2012) ШЦК10х25 Штифт Коробка передач
МТЗ МТЗ-1221 (2009) (2009) ШЦК10х25 Штифт Коробка передач Чертеж Коробка передач
МТЗ 1220 (2011) ШЦК10х25 Штифт Коробка передач 112-1700010-А (16F+8R) Чертеж Коробка передач 112-1700010-А (16F+8R)
МТЗ 92П (2010) ШЦК10х25 Штифт Корпус сцепления Чертеж Корпус сцепления
МТЗ 892 (2011) ШЦК10х25 Штифт Корпус сцепления Чертеж Корпус сцепления
МТЗ 1220.5 (2013) ШЦК10х25 Штифт Коробка передач 112-1700010-А (16F+8R) Чертеж Коробка передач 112-1700010-А (16F+8R)
Товары из этой категории
Гайка 80-1701045 БЗТДиА 80-1701045
Гайка 80-1701045 БЗТДиА
Каталожный номер 80-1701045
Производитель БЗТДиА БЗТДиА
Код 00-ГР025522
Доставка по всей Беларуси
Доступность остатки на филиалах Остатки на филиалах
Остаток: г.Минск, ул.Селицкого 21к В наличии
Склад Адрес Контакт Остатки
г. Минск ул. Селицкого, 21к +375 (44) 770-80-78 ( Много )
Схема проезда
г. Дрогичин ул. Юбилейная, 42 +375 (29) 682-17-13 ( Мало )
Схема проезда
г. Ивацевичи ул. Загородная, 6А +375 (29) 188-59-01 ( Средне )
Схема проезда
г. Молодечно ул. Галицкого, 14 +375 (44) 567-28-47 ( Средне )
Схема проезда
г. Осиповичи ул. Короткая, 11 +375 (29) 165-60-07 ( Мало )
Схема проезда
г. Столин ул. Быковского, 29 +375 (33) 304-54-36 ( Мало )
Схема проезда
Гайка 50-1701253 (М36х1,5) вторичного вала нижней цапфы АМ 50-1701253
Гайка 50-1701253 (М36х1,5) вторичного вала нижней цапфы АМ
Каталожный номер 50-1701253
Производитель Автомагнат Автомагнат
Код 00-ГР021633
Доставка по всей Беларуси
Доступность остатки на филиалах Остатки на филиалах
Остаток В наличии
Склад Адрес Контакт Остатки
г. Глубокое ул. Энгельса, 22 +375 (44) 505-71-40 ( Мало )
Схема проезда
г. Дятлово ул. Советская ,104 +375 (29) 187-87-37 ( Средне )
Схема проезда
г. Кричев ул. Комсомольская, 126 +375 (29) 628-88-42 ( Мало )
Схема проезда
г. Несвиж ул. Кутузова, 2 +375 (29) 394-82-48 ( Средне )
Схема проезда
г. Ошмяны ул. Льнозоводская 3 +375 (44) 770-80-91 ( Средне )
Схема проезда
г. Полоцк-2 ул. Шенягина, 52 +375 (29) 302-94-73 ( Мало )
Схема проезда
Упор 50-1701187 МТЗ 50-1701187
Упор 50-1701187 МТЗ
Каталожный номер 50-1701187
Производитель МТЗ МТЗ
Код 00-ГР028539
Доставка по всей Беларуси
Доступность остатки на филиалах Остатки на филиалах
Остаток: г.Минск, ул.Селицкого 21к В наличии
Склад Адрес Контакт Остатки
г. Минск ул. Селицкого, 21к +375 (44) 770-80-78 ( Средне )
Схема проезда
г. Новогрудок ул. Индустриальная, 3 +375 (44) 729-39-19 ( Средне )
Схема проезда
г. Столин ул. Быковского, 29 +375 (33) 304-54-36 ( Мало )
Схема проезда
Шестерня ведущая первичного вала КПП 50-1701045
Шестерня ведущая первичного вала КПП
Каталожный номер 50-1701045
Производитель КНР КНР
Код 11524
Доставка по всей Беларуси
Доступность остатки на филиалах Остатки на филиалах
Остаток В наличии
Склад Адрес Контакт Остатки
г. Брест Тельминский с/с, 1Д/1, 1 км южнее д. Тельмы-2 +375 (44) 599-90-75 ( Мало )
Схема проезда
г. Глубокое ул. Энгельса, 22 +375 (44) 505-71-40 ( Мало )
Схема проезда
г. Несвиж ул. Кутузова, 2 +375 (29) 394-82-48 ( Средне )
Схема проезда
г. Осиповичи ул. Короткая, 11 +375 (29) 165-60-07 ( Мало )
Схема проезда
г. Поставы ул. Советская, 69 +375 (44) 770-80-13 ( Мало )
Схема проезда
г. Слоним ул. Советская, 93а +375 (29) 394-82-01 ( Мало )
Схема проезда
г. Столин ул. Быковского, 29 +375 (33) 304-54-36 ( Мало )
Схема проезда
Комплект прокладок КПП МТЗ-80 (5 позиций) GBC РК51
Комплект прокладок КПП МТЗ-80 (5 позиций) GBC
Каталожный номер РК51
Производитель ГБЦ ГБЦ
Код 00-ГР032398
Доставка по всей Беларуси
Доступность остатки на филиалах Остатки на филиалах
Остаток: г.Минск, ул.Селицкого 21к В наличии
Склад Адрес Контакт Остатки
г. Минск ул. Селицкого, 21к +375 (44) 770-80-78 ( Мало )
Схема проезда
г. Барановичи ул. Пролетарская, 40 +375 (29) 795-96-37 ( Мало )
Схема проезда
г. Березино ул. Комсомольская, д. 24 +375 (44) 770-80-17 ( Средне )
Схема проезда
г. Бобруйск ул. Гоголя, 181/1-6 +375 (29) 630-05-01 ( Мало )
Схема проезда
г. Бобруйск ул. Орловского, 22к3 +375 (29) 345-37-07 ( Мало )
Схема проезда
г. Горки ул.Мира, д.51а/1 +375 (44) 565-33-61 ( Мало )
Схема проезда
г. Дрогичин ул. Юбилейная, 42 +375 (29) 682-17-13 ( Средне )
Схема проезда
г. Житковичи ул. Комсомольская, 49 +375 (29) 394-82-52 ( Средне )
Схема проезда
г. Ивацевичи ул. Загородная, 6А +375 (29) 188-59-01 ( Мало )
Схема проезда
г. Лельчицы ул. Советская, д.96/1 +375 (29) 346-98-96 ( Средне )
Схема проезда
г. Лунинец ул.Красная, 175а +375 (44) 721-46-74 ( Средне )
Схема проезда
г. Молодечно ул. Галицкого, 14 +375 (44) 567-28-47 ( Мало )
Схема проезда
г. Новогрудок ул. Индустриальная, 3 +375 (44) 729-39-19 ( Средне )
Схема проезда
г. Осиповичи ул. Короткая, 11 +375 (29) 165-60-07 ( Средне )
Схема проезда
г. Ошмяны ул. Льнозоводская 3 +375 (44) 770-80-91 ( Средне )
Схема проезда
г. Пинск ул. Калиновского 32 +375 (44) 560-99-59 ( Мало )
Схема проезда
г. Полоцк-2 ул. Шенягина, 52 +375 (29) 302-94-73 ( Мало )
Схема проезда
г. Полоцк-2 ул. Шенягина, 52 +375 (29) 302-94-73 ( Средне )
Схема проезда
г. Поставы ул. Советская, 69 +375 (44) 770-80-13 ( Средне )
Схема проезда
г. Столин ул. Быковского, 29 +375 (33) 304-54-36 ( Средне )
Схема проезда