Республика Беларусь,
г. Минск, ул. Селицкого 21к - центральный склад
Пн-пт с 8:00 до 17:00
Меню
252142 Шайба МАЗ ОАО, УВК
Наименование: Шайба МАЗ ОАО, УВК
Каталожный номер: 252142
Код товара: 252142
Доставка: по всей Беларуси
Остаток: под заказ 1-45 дней

Нашли не точность в описании товара? сообщить администратору.

+375 (44) 770-80-78 +375 (29) 747-80-78
* Выставить счет, получить техническую информацию и стоимость
Заказать деталь Онлайн
Описание
Наличие на филиалах
Применяемость
Заменить на СТО

252142 Шайба.

  • Производитель: МАЗ ОАО, УВК
  • Каталожный номер по заводу: 252142
  • Код для заказа:  252142
Марка Модель Кат.номер Наим. по каталогу Чертеж
МАЗ МАЗ-5434 252142 Шайба 22Т Схема тормозного привода автомобиля МАЗ-64255 Чертеж Схема тормозного привода автомобиля МАЗ-64255
МАЗ МАЗ-5434 252142 Шайба 22Т Установка тормозных камер на заднем мосту
МАЗ МАЗ-64255 252142 Шайба 22Т Схема тормозного привода автомобиля МАЗ-64255 Чертеж Схема тормозного привода автомобиля МАЗ-64255
МАЗ МАЗ-64255 252142 Шайба 22Т Установка тормозных камер на заднем мосту
МАЗ МАЗ-93892 252142 Шайба 22Т Установка воздухораспределителя и соединительных головок Чертеж Установка воздухораспределителя и соединительных головок
ЛАЗ ЛАЗ 695Б 252142-П2 Шайба 22 пружинная Передняя подвеска
ЛАЗ ЛАЗ 695Б 252142-П2 Шайба 22 пружинная Задняя подвеска
ЛАЗ ЛАЗ 695Н (1976) 252142-П2 Шайба 22 пружинная Передняя подвеска
ЛАЗ ЛАЗ 695Н (1976) 252142-П2 Шайба 22 пружинная Передняя подвеска
ЛАЗ ЛАЗ 695Н (1976) 252142-П2 Шайба 22 пружинная Задняя подвеска
ЛАЗ ЛАЗ 695Н (1976) 252142-П2 Шайба 22 пружинная Задняя подвеска
ЛАЗ ЛАЗ 699Р 252142-П2 Шайба 22 пружинная Подвеска задняя
ЗИЛ ЗИЛ-431410 Каталог 1989 г. (1989) 252142-П2 Шайба пружинная Подвеска задняя Чертеж Подвеска задняя
ЗИЛ ЗИЛ-433360 (1995) 252142-П2 Шайба пружинная Задняя подвеска
ЗИЛ ЗИЛ-442160 (1995) 252142-П2 Шайба пружинная Задняя подвеска
ЗИЛ ЗИЛ-494560 (1995) 252142-П2 Шайба пружинная Задняя подвеска Чертеж Задняя подвеска
УралАЗ УРАЛ-375 252142-П9 Шайба 22 пружинная Задняя подвеска (Рис. 68) Чертеж Задняя подвеска (Рис. 68)
УралАЗ УРАЛ-375 252142-П9 Шайба 22 пружинная Редуктор лебедки (Рис. 131) Чертеж Редуктор лебедки (Рис. 131)
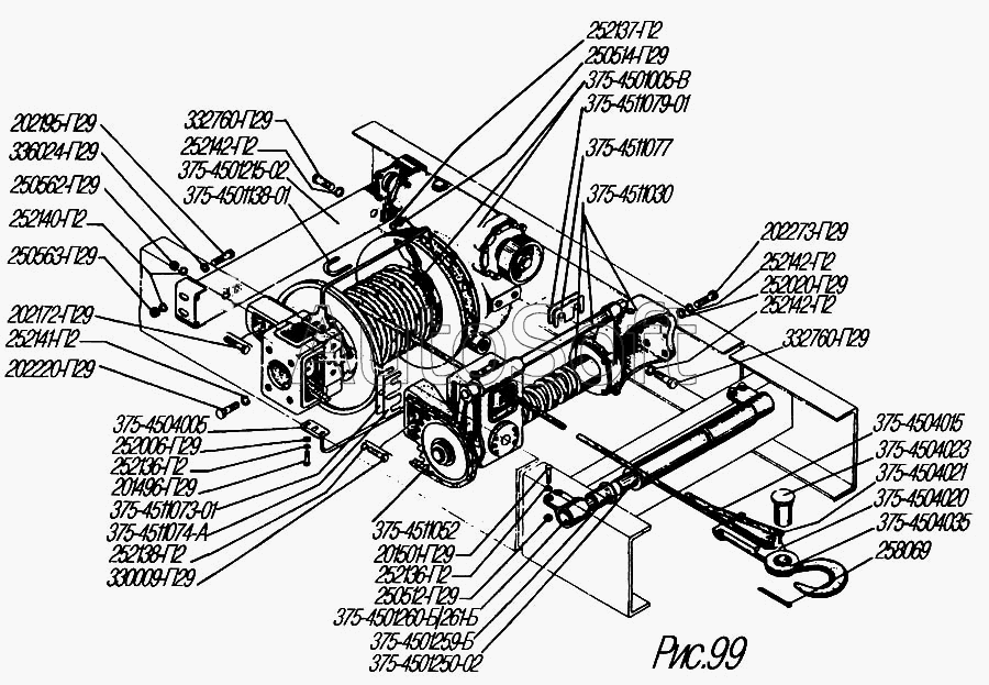
УралАЗ УРАЛ-375 252142-П9 Шайба 22 пружинная Тросоукладчик лебедки (Рис. 132) Чертеж Тросоукладчик лебедки (Рис. 132)
УралАЗ УРАЛ-4320-31 252142-П2 Шайба 22.ОТ Лебедка с тросоукладчиком в сборе Чертеж Лебедка с тросоукладчиком в сборе
Товары из этой категории
Вал стабилизатора  МАЗ ОАО 631705-2906006
Вал стабилизатора МАЗ ОАО
Каталожный номер 631705-2906006
Производитель
Код 6317052906006
Доставка по всей Беларуси
Остаток Под заказ
Палец 10х70  МАЗ ОАО 260070
Палец 10х70 МАЗ ОАО
Каталожный номер 260070
Производитель
Код 260070
Доставка по всей Беларуси
Остаток Под заказ
Кольцо в12  МАЗ ОАО 400538
Кольцо в12 МАЗ ОАО
Каталожный номер 400538
Производитель
Код 400538
Доставка по всей Беларуси
Остаток Под заказ
Буфер  МАЗ ОАО, УВК 101-6106222
Буфер МАЗ ОАО, УВК
Каталожный номер 101-6106222
Производитель
Код 1016106222
Доставка по всей Беларуси
Остаток Под заказ
Кронштейн, МАЗ ОАО 551605-1203097-030
Кронштейн, МАЗ ОАО
Каталожный номер 551605-1203097-030
Производитель
Код 5516051203097030
Доставка по всей Беларуси
Остаток Под заказ