Республика Беларусь,
г. Минск, ул. Селицкого 21к - центральный склад
Пн-пт с 8:00 до 17:00
Меню
200-3001024 Шайба БААЗ,Барановичи
Наименование: Шайба БААЗ,Барановичи
Каталожный номер: 200-3001024
Код товара: 2003001024
Доставка: по всей Беларуси
Остаток: под заказ 1-45 дней

Нашли не точность в описании товара? сообщить администратору.

+375 (44) 770-80-78 +375 (29) 747-80-78
* Выставить счет, получить техническую информацию и стоимость
Заказать деталь Онлайн
Описание
Наличие на филиалах
Применяемость
Заменить на СТО

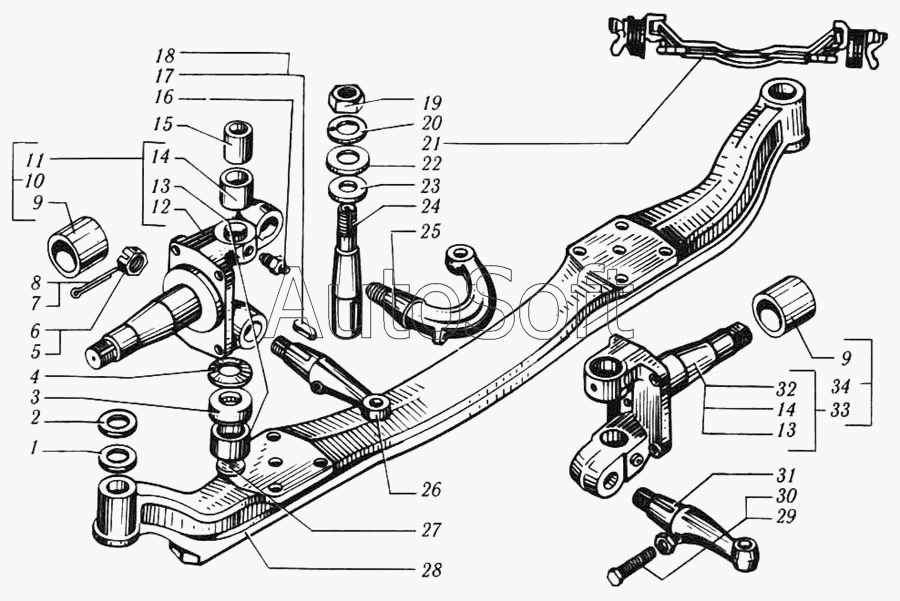
200-3001024 Шайба.

  • Производитель: БААЗ,Барановичи
  • Каталожный номер по заводу: 200-3001024
  • Код для заказа:  2003001024
Марка Модель Кат.номер Наим. по каталогу Чертеж
МАЗ МАЗ-500А 200-3001024 Шайба регулировочная Передняя ось Чертеж Передняя ось
МАЗ МАЗ-503А 200-3001024 Шайба регулировочная Передняя ось
МАЗ МАЗ-504А 200-3001024 Шайба регулировочная Передняя ось Чертеж Передняя ось
МАЗ МАЗ-5337 200-3001024 Шайба регулировочная Балка передней оси и поворотного кулака Чертеж Балка передней оси и поворотного кулака
МАЗ МАЗ-53371 200-3001024 Шайба регулировочная Балка передней оси и поворотного кулака
МАЗ МАЗ-54323 200-3001024 Шайба регулировочная Балка передней оси и поворотного кулака Чертеж Балка передней оси и поворотного кулака
МАЗ МАЗ-54328 200-3001024 Шайба регулировочная Балка передней оси и поворотные кулаки
МАЗ МАЗ-5433 200-3001024 Шайба регулировочная Балка передней оси и поворотные кулаки
МАЗ МАЗ-5516 200-3001024 Шайба регулировочная Балка передней оси и поворотного кулака Чертеж Балка передней оси и поворотного кулака
МАЗ МАЗ-5551 200-3001024 Шайба регулировочная Балка передней оси и поворотного кулака Чертеж Балка передней оси и поворотного кулака
МАЗ МАЗ-64229 200-3001024 Шайба регулировочная Балка передней оси и поворотного кулака Чертеж Балка передней оси и поворотного кулака
МАЗ МАЗ-93892 200-3001024 Шайба регулировочная Ось задняя дополнительная Чертеж Ось задняя дополнительная
МАЗ Общий (см. мод-ции) 200-3001024 Шайба регулировочная Балка передней оси и поворотного кулака
МАЗ МАЗ-5335 (2004) 200-3001024 Шайба регулировочная Ось передняя автомобилей МАЗ-5335, МАЗ-5549, МАЗ-5429, МАЗ-504В Чертеж Ось передняя автомобилей МАЗ-5335, МАЗ-5549, МАЗ-5429, МАЗ-504В
МАЗ МАЗ-504В (2005) 200-3001024 Шайба регулировочная Ось передняя МАЗ-5335, МАЗ-5549, МАЗ-5429, МАЗ-504В
КрАЗ КрАЗ-256 200-3001024 Шайба Ось передняя и кулаки поворотные
КрАЗ КрАЗ-256 200-3001024 Шайба Ось передняя и кулаки поворотные (для автомобилей с бездисковыми колесами)
КрАЗ КрАЗ-250 200-3001024 Шайба Ось передняя с тормозами
КрАЗ КрАЗ-6510 (1993) 200-3001024 Шайба Ось передняя и кулаки поворотные (вариант) Чертеж Ось передняя и кулаки поворотные (вариант)
КрАЗ КрАЗ-6510 (1993) 200-3001024 Шайба Ось передняя и кулаки поворотные (вариант) Чертеж Ось передняя и кулаки поворотные (вариант)
Аналоги
Шайба 200-3001024
Шайба
Каталожный номер 200-3001024
Производитель МАЗ МАЗ
Код 1805
Доставка по всей Беларуси
Доступность остатки на филиалах Остатки на филиалах
Остаток Под заказ
Товары из этой категории
Трубка со шлангом  МАЗ ОАО 5440А8-3506142
Трубка со шлангом МАЗ ОАО
Каталожный номер 5440А8-3506142
Производитель
Код 5440А83506142
Доставка по всей Беларуси
Остаток Под заказ
Болт М14х1.5-6дх35  МАЗ ОАО 372212
Болт М14х1.5-6дх35 МАЗ ОАО
Каталожный номер 372212
Производитель
Код 372212
Доставка по всей Беларуси
Остаток Под заказ
Удлинитель  МАЗ ОАО 152-3502195
Удлинитель МАЗ ОАО
Каталожный номер 152-3502195
Производитель
Код 1523502195
Доставка по всей Беларуси
Остаток Под заказ
Шестерня ведущая  МАЗ ОАО 103Т00-2402017
Шестерня ведущая МАЗ ОАО
Каталожный номер 103Т00-2402017
Производитель
Код 103Т002402017
Доставка по всей Беларуси
Остаток Под заказ
Кронштейн  МАЗ ОАО 6422-3537044-10
Кронштейн МАЗ ОАО
Каталожный номер 6422-3537044-10
Производитель
Код 6422353704410
Доставка по всей Беларуси
Остаток Под заказ