Республика Беларусь,
г. Минск, ул. Селицкого 21к - центральный склад
Пн-пт с 8:00 до 17:00
Меню
51-3506013 Шайба уплотнительная
Наименование: Шайба 51-3506013 уплотнительная
Каталожный номер: 51-3506013
Производитель: RSTA
Код товара: 00-ГР011303
Доставка: по всей Беларуси
Остаток: под заказ

Нашли не точность в описании товара? сообщить администратору.

+375 (44) 770-80-78 +375 (29) 747-80-78
* Выставить счет, получить техническую информацию и стоимость
Заказать деталь Онлайн
Описание
Наличие на филиалах
Применяемость
Заменить на СТО

Шайба 51-3506013 уплотнительная. Код товара для заказа: 00-ГР011303

Марка Модель Кат.номер Наим. по каталогу Чертеж
ГАЗ ГАЗ-14 (Чайка) (1980) 51-3506013 Прокладка Трубопроводы, сигнализатор аварийный тормозов Чертеж Трубопроводы, сигнализатор аварийный тормозов
ГАЗ ГАЗ-24 51-3506013 Прокладка Привод выключения сцепления Чертеж Привод выключения сцепления
ГАЗ ГАЗ-24 51-3506013 Прокладка Передние колесные тормоза Чертеж Передние колесные тормоза
ГАЗ ГАЗ-24 51-3506013 Прокладка Трубопроводы гидравлических тормозов Чертеж Трубопроводы гидравлических тормозов
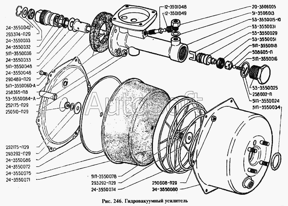
ГАЗ ГАЗ-24 51-3506013 Прокладка Гидровакуумный усилитель Чертеж Гидровакуумный усилитель
ГАЗ ГАЗ-24 51-3506013 Прокладка Распределитель гидравлического привода Чертеж Распределитель гидравлического привода
ГАЗ ГАЗ-24-10 (1995) 51-3506013 Прокладка Главный цилиндр привода сцепления и цилиндр выключения сцепления
ГАЗ ГАЗ-24-10 (1995) 51-3506013 Прокладка Крепление главного цилиндра привода сцепления, цилиндра выключения, педали тормоза
ГАЗ ГАЗ-24-10 (1995) 52-3506013 Прокладка Механизм переключения передач
ГАЗ ГАЗ-24-10 (1995) 51-3506013 Прокладка Тормоза рабочие передние
ГАЗ ГАЗ-24-10 (1995) 51-3506013 Прокладка Трубопроводы и регулятор тормозного момента гидравлических систем Чертеж Трубопроводы и регулятор тормозного момента гидравлических систем
ГАЗ ГАЗ-24-10 (1995) 51-3506013 Прокладка Усилитель тормоза вакуумный, сигнализация прекращения действия тормозов аварийная, трубопроводы вакуумного усилителя тормоза Чертеж Усилитель тормоза вакуумный, сигнализация прекращения действия тормозов аварийная, трубопроводы вакуумного усилителя тормоза
ГАЗ ГАЗ-3102 (2000) 51-3506013 Прокладка Крепление главного цилиндра привода сцепления, цилиндра выключения сцепления, педали тормоза и сцепления с кронштейном, главного цилиндра тормоза и вакуумного усилителя тормоза
ГАЗ ГАЗ-3102 (2000) 51-3506013 Прокладка Крепление главного цилиндра привода сцепления, цилиндра выключения сцепления, педали тормоза и сцепления с кронштейном, главного цилиндра тормоза и вакуумного усилителя тормоза
ГАЗ ГАЗ-3102 (2000) 24-76-3506013 Прокладка крепления муфты шлангов задних тормозов Трубопроводы и регулятор давления тормозов Чертеж Трубопроводы и регулятор давления тормозов
ГАЗ ГАЗ-3102 (2000) 51-3506013 Прокладка Усилитель тормоза вакуумный, сигнализатор аварийный тормозов, трубопроводы вакуумного усилителя тормоза
ГАЗ ГАЗ-31029 51-3506013 Прокладка Главный цилиндр привода сцепления и цилиндр выключения сцепления
ГАЗ ГАЗ-31029 51-3506013 Прокладка Крепление главного цилиндра привода сцепления, цилиндра выключения, педали тормоза
ГАЗ ГАЗ-31029 51-3506013 Прокладка Механизм переключения передач четырехступенчатой коробки передач
ГАЗ ГАЗ-31029 51-3506013 Прокладка Тормоза рабочие передние (для автомобилей с барабанными тормозами)
Товары из этой категории
Диск тормозной A21R23-3501078 передний A21R23-3501078
Диск тормозной A21R23-3501078 передний
Каталожный номер A21R23-3501078
Производитель ЗавГар ЗавГар
Код 00-ГР032764
Доставка по всей Беларуси
Доступность остатки на филиалах Остатки на филиалах
Остаток: г.Минск, ул.Селицкого 21к В наличии
Склад Адрес Контакт Остатки
г. Минск ул. Селицкого, 21к +375 (44) 770-80-78 ( Средне )
Схема проезда
г. Витебск ул. Правды, 33 +375 (44) 770-80-87 ( Средне )
Схема проезда
г. Орша ул. Сергея Кирова, д. 34 +375 (44) 583-91-42 ( Средне )
Схема проезда
г. Ошмяны ул. Льнозоводская 3 +375 (44) 770-80-91 ( Средне )
Схема проезда
г. Щучин ул. Советская, 39 +375 (29) 177-29-70 ( Средне )
Схема проезда
Ремкомплект суппорта (3302) полный 3110-3501410
Ремкомплект суппорта (3302) полный
Каталожный номер 3110-3501410
Производитель ГАЗ ГАЗ
Код 17653
Доставка по всей Беларуси
Доступность остатки на филиалах Остатки на филиалах
Остаток: г.Минск, ул.Селицкого 21к В наличии
Склад Адрес Контакт Остатки
г. Минск ул. Селицкого, 21к +375 (44) 770-80-78 ( Средне )
Схема проезда
г. Брест Тельминский с/с, 1Д/1, 1 км южнее д. Тельмы-2 +375 (44) 599-90-75 ( Средне )
Схема проезда
г. Горки ул.Мира, д.51а/1 +375 (44) 565-33-61 ( Мало )
Схема проезда
г. Гродно ул. Карского, 35 +375 (44) 770-70-21 ( Средне )
Схема проезда
г. Дятлово ул. Советская ,104 +375 (29) 187-87-37 ( Средне )
Схема проезда
г. Молодечно ул. Галицкого, 14 +375 (44) 567-28-47 ( Мало )
Схема проезда
г. Осиповичи ул. Короткая, 11 +375 (29) 165-60-07 ( Средне )
Схема проезда
г. Пинск ул. Калиновского 32 +375 (44) 560-99-59 ( Средне )
Схема проезда
г. Слоним ул. Советская, 93а +375 (29) 394-82-01 ( Средне )
Схема проезда
Трос 330202-3508068
Трос
Каталожный номер 330202-3508068
Производитель Автомагнат Автомагнат
Код 19119
Доставка по всей Беларуси
Доступность остатки на филиалах Остатки на филиалах
Остаток: г.Минск, ул.Селицкого 21к В наличии
Склад Адрес Контакт Остатки
г. Минск ул. Селицкого, 21к +375 (44) 770-80-78 ( Средне )
Схема проезда
г. Борисов ул. Демина, 2а +375 (44) 560-99-75 ( Мало )
Схема проезда
г. Гомель ул. Барыкина, 291Б +375 (44) 514-15-30 ( Мало )
Схема проезда
г. Гродно ул. Карского, 35 +375 (44) 770-70-21 ( Мало )
Схема проезда
Пружина стяжная нижняя 3302-3502035
Пружина стяжная нижняя
Каталожный номер 3302-3502035
Производитель Красная Этна Красная Этна
Код 19756
Доставка по всей Беларуси
Доступность остатки на филиалах Остатки на филиалах
Остаток: г.Минск, ул.Селицкого 21к В наличии
Склад Адрес Контакт Остатки
г. Минск ул. Селицкого, 21к +375 (44) 770-80-78 ( Средне )
Схема проезда
г. Барановичи ул. Пролетарская, 40 +375 (29) 795-96-37 ( Средне )
Схема проезда
г. Бобруйск ул. Гоголя, 181/1-6 +375 (29) 630-05-01 ( Средне )
Схема проезда
г. Бобруйск ул. Орловского, 22к3 +375 (29) 345-37-07 ( Средне )
Схема проезда
г. Витебск ул. Правды, 33 +375 (44) 770-80-87 ( Средне )
Схема проезда
г. Глубокое ул. Энгельса, 22 +375 (44) 505-71-40 ( Средне )
Схема проезда
г. Гомель ул. Барыкина, 291Б +375 (44) 514-15-30 ( Средне )
Схема проезда
г. Гродно ул. Карского, 35 +375 (44) 770-70-21 ( Много )
Схема проезда
г. Дрогичин ул. Юбилейная, 42 +375 (29) 682-17-13 ( Средне )
Схема проезда
г. Дятлово ул. Советская ,104 +375 (29) 187-87-37 ( Средне )
Схема проезда
г. Кобрин ул. Пролетарская, 177А +375 (44) 588-10-80 ( Мало )
Схема проезда
г. Кричев ул. Комсомольская, 126 +375 (29) 628-88-42 ( Мало )
Схема проезда
г. Лунинец ул.Красная, 175а +375 (44) 721-46-74 ( Средне )
Схема проезда
г. Молодечно ул. Галицкого, 14 +375 (44) 567-28-47 ( Средне )
Схема проезда
г. Новогрудок ул. Индустриальная, 3 +375 (44) 729-39-19 ( Много )
Схема проезда
г. Орша ул. Сергея Кирова, д. 34 +375 (44) 583-91-42 ( Средне )
Схема проезда
г. Осиповичи ул. Короткая, 11 +375 (29) 165-60-07 ( Средне )
Схема проезда
г. Петриков ул. Первомайская, 124 +375 (33) 660-06-75 ( Много )
Схема проезда
г. Полоцк-2 ул. Шенягина, 52 +375 (29) 302-94-73 ( Средне )
Схема проезда
г. Полоцк-2 ул. Шенягина, 52 +375 (29) 302-94-73 ( Средне )
Схема проезда
г. Пружаны ул. Макаренко, 21 +375 (29) 348-83-18 ( Средне )
Схема проезда
г. Слоним ул. Советская, 93а +375 (29) 394-82-01 ( Средне )
Схема проезда
г. Слуцк ул. Тутаринова, 8 +375 (29) 346-06-90 ( Много )
Схема проезда
г. Сморгонь ул. Железнодорожная, 32 +375 (29) 671-02-10 ( Средне )
Схема проезда
г. Щучин ул. Советская, 39 +375 (29) 177-29-70 ( Средне )
Схема проезда
Ремкомплект суппорта 3160-3501410 полный 3160-3501410
Ремкомплект суппорта 3160-3501410 полный
Каталожный номер 3160-3501410
Производитель RSTA RSTA
Код 39647
Доставка по всей Беларуси
Доступность остатки на филиалах Остатки на филиалах
Остаток: г.Минск, ул.Селицкого 21к В наличии
Склад Адрес Контакт Остатки
г. Минск ул. Селицкого, 21к +375 (44) 770-80-78 ( Средне )
Схема проезда
г. Дятлово ул. Советская ,104 +375 (29) 187-87-37 ( Мало )
Схема проезда
г. Молодечно ул. Галицкого, 14 +375 (44) 567-28-47 ( Средне )
Схема проезда
г. Полоцк-2 ул. Шенягина, 52 +375 (29) 302-94-73 ( Мало )
Схема проезда
г. Щучин ул. Советская, 39 +375 (29) 177-29-70 ( Мало )
Схема проезда