Республика Беларусь,
г. Минск, ул. Селицкого 21к - центральный склад
Пн-пт с 8:00 до 17:00
Меню
50-1601319 Шайба МТЗ
Наименование: Шайба 50-1601319 МТЗ
Каталожный номер: 50-1601319
Производитель: МТЗ
Код товара: 00-ГР020405
Доставка: по всей Беларуси
Остаток: под заказ

Нашли не точность в описании товара? сообщить администратору.

+375 (44) 770-80-78 +375 (29) 747-80-78
* Выставить счет, получить техническую информацию и стоимость
Заказать деталь Онлайн
Описание
Наличие на филиалах
Применяемость
Заменить на СТО

Ширина, м: 0.09
Высота, м: 0.001
Длина, м: 0.09
Вес, кг: 0.02

Шайба 50-1601319 МТЗ производства МТЗ (МТЗ), Код для заказа: 00-ГР020405

Марка Модель Кат.номер Наим. по каталогу Чертеж
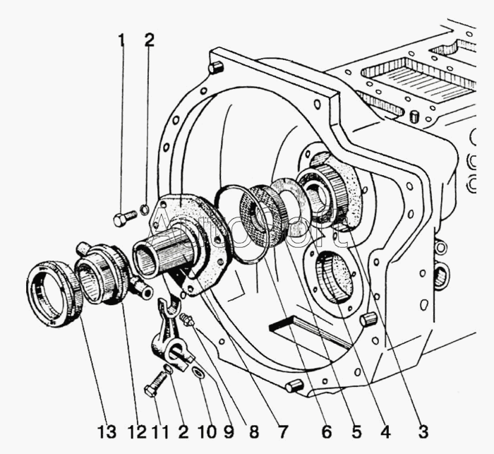
МТЗ МТЗ-80 (1998) 50-1601319 Шайба маслоотражательная Корпус сцепления (диски, отводка) Чертеж Корпус сцепления (диски, отводка)
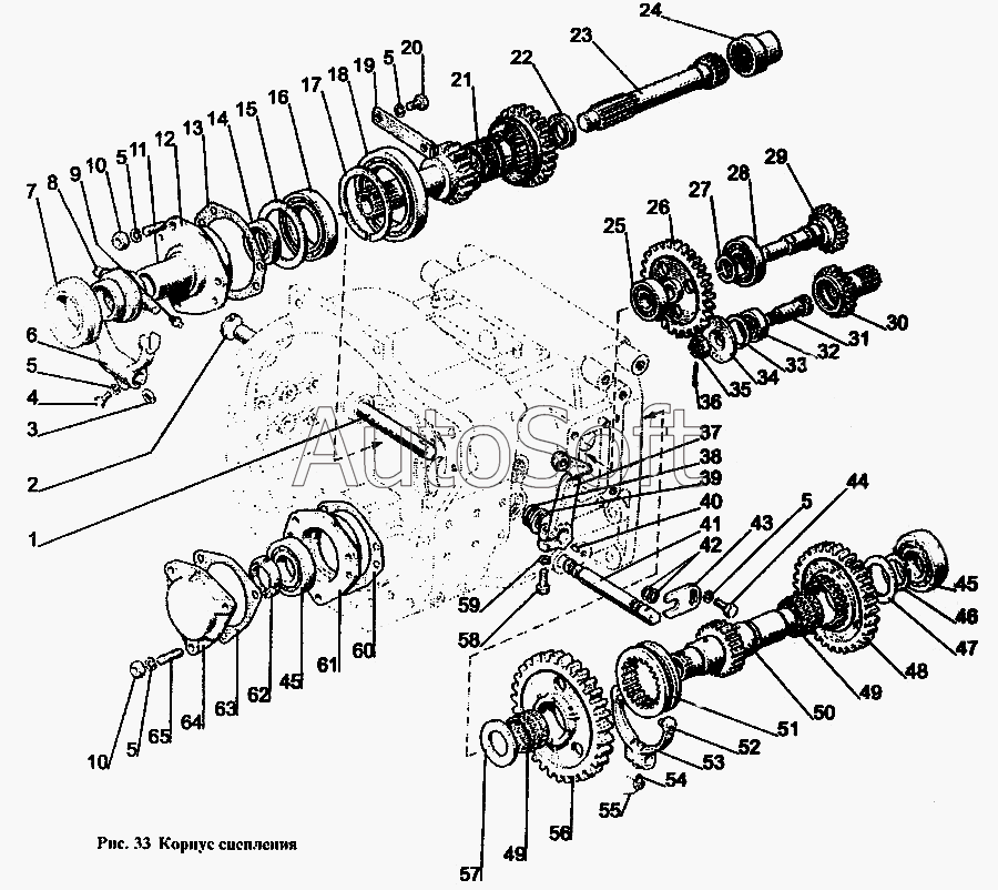
МТЗ МТЗ-100 80-1601319 Шайба Корпус сцепления Чертеж Корпус сцепления
МТЗ МТЗ-1221 (1997) 80-1601319 Шайба Корпус сцепления Чертеж Корпус сцепления
МТЗ МТЗ-1523 80-1601319 Шайба Корпус сцепления
МТЗ МТЗ-1523 80-1601319 Шайба Корпус сцепления Чертеж Корпус сцепления
МТЗ МТЗ-1522 (2008) 80-1601319 Шайба Корпус сцепления
МТЗ МТЗ-1522 (2008) 80-1601319 Шайба Корпус сцепления
МТЗ МТЗ-822 (2008) 50-1601319 Шайба маслоотражательная Корпус сцепления (отводка) Чертеж Корпус сцепления (отводка)
МТЗ МТЗ-922 (2008) 50-1601319 Шайба маслоотражательная Корпус сцепления (отводка)
МТЗ МТЗ-923 (2008) 50-1601319 Шайба маслоотражательная Корпус сцепления (отводка)
МТЗ МТЗ-1005 (2008) 80-1601319 Шайба Корпус сцепления Чертеж Корпус сцепления
МТЗ МТЗ-80 (2002) (2002) 50-1601319 Шайба маслоотражательная 1601 Корпус сцепления (отводка)
МТЗ МТЗ-90/92 (2008) 50-1601319 Шайба маслоотражательная Корпус сцепления (отводка) Чертеж Корпус сцепления (отводка)
МТЗ МЛПТ-354М (2008) 80-1601319 Шайба Корпус сцепления Чертеж Корпус сцепления
МТЗ МТЗ-1222/1523 (2009) 80-1601319 Шайба Корпус сцепления Чертеж Корпус сцепления
МТЗ МТЗ-2022 (2010) 80-1601319 Шайба Корпус сцепления Чертеж Корпус сцепления
МТЗ МТЗ-1523.4 (2010) 80-1601319 Шайба Корпус сцепления Чертеж Корпус сцепления
МТЗ МР-40-01 (2010) 80-1601319 Шайба Корпус сцепления Чертеж Корпус сцепления
МТЗ МТЗ-1025.4 (2009) 80-1601319 Шайба Корпус сцепления Чертеж Корпус сцепления
МТЗ МТЗ-2103 (2010) 80-1601319 Шайба Корпус сцепления Чертеж Корпус сцепления
Товары из этой категории
Диск сцепления ТМ 80-1601090 нажимной лепестковый ТРАНСМАШ ТМ 80-1601090
Диск сцепления ТМ 80-1601090 нажимной лепестковый ТРАНСМАШ
Каталожный номер ТМ 80-1601090
Производитель ТРАНСМАШ ТРАНСМАШ
Код 00-ГР032820
Доставка по всей Беларуси
Доступность остатки на филиалах Остатки на филиалах
Остаток: г.Минск, ул.Селицкого 21к В наличии
Склад Адрес Контакт Остатки
г. Минск ул. Селицкого, 21к +375 (44) 770-80-78 ( Много )
Схема проезда
г. Барановичи ул. Пролетарская, 40 +375 (29) 795-96-37 ( Мало )
Схема проезда
г. Берёза ул. Красноармейская, 89/11 +375 (29) 676-70-71 ( Мало )
Схема проезда
г. Бобруйск ул. Орловского, 22к3 +375 (29) 345-37-07 ( Мало )
Схема проезда
г. Дятлово ул. Советская ,104 +375 (29) 187-87-37 ( Мало )
Схема проезда
г. Лепель ул. Лобанка, 43 +375 (44) 778-65-21 ( Мало )
Схема проезда
г. Слоним ул. Советская, 93а +375 (29) 394-82-01 ( Мало )
Схема проезда
г. Столин ул. Быковского, 29 +375 (33) 304-54-36 ( Мало )
Схема проезда
Диск сцепления нажимной (ведущий) БЗТДиА 80-1601090
Диск сцепления нажимной (ведущий) БЗТДиА
Каталожный номер 80-1601090
Производитель БЗТДиА БЗТДиА
Код 00-ГР005820
Доставка по всей Беларуси
Доступность остатки на филиалах Остатки на филиалах
Остаток: г.Минск, ул.Селицкого 21к В наличии
Склад Адрес Контакт Остатки
г. Минск ул. Селицкого, 21к +375 (44) 770-80-78 ( Много )
Схема проезда
г. Берёза ул. Красноармейская, 89/11 +375 (29) 676-70-71 ( Мало )
Схема проезда
г. Бобруйск ул. Орловского, 22к3 +375 (29) 345-37-07 ( Мало )
Схема проезда
г. Витебск ул. Правды, 33 +375 (44) 770-80-87 ( Мало )
Схема проезда
г. Горки ул.Мира, д.51а/1 +375 (44) 565-33-61 ( Мало )
Схема проезда
г. Дрогичин ул. Юбилейная, 42 +375 (29) 682-17-13 ( Средне )
Схема проезда
г. Ивацевичи ул. Загородная, 6А +375 (29) 188-59-01 ( Средне )
Схема проезда
г. Лепель ул. Лобанка, 43 +375 (44) 778-65-21 ( Средне )
Схема проезда
г. Лунинец ул.Красная, 175а +375 (44) 721-46-74 ( Мало )
Схема проезда
г. Молодечно ул. Галицкого, 14 +375 (44) 567-28-47 ( Мало )
Схема проезда
г. Несвиж ул. Кутузова, 2 +375 (29) 394-82-48 ( Средне )
Схема проезда
г. Новогрудок ул. Индустриальная, 3 +375 (44) 729-39-19 ( Мало )
Схема проезда
г. Пинск ул. Калиновского 32 +375 (44) 560-99-59 ( Мало )
Схема проезда
г. Полоцк-2 ул. Шенягина, 52 +375 (29) 302-94-73 ( Средне )
Схема проезда
г. Поставы ул. Советская, 69 +375 (44) 770-80-13 ( Мало )
Схема проезда
г. Пружаны ул. Макаренко, 21 +375 (29) 348-83-18 ( Мало )
Схема проезда
г. Слоним ул. Советская, 93а +375 (29) 394-82-01 ( Мало )
Схема проезда
г. Сморгонь ул. Железнодорожная, 32 +375 (29) 671-02-10 ( Мало )
Схема проезда
Диск сцепления фрикционный (ведомый) 320-1601130 БЗТДиА 320-1601130
Диск сцепления фрикционный (ведомый) 320-1601130 БЗТДиА
Каталожный номер 320-1601130
Производитель БЗТДиА БЗТДиА
Код 00-ГР024285
Доставка по всей Беларуси
Доступность остатки на филиалах Остатки на филиалах
Остаток: г.Минск, ул.Селицкого 21к В наличии
Склад Адрес Контакт Остатки
г. Минск ул. Селицкого, 21к +375 (44) 770-80-78 ( Средне )
Схема проезда
г. Глубокое ул. Энгельса, 22 +375 (44) 505-71-40 ( Мало )
Схема проезда
г. Полоцк-2 ул. Шенягина, 52 +375 (29) 302-94-73 ( Мало )
Схема проезда
Шайба 125/82
Шайба 125/82
Каталожный номер
Производитель РБ РБ
Код 00-ГР023193
Доставка по всей Беларуси
Доступность остатки на филиалах Остатки на филиалах
Остаток Под заказ
Диск сцепления 85-1601130-01 AE ведомый АГРОТЭК 85-1601130-01 AE
Диск сцепления 85-1601130-01 AE ведомый АГРОТЭК
Каталожный номер 85-1601130-01 AE
Производитель АГРОТЭК АГРОТЭК
Код 00-ГР024022
Доставка по всей Беларуси
Доступность остатки на филиалах Остатки на филиалах
Остаток: г.Минск, ул.Селицкого 21к В наличии
Склад Адрес Контакт Остатки
г. Минск ул. Селицкого, 21к +375 (44) 770-80-78 ( Много )
Схема проезда
г. Барановичи ул. Пролетарская, 40 +375 (29) 795-96-37 ( Мало )
Схема проезда
г. Березино ул. Комсомольская, д. 24 +375 (44) 770-80-17 ( Средне )
Схема проезда
г. Бобруйск ул. Гоголя, 181/1-6 +375 (29) 630-05-01 ( Средне )
Схема проезда
г. Бобруйск ул. Орловского, 22к3 +375 (29) 345-37-07 ( Мало )
Схема проезда
г. Борисов ул. Демина, 2а +375 (44) 560-99-75 ( Мало )
Схема проезда
г. Витебск ул. Правды, 33 +375 (44) 770-80-87 ( Мало )
Схема проезда
г. Витебск ул. Петруся Бровки, 34 +375 (29) 636-25-08 ( Средне )
Схема проезда
г. Глубокое ул. Энгельса, 22 +375 (44) 505-71-40 ( Средне )
Схема проезда
г. Гомель ул. Барыкина, 291Б +375 (44) 514-15-30 ( Средне )
Схема проезда
г. Дрогичин ул. Юбилейная, 42 +375 (29) 682-17-13 ( Средне )
Схема проезда
г. Житковичи ул. Комсомольская, 49 +375 (29) 394-82-52 ( Средне )
Схема проезда
г. Ивацевичи ул. Загородная, 6А +375 (29) 188-59-01 ( Средне )
Схема проезда
г. Кобрин ул. Пролетарская, 177А +375 (44) 588-10-80 ( Средне )
Схема проезда
г. Кричев ул. Комсомольская, 126 +375 (29) 628-88-42 ( Мало )
Схема проезда
г. Лельчицы ул. Советская, д.96/1 +375 (29) 346-98-96 ( Средне )
Схема проезда
г. Лунинец ул.Красная, 175а +375 (44) 721-46-74 ( Мало )
Схема проезда
г. Могилев ул. Габровская 11Б +375 (29) 662-02-16 ( Мало )
Схема проезда
г. Молодечно ул. Галицкого, 14 +375 (44) 567-28-47 ( Средне )
Схема проезда
г. Новогрудок ул. Индустриальная, 3 +375 (44) 729-39-19 ( Средне )
Схема проезда
г. Орша ул. Сергея Кирова, д. 34 +375 (44) 583-91-42 ( Средне )
Схема проезда
г. Осиповичи ул. Короткая, 11 +375 (29) 165-60-07 ( Средне )
Схема проезда
г. Ошмяны ул. Льнозоводская 3 +375 (44) 770-80-91 ( Средне )
Схема проезда
г. Петриков ул. Первомайская, 124 +375 (33) 660-06-75 ( Средне )
Схема проезда
г. Пинск ул. Калиновского 32 +375 (44) 560-99-59 ( Мало )
Схема проезда
г. Полоцк-2 ул. Шенягина, 52 +375 (29) 302-94-73 ( Средне )
Схема проезда
г. Полоцк-2 ул. Шенягина, 52 +375 (29) 302-94-73 ( Средне )
Схема проезда
г. Поставы ул. Советская, 69 +375 (44) 770-80-13 ( Много )
Схема проезда
г. Пружаны ул. Макаренко, 21 +375 (29) 348-83-18 ( Средне )
Схема проезда
г. Слоним ул. Советская, 93а +375 (29) 394-82-01 ( Средне )
Схема проезда
г. Слуцк ул. Тутаринова, 8 +375 (29) 346-06-90 ( Мало )
Схема проезда
г. Солигорск Чижевичский сельсовет, 3Г +375 (29) 899-58-52 ( Средне )
Схема проезда
г. Столин ул. Быковского, 29 +375 (33) 304-54-36 ( Мало )
Схема проезда