Республика Беларусь,
г. Минск, ул. Селицкого 21к - центральный склад
Пн-пт с 8:00 до 17:00
Меню
142-1702032 Сфера
Наименование: Сфера 142-1702032
Каталожный номер: 142-1702032
Производитель: RSTA
Код товара: 00-ГР014378
Доставка: по всей Беларуси
Остаток: под заказ

Нашли не точность в описании товара? сообщить администратору.

+375 (44) 770-80-78 +375 (29) 747-80-78
* Выставить счет, получить техническую информацию и стоимость
Заказать деталь Онлайн
Описание
Наличие на филиалах
Применяемость
Заменить на СТО

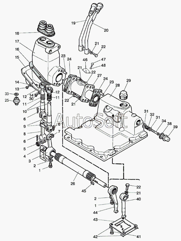
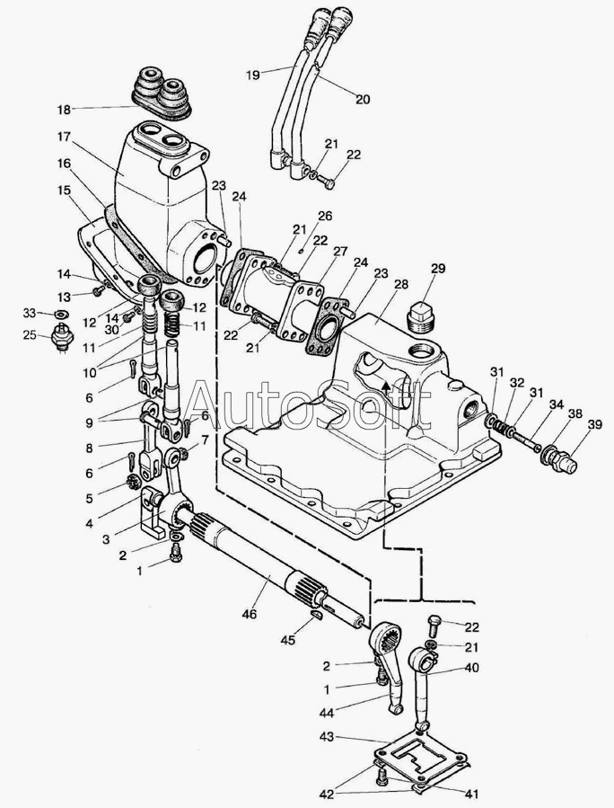
Сфера 142-1702032 производства RSTA (РФ), Код для заказа: 00-ГР014378

Марка Модель Кат.номер Наим. по каталогу Чертеж
МТЗ МТЗ-100 142-1702032 Сфера Механизм управления коробкой передач (вариант 2)
МТЗ МТЗ-1221 (1997) 142-1702032 Сфера Механизм управления коробкой передач
МТЗ МТЗ-1523 142-1702032 Сфера Механизм управления коробкой передач
МТЗ МТЗ-1523 142-1702032 Сфера Механизм управления коробкой передач
МТЗ МТЗ-1522 (2008) 142-1702032 Сфера Механизм управления коробкой передач
МТЗ МТЗ-1522 (2008) 142-1702032 Сфера Механизм управления коробкой передач
МТЗ МТЗ-822 (2008) 142-1702032 Сфера Механизм управления коробкой передач Чертеж Механизм управления коробкой передач
МТЗ МТЗ-922 (2008) 142-1702032 Сфера Механизм управления коробкой передач Чертеж Механизм управления коробкой передач
МТЗ МТЗ-923 (2008) 142-1702032 Сфера Механизм управления коробкой передач Чертеж Механизм управления коробкой передач
МТЗ МТЗ-1005 (2008) 142-1702032 Сфера Механизм управления коробкой передач Чертеж Механизм управления коробкой передач
МТЗ МЛ-131 (2008) 142-1702032 Сфера Механизм управления коробкой передач Чертеж Механизм управления коробкой передач
МТЗ МТЗ-570 (2010) 142-1702032 Сфера Механизм 2-х рычажного управления КП Чертеж Механизм 2-х рычажного управления КП
МТЗ МТЗ-900/920/950/952 (2009) 142-1702032 Сфера Механизм 2-х рычажного управления КП
МТЗ МТЗ-920.4/952.4 (2009) 142-1702032 Сфера Механизм 2-х рычажного управления КП
МТЗ МТЗ-1222/1523 (2009) 142-1702032 Сфера Механизм управления коробкой передач
МТЗ МТЗ-826 (2010) 142-1702032 Сфера Механизм 2-х рычажного управления КП
МТЗ МТЗ-2022 (2010) 142-1702032 Сфера Механизм управления коробкой передач Чертеж Механизм управления коробкой передач
МТЗ МТЗ-1523.4 (2010) 142-1702032 Сфера Механизм управления коробкой передач
МТЗ МТЗ-1523.4 (2010) 142-1702032 Сфера Механизм управления коробкой передач Чертеж Механизм управления коробкой передач
МТЗ МТЗ-1021.3 (2010) 142-1702032 Сфера Механизм 2-х рычажного управления КП (КП 1021-1700010-05) Чертеж Механизм 2-х рычажного управления КП (КП 1021-1700010-05)
Товары из этой категории
Гайка вала промежуточного МТЗ-80 50-1701181
Гайка вала промежуточного МТЗ-80
Каталожный номер 50-1701181
Производитель КНР КНР
Код 13309
Доставка по всей Беларуси
Доступность остатки на филиалах Остатки на филиалах
Остаток: г.Минск, ул.Селицкого 21к В наличии
Склад Адрес Контакт Остатки
г. Минск ул. Селицкого, 21к +375 (44) 770-80-78 ( Много )
Схема проезда
г. Горки ул.Мира, д.51а/1 +375 (44) 565-33-61 ( Мало )
Схема проезда
г. Гродно ул. Карского, 35 +375 (44) 770-70-21 ( Мало )
Схема проезда
г. Дятлово ул. Советская ,104 +375 (29) 187-87-37 ( Средне )
Схема проезда
г. Новогрудок ул. Индустриальная, 3 +375 (44) 729-39-19 ( Средне )
Схема проезда
г. Ошмяны ул. Льнозоводская 3 +375 (44) 770-80-91 ( Мало )
Схема проезда
г. Поставы ул. Советская, 69 +375 (44) 770-80-13 ( Мало )
Схема проезда
г. Слуцк ул. Тутаринова, 8 +375 (29) 346-06-90 ( Мало )
Схема проезда
г. Сморгонь ул. Железнодорожная, 32 +375 (29) 671-02-10 ( Средне )
Схема проезда
г. Столин ул. Быковского, 29 +375 (33) 304-54-36 ( Мало )
Схема проезда
Прокладка 50-1701456-Б 50-1701456-Б
Прокладка 50-1701456-Б
Каталожный номер 50-1701456-Б
Производитель RSTA RSTA
Код 00-ГР001673
Доставка по всей Беларуси
Доступность остатки на филиалах Остатки на филиалах
Остаток: г.Минск, ул.Селицкого 21к Под заказ
Склад Адрес Контакт Остатки
г. Минск ул. Селицкого, 21к +375 (44) 770-80-78 ( Мало )
Схема проезда
Шестерня 4-5й передачи ведомая Z=40 50-1701216
Шестерня 4-5й передачи ведомая Z=40
Каталожный номер 50-1701216
Производитель RSTA RSTA
Код 11810
Доставка по всей Беларуси
Доступность остатки на филиалах Остатки на филиалах
Остаток: г.Минск, ул.Селицкого 21к В наличии
Склад Адрес Контакт Остатки
г. Минск ул. Селицкого, 21к +375 (44) 770-80-78 ( Мало )
Схема проезда
г. Дрогичин ул. Юбилейная, 42 +375 (29) 682-17-13 ( Средне )
Схема проезда
Вал 50-1701185 внутренний АМ 50-1701185
Вал 50-1701185 внутренний АМ
Каталожный номер 50-1701185
Производитель Автомагнат Автомагнат
Код 00-ГР021627
Доставка по всей Беларуси
Доступность остатки на филиалах Остатки на филиалах
Остаток: г.Минск, ул.Селицкого 21к В наличии
Склад Адрес Контакт Остатки
г. Минск ул. Селицкого, 21к +375 (44) 770-80-78 ( Средне )
Схема проезда
г. Глубокое ул. Энгельса, 22 +375 (44) 505-71-40 ( Мало )
Схема проезда
г. Дрогичин ул. Юбилейная, 42 +375 (29) 682-17-13 ( Мало )
Схема проезда
г. Лунинец ул.Красная, 175а +375 (44) 721-46-74 ( Мало )
Схема проезда
Шестерня 70-1701082 промежуточная з/х (Z=31) АГРОТЭК 70-1701082
Шестерня 70-1701082 промежуточная з/х (Z=31) АГРОТЭК
Каталожный номер 70-1701082
Производитель АГРОТЭК АГРОТЭК
Код 00-ГР020176
Доставка по всей Беларуси
Доступность остатки на филиалах Остатки на филиалах
Остаток: г.Минск, ул.Селицкого 21к В наличии
Склад Адрес Контакт Остатки
г. Минск ул. Селицкого, 21к +375 (44) 770-80-78 ( Средне )
Схема проезда
г. Глубокое ул. Энгельса, 22 +375 (44) 505-71-40 ( Мало )
Схема проезда
г. Ивацевичи ул. Загородная, 6А +375 (29) 188-59-01 ( Мало )
Схема проезда
г. Ошмяны ул. Льнозоводская 3 +375 (44) 770-80-91 ( Мало )
Схема проезда
г. Полоцк-2 ул. Шенягина, 52 +375 (29) 302-94-73 ( Мало )
Схема проезда
г. Столин ул. Быковского, 29 +375 (33) 304-54-36 ( Мало )
Схема проезда