Республика Беларусь,
г. Минск, ул. Селицкого 21к - центральный склад
Пн-пт с 8:00 до 17:00
Меню
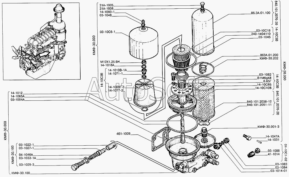
240-1404110 Сетка
Наименование: Сетка 240-1404110
Каталожный номер: 240-1404110
Производитель: КНР
Код товара: 16458
Доставка: по всей Беларуси
Остаток: в наличии

Нашли не точность в описании товара? сообщить администратору.

+375 (44) 770-80-78 +375 (29) 747-80-78
* Выставить счет, получить техническую информацию и стоимость
Заказать деталь Онлайн
Описание
Наличие на филиалах
Применяемость
Заменить на СТО

БС вес: 0,05 на 18.03.2020

Код для заказа: 16458

Марка Модель Кат.номер Наим. по каталогу Чертеж
ЗИЛ ЗИЛ-5301 (2000) 240-1404110 Сетка фильтрующая Центробежный маслоочиститель Чертеж Центробежный маслоочиститель
ЗИЛ ЗИЛ-3250 (2000) 240-1404110 Сетка фильтрующая Центробежный маслоочиститель
МТЗ МТЗ-80 (1998) 240-1404110 Сетка фильтрующая Центробежный масляный фильтр
МТЗ МТЗ-100 240-1404110 Сетка фильтрующая Центробежный масляный фильтр Чертеж Центробежный масляный фильтр
МТЗ МТЗ-100 240-1404110 Сетка фильтрующая Фильтр-распределитель Чертеж Фильтр-распределитель
МТЗ МТЗ-900 240-1404110 Сетка фильтрующая Центробежный масляный фильтр Чертеж Центробежный масляный фильтр
МТЗ МТЗ-1221 (1997) 240-1404110 Сетка фильтрующая Фильтр центробежный масляный Чертеж Фильтр центробежный масляный
МТЗ МТЗ-1221 (1997) 240-1404110 Сетка фильтрующая Фильтр - распределитель Чертеж Фильтр - распределитель
ММЗ Д-242 240-1404110 Сетка фильтрующая Центробежный масляный фильтр
ММЗ Д-243 (2000) 240-1404110 Сетка фильтрующая Центробежный масляный фильтр
ММЗ Д-245 240-1404110 Сетка фильтрующая Центробежный масляный фильтр
ММЗ Д-245.9 240-1404110 Сетка фильтрующая Центробежный масляный фильтр
ММЗ Д-245.12 240-1404110 Сетка фильтрующая Центробежный масляный фильтр Чертеж Центробежный масляный фильтр
ММЗ Д-260.1 240-1404110 Сетка фильтрующая Центробежный масляный фильтр Чертеж Центробежный масляный фильтр
ММЗ Д-260.4 240-1404110 Сетка фильтрующая Центробежный масляный фильтр Чертеж Центробежный масляный фильтр
Алтайдизель А-41 (2001) 240-1404110 Сетка фильтрующая Центрифуга с разборным масляным фильтром Чертеж Центрифуга с разборным масляным фильтром
Алтайдизель Д-442И 240-1404110 Сетка фильтрующая Центрифуга с разборным масляным фильтром 442-56-10с1 Чертеж Центрифуга с разборным масляным фильтром 442-56-10с1
Алтайдизель Д-442 240-1404110 Сетка фильтрующая Центрифуга с разборным масляным фильтром 01-10с1-02 Чертеж Центрифуга с разборным масляным фильтром 01-10с1-02
Алтайдизель А-01М, Д-461 (2002) 240-1404110 Сетка фильтрующая Фильтр масляный центробежный (центрифуга) Чертеж Фильтр масляный центробежный (центрифуга)
Алтайдизель А-01М, Д-461 (2002) 240-1404110 Сетка фильтрующая Фильтр масляный центробежный (центрифуга) Чертеж Фильтр масляный центробежный (центрифуга)
Склад Адрес Контакт Остатки
г. Минск ул. Бабушкина, 37 +375 (29) 632-00-82 ( Мало )
Схема проезда
г. Минск ул. Селицкого, 21к +375 (44) 770-80-78 ( Много )
Схема проезда
г. Березино ул. Комсомольская, д. 24 +375 (44) 770-80-17 ( Мало )
Схема проезда
г. Берёза ул. Красноармейская, 89/11 +375 (29) 676-70-71 ( Мало )
Схема проезда
г. Бобруйск ул. Гоголя, 181/1-6 +375 (29) 630-05-01 ( Мало )
Схема проезда
г. Бобруйск ул. Орловского, 22к3 +375 (29) 345-37-07 ( Средне )
Схема проезда
г. Борисов ул. Демина, 2а +375 (44) 560-99-75 ( Мало )
Схема проезда
г. Глубокое ул. Энгельса, 22 +375 (44) 505-71-40 ( Средне )
Схема проезда
г. Горки ул.Мира, д.51а/1 +375 (44) 565-33-61 ( Средне )
Схема проезда
г. Гродно ул. Карского, 35 +375 (44) 770-70-21 ( Средне )
Схема проезда
г. Дрогичин ул. Юбилейная, 42 +375 (29) 682-17-13 ( Мало )
Схема проезда
г. Дятлово ул. Советская ,104 +375 (29) 187-87-37 ( Средне )
Схема проезда
г. Житковичи ул. Комсомольская, 49 +375 (29) 394-82-52 ( Средне )
Схема проезда
г. Жлобин ул. Козлова, 25 +375 (29) 346-06-78 ( Средне )
Схема проезда
г. Кобрин ул. Пролетарская, 177А +375 (44) 588-10-80 ( Мало )
Схема проезда
г. Лельчицы ул. Советская, д.96/1 +375 (29) 346-98-96 ( Средне )
Схема проезда
г. Лепель ул. Лобанка, 43 +375 (44) 778-65-21 ( Средне )
Схема проезда
г. Могилев ул. Габровская 11Б +375 (29) 662-02-16 ( Средне )
Схема проезда
г. Молодечно ул. Галицкого, 14 +375 (44) 567-28-47 ( Средне )
Схема проезда
г. Несвиж ул. Кутузова, 2 +375 (29) 394-82-48 ( Средне )
Схема проезда
г. Новогрудок ул. Индустриальная, 3 +375 (44) 729-39-19 ( Средне )
Схема проезда
г. Орша ул. Сергея Кирова, д. 34 +375 (44) 583-91-42 ( Мало )
Схема проезда
г. Осиповичи ул. Короткая, 11 +375 (29) 165-60-07 ( Средне )
Схема проезда
г. Ошмяны ул. Льнозоводская 3 +375 (44) 770-80-91 ( Мало )
Схема проезда
г. Пинск ул. Калиновского 32 +375 (44) 560-99-59 ( Средне )
Схема проезда
г. Полоцк-2 ул. Шенягина, 52 +375 (29) 302-94-73 ( Мало )
Схема проезда
г. Полоцк-2 ул. Шенягина, 52 +375 (29) 302-94-73 ( Средне )
Схема проезда
г. Пружаны ул. Макаренко, 21 +375 (29) 348-83-18 ( Средне )
Схема проезда
г. Слоним ул. Советская, 93а +375 (29) 394-82-01 ( Средне )
Схема проезда
г. Солигорск Чижевичский сельсовет, 3Г +375 (29) 899-58-52 ( Средне )
Схема проезда
г. Столин ул. Быковского, 29 +375 (33) 304-54-36 ( Средне )
Схема проезда
г. Щучин ул. Советская, 39 +375 (29) 177-29-70 ( Средне )
Схема проезда
г. Барановичи ул. Бадака, 27Б +375 (29) 350-33-47 Под заказ
Схема проезда
г. Барановичи ул. Пролетарская, 40 +375 (29) 795-96-37 Под заказ
Схема проезда
г. Брест Тельминский с/с, 1Д/1, 1 км южнее д. Тельмы-2 +375 (44) 599-90-75 Под заказ
Схема проезда
г. Витебск ул. Правды, 33 +375 (44) 770-80-87 Под заказ
Схема проезда
г. Витебск ул. Петруся Бровки, 34 +375 (29) 636-25-08 Под заказ
Схема проезда
г. Гомель ул. Барыкина, 291Б +375 (44) 514-15-30 Под заказ
Схема проезда
г. Гомель ул. Текстильная, 10 +375 (44) 540-02-05 Под заказ
Схема проезда
г. Ивацевичи ул. Загородная, 6А +375 (29) 188-59-01 Под заказ
Схема проезда
г. Кричев ул. Комсомольская, 126 +375 (29) 628-88-42 Под заказ
Схема проезда
г. Лида ул. Качана, 7 +375 (29) 612-60-61 Под заказ
Схема проезда
г. Лунинец ул.Красная, 175а +375 (44) 721-46-74 Под заказ
Схема проезда
г. Мозырь промузел Козенки +375 (44) 731-94-60 Под заказ
Схема проезда
г. Петриков ул. Первомайская, 124 +375 (33) 660-06-75 Под заказ
Схема проезда
г. Полоцк ул. Пролетарская, 6 +375 (29) 644-57-58 Под заказ
Схема проезда
г. Полоцк ул. Строительная, 30Б +375 (29) 302-97-91 Под заказ
Схема проезда
г. Поставы ул. Советская, 69 +375 (44) 770-80-13 Под заказ
Схема проезда
г. Слуцк ул. Тутаринова, 8 +375 (29) 346-06-90 Под заказ
Схема проезда
г. Сморгонь ул. Железнодорожная, 32 +375 (29) 671-02-10 Под заказ
Схема проезда
Товары из этой категории
Клапан перепускной МТЗ А-41 16-С13-1Б
Клапан перепускной МТЗ А-41
Каталожный номер 16-С13-1Б
Производитель RCZP LTD RCZP LTD
Код 16223
Доставка по всей Беларуси
Доступность остатки на филиалах Остатки на филиалах
Остаток В наличии
Склад Адрес Контакт Остатки
г. Полоцк-2 ул. Шенягина, 52 +375 (29) 302-94-73 ( Мало )
Схема проезда
Пара плунжерная 771.1111150 d=10мм WEIFU 771.1111150
Пара плунжерная 771.1111150 d=10мм WEIFU
Каталожный номер 771.1111150
Производитель WEIFU WEIFU
Код 00-ГР020894
Доставка по всей Беларуси
Доступность остатки на филиалах Остатки на филиалах
Остаток: г.Минск, ул.Селицкого 21к В наличии
Склад Адрес Контакт Остатки
г. Минск ул. Селицкого, 21к +375 (44) 770-80-78 ( Много )
Схема проезда
г. Барановичи ул. Пролетарская, 40 +375 (29) 795-96-37 ( Средне )
Схема проезда
г. Бобруйск ул. Орловского, 22к3 +375 (29) 345-37-07 ( Много )
Схема проезда
г. Брест Тельминский с/с, 1Д/1, 1 км южнее д. Тельмы-2 +375 (44) 599-90-75 ( Средне )
Схема проезда
г. Гомель ул. Барыкина, 291Б +375 (44) 514-15-30 ( Средне )
Схема проезда
г. Полоцк-2 ул. Шенягина, 52 +375 (29) 302-94-73 ( Средне )
Схема проезда
Распылитель 174.1112110-1.02 АЗПИ 174.1112110-1.02
Распылитель 174.1112110-1.02 АЗПИ
Каталожный номер 174.1112110-1.02
Производитель АЗПИ АЗПИ
Код 00-ГР016821
Доставка по всей Беларуси
Доступность остатки на филиалах Остатки на филиалах
Остаток: г.Минск, ул.Селицкого 21к В наличии
Склад Адрес Контакт Остатки
г. Минск ул. Селицкого, 21к +375 (44) 770-80-78 ( Много )
Схема проезда
г. Новогрудок ул. Индустриальная, 3 +375 (44) 729-39-19 ( Много )
Схема проезда
г. Ошмяны ул. Льнозоводская 3 +375 (44) 770-80-91 ( Много )
Схема проезда
г. Поставы ул. Советская, 69 +375 (44) 770-80-13 ( Много )
Схема проезда
Патрубок (Зил 5301) ТКР большой 260-1109009-А
Патрубок (Зил 5301) ТКР большой
Каталожный номер 260-1109009-А
Производитель RSTA RSTA
Код 15754
Доставка по всей Беларуси
Доступность остатки на филиалах Остатки на филиалах
Остаток: г.Минск, ул.Селицкого 21к В наличии
Склад Адрес Контакт Остатки
г. Минск ул. Селицкого, 21к +375 (44) 770-80-78 ( Средне )
Схема проезда
г. Глубокое ул. Энгельса, 22 +375 (44) 505-71-40 ( Мало )
Схема проезда
г. Новогрудок ул. Индустриальная, 3 +375 (44) 729-39-19 ( Мало )
Схема проезда
г. Осиповичи ул. Короткая, 11 +375 (29) 165-60-07 ( Мало )
Схема проезда
г. Полоцк-2 ул. Шенягина, 52 +375 (29) 302-94-73 ( Мало )
Схема проезда
Трос 320-1108060 320-1108060
Трос 320-1108060
Каталожный номер 320-1108060
Производитель БЕЛТРОС БЕЛТРОС
Код 43395
Доставка по всей Беларуси
Доступность остатки на филиалах Остатки на филиалах
Остаток Под заказ