95.53.1248 Сальник вала вилки КПП Euroricambi
| Наименование: | Сальник 95.53.1248 вала вилки КПП Euroricambi |
| Каталожный номер: | 95.53.1248 |
| Производитель: |
|
| Код товара: | 38667 |
| Доставка: | по всей Беларуси |
| Остаток: | под заказ |
| Цена: |
Нашли не точность в описании товара? сообщить администратору.
* Выставить счет, получить техническую информацию и стоимость
Заказать деталь Онлайн
Описание
Наличие на филиалах
Применяемость
Заменить на СТО
Email
ras.Drenchik@gmail.com
Email
ras.Drobot@gmail.com
Email
ras.Rozhkov@gmail.com
Email
los.Konoda@gmail.com
Email
ras.titenkova@gmail.com
Email
ras.Abramovich@gmail.com
Email
pinsk.sto@gmail.com
Email
sto.Polock@snabavto.by
Сальник 95.53.1248 вала вилки КПП производства Euroricambi (Euroricambi), Код для заказа: 38667
| Марка | Модель | Кат.номер | Наим. по каталогу | Чертеж | |
|---|---|---|---|---|---|
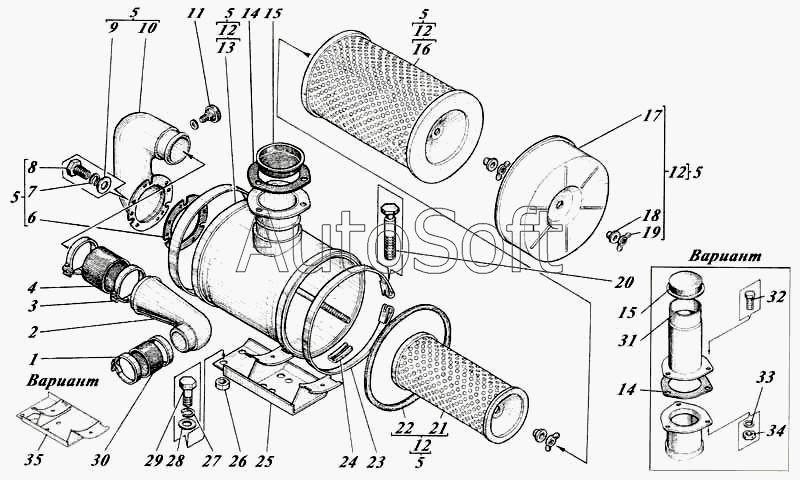
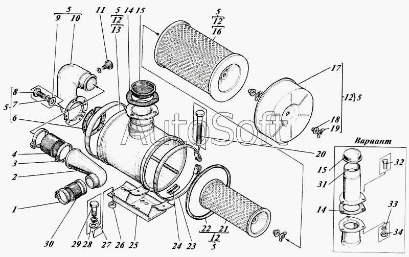
| СМД | 14 (1998 г. Минск) (1998) | 14-1248 | Прокладка кронштейна воздухоочистителя | Воздухоочиститель | |
| Алтайдизель | А-41 (2001) | 01М-1248 | Хомут | Воздухоочиститель |
|
| Алтайдизель | Д-442И | 442-442-1248-3 | Прокладка | Установка воздухоочистителя 442-24-12с1 |
|
| Алтайдизель | Д-442И | 442-1248-3 | Прокладка | Воздухоочиститель с патрубком 442-12с5 |
|
| Алтайдизель | Д-442И | 01М-1248 | Хомут | Установка воздухоочистителя 440-12c1-3 |
|
| Алтайдизель | Д-442 | 01М-1248 | Хомут | Установка воздухоочистителя 440-12с1-10 |
|
| Алтайдизель | Д-442 | 442-1248-3 | Прокладка | Установка воздухоочистителя 442-24-12c1 |
|
| Алтайдизель | Д-442 | 01М-1248 | Хомут | Установка воздухоочистителя 440-35-12с1 |
|
| Алтайдизель | А-01М, Д-461 (2002) | 01М-1248 | Хомут | Воздухоочиститель с моноциклоном |
|
| Алтайдизель | А-01М, Д-461 (2002) | 01М-1248 | Хомут | Воздухоочиститель с моноциклоном |
|
| Алтайдизель | А-01М, Д-461 (2002) | 01М-1248 | Хомут | Воздухоочиститель с моноциклоном |
|
Под заказ
Товары из этой категории
| Стартер 1002014660 Weichai | |
| Каталожный номер | 1002014660 |
| Производитель |
|
| Код | 00-ГР028336 |
| Доставка | по всей Беларуси |
| Доступность | остатки на филиалах |
| Остаток: г.Минск, ул.Селицкого 21к | В наличии |
| Склад | Адрес | Контакт | Остатки | |
|---|---|---|---|---|
| г. Минск | ул. Селицкого, 21к | +375 (44) 770-80-78 |
( Мало )
|
Схема проезда |
| г. Гомель | ул. Барыкина, 291Б | +375 (44) 514-15-30 |
( Мало )
|
Схема проезда |
| г. Лунинец | ул.Красная, 175а | +375 (44) 721-46-74 |
( Мало )
|
Схема проезда |
| г. Несвиж | ул. Кутузова, 2 | +375 (29) 394-82-48 |
( Мало )
|
Схема проезда |
| г. Слуцк | ул. Тутаринова, 8 | +375 (29) 346-06-90 |
( Мало )
|
Схема проезда |
| Сальник 2.2-40х68-10 | |
| Каталожный номер | 2,2-40х68-10 |
| Производитель |
|
| Код | 00-ГР007515 |
| Доставка | по всей Беларуси |
| Доступность | остатки на филиалах |
| Остаток | В наличии |
| Склад | Адрес | Контакт | Остатки | |
|---|---|---|---|---|
| г. Лунинец | ул.Красная, 175а | +375 (44) 721-46-74 |
( Много )
|
Схема проезда |
| Манжета (2,2-30х50) | |
| Каталожный номер | 2,2-30х50 |
| Производитель |
|
| Код | 25492 |
| Доставка | по всей Беларуси |
| Доступность | остатки на филиалах |
| Остаток | В наличии |
| Склад | Адрес | Контакт | Остатки | |
|---|---|---|---|---|
| г. Брест | Тельминский с/с, 1Д/1, 1 км южнее д. Тельмы-2 | +375 (44) 599-90-75 |
( Средне )
|
Схема проезда |
| г. Полоцк-2 | ул. Шенягина, 52 | +375 (29) 302-94-73 |
( Средне )
|
Схема проезда |
| г. Щучин | ул. Советская, 39 | +375 (29) 177-29-70 |
( Мало )
|
Схема проезда |
| Манжета (2,2-40х52) | |
| Каталожный номер | 2,2-40х52 |
| Производитель |
|
| Код | 48037 |
| Доставка | по всей Беларуси |
| Доступность | остатки на филиалах |
| Остаток: г.Минск, ул.Селицкого 21к | В наличии |
| Склад | Адрес | Контакт | Остатки | |
|---|---|---|---|---|
| г. Минск | ул. Бабушкина, 37 | +375 (29) 632-00-82 |
( Средне )
|
Схема проезда |
| г. Минск | ул. Селицкого, 21к | +375 (44) 770-80-78 |
( Много )
|
Схема проезда |
| г. Березино | ул. Комсомольская, д. 24 | +375 (44) 770-80-17 |
( Много )
|
Схема проезда |
| г. Берёза | ул. Красноармейская, 89/11 | +375 (29) 676-70-71 |
( Много )
|
Схема проезда |
| г. Бобруйск | ул. Орловского, 22к3 | +375 (29) 345-37-07 |
( Мало )
|
Схема проезда |
| г. Брест | Тельминский с/с, 1Д/1, 1 км южнее д. Тельмы-2 | +375 (44) 599-90-75 |
( Средне )
|
Схема проезда |
| г. Гомель | ул. Барыкина, 291Б | +375 (44) 514-15-30 |
( Много )
|
Схема проезда |
| г. Дятлово | ул. Советская ,104 | +375 (29) 187-87-37 |
( Средне )
|
Схема проезда |
| г. Новогрудок | ул. Индустриальная, 3 | +375 (44) 729-39-19 |
( Много )
|
Схема проезда |
| г. Ошмяны | ул. Льнозоводская 3 | +375 (44) 770-80-91 |
( Средне )
|
Схема проезда |
| г. Полоцк-2 | ул. Шенягина, 52 | +375 (29) 302-94-73 |
( Много )
|
Схема проезда |
| г. Полоцк-2 | ул. Шенягина, 52 | +375 (29) 302-94-73 |
( Много )
|
Схема проезда |
| г. Полоцк-2 | ул. Шенягина, 52 | +375 (29) 302-94-73 |
( Много )
|
Схема проезда |
| Сальник 4204640210 полуоси задней ступицы JAC | |
| Каталожный номер | 4204640210 |
| Производитель |
|
| Код | 00-ГР028580 |
| Доставка | по всей Беларуси |
| Доступность | остатки на филиалах |
| Остаток: г.Минск, ул.Селицкого 21к | Под заказ |
| Склад | Адрес | Контакт | Остатки | |
|---|---|---|---|---|
| г. Минск | ул. Селицкого, 21к | +375 (44) 770-80-78 |
( Средне )
|
Схема проезда |
Политика обработки файлов cookie
На сайте snabavto.by используются файлы cookie для сбора обезличенной информации о пользователях. Это помогает нам анализировать статистику, совершенствовать сервис и делать его более удобным для вас. Подробнее о файлах cookie вы можете узнать в соответствующем разделе Политики обработки файлов cookie.
Ремавтоснаб