Республика Беларусь,
г. Минск, ул. Селицкого 21к - центральный склад
Пн-пт с 8:00 до 17:00
Меню
740.1029240 Сальник корпуса привода ТНВД 2.2-20х42х10
Наименование: Сальник 740.1029240 корпуса привода ТНВД 2.2-20х42х10
Каталожный номер: 740.1029240
Производитель: РФ
Код товара: 00-ГР022441
Доставка: по всей Беларуси
Остаток: под заказ

Нашли не точность в описании товара? сообщить администратору.

+375 (44) 770-80-78 +375 (29) 747-80-78
* Выставить счет, получить техническую информацию и стоимость
Заказать деталь Онлайн
Описание
Наличие на филиалах
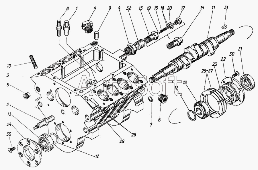
Применяемость
Заменить на СТО

Сальник КАМАЗ корпуса привода ТНВД 2.2-20х42х10 Viton

Сальник 740.1029240 корпуса привода ТНВД 2.2-20х42х10 производства РФ (РФ), Код для заказа: 00-ГР022441

Марка Модель Кат.номер Наим. по каталогу Чертеж
ЛАЗ ЛАЗ 4207 740-1029240 Манжета с пружиной в сборе Вентиляция картера двигателя Чертеж Вентиляция картера двигателя
ЛАЗ ЛАЗ 4207 740-1029240 Манжета с пружиной в сборе Привод ТНВД
ЛАЗ ЛАЗ 4207 740-1029240 Манжета с пружиной в сборе Насос топливный высокого давления Чертеж Насос топливный высокого давления
ЛиАЗ ЛиАЗ 5256 740-1029240 Манжета с пружиной в сборе Вентиляция картера двигателя Чертеж Вентиляция картера двигателя
ЛиАЗ ЛиАЗ 5256 740-1029240 Манжета с пружиной в сборе Привод топливного насоса высокого давления Чертеж Привод топливного насоса высокого давления
ЛиАЗ ЛиАЗ 5256 740-1029240 Манжета с пружиной в сборе Насос топливный высокого давления Чертеж Насос топливный высокого давления
Камский автозавод 4310 740.1029240 Манжета в сборе Установка картера маховика Чертеж Установка картера маховика
Камский автозавод 4310 740.1029240 Манжета в сборе Картер маховика Чертеж Картер маховика
Камский автозавод 4310 740.1029240 Манжета в сборе Корпус ТНВД в сборе Чертеж Корпус ТНВД в сборе
Камский автозавод 4326 (2001) 740.1029240 Манжета в сборе Установка картера маховика Чертеж Установка картера маховика
Камский автозавод 4326 (2001) 740.1029240 Манжета в сборе Привод распределительного вала и топливного насоса
Камский автозавод 4326 (2001) 740.1029240 Манжета в сборе Корпус в сборе топливного насоса Чертеж Корпус в сборе топливного насоса
Камский автозавод 5315 740.1029240 Манжета в сборе Привод агрегатов
Камский автозавод 5320 740.1029240 Манжета в сборе Установка картера маховика
Камский автозавод 5320 740.1029240 Манжета в сборе Картер маховика Чертеж Картер маховика
Камский автозавод 5320 740.1029240 Манжета в сборе Корпус ТНВД в сборе Чертеж Корпус ТНВД в сборе
Камский автозавод 53212 740.1029240 Манжета в сборе Установка картера маховика Чертеж Установка картера маховика
Камский автозавод 53212 740.1029240 Манжета в сборе Картер маховика
Камский автозавод 53212 740.1029240 Манжета в сборе Корпус ТНВД в сборе Чертеж Корпус ТНВД в сборе
Камский автозавод 5410 740.1029240 Манжета в сборе Установка картера маховика Чертеж Установка картера маховика
Товары из этой категории
Сальник гидромуфты 740-1318166
Сальник гидромуфты
Каталожный номер 740-1318166
Производитель БРТ БРТ
Код 11220
Доставка по всей Беларуси
Доступность остатки на филиалах Остатки на филиалах
Остаток: г.Минск, ул.Селицкого 21к В наличии
Склад Адрес Контакт Остатки
г. Минск ул. Селицкого, 21к +375 (44) 770-80-78 ( Много )
Схема проезда
г. Борисов ул. Демина, 2а +375 (44) 560-99-75 ( Средне )
Схема проезда
г. Слоним ул. Советская, 93а +375 (29) 394-82-01 ( Средне )
Схема проезда
Манжета задней ступицы 864129
Манжета задней ступицы
Каталожный номер 864129
Производитель Чайковский Чайковский
Код 16470
Доставка по всей Беларуси
Доступность остатки на филиалах Остатки на филиалах
Остаток: г.Минск, ул.Селицкого 21к В наличии
Склад Адрес Контакт Остатки
г. Минск ул. Селицкого, 21к +375 (44) 770-80-78 ( Много )
Схема проезда
г. Бобруйск ул. Орловского, 22к3 +375 (29) 345-37-07 ( Мало )
Схема проезда
г. Дрогичин ул. Юбилейная, 42 +375 (29) 682-17-13 ( Мало )
Схема проезда
г. Жлобин ул. Козлова, 25 +375 (29) 346-06-78 ( Средне )
Схема проезда
г. Кричев ул. Комсомольская, 126 +375 (29) 628-88-42 ( Средне )
Схема проезда
г. Щучин ул. Советская, 39 +375 (29) 177-29-70 ( Средне )
Схема проезда
Сальник 14-1701230
Сальник
Каталожный номер 14-1701230
Производитель БРТ БРТ
Код 11517
Доставка по всей Беларуси
Доступность остатки на филиалах Остатки на филиалах
Остаток: г.Минск, ул.Селицкого 21к В наличии
Склад Адрес Контакт Остатки
г. Минск ул. Селицкого, 21к +375 (44) 770-80-78 ( Много )
Схема проезда
г. Бобруйск ул. Орловского, 22к3 +375 (29) 345-37-07 ( Средне )
Схема проезда
г. Брест Тельминский с/с, 1Д/1, 1 км южнее д. Тельмы-2 +375 (44) 599-90-75 ( Средне )
Схема проезда
г. Горки ул.Мира, д.51а/1 +375 (44) 565-33-61 ( Мало )
Схема проезда
г. Дрогичин ул. Юбилейная, 42 +375 (29) 682-17-13 ( Мало )
Схема проезда
г. Кричев ул. Комсомольская, 126 +375 (29) 628-88-42 ( Мало )
Схема проезда
г. Мозырь промузел Козенки +375 (44) 731-94-60 ( Средне )
Схема проезда
г. Орша ул. Сергея Кирова, д. 34 +375 (44) 583-91-42 ( Мало )
Схема проезда
г. Осиповичи ул. Короткая, 11 +375 (29) 165-60-07 ( Средне )
Схема проезда
г. Пинск ул. Калиновского 32 +375 (44) 560-99-59 ( Мало )
Схема проезда
г. Слоним ул. Советская, 93а +375 (29) 394-82-01 ( Средне )
Схема проезда
г. Слуцк ул. Тутаринова, 8 +375 (29) 346-06-90 ( Средне )
Схема проезда
Сальник хвостовика реверсивный (70х92х12х16) 864176/180
Сальник хвостовика реверсивный (70х92х12х16)
Каталожный номер 864176/180
Производитель БРТ БРТ
Код 48764
Доставка по всей Беларуси
Доступность остатки на филиалах Остатки на филиалах
Остаток В наличии
Склад Адрес Контакт Остатки
г. Несвиж ул. Кутузова, 2 +375 (29) 394-82-48 ( Средне )
Схема проезда
г. Поставы ул. Советская, 69 +375 (44) 770-80-13 ( Мало )
Схема проезда
Сальник хвостовика левый (70х92х12х16) 864180
Сальник хвостовика левый (70х92х12х16)
Каталожный номер 864180
Производитель БРТ БРТ
Код 11336
Доставка по всей Беларуси
Доступность остатки на филиалах Остатки на филиалах
Остаток: г.Минск, ул.Селицкого 21к В наличии
Склад Адрес Контакт Остатки
г. Минск ул. Селицкого, 21к +375 (44) 770-80-78 ( Средне )
Схема проезда
г. Барановичи ул. Пролетарская, 40 +375 (29) 795-96-37 ( Много )
Схема проезда
г. Барановичи ул. Бадака, 27Б +375 (29) 350-33-47 ( Мало )
Схема проезда
г. Бобруйск ул. Орловского, 22к3 +375 (29) 345-37-07 ( Средне )
Схема проезда
г. Витебск ул. Петруся Бровки, 34 +375 (29) 636-25-08 ( Мало )
Схема проезда
г. Гродно ул. Карского, 35 +375 (44) 770-70-21 ( Средне )
Схема проезда
г. Могилев ул. Габровская 11Б +375 (29) 662-02-16 ( Мало )
Схема проезда
г. Новогрудок ул. Индустриальная, 3 +375 (44) 729-39-19 ( Средне )
Схема проезда
г. Осиповичи ул. Короткая, 11 +375 (29) 165-60-07 ( Средне )
Схема проезда
г. Пинск ул. Калиновского 32 +375 (44) 560-99-59 ( Средне )
Схема проезда
г. Слоним ул. Советская, 93а +375 (29) 394-82-01 ( Средне )
Схема проезда
г. Слуцк ул. Тутаринова, 8 +375 (29) 346-06-90 ( Мало )
Схема проезда
г. Щучин ул. Советская, 39 +375 (29) 177-29-70 ( Средне )
Схема проезда