Республика Беларусь,
г. Минск, ул. Селицкого 21к - центральный склад
Пн-пт с 8:00 до 17:00
Меню
56.17.0201 Сальник Euroricambi
Наименование: Сальник 56.17.0201 Euroricambi
Каталожный номер: 56.17.0201
Производитель: Euroricambi
Код товара: 00-ГР031439
Доставка: по всей Беларуси
Остаток: под заказ
Цена:

Нашли не точность в описании товара? сообщить администратору.

+375 (44) 770-80-78
* Выставить счет, получить техническую информацию и стоимость
Заказать деталь Онлайн
Описание
Наличие на филиалах
Применяемость
Заменить на СТО

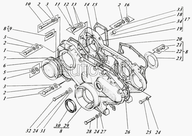
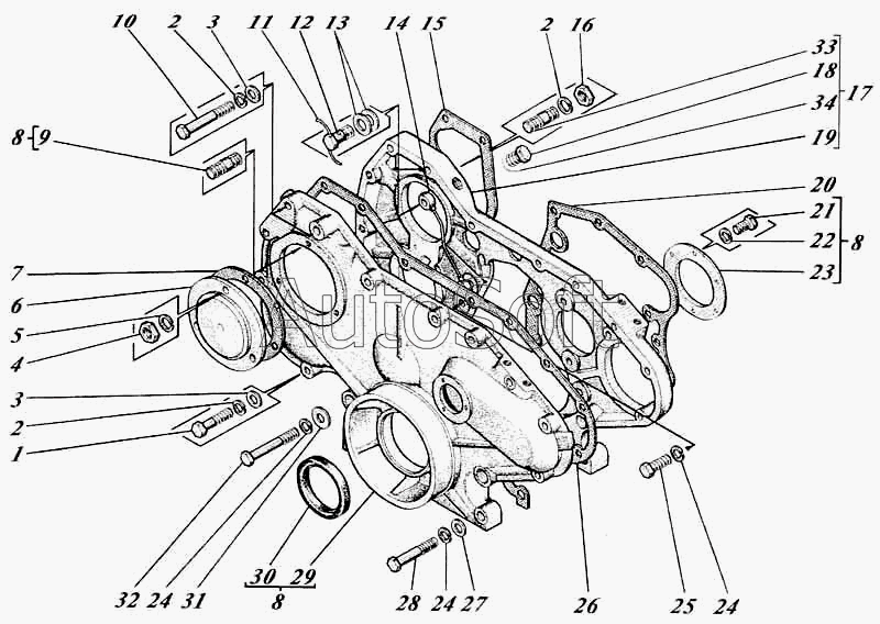
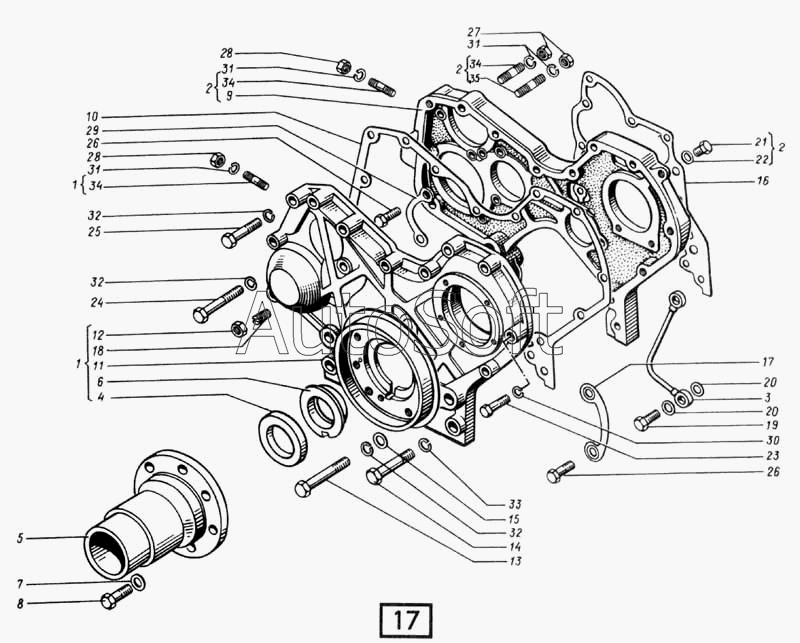
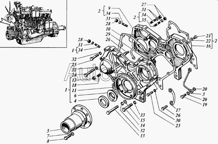
80x154x18/19
Применяемость: MAN HOY-1175/HY-1175/HY-1350

Сальник 56.17.0201 Euroricambi производства Euroricambi (Euroricambi), Код для заказа: 00-ГР031439

Марка Модель Кат.номер Наим. по каталогу Чертеж
Ikarus 260.50 КМС-60.020-0201 Поршень Детали воздушного компрессора Чертеж Детали воздушного компрессора
Камский автозавод 6460 1323.0201.00000123 Спидометр электронный Щиток приборов Чертеж Щиток приборов
ПТЗ К-702МВ БТУ-55-0201-05 Рамка Оборудование бульдозерное Чертеж Оборудование бульдозерное
ПТЗ К-702МВА 6ТУ-55-0201-05 Рамка Оборудование бульдозерное Чертеж Оборудование бульдозерное
СМД 14 (1998 г. Минск) (1998) 14-0201 Картер шестерен Картер шестерен Чертеж Картер шестерен
СМД 23 (Каталог РСМ) 14-0201-01 Картер зубчатых колес Картер и крышка картера шестерен Чертеж Картер и крышка картера шестерен
СМД 31А (Каталог РСМ) 14-0201 Картер шестерен Картер и крышка Чертеж Картер и крышка
СМД 14...-20 (1998 г. Москва) (1998) 14-0201 Картер шестерен Картер и передняя крышка распределительный зубчатых колес СМД-14НГ,-14БН,-15Н,-19,-20 Чертеж Картер и передняя крышка распределительный зубчатых колес СМД-14НГ,-14БН,-15Н,-19,-20
СМД 17...-18 (1998 г. Москва) (1998) 14-0201 Картер шестерен Картер зубчатых колес СМД-17,-17Н.01,-17Н.02,-17Н.03,-17Н.04,-18,-18Н.01,-18Н.02,-18Н.03,-18Н.04 Чертеж Картер зубчатых колес СМД-17,-17Н.01,-17Н.02,-17Н.03,-17Н.04,-18,-18Н.01,-18Н.02,-18Н.03,-18Н.04
СМД 21...-24 (1998 г. Москва) (1998) 14-0201-01 Картер зубчатых колес Картер и крышка картера зубчатых колес СМД-21, -22, 22А, 23, 23.01, 23.02, 24, 24.01, 24.02 Чертеж Картер и крышка картера зубчатых колес СМД-21, -22, 22А, 23, 23.01, 23.02, 24, 24.01, 24.02
СМД 21...-24 (1998 г. Москва) (1998) 14-0201 Картер шестерен Картер и крышка картера зубчатых колес СМД-21, -22, 22А, 23, 23.01, 23.02, 24, 24.01, 24.02 Чертеж Картер и крышка картера зубчатых колес СМД-21, -22, 22А, 23, 23.01, 23.02, 24, 24.01, 24.02
СМД 31 (1998 г. Москва) (1998) 14-0201 Картер шестерен Картер и крышка картера зубчатых колес СМД-31, -31А, -31.01, 31Б.04 Чертеж Картер и крышка картера зубчатых колес СМД-31, -31А, -31.01, 31Б.04
Алтайдизель А-41 (2001) 6Т2-0201-1 Картер шестерен Картер шестерен Чертеж Картер шестерен
Алтайдизель Д-442И 41-0201-01 Картер шестерен Картер шестерен с крышкой 4405-02с1-01 Чертеж Картер шестерен с крышкой 4405-02с1-01
Алтайдизель Д-442И 41-0201-01 Картер шестерен Картер шестерен с крышкой 4405-02c1-02 Чертеж Картер шестерен с крышкой 4405-02c1-02
Алтайдизель Д-442И 41-0201-01 Картер шестерен Картер шестерен с крышкой 4405-02с1-04 Чертеж Картер шестерен с крышкой 4405-02с1-04
Алтайдизель Д-442 41-0201-01 Картер шестерен Картер шестерен с крышкой 4405-02с1-01 Чертеж Картер шестерен с крышкой 4405-02с1-01
Алтайдизель А-01М, Д-461 (2002) 41-0201.20 Картер шестерен Картер шестерен Чертеж Картер шестерен
Алтайдизель А-01М, Д-461 (2002) 41-0201 Картер шестерен Картер шестерен Чертеж Картер шестерен
МЗКТ МЗКТ-74296 (2010) 0001-3747007 Блок управления 0201 010 032 Установка электрооборудования в кабине Чертеж Установка электрооборудования в кабине
Товары из этой категории
Сальник 5255314 5255314
Сальник 5255314
Каталожный номер 5255314
Производитель РФ РФ
Код 59330
Доставка по всей Беларуси
Доступность остатки на филиалах Остатки на филиалах
Остаток: г.Минск, ул.Селицкого 21к В наличии
Склад Адрес Контакт Остатки
г. Минск ул. Селицкого, 21к +375 (44) 770-80-78 ( Много )
Схема проезда
Манжета (2,2-42х62) 2,2-42х62
Манжета (2,2-42х62)
Каталожный номер 2,2-42х62
Производитель РФ РФ
Код 22807
Доставка по всей Беларуси
Доступность остатки на филиалах Остатки на филиалах
Остаток: г.Минск, ул.Селицкого 21к В наличии
Склад Адрес Контакт Остатки
г. Минск ул. Селицкого, 21к +375 (44) 770-80-78 ( Средне )
Схема проезда
г. Березино ул. Комсомольская, д. 24 +375 (44) 770-80-17 ( Средне )
Схема проезда
г. Брест Тельминский с/с, 1Д/1, 1 км южнее д. Тельмы-2 +375 (44) 599-90-75 ( Средне )
Схема проезда
г. Гродно ул. Карского, 35 +375 (44) 770-70-21 ( Мало )
Схема проезда
г. Дрогичин ул. Юбилейная, 42 +375 (29) 682-17-13 ( Средне )
Схема проезда
г. Молодечно ул. Галицкого, 14 +375 (44) 567-28-47 ( Средне )
Схема проезда
г. Пинск ул. Калиновского 32 +375 (44) 560-99-59 ( Средне )
Схема проезда
г. Слоним ул. Советская, 93а +375 (29) 394-82-01 ( Средне )
Схема проезда
г. Столин ул. Быковского, 29 +375 (33) 304-54-36 ( Мало )
Схема проезда
Рукав EH.14/2/4.0-20000 силиконовый D14 мм стенка 4.0 мм EH.14/2/4.0-20000
Рукав EH.14/2/4.0-20000 силиконовый D14 мм стенка 4.0 мм
Каталожный номер EH.14/2/4.0-20000
Производитель Моторист Моторист
Код 00-ГР032326
Доставка по всей Беларуси
Доступность остатки на филиалах Остатки на филиалах
Остаток: г.Минск, ул.Селицкого 21к В наличии
Склад Адрес Контакт Остатки
г. Минск ул. Селицкого, 21к +375 (44) 770-80-78 ( Много )
Схема проезда
г. Барановичи ул. Пролетарская, 40 +375 (29) 795-96-37 ( Средне )
Схема проезда
г. Барановичи ул. Бадака, 27Б +375 (29) 350-33-47 ( Много )
Схема проезда
г. Березино ул. Комсомольская, д. 24 +375 (44) 770-80-17 ( Средне )
Схема проезда
г. Берёза ул. Красноармейская, 89/11 +375 (29) 676-70-71 ( Средне )
Схема проезда
г. Бобруйск ул. Гоголя, 181/1-6 +375 (29) 630-05-01 ( Средне )
Схема проезда
г. Бобруйск ул. Орловского, 22к3 +375 (29) 345-37-07 ( Много )
Схема проезда
г. Брест Тельминский с/с, 1Д/1, 1 км южнее д. Тельмы-2 +375 (44) 599-90-75 ( Много )
Схема проезда
г. Волковыск ул. Жолудева, 74Д-2 +375 (44) 786-00-40 ( Мало )
Схема проезда
г. Глубокое ул. Энгельса, 22 +375 (44) 505-71-40 ( Много )
Схема проезда
г. Гомель ул. Барыкина, 291Б +375 (44) 514-15-30 ( Много )
Схема проезда
г. Гродно ул. Карского, 35 +375 (44) 770-70-21 ( Много )
Схема проезда
г. Дрогичин ул. Юбилейная, 42 +375 (29) 682-17-13 ( Средне )
Схема проезда
г. Дятлово ул. Советская ,104 +375 (29) 187-87-37 ( Средне )
Схема проезда
г. Житковичи ул. Комсомольская, 49 +375 (29) 394-82-52 ( Мало )
Схема проезда
г. Жлобин ул. Козлова, 25 +375 (29) 346-06-78 ( Средне )
Схема проезда
г. Ивацевичи ул. Загородная, 6А +375 (29) 188-59-01 ( Много )
Схема проезда
г. Кобрин ул. Пролетарская, 177А +375 (44) 588-10-80 ( Средне )
Схема проезда
г. Кричев ул. Комсомольская, 126 +375 (29) 628-88-42 ( Много )
Схема проезда
г. Лельчицы ул. Советская, д.96/1 +375 (29) 346-98-96 ( Много )
Схема проезда
г. Лунинец ул.Красная, 175а +375 (44) 721-46-74 ( Много )
Схема проезда
г. Могилев ул. Габровская 11Б +375 (29) 662-02-16 ( Много )
Схема проезда
г. Новогрудок ул. Индустриальная, 3 +375 (44) 729-39-19 ( Много )
Схема проезда
г. Орша ул. Сергея Кирова, д. 34 +375 (44) 583-91-42 ( Много )
Схема проезда
г. Осиповичи ул. Короткая, 11 +375 (29) 165-60-07 ( Средне )
Схема проезда
г. Ошмяны ул. Льнозоводская 3 +375 (44) 770-80-91 ( Средне )
Схема проезда
г. Пинск ул. Калиновского 32 +375 (44) 560-99-59 ( Средне )
Схема проезда
г. Полоцк-2 ул. Шенягина, 52 +375 (29) 302-94-73 ( Средне )
Схема проезда
г. Пружаны ул. Макаренко, 21 +375 (29) 348-83-18 ( Много )
Схема проезда
г. Слоним ул. Советская, 93а +375 (29) 394-82-01 ( Много )
Схема проезда
г. Столин ул. Быковского, 29 +375 (33) 304-54-36 ( Много )
Схема проезда
Сальник 26х40х7-2.2 2,2-26х40х7
Сальник 26х40х7-2.2
Каталожный номер 2,2-26х40х7
Производитель РФ РФ
Код 34612
Доставка по всей Беларуси
Доступность остатки на филиалах Остатки на филиалах
Остаток Под заказ
Сальник 52х72х10 52х72х10
Сальник 52х72х10
Каталожный номер 52х72х10
Производитель БРТ БРТ
Код 31520
Доставка по всей Беларуси
Доступность остатки на филиалах Остатки на филиалах
Остаток: г.Минск, ул.Селицкого 21к В наличии
Склад Адрес Контакт Остатки
г. Минск ул. Селицкого, 21к +375 (44) 770-80-78 ( Много )
Схема проезда
г. Барановичи ул. Пролетарская, 40 +375 (29) 795-96-37 ( Средне )
Схема проезда
г. Березино ул. Комсомольская, д. 24 +375 (44) 770-80-17 ( Средне )
Схема проезда
г. Бобруйск ул. Гоголя, 181/1-6 +375 (29) 630-05-01 ( Средне )
Схема проезда
г. Бобруйск ул. Орловского, 22к3 +375 (29) 345-37-07 ( Средне )
Схема проезда
г. Борисов ул. Демина, 2а +375 (44) 560-99-75 ( Много )
Схема проезда
г. Витебск ул. Правды, 33 +375 (44) 770-80-87 ( Средне )
Схема проезда
г. Гродно ул. Карского, 35 +375 (44) 770-70-21 ( Средне )
Схема проезда
г. Жлобин ул. Козлова, 25 +375 (29) 346-06-78 ( Средне )
Схема проезда
г. Ивацевичи ул. Загородная, 6А +375 (29) 188-59-01 ( Средне )
Схема проезда
г. Лельчицы ул. Советская, д.96/1 +375 (29) 346-98-96 ( Средне )
Схема проезда
г. Лунинец ул.Красная, 175а +375 (44) 721-46-74 ( Средне )
Схема проезда
г. Осиповичи ул. Короткая, 11 +375 (29) 165-60-07 ( Много )
Схема проезда
г. Ошмяны ул. Льнозоводская 3 +375 (44) 770-80-91 ( Средне )
Схема проезда
г. Слоним ул. Советская, 93а +375 (29) 394-82-01 ( Средне )
Схема проезда
г. Солигорск Чижевичский сельсовет, 3Г +375 (29) 899-58-52 ( Средне )
Схема проезда