Республика Беларусь,
г. Минск, ул. Селицкого 21к - центральный склад
Пн-пт с 8:00 до 17:00
Меню
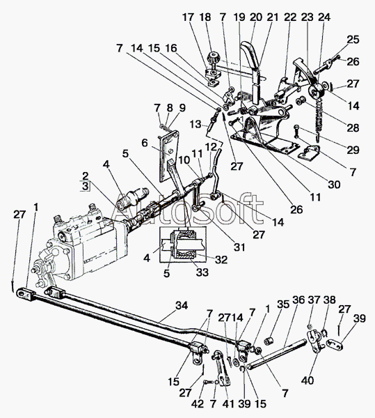
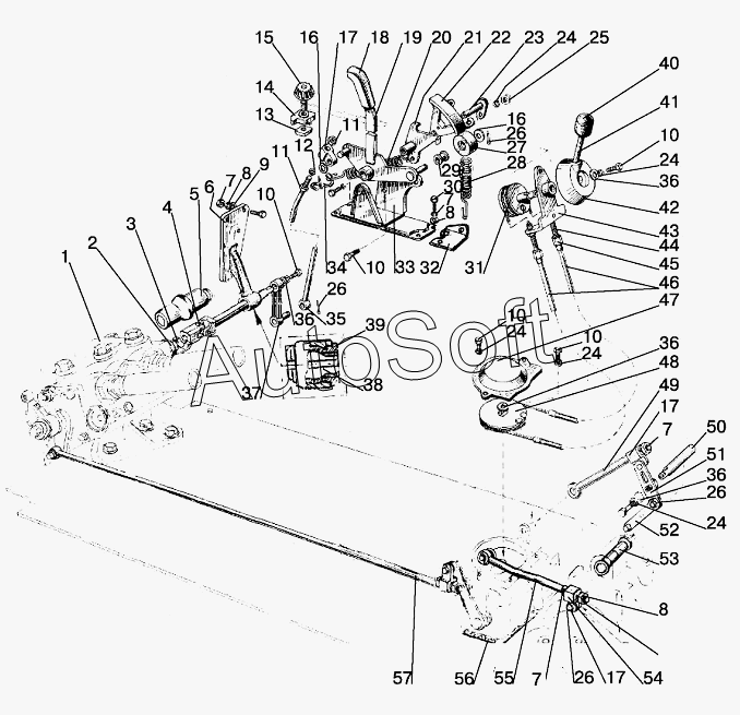
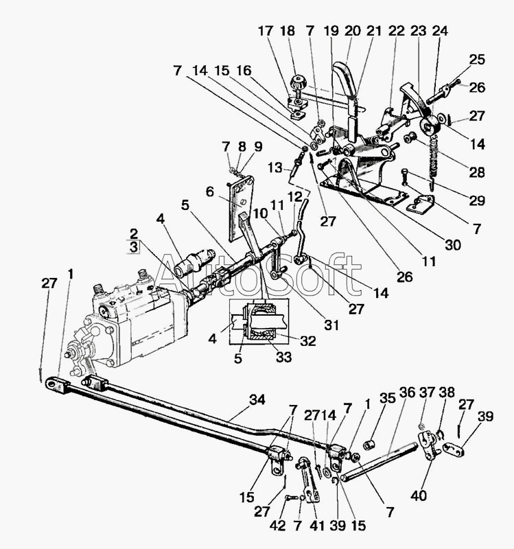
80-4616020-Б Рычаг
Наименование: Рычаг 80-4616020-Б
Каталожный номер: 80-4616020-Б
Производитель: RSTA
Код товара: 00-ГР005751
Доставка: по всей Беларуси
Остаток: под заказ

Нашли не точность в описании товара? сообщить администратору.

+375 (44) 770-80-78 +375 (29) 747-80-78
* Выставить счет, получить техническую информацию и стоимость
Заказать деталь Онлайн
Описание
Наличие на филиалах
Применяемость
Заменить на СТО

Рычаг 80-4616020-Б производства RSTA (РФ), Код для заказа: 00-ГР005751

Марка Модель Кат.номер Наим. по каталогу Чертеж
МТЗ МТЗ-80 (1998) 80-4616020-Б Рычаг Управление регулятором
МТЗ МТЗ-100 85-4616020 Тяга 85-4616011 в сборе Привод регулятора
МТЗ МТЗ-100 80-4616020-Б Рычаг Привод регулятора
МТЗ МТЗ-1221 (1997) 80-4616020-В Рычаг Привод регулятора Чертеж Привод регулятора
МТЗ МТЗ-1005 (2008) 80-4616020-Б Рычаг Привод регулятора
МТЗ МТЗ-80 (2002) (2002) 80-4616020-Б Рычаг 4616 Управление регулятором Чертеж 4616 Управление регулятором
МТЗ МТЗ-80 (2009) (2009) 80-4616020-Б Рычаг Управление регулятором Чертеж Управление регулятором
МТЗ МТЗ-570 (2010) 80-4616020-Б Рычаг Управление регулятором
МТЗ МТЗ-900/920/950/952 (2009) 80-4616020-Б Рычаг Управление регулятором Чертеж Управление регулятором
МТЗ МТЗ-826 (2010) 80-4616020-Б Рычаг Управление регулятором Чертеж Управление регулятором
МТЗ 892 (2011) 80-4616020-Б Рычаг Управление регулятором
МТЗ МТЗ-80.1 (2015) 80-4616020-Б Рычаг Управление регулятором
МТЗ 1025/1025.2/1025.3 (2009) 80-4616020-Б Рычаг Привод регулятора Чертеж Привод регулятора
МТЗ 800/900 (2003) 80-4616020-Б Рычаг Управление регулятором
МоАЗ 7505 Д357П-4616020 Заглушка Гидрораспределитель 6401-8607010 Чертеж Гидрораспределитель 6401-8607010
МоАЗ 75051 Д357П-4616020 Заглушка Гидрораспределитель
МоАЗ 75054-22 Д357П-4616020 Заглушка Гидрораспределитель
ЮМЗ ЮМЗ-6КЛ, (6КМ) (1995) 45Т-4616020-Б-02 Сектор Установка регулятора силового и позиционного регулирования Чертеж Установка регулятора силового и позиционного регулирования
Товары из этой категории
Муфта разрывная (РВД под ключ 32) НО36.52.000
Муфта разрывная (РВД под ключ 32)
Каталожный номер НО36.52.000
Производитель КНР КНР
Код 31579
Доставка по всей Беларуси
Доступность остатки на филиалах Остатки на филиалах
Остаток: г.Минск, ул.Селицкого 21к В наличии
Склад Адрес Контакт Остатки
г. Минск ул. Селицкого, 21к +375 (44) 770-80-78 ( Много )
Схема проезда
г. Барановичи ул. Бадака, 27Б +375 (29) 350-33-47 ( Средне )
Схема проезда
г. Березино ул. Комсомольская, д. 24 +375 (44) 770-80-17 ( Средне )
Схема проезда
г. Витебск ул. Правды, 33 +375 (44) 770-80-87 ( Средне )
Схема проезда
г. Глубокое ул. Энгельса, 22 +375 (44) 505-71-40 ( Средне )
Схема проезда
г. Гомель ул. Барыкина, 291Б +375 (44) 514-15-30 ( Средне )
Схема проезда
г. Гомель ул. Барыкина, 291Б +375 (44) 514-15-30 ( Мало )
Схема проезда
г. Дятлово ул. Советская ,104 +375 (29) 187-87-37 ( Мало )
Схема проезда
г. Лунинец ул.Красная, 175а +375 (44) 721-46-74 ( Мало )
Схема проезда
г. Орша ул. Сергея Кирова, д. 34 +375 (44) 583-91-42 ( Мало )
Схема проезда
г. Осиповичи ул. Короткая, 11 +375 (29) 165-60-07 ( Средне )
Схема проезда
г. Петриков ул. Первомайская, 124 +375 (33) 660-06-75 ( Средне )
Схема проезда
г. Слоним ул. Советская, 93а +375 (29) 394-82-01 ( Мало )
Схема проезда
Кольцо 2С90 (915219) МТЗ 2С90 (915219)
Кольцо 2С90 (915219) МТЗ
Каталожный номер 2С90 (915219)
Производитель МТЗ МТЗ
Код 00-ГР026116
Доставка по всей Беларуси
Доступность остатки на филиалах Остатки на филиалах
Остаток В наличии
Склад Адрес Контакт Остатки
г. Бобруйск ул. Орловского, 22к3 +375 (29) 345-37-07 ( Средне )
Схема проезда
г. Горки ул.Мира, д.51а/1 +375 (44) 565-33-61 ( Средне )
Схема проезда
г. Дрогичин ул. Юбилейная, 42 +375 (29) 682-17-13 ( Средне )
Схема проезда
Стяжка 50-4605115 ВЗТЗЧ 50-4605115
Стяжка 50-4605115 ВЗТЗЧ
Каталожный номер 50-4605115
Производитель ВЗТЗЧ ВЗТЗЧ
Код 00-ГР015281
Доставка по всей Беларуси
Доступность остатки на филиалах Остатки на филиалах
Остаток: г.Минск, ул.Селицкого 21к В наличии
Склад Адрес Контакт Остатки
г. Минск ул. Селицкого, 21к +375 (44) 770-80-78 ( Средне )
Схема проезда
г. Новогрудок ул. Индустриальная, 3 +375 (44) 729-39-19 ( Мало )
Схема проезда
г. Пружаны ул. Макаренко, 21 +375 (29) 348-83-18 ( Средне )
Схема проезда
г. Слоним ул. Советская, 93а +375 (29) 394-82-01 ( Средне )
Схема проезда
г. Столин ул. Быковского, 29 +375 (33) 304-54-36 ( Мало )
Схема проезда
Труба 80-4607075-Б 80-4607075-Б
Труба 80-4607075-Б
Каталожный номер 80-4607075-Б
Производитель МТЗ МТЗ
Код 00-ГР029736
Доставка по всей Беларуси
Доступность остатки на филиалах Остатки на филиалах
Остаток: г.Минск, ул.Селицкого 21к В наличии
Склад Адрес Контакт Остатки
г. Минск ул. Селицкого, 21к +375 (44) 770-80-78 ( Мало )
Схема проезда
Ремкомплект гидроцилиндра ЦС-125
Ремкомплект гидроцилиндра
Каталожный номер ЦС-125
Производитель RSTA RSTA
Код 59913
Доставка по всей Беларуси
Доступность остатки на филиалах Остатки на филиалах
Остаток Под заказ