Республика Беларусь,
г. Минск, ул. Селицкого 21к - центральный склад
Пн-пт с 8:00 до 17:00
Меню
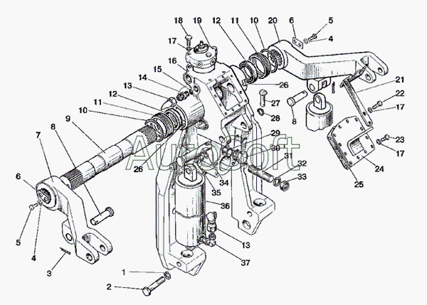
1221-4635012 Рычаг правый
Наименование: Рычаг 1221-4635012 правый
Каталожный номер: 1221-4635012
Производитель: RSTA
Код товара: 00-ГР001723
Доставка: по всей Беларуси
Остаток: под заказ

Нашли не точность в описании товара? сообщить администратору.

+375 (44) 770-80-78 +375 (29) 747-80-78
* Выставить счет, получить техническую информацию и стоимость
Заказать деталь Онлайн
Описание
Наличие на филиалах
Применяемость
Заменить на СТО

13.10.20

Рычаг 1221-4635012 правый производства RSTA (РФ), Код для заказа: 00-ГР001723

Марка Модель Кат.номер Наим. по каталогу Чертеж
МТЗ МТЗ-80 (2009) (2009) 1221-4635012 Рычаг правый Гидроподъемник Чертеж Гидроподъемник
МТЗ МТЗ-821/921 (2009) 1221-4635012 Рычаг правый Гидроподъемник Чертеж Гидроподъемник
МТЗ МТЗ-900/920/950/952 (2009) 1221-4635012 Рычаг правый Гидроподъемник Чертеж Гидроподъемник
МТЗ МТЗ-920.4/952.4 (2009) 1221-4635012 Рычаг правый Гидроподъемник
МТЗ МТЗ-826 (2010) 1221-4635012 Рычаг правый Гидроподъемник
МТЗ МТЗ-1021.3 (2010) 1221-4635012 Рычаг правый Гидроподъемник Чертеж Гидроподъемник
МТЗ МТЗ-1025.4 (2009) 1221-4635012 Рычаг правый Гидроподъемник
МТЗ МТЗ-1221 (2009) (2009) 1221-4635012 Рычаг правый Гидроподъемник
МТЗ 1220 (2011) 1221-4635012 Рычаг правый Гидроподъемник
МТЗ 1220 (2011) 1221-4635012 Рычаг правый Гидроподъемник Е1221-4635010
МТЗ 92П (2010) 1221-4635012 Рычаг правый Гидроподъемник Чертеж Гидроподъемник
МТЗ 1220.5 (2013) 1221-4635012 Рычаг правый Гидроподъемник
МТЗ 1220.5 (2013) 1221-4635012 Рычаг правый Гидроподъемник Е1221-4635010
МТЗ 952.5 (2013) 1221-4635012 Рычаг правый Гидроподъемник Чертеж Гидроподъемник
МТЗ 1025/1025.2/1025.3 (2009) 1221-4635012 Рычаг правый Гидроподъемник Чертеж Гидроподъемник
МТЗ 1025.5 (2013) 1221-4635012 Рычаг правый Гидроподъемник Чертеж Гидроподъемник
МТЗ 800/900 (2003) 1221-4635012 Рычаг правый Гидроподъемник (900.2, 920.2, 950.2, 952.2) Чертеж Гидроподъемник (900.2, 920.2, 950.2, 952.2)
МТЗ МТЗ-1221.5 (2013) 1221-4635012 Рычаг правый Гидроподъёмник
МТЗ МТЗ-1221.5 (2013) 1221-4635012 Рычаг правый Гидроподъемник
МТЗ МТЗ-1221.4 (2009) 1221-4635012 Рычаг правый Гидроподъемник
Товары из этой категории
Муфта разрывная 35210180050 воздушная быстроразъемная SORL 35210180050
Муфта разрывная 35210180050 воздушная быстроразъемная SORL
Каталожный номер 35210180050
Производитель SORL SORL
Код 00-ГР013075
Доставка по всей Беларуси
Доступность остатки на филиалах Остатки на филиалах
Остаток: г.Минск, ул.Селицкого 21к В наличии
Склад Адрес Контакт Остатки
г. Минск ул. Селицкого, 21к +375 (44) 770-80-78 ( Средне )
Схема проезда
г. Бобруйск ул. Орловского, 22к3 +375 (29) 345-37-07 ( Средне )
Схема проезда
г. Гомель ул. Барыкина, 291Б +375 (44) 514-15-30 ( Средне )
Схема проезда
г. Дрогичин ул. Юбилейная, 42 +375 (29) 682-17-13 ( Мало )
Схема проезда
г. Житковичи ул. Комсомольская, 49 +375 (29) 394-82-52 ( Средне )
Схема проезда
г. Ивацевичи ул. Загородная, 6А +375 (29) 188-59-01 ( Средне )
Схема проезда
г. Ошмяны ул. Льнозоводская 3 +375 (44) 770-80-91 ( Мало )
Схема проезда
г. Пинск ул. Калиновского 32 +375 (44) 560-99-59 ( Мало )
Схема проезда
г. Слоним ул. Советская, 93а +375 (29) 394-82-01 ( Средне )
Схема проезда
Устройство запорное РВД ключ 24 3057-4616320
Устройство запорное РВД ключ 24
Каталожный номер 3057-4616320
Производитель КНР КНР
Код 16280
Доставка по всей Беларуси
Доступность остатки на филиалах Остатки на филиалах
Остаток: г.Минск, ул.Селицкого 21к В наличии
Склад Адрес Контакт Остатки
г. Минск ул. Селицкого, 21к +375 (44) 770-80-78 ( Много )
Схема проезда
г. Березино ул. Комсомольская, д. 24 +375 (44) 770-80-17 ( Средне )
Схема проезда
г. Бобруйск ул. Орловского, 22к3 +375 (29) 345-37-07 ( Средне )
Схема проезда
г. Борисов ул. Демина, 2а +375 (44) 560-99-75 ( Средне )
Схема проезда
г. Глубокое ул. Энгельса, 22 +375 (44) 505-71-40 ( Средне )
Схема проезда
г. Горки ул.Мира, д.51а/1 +375 (44) 565-33-61 ( Средне )
Схема проезда
г. Дрогичин ул. Юбилейная, 42 +375 (29) 682-17-13 ( Средне )
Схема проезда
г. Жлобин ул. Козлова, 25 +375 (29) 346-06-78 ( Средне )
Схема проезда
г. Ивацевичи ул. Загородная, 6А +375 (29) 188-59-01 ( Средне )
Схема проезда
г. Кобрин ул. Пролетарская, 177А +375 (44) 588-10-80 ( Средне )
Схема проезда
г. Кричев ул. Комсомольская, 126 +375 (29) 628-88-42 ( Средне )
Схема проезда
г. Лельчицы ул. Советская, д.96/1 +375 (29) 346-98-96 ( Средне )
Схема проезда
г. Лепель ул. Лобанка, 43 +375 (44) 778-65-21 ( Средне )
Схема проезда
г. Молодечно ул. Галицкого, 14 +375 (44) 567-28-47 ( Средне )
Схема проезда
г. Несвиж ул. Кутузова, 2 +375 (29) 394-82-48 ( Много )
Схема проезда
г. Новогрудок ул. Индустриальная, 3 +375 (44) 729-39-19 ( Средне )
Схема проезда
г. Осиповичи ул. Короткая, 11 +375 (29) 165-60-07 ( Средне )
Схема проезда
г. Ошмяны ул. Льнозоводская 3 +375 (44) 770-80-91 ( Средне )
Схема проезда
г. Полоцк-2 ул. Шенягина, 52 +375 (29) 302-94-73 ( Средне )
Схема проезда
г. Полоцк-2 ул. Шенягина, 52 +375 (29) 302-94-73 ( Много )
Схема проезда
г. Поставы ул. Советская, 69 +375 (44) 770-80-13 ( Средне )
Схема проезда
г. Слоним ул. Советская, 93а +375 (29) 394-82-01 ( Средне )
Схема проезда
г. Сморгонь ул. Железнодорожная, 32 +375 (29) 671-02-10 ( Средне )
Схема проезда
г. Солигорск Чижевичский сельсовет, 3Г +375 (29) 899-58-52 ( Средне )
Схема проезда
г. Столин ул. Быковского, 29 +375 (33) 304-54-36 ( Много )
Схема проезда
г. Щучин ул. Советская, 39 +375 (29) 177-29-70 ( Мало )
Схема проезда
Раскос МТЗ механический 50-4605012
Раскос МТЗ механический
Каталожный номер 50-4605012
Производитель RSTA RSTA
Код 11651
Доставка по всей Беларуси
Доступность остатки на филиалах Остатки на филиалах
Остаток: г.Минск, ул.Селицкого 21к В наличии
Склад Адрес Контакт Остатки
г. Минск ул. Селицкого, 21к +375 (44) 770-80-78 ( Средне )
Схема проезда
г. Витебск ул. Правды, 33 +375 (44) 770-80-87 ( Мало )
Схема проезда
г. Глубокое ул. Энгельса, 22 +375 (44) 505-71-40 ( Мало )
Схема проезда
г. Горки ул.Мира, д.51а/1 +375 (44) 565-33-61 ( Мало )
Схема проезда
г. Дрогичин ул. Юбилейная, 42 +375 (29) 682-17-13 ( Мало )
Схема проезда
г. Жлобин ул. Козлова, 25 +375 (29) 346-06-78 ( Мало )
Схема проезда
г. Ивацевичи ул. Загородная, 6А +375 (29) 188-59-01 ( Средне )
Схема проезда
г. Кобрин ул. Пролетарская, 177А +375 (44) 588-10-80 ( Мало )
Схема проезда
г. Кричев ул. Комсомольская, 126 +375 (29) 628-88-42 ( Средне )
Схема проезда
г. Лельчицы ул. Советская, д.96/1 +375 (29) 346-98-96 ( Мало )
Схема проезда
г. Лепель ул. Лобанка, 43 +375 (44) 778-65-21 ( Мало )
Схема проезда
г. Молодечно ул. Галицкого, 14 +375 (44) 567-28-47 ( Средне )
Схема проезда
г. Несвиж ул. Кутузова, 2 +375 (29) 394-82-48 ( Мало )
Схема проезда
г. Новогрудок ул. Индустриальная, 3 +375 (44) 729-39-19 ( Мало )
Схема проезда
г. Осиповичи ул. Короткая, 11 +375 (29) 165-60-07 ( Мало )
Схема проезда
г. Ошмяны ул. Льнозоводская 3 +375 (44) 770-80-91 ( Мало )
Схема проезда
г. Полоцк-2 ул. Шенягина, 52 +375 (29) 302-94-73 ( Мало )
Схема проезда
г. Пружаны ул. Макаренко, 21 +375 (29) 348-83-18 ( Средне )
Схема проезда
г. Слоним ул. Советская, 93а +375 (29) 394-82-01 ( Средне )
Схема проезда
г. Столин ул. Быковского, 29 +375 (33) 304-54-36 ( Средне )
Схема проезда
Ролик 80-4616017 Беларусьрезинотехника 80-4616017
Ролик 80-4616017 Беларусьрезинотехника
Каталожный номер 80-4616017
Производитель Беларусьрезинотехника Беларусьрезинотехника
Код 00-ГР030089
Доставка по всей Беларуси
Доступность остатки на филиалах Остатки на филиалах
Остаток Под заказ
Кольцо (915210) ГОСТ 13940-86 2С60 (915210)
Кольцо (915210) ГОСТ 13940-86
Каталожный номер 2С60 (915210)
Производитель RSTA RSTA
Код 45275
Доставка по всей Беларуси
Доступность остатки на филиалах Остатки на филиалах
Остаток: г.Минск, ул.Селицкого 21к В наличии
Склад Адрес Контакт Остатки
г. Минск ул. Селицкого, 21к +375 (44) 770-80-78 ( Много )
Схема проезда
г. Бобруйск ул. Орловского, 22к3 +375 (29) 345-37-07 ( Средне )
Схема проезда
г. Гродно ул. Карского, 35 +375 (44) 770-70-21 ( Мало )
Схема проезда
г. Дрогичин ул. Юбилейная, 42 +375 (29) 682-17-13 ( Мало )
Схема проезда
г. Ивацевичи ул. Загородная, 6А +375 (29) 188-59-01 ( Средне )
Схема проезда
г. Лельчицы ул. Советская, д.96/1 +375 (29) 346-98-96 ( Средне )
Схема проезда
г. Новогрудок ул. Индустриальная, 3 +375 (44) 729-39-19 ( Средне )
Схема проезда