Республика Беларусь,
г. Минск, ул. Селицкого 21к - центральный склад
Пн-пт с 8:00 до 17:00
Меню
952-3407100-12 Рукав РВД Ф8х1
Наименование: Рукав РВД Ф8х1 952-3407100-12
Каталожный номер: 952-3407100-12
Производитель: Гидроресурс
Код товара: 00-ГР001715
Доставка: по всей Беларуси
Остаток: под заказ

Нашли не точность в описании товара? сообщить администратору.

+375 (44) 770-80-78 +375 (29) 747-80-78
* Выставить счет, получить техническую информацию и стоимость
Заказать деталь Онлайн
Описание
Наличие на филиалах
Применяемость
Заменить на СТО

30.09.20

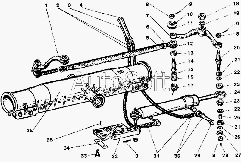
Рукав РВД Ф8х1 952-3407100-12 производства Гидроресурс (Гидроресурс), Код для заказа: 00-ГР001715

Марка Модель Кат.номер Наим. по каталогу Чертеж
МТЗ МТЗ-900 952-3407100-01 Шланг Арматура рулевого управления
МТЗ МТЗ-900 952-3407100 Рукав высокого давления ПВМ с гидроцилиндром в рулевой трапеции
МТЗ МТЗ-900 952-3407100 Рукав высокого давления Передняя ось с гидроцилиндром в рулевой трапеции Чертеж Передняя ось с гидроцилиндром в рулевой трапеции
МТЗ МТЗ-1221 (1997) 952-3407100-12 Рукав высокого давления Управление рулевое гидрообъемное Чертеж Управление рулевое гидрообъемное
МТЗ МТЗ-1221 (1997) 952-3407100-04 Рукав высокого давления Управление рулевое гидрообъемное Чертеж Управление рулевое гидрообъемное
МТЗ МТЗ-1523 952-3407100-02 Рукав высокого давления Управление сцеплением на переднем ходу и реверсе
МТЗ МТЗ-1523 952-3407100-04 Рукав высокого давления Управление рулевое гидрообъемное Чертеж Управление рулевое гидрообъемное
МТЗ МТЗ-1523 952-3407100-02 Рукав высокого давления Управление рулевое гидрообъемное Чертеж Управление рулевое гидрообъемное
МТЗ МТЗ-1523 952-3407100-12 Рукав высокого давления Управление рулевое гидрообъемное Чертеж Управление рулевое гидрообъемное
МТЗ МТЗ-1523 952-3407100-12 Рукав высокого давления Управление тормозами Чертеж Управление тормозами
МТЗ МТЗ-1523 952-3407100-12 Рукав высокого давления Управление тормозами на реверсе Чертеж Управление тормозами на реверсе
МТЗ МТЗ-1522 (2008) 952-3407100-02 Рукав высокого давления Управление сцеплением на переднем ходу и реверсе
МТЗ МТЗ-1522 (2008) 952-3407100-04 Рукав высокого давления Управление рулевое гидрообъемное
МТЗ МТЗ-1522 (2008) 952-3407100-02 Рукав высокого давления Управление рулевое гидрообъемное
МТЗ МТЗ-1522 (2008) 952-3407100-12 Рукав высокого давления Управление рулевое гидрообъемное
МТЗ МТЗ-1522 (2008) 952-3407100-12 Рукав высокого давления Управление тормозами
МТЗ МТЗ-1522 (2008) 952-3407100-12 Рукав высокого давления Управление тормозами на реверсе Чертеж Управление тормозами на реверсе
МТЗ МТЗ-822 (2008) 952-3407100 Рукав высокого давления Управление рулевое гидрообъемное Чертеж Управление рулевое гидрообъемное
МТЗ МТЗ-922 (2008) 952-3407100 Рукав высокого давления Управление рулевое гидрообъемное Чертеж Управление рулевое гидрообъемное
МТЗ МТЗ-923 (2008) 952-3407100 Рукав высокого давления Управление рулевое гидрообъемное
Товары из этой категории
Смазка медная 65175000F F425 400 мл. FORCH 65175000F
Смазка медная 65175000F F425 400 мл. FORCH
Каталожный номер 65175000F
Производитель FORCH FORCH
Код 00-ГР038123
Доставка по всей Беларуси
Доступность остатки на филиалах Остатки на филиалах
Остаток Под заказ
Универсальный очиститель тормозов 500 мл 08901087
Универсальный очиститель тормозов 500 мл
Каталожный номер 08901087
Производитель
Код 00-ГР000550
Доставка по всей Беларуси
Доступность остатки на филиалах Остатки на филиалах
Остаток Под заказ
Холодная сварка Ln1720 Быстрая сталь Quickfix Lavr 60 гр Ln1720
Холодная сварка Ln1720 Быстрая сталь Quickfix Lavr 60 гр
Каталожный номер Ln1720
Производитель Lavr Lavr
Код 00-ГР019444
Доставка по всей Беларуси
Доступность остатки на филиалах Остатки на филиалах
Остаток В наличии
Склад Адрес Контакт Остатки
г. Новогрудок ул. Индустриальная, 3 +375 (44) 729-39-19 ( Средне )
Схема проезда
г. Слоним ул. Советская, 93а +375 (29) 394-82-01 ( Средне )
Схема проезда
Смазка ARGO Elit-X EP2 туба-картридж 0,37 ARGO Elit-X EP2
Смазка ARGO Elit-X EP2 туба-картридж 0,37
Каталожный номер ARGO Elit-X EP2
Производитель РФ РФ
Код 2060183429
Доставка по всей Беларуси
Доступность остатки на филиалах Остатки на филиалах
Остаток В наличии
Склад Адрес Контакт Остатки
г. Барановичи ул. Пролетарская, 40 +375 (29) 795-96-37 ( Много )
Схема проезда
г. Берёза ул. Красноармейская, 89/11 +375 (29) 676-70-71 ( Средне )
Схема проезда
г. Борисов ул. Демина, 2а +375 (44) 560-99-75 ( Много )
Схема проезда
г. Витебск ул. Правды, 33 +375 (44) 770-80-87 ( Средне )
Схема проезда
г. Жлобин ул. Козлова, 25 +375 (29) 346-06-78 ( Средне )
Схема проезда
г. Кобрин ул. Пролетарская, 177А +375 (44) 588-10-80 ( Средне )
Схема проезда
г. Лепель ул. Лобанка, 43 +375 (44) 778-65-21 ( Много )
Схема проезда
г. Новогрудок ул. Индустриальная, 3 +375 (44) 729-39-19 ( Средне )
Схема проезда
г. Орша ул. Сергея Кирова, д. 34 +375 (44) 583-91-42 ( Много )
Схема проезда
г. Полоцк-2 ул. Шенягина, 52 +375 (29) 302-94-73 ( Много )
Схема проезда
г. Столин ул. Быковского, 29 +375 (33) 304-54-36 ( Мало )
Схема проезда
Смазка Budmax LC EP-2 (туба-картридж пл. 0,4кг) LC EP-2
Смазка Budmax LC EP-2 (туба-картридж пл. 0,4кг)
Каталожный номер LC EP-2
Производитель Budmax Budmax
Код 00-ГР029773
Доставка по всей Беларуси
Доступность остатки на филиалах Остатки на филиалах
Остаток В наличии
Склад Адрес Контакт Остатки
г. Полоцк-2 ул. Шенягина, 52 +375 (29) 302-94-73 ( Средне )
Схема проезда
г. Слоним ул. Советская, 93а +375 (29) 394-82-01 ( Средне )
Схема проезда
Смазка 1522 для суппортов 20 г. ВМПАВТО 1522
Смазка 1522 для суппортов 20 г. ВМПАВТО
Каталожный номер 1522
Производитель ВМПАВТО ВМПАВТО
Код 00-ГР039385
Доставка по всей Беларуси
Доступность остатки на филиалах Остатки на филиалах
Остаток Под заказ
Очиститель тормозов Felix, в аэроз. уп. 520 мл.
Очиститель тормозов Felix, в аэроз. уп. 520 мл.
Каталожный номер
Производитель
Код 00-ГР016883
Доставка по всей Беларуси
Доступность остатки на филиалах Остатки на филиалах
Остаток Под заказ
Клей цианокрилатный 20 гр. К139 64104100
Клей цианокрилатный 20 гр. К139
Каталожный номер 64104100
Производитель
Код 00-ГР016255
Доставка по всей Беларуси
Доступность остатки на филиалах Остатки на филиалах
Остаток Под заказ