Республика Беларусь,
г. Минск, ул. Селицкого 21к - центральный склад
Пн-пт с 8:00 до 17:00
Меню
680-4607140-03 Рукав РВД 10.18.20.90.1800 ( )
Наименование: Рукав РВД 10.18.20.90.1800 (680-4607140-03)
Каталожный номер: 680-4607140-03
Производитель: Гидроресурс
Код товара: 00-ГР014237
Доставка: по всей Беларуси
Остаток: под заказ

Нашли не точность в описании товара? сообщить администратору.

+375 (44) 770-80-78 +375 (29) 747-80-78
* Выставить счет, получить техническую информацию и стоимость
Заказать деталь Онлайн
Описание
Наличие на филиалах
Применяемость
Заменить на СТО

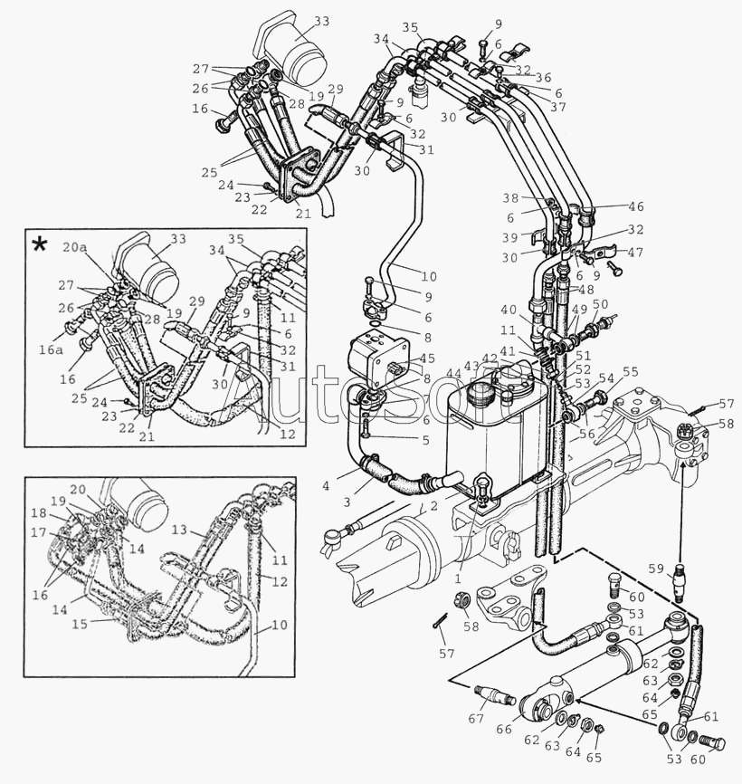
Рукав РВД 10.18.20.90.1800 (680-4607140-03) производства Гидроресурс (Гидроресурс), Код для заказа: 00-ГР014237

Марка Модель Кат.номер Наим. по каталогу Чертеж
МТЗ МТЗ-1523 680-4607140-06 Рукав высокого давления Управление рулевое гидрообъемное Чертеж Управление рулевое гидрообъемное
МТЗ МТЗ-1523 680-4607140-06 Рукав высокого давления Управление рулевое гидрообъемное (реверс) Чертеж Управление рулевое гидрообъемное (реверс)
МТЗ МТЗ-1523 680-4607140-06 Рукав высокого давления Гидроагрегаты и арматура
МТЗ МТЗ-1522 (2008) 680-4607140-06 Рукав высокого давления Управление рулевое гидрообъемное
МТЗ МТЗ-1522 (2008) 680-4607140-06 Рукав высокого давления Управление рулевое гидрообъемное (реверс)
МТЗ МТЗ-1522 (2008) 680-4607140-06 Рукав высокого давления Гидроагрегаты и арматура
МТЗ МТЗ-822 (2008) 680-4607140-04 Рукав высокого давления Управление рулевое гидрообъемное Чертеж Управление рулевое гидрообъемное
МТЗ МТЗ-822 (2008) 680-4607140-07 Рукав Гидроагрегаты и арматура Чертеж Гидроагрегаты и арматура
МТЗ МТЗ-822 (2008) 680-4607140-08 Рукав Гидроагрегаты и арматура Чертеж Гидроагрегаты и арматура
МТЗ МТЗ-822 (2008) 680-4607140-07 Рукав Гидроагрегаты и арматура Чертеж Гидроагрегаты и арматура
МТЗ МТЗ-822 (2008) 680-4607140-08 Рукав Гидроагрегаты и арматура Чертеж Гидроагрегаты и арматура
МТЗ МТЗ-922 (2008) 680-4607140-04 Рукав высокого давления Управление рулевое гидрообъемное Чертеж Управление рулевое гидрообъемное
МТЗ МТЗ-922 (2008) 680-4607140-07 Рукав Гидроагрегаты и арматура
МТЗ МТЗ-922 (2008) 680-4607140-08 Рукав Гидроагрегаты и арматура
МТЗ МТЗ-922 (2008) 680-4607140-07 Рукав Гидроагрегаты и арматура Чертеж Гидроагрегаты и арматура
МТЗ МТЗ-922 (2008) 680-4607140-08 Рукав Гидроагрегаты и арматура Чертеж Гидроагрегаты и арматура
МТЗ МТЗ-923 (2008) 680-4607140-04 Рукав высокого давления Управление рулевое гидрообъемное
МТЗ МТЗ-923 (2008) 680-4607140-07 Рукав Гидроагрегаты и арматура
МТЗ МТЗ-923 (2008) 680-4607140-08 Рукав Гидроагрегаты и арматура
МТЗ МТЗ-923 (2008) 680-4607140-07 Рукав Гидроагрегаты и арматура Чертеж Гидроагрегаты и арматура
Товары из этой категории
Втулка стабилизатора 30х44 54321-2916028
Втулка стабилизатора 30х44
Каталожный номер 54321-2916028
Производитель УП ФАМ УП ФАМ
Код 1524
Доставка по всей Беларуси
Доступность остатки на филиалах Остатки на филиалах
Остаток В наличии
Склад Адрес Контакт Остатки
г. Минск ул. Бабушкина, 37 +375 (29) 632-00-82 ( Средне )
Схема проезда
г. Несвиж ул. Кутузова, 2 +375 (29) 394-82-48 ( Средне )
Схема проезда
Лист №2 рессоры п/п L-1165мм,МРЗ 8571-2912102
Лист №2 рессоры п/п L-1165мм,МРЗ
Каталожный номер 8571-2912102
Производитель МАЗ МАЗ
Код 44078
Доставка по всей Беларуси
Доступность остатки на филиалах Остатки на филиалах
Остаток: г.Минск, ул.Селицкого 21к В наличии
Склад Адрес Контакт Остатки
г. Минск ул. Селицкого, 21к +375 (44) 770-80-78 ( Мало )
Схема проезда
Стремянка рессоры задней 4370 (L=290мм, гайка М16)  с гайками 4370-2912408
Стремянка рессоры задней 4370 (L=290мм, гайка М16) с гайками
Каталожный номер 4370-2912408
Производитель КММЗ КММЗ
Код 8809
Доставка по всей Беларуси
Доступность остатки на филиалах Остатки на филиалах
Остаток В наличии
Склад Адрес Контакт Остатки
г. Ивацевичи ул. Загородная, 6А +375 (29) 188-59-01 ( Средне )
Схема проезда
г. Лельчицы ул. Советская, д.96/1 +375 (29) 346-98-96 ( Средне )
Схема проезда
Болт 64229-2912032 64229-2912032
Болт 64229-2912032
Каталожный номер 64229-2912032
Производитель КММЗ КММЗ
Код 00-ГР023059
Доставка по всей Беларуси
Доступность остатки на филиалах Остатки на филиалах
Остаток В наличии
Склад Адрес Контакт Остатки
г. Березино ул. Комсомольская, д. 24 +375 (44) 770-80-17 ( Средне )
Схема проезда
г. Бобруйск ул. Орловского, 22к3 +375 (29) 345-37-07 ( Средне )
Схема проезда
г. Борисов ул. Демина, 2а +375 (44) 560-99-75 ( Средне )
Схема проезда
г. Гродно ул. Карского, 35 +375 (44) 770-70-21 ( Средне )
Схема проезда
г. Кричев ул. Комсомольская, 126 +375 (29) 628-88-42 ( Мало )
Схема проезда
г. Лельчицы ул. Советская, д.96/1 +375 (29) 346-98-96 ( Средне )
Схема проезда
г. Полоцк-2 ул. Шенягина, 52 +375 (29) 302-94-73 ( Средне )
Схема проезда
Лист №2 рессоры  МРЗ 64229-2912102
Лист №2 рессоры МРЗ
Каталожный номер 64229-2912102
Производитель МАЗ МАЗ
Код 44442
Доставка по всей Беларуси
Доступность остатки на филиалах Остатки на филиалах
Остаток: г.Минск, ул.Селицкого 21к В наличии
Склад Адрес Контакт Остатки
г. Минск ул. Бабушкина, 37 +375 (29) 632-00-82 ( Средне )
Схема проезда
г. Минск ул. Селицкого, 21к +375 (44) 770-80-78 ( Много )
Схема проезда
г. Барановичи ул. Бадака, 27Б +375 (29) 350-33-47 ( Мало )
Схема проезда
г. Бобруйск ул. Гоголя, 181/1-6 +375 (29) 630-05-01 ( Мало )
Схема проезда
г. Бобруйск ул. Орловского, 22к3 +375 (29) 345-37-07 ( Средне )
Схема проезда
г. Борисов ул. Демина, 2а +375 (44) 560-99-75 ( Много )
Схема проезда
г. Витебск ул. Петруся Бровки, 34 +375 (29) 636-25-08 ( Средне )
Схема проезда
г. Гомель ул. Барыкина, 291Б +375 (44) 514-15-30 ( Мало )
Схема проезда
г. Гомель ул. Барыкина, 291Б +375 (44) 514-15-30 ( Средне )
Схема проезда
г. Житковичи ул. Комсомольская, 49 +375 (29) 394-82-52 ( Мало )
Схема проезда
г. Ивацевичи ул. Загородная, 6А +375 (29) 188-59-01 ( Средне )
Схема проезда
г. Кобрин ул. Пролетарская, 177А +375 (44) 588-10-80 ( Средне )
Схема проезда
г. Могилев ул. Габровская 11Б +375 (29) 662-02-16 ( Средне )
Схема проезда
г. Ошмяны ул. Льнозоводская 3 +375 (44) 770-80-91 ( Средне )
Схема проезда
г. Полоцк-2 ул. Шенягина, 52 +375 (29) 302-94-73 ( Средне )
Схема проезда
г. Поставы ул. Советская, 69 +375 (44) 770-80-13 ( Мало )
Схема проезда
г. Слоним ул. Советская, 93а +375 (29) 394-82-01 ( Средне )
Схема проезда