Республика Беларусь,
г. Минск, ул. Селицкого 21к - центральный склад
Пн-пт с 8:00 до 17:00
Меню
10.18.18.1250 Рукав РВД
Наименование: Рукав РВД 10.18.18.1250
Каталожный номер: 10.18.18.1250
Производитель: Гидроресурс
Код товара: 20510
Доставка: по всей Беларуси
Остаток: под заказ

Нашли не точность в описании товара? сообщить администратору.

+375 (44) 770-80-78 +375 (29) 747-80-78
* Выставить счет, получить техническую информацию и стоимость
Заказать деталь Онлайн
Описание
Наличие на филиалах
Применяемость
Заменить на СТО

Рукав РВД 10.18.18.1250 производства Гидроресурс (Гидроресурс), Код для заказа: 20510

Марка Модель Кат.номер Наим. по каталогу Чертеж
Ikarus 260.50 1250-305-003 Вал передачи заднего хода Промежуточный вал, элементы заднего хода, шестерни
Ikarus 260.50 1250-305-003 Вал передачи заднего хода Промежуточный вал, элементы заднего хода, шестерни
Ikarus 260.50 1250-305-003 Вал передачи заднего хода Промежуточный вал, элементы заднего хода, шестерни
Ikarus 260.50 1250-105-003 Игольчатый роликоподшипник Промежуточный вал, элементы заднего хода, шестерни
ЗИЛ ЗИЛ-5301 (2000) 1-8,5х8-1250\21 Ремень Жидкостный насос и вентилятор
ЗИЛ ЗИЛ-3250 (2000) 1250-5402580 Накладка облицовочная нижняя правая Кузов автобуса Чертеж Кузов автобуса
ЗИЛ ЗИЛ-3250 (2000) 1250-5403086 Профиль верхний Установка сдвижного стекла Чертеж Установка сдвижного стекла
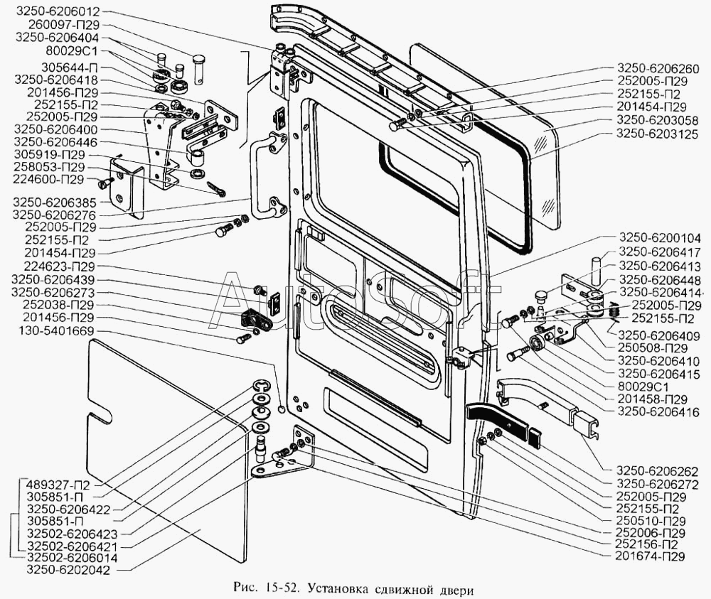
ЗИЛ ЗИЛ-3250 (2000) 1250-6206272 Прокладка средней направляющей Установка сдвижной двери Чертеж Установка сдвижной двери
ЗИЛ ЗИЛ-3250 (2000) 1250-6206422 Ролик нижний Установка сдвижной двери Чертеж Установка сдвижной двери
ЗИЛ ЗИЛ-3250 (2000) 2кл.1-8,5х8-1250 Ремень Жидкостный насос и вентилятор Чертеж Жидкостный насос и вентилятор
ЗИЛ ЗИЛ-3250 (2000) 8,5Х8-1250 ГОСТ5813-93 Ремень генератора Генератор и его установка
МТЗ МТЗ-100 1-11х10-1250 Ремень Водяной насос и вентилятор Чертеж Водяной насос и вентилятор
МТЗ МТЗ-100 4.103-В8-ХХХ Трос (L=1250 мм) Управление коробкой передач (вариант 1) Чертеж Управление коробкой передач (вариант 1)
МТЗ МТЗ-900 1-11х10-1250 Ремень Водяной насос. Вентилятор Чертеж Водяной насос. Вентилятор
КМЗ МКСМ-800 Рукав 40У8-13ТУ005.6016-87 L=1250+/-2 мм Рукав 40У8-13ТУ005.6016-87 L=1250+/-2 мм Управление стояночным тормозом Чертеж Управление стояночным тормозом
ТВЭКС ЭО-3323 Э302-1-1250-02А Шайба специальная Пневмооборудование на поворотной платформе Чертеж Пневмооборудование на поворотной платформе
ТВЭКС ВП-05 М403-21 ТУ38. 1051972-90 Профиль губчатый L=1250 мм Кабина Чертеж Кабина
ТВЭКС ВП-05 РВД 20-30-1250-4 ТУ22-4584-79 Рукав Трубопроводы Чертеж Трубопроводы
ТВЭКС ВП-05 РВД 12-25-1250 ТУ22-4756-80 Рукав Трубопроводы Чертеж Трубопроводы
ММЗ Д-242 1-11х10-1250 Ремень Водяной насос и вентилятор
Товары из этой категории
Фильтр топливный клипсы 315195-1117010-10
Фильтр топливный клипсы
Каталожный номер 315195-1117010-10
Производитель Автомагнат Автомагнат
Код 60221
Доставка по всей Беларуси
Доступность остатки на филиалах Остатки на филиалах
Остаток В наличии
Склад Адрес Контакт Остатки
г. Березино ул. Комсомольская, д. 24 +375 (44) 770-80-17 ( Средне )
Схема проезда
г. Гродно ул. Карского, 35 +375 (44) 770-70-21 ( Мало )
Схема проезда
г. Ивацевичи ул. Загородная, 6А +375 (29) 188-59-01 ( Средне )
Схема проезда
Форсунка CRTR0101354 топливная CRTR0101354
Форсунка CRTR0101354 топливная
Каталожный номер CRTR0101354
Производитель CARTRONIC CARTRONIC
Код 00-ГР026347
Доставка по всей Беларуси
Доступность остатки на филиалах Остатки на филиалах
Остаток: г.Минск, ул.Селицкого 21к В наличии
Склад Адрес Контакт Остатки
г. Минск ул. Селицкого, 21к +375 (44) 770-80-78 ( Средне )
Схема проезда
г. Кричев ул. Комсомольская, 126 +375 (29) 628-88-42 ( Средне )
Схема проезда
г. Ошмяны ул. Льнозоводская 3 +375 (44) 770-80-91 ( Средне )
Схема проезда
Трос газа УАЗ-3741 (Двигатель 409) 200см 220695-1108050
Трос газа УАЗ-3741 (Двигатель 409) 200см
Каталожный номер 220695-1108050
Производитель Автотрос Автотрос
Код 25513
Доставка по всей Беларуси
Доступность остатки на филиалах Остатки на филиалах
Остаток: г.Минск, ул.Селицкого 21к В наличии
Склад Адрес Контакт Остатки
г. Минск ул. Селицкого, 21к +375 (44) 770-80-78 ( Много )
Схема проезда
г. Березино ул. Комсомольская, д. 24 +375 (44) 770-80-17 ( Мало )
Схема проезда
г. Борисов ул. Демина, 2а +375 (44) 560-99-75 ( Мало )
Схема проезда
г. Витебск ул. Правды, 33 +375 (44) 770-80-87 ( Мало )
Схема проезда
г. Глубокое ул. Энгельса, 22 +375 (44) 505-71-40 ( Мало )
Схема проезда
г. Дрогичин ул. Юбилейная, 42 +375 (29) 682-17-13 ( Мало )
Схема проезда
г. Дятлово ул. Советская ,104 +375 (29) 187-87-37 ( Мало )
Схема проезда
г. Ивацевичи ул. Загородная, 6А +375 (29) 188-59-01 ( Мало )
Схема проезда
г. Молодечно ул. Галицкого, 14 +375 (44) 567-28-47 ( Мало )
Схема проезда
г. Новогрудок ул. Индустриальная, 3 +375 (44) 729-39-19 ( Мало )
Схема проезда
г. Осиповичи ул. Короткая, 11 +375 (29) 165-60-07 ( Средне )
Схема проезда
г. Ошмяны ул. Льнозоводская 3 +375 (44) 770-80-91 ( Мало )
Схема проезда
г. Полоцк-2 ул. Шенягина, 52 +375 (29) 302-94-73 ( Мало )
Схема проезда
г. Полоцк-2 ул. Шенягина, 52 +375 (29) 302-94-73 ( Средне )
Схема проезда
г. Слоним ул. Советская, 93а +375 (29) 394-82-01 ( Мало )
Схема проезда
г. Сморгонь ул. Железнодорожная, 32 +375 (29) 671-02-10 ( Мало )
Схема проезда
Карбюратор К-151-1107010 PEKAR 151-1107010
Карбюратор К-151-1107010 PEKAR
Каталожный номер 151-1107010
Производитель PEKAR PEKAR
Код 23998
Доставка по всей Беларуси
Доступность остатки на филиалах Остатки на филиалах
Остаток Под заказ
Форсунка 4216-1132010
Форсунка
Каталожный номер 4216-1132010
Производитель RSTA RSTA
Код 35534
Доставка по всей Беларуси
Доступность остатки на филиалах Остатки на филиалах
Остаток: г.Минск, ул.Селицкого 21к В наличии
Склад Адрес Контакт Остатки
г. Минск ул. Селицкого, 21к +375 (44) 770-80-78 ( Средне )
Схема проезда
г. Глубокое ул. Энгельса, 22 +375 (44) 505-71-40 ( Средне )
Схема проезда
г. Гомель ул. Барыкина, 291Б +375 (44) 514-15-30 ( Средне )
Схема проезда
г. Гродно ул. Карского, 35 +375 (44) 770-70-21 ( Средне )
Схема проезда
г. Кричев ул. Комсомольская, 126 +375 (29) 628-88-42 ( Средне )
Схема проезда
г. Мозырь промузел Козенки +375 (44) 731-94-60 ( Средне )
Схема проезда
г. Ошмяны ул. Льнозоводская 3 +375 (44) 770-80-91 ( Средне )
Схема проезда
г. Полоцк-2 ул. Шенягина, 52 +375 (29) 302-94-73 ( Средне )
Схема проезда