Республика Беларусь,
г. Минск, ул. Селицкого 21к - центральный склад
Пн-пт с 8:00 до 17:00
Меню
53-1308080 Ролик натяжитель
Наименование: Ролик 53-1308080 натяжитель
Каталожный номер: 53-1308080
Производитель: RSTA
Код товара: 34129
Доставка: по всей Беларуси
Остаток: под заказ

Нашли не точность в описании товара? сообщить администратору.

+375 (44) 770-80-78 +375 (29) 747-80-78
* Выставить счет, получить техническую информацию и стоимость
Заказать деталь Онлайн
Описание
Наличие на филиалах
Применяемость
Заменить на СТО

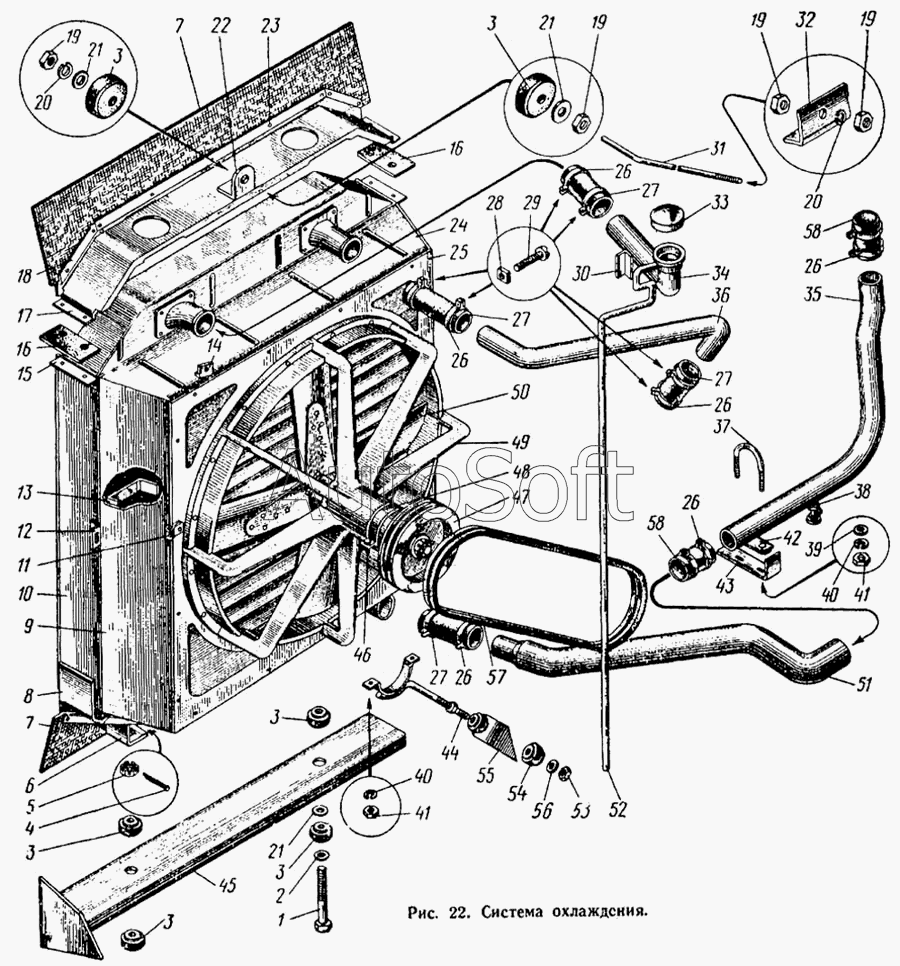
Ролик 53-1308080 натяжитель производства ГАЗ (РФ), Код для заказа: 34129

Марка Модель Кат.номер Наим. по каталогу Чертеж
ГАЗ ГАЗ-3110 406.1308080-20 Подшипник с уплотнениями и ребордой Насос водяной, ремень привода водяного насоса, термостат, датчики указателя температуры и сигнализатора перегрева охлаждающей жидкости, датчик указателя температуры охлаждающей жидкости системы управления двигателем ЗМЗ-4062.10 Чертеж Насос водяной, ремень привода водяного насоса, термостат, датчики указателя температуры и сигнализатора перегрева охлаждающей жидкости, датчик указателя температуры охлаждающей жидкости системы управления двигателем ЗМЗ-4062.10
ГАЗ ГАЗ-3302 (ГАЗель) 406.1308080 Ролик натяжной Насос водяной, вентилятор и его привод двигателей ЗМЗ 4061.10, ЗМЗ 4063.10, ЗМЗ 40637.10
ГАЗ ГАЗ-3302 (ГАЗель) 53-1308080-12 Ролик натяжной в сборе Насос водяной, вентилятор и его привод двигателей ЗМЗ 4025.10. ЗМЗ 4026.10 Чертеж Насос водяной, вентилятор и его привод двигателей ЗМЗ 4025.10. ЗМЗ 4026.10
ГАЗ ГАЗ-2705 (ГАЗель) (2000) 406.1308080-10 Ролик натяжной Вентилятор, насос водяной, привод вентилятора и водяного насоса, термостат, датчик указателя температуры и перегрева охлаждающей жидкости, датчик температурного состояния двигателей ЗМЗ-4061.10, ЗМЗ-4063.10 Чертеж Вентилятор, насос водяной, привод вентилятора и водяного насоса, термостат, датчик указателя температуры и перегрева охлаждающей жидкости, датчик температурного состояния двигателей ЗМЗ-4061.10, ЗМЗ-4063.10
ГАЗ ГАЗ-2705 (ГАЗель) (2000) 53-1308080-12 Ролик натяжной в сборе Вентилятор, насос водяной, приводы вентилятора и водяного насоса, термостат, датчик указателя температуры охлаждающей жидкости двигателей ЗМЗ-4025.10, ЗМЗ-4026.10 Чертеж Вентилятор, насос водяной, приводы вентилятора и водяного насоса, термостат, датчик указателя температуры охлаждающей жидкости двигателей ЗМЗ-4025.10, ЗМЗ-4026.10
ГАЗ ГАЗ-33027 (Дополнение) 560.1308080-10 Опора вентилятора в сборе Система охлаждения Чертеж Система охлаждения
ГАЗ ГАЗ-2217 (Соболь) (1999) 560.1308080 Опора вентилятора Ременный привод распределительного вала, вентилятор с муфтой, крышки зубчатого ремня и опора вентилятора двигателя ГАЗ-560 Чертеж Ременный привод распределительного вала, вентилятор с муфтой, крышки зубчатого ремня и опора вентилятора двигателя ГАЗ-560
ГАЗ ГАЗ-2217 (Соболь) (1999) 406.1308080-20 Подшипник с уплотнениями и ребордой Насос водяной двигателя ЗМЗ-4063 6-местного автобуса, ремень привода водяного насоса, термостат, датчики указателя температуры и сигнализатора перегрева охлаждающей жидкости, датчик температуры охлаждающей жидкости системы управления зажиганием двигателя Чертеж Насос водяной двигателя ЗМЗ-4063 6-местного автобуса, ремень привода водяного насоса, термостат, датчики указателя температуры и сигнализатора перегрева охлаждающей жидкости, датчик температуры охлаждающей жидкости системы управления зажиганием двигателя
ГАЗ ГАЗ-2217 (Соболь) (1999) 560.1308080-10 Опора вентилятора в сборе Вентилятор, насос водяной двигателя ЗМЗ-4063 10-местного автобуса Чертеж Вентилятор, насос водяной двигателя ЗМЗ-4063 10-местного автобуса
ГАЗ ГАЗ-3307 (2000) 53-1308080-12 Ролик натяжной в сборе Насос водяной, вентилятор и его привод
ГАЗ ГАЗ-71 53-1308080-Б Ролик натяжной в сборе Водяной насос Чертеж Водяной насос
ГАЗ ГАЗ-3302 (2004) (2004) 406.1308080-20 Подшипник с уплотнениями и ребордой Вентилятор, насос водяной, термостат, датчики указателя температуры ЗМЗ-406 Чертеж Вентилятор, насос водяной, термостат, датчики указателя температуры ЗМЗ-406
ГАЗ ГАЗ-3302 (2004) (2004) 406.1308080-21 Ролик натяжной Вентилятор, насос водяной, термостат, датчики указателя температуры ЗМЗ-406 Чертеж Вентилятор, насос водяной, термостат, датчики указателя температуры ЗМЗ-406
ГАЗ ГАЗ-3302 (2004) (2004) 53-1308080-12 Ролик натяжной в сборе Вентилятор, насос водяной, термостат, датчик указателя температуры ЗМЗ-402 Чертеж Вентилятор, насос водяной, термостат, датчик указателя температуры ЗМЗ-402
ГАЗ ГАЗ-560 (2004) 560.1308080 Опора вентилятора Ременный привод распределительного вала, крышки зубчатого ремня и опора вентилятора двигателя
ГАЗ ГАЗ-560 (2004) 560.1308080 Опора вентилятора Вентилятор с муфтой, опора вентилятора Чертеж Вентилятор с муфтой, опора вентилятора
ЛАЗ ЛАЗ 695Б 695-1308080-В Вал вентилятора Система охлаждения Чертеж Система охлаждения
ЛАЗ ЛАЗ 695Н (1976) 695М-1308080 Вал вентилятора Система охлаждения Чертеж Система охлаждения
ЛАЗ ЛАЗ 699Р 695М-1308080 Вал вентилятора Вентилятор и его привод Чертеж Вентилятор и его привод
ПАЗ ПАЗ-3205 (2001) 53-1308080-12 Ролик натяжной Ролик натяжной Чертеж Ролик натяжной
Товары из этой категории
Радиатор 3307-1301010-70
Радиатор
Каталожный номер 3307-1301010-70
Производитель ШААЗ ШААЗ
Код 10516
Доставка по всей Беларуси
Доступность остатки на филиалах Остатки на филиалах
Остаток: г.Минск, ул.Селицкого 21к В наличии
Склад Адрес Контакт Остатки
г. Минск ул. Селицкого, 21к +375 (44) 770-80-78 ( Средне )
Схема проезда
г. Орша ул. Сергея Кирова, д. 34 +375 (44) 583-91-42 ( Мало )
Схема проезда
г. Полоцк-2 ул. Шенягина, 52 +375 (29) 302-94-73 ( Мало )
Схема проезда
Крыльчатка вентилятора 3302-1308010-20 (RG3302-1308010-20) (11 лопастей) RIGINAL RG3302-1308010-20
Крыльчатка вентилятора 3302-1308010-20 (RG3302-1308010-20) (11 лопастей) RIGINAL
Каталожный номер RG3302-1308010-20
Производитель RIGINAL RIGINAL
Код 00-ГР032585
Доставка по всей Беларуси
Доступность остатки на филиалах Остатки на филиалах
Остаток: г.Минск, ул.Селицкого 21к В наличии
Склад Адрес Контакт Остатки
г. Минск ул. Селицкого, 21к +375 (44) 770-80-78 ( Средне )
Схема проезда
г. Березино ул. Комсомольская, д. 24 +375 (44) 770-80-17 ( Мало )
Схема проезда
г. Новогрудок ул. Индустриальная, 3 +375 (44) 729-39-19 ( Мало )
Схема проезда
г. Полоцк-2 ул. Шенягина, 52 +375 (29) 302-94-73 ( Мало )
Схема проезда
г. Слоним ул. Советская, 93а +375 (29) 394-82-01 ( Мало )
Схема проезда
Термостат 80°С ТС-108-01
Термостат 80°С
Каталожный номер ТС-108-01
Производитель Автомагнат Автомагнат
Код 10924
Доставка по всей Беларуси
Доступность остатки на филиалах Остатки на филиалах
Остаток: г.Минск, ул.Селицкого 21к В наличии
Склад Адрес Контакт Остатки
г. Минск ул. Селицкого, 21к +375 (44) 770-80-78 ( Средне )
Схема проезда
г. Щучин ул. Советская, 39 +375 (29) 177-29-70 ( Мало )
Схема проезда
Патрубки радиатора 3302-1303010/25 Г-3302 (406 двигатель) комплект 4шт 3302-1303010/25-406
Патрубки радиатора 3302-1303010/25 Г-3302 (406 двигатель) комплект 4шт
Каталожный номер 3302-1303010/25-406
Производитель ЗавГар ЗавГар
Код 23738
Доставка по всей Беларуси
Доступность остатки на филиалах Остатки на филиалах
Остаток: г.Минск, ул.Селицкого 21к В наличии
Склад Адрес Контакт Остатки
г. Минск ул. Селицкого, 21к +375 (44) 770-80-78 ( Средне )
Схема проезда
г. Барановичи ул. Пролетарская, 40 +375 (29) 795-96-37 ( Мало )
Схема проезда
г. Бобруйск ул. Орловского, 22к3 +375 (29) 345-37-07 ( Мало )
Схема проезда
г. Гомель ул. Барыкина, 291Б +375 (44) 514-15-30 ( Мало )
Схема проезда
г. Гродно ул. Карского, 35 +375 (44) 770-70-21 ( Мало )
Схема проезда
г. Лунинец ул.Красная, 175а +375 (44) 721-46-74 ( Мало )
Схема проезда
г. Орша ул. Сергея Кирова, д. 34 +375 (44) 583-91-42 ( Средне )
Схема проезда
г. Ошмяны ул. Льнозоводская 3 +375 (44) 770-80-91 ( Мало )
Схема проезда
г. Сморгонь ул. Железнодорожная, 32 +375 (29) 671-02-10 ( Мало )
Схема проезда
Патрубок верхний УАЗ 451-1303010
Патрубок верхний УАЗ
Каталожный номер 451-1303010
Производитель RSTA RSTA
Код 14941
Доставка по всей Беларуси
Доступность остатки на филиалах Остатки на филиалах
Остаток В наличии
Склад Адрес Контакт Остатки
г. Бобруйск ул. Орловского, 22к3 +375 (29) 345-37-07 ( Мало )
Схема проезда
Радиатор 53-1301010
Радиатор
Каталожный номер 53-1301010
Производитель ШААЗ ШААЗ
Код 12097
Доставка по всей Беларуси
Доступность остатки на филиалах Остатки на филиалах
Остаток: г.Минск, ул.Селицкого 21к В наличии
Склад Адрес Контакт Остатки
г. Минск ул. Селицкого, 21к +375 (44) 770-80-78 ( Средне )
Схема проезда
Термостат ТС-107-04М ELTRA ТС107.1306100-04М
Термостат ТС-107-04М ELTRA
Каталожный номер ТС107.1306100-04М
Производитель ELTRA ELTRA
Код 00-ГР025163
Доставка по всей Беларуси
Доступность остатки на филиалах Остатки на филиалах
Остаток: г.Минск, ул.Селицкого 21к В наличии
Склад Адрес Контакт Остатки
г. Минск ул. Селицкого, 21к +375 (44) 770-80-78 ( Много )
Схема проезда
г. Барановичи ул. Бадака, 27Б +375 (29) 350-33-47 ( Мало )
Схема проезда
г. Березино ул. Комсомольская, д. 24 +375 (44) 770-80-17 ( Средне )
Схема проезда
г. Берёза ул. Красноармейская, 89/11 +375 (29) 676-70-71 ( Средне )
Схема проезда
г. Бобруйск ул. Гоголя, 181/1-6 +375 (29) 630-05-01 ( Средне )
Схема проезда
г. Бобруйск ул. Орловского, 22к3 +375 (29) 345-37-07 ( Средне )
Схема проезда
г. Борисов ул. Демина, 2а +375 (44) 560-99-75 ( Мало )
Схема проезда
г. Брест Тельминский с/с, 1Д/1, 1 км южнее д. Тельмы-2 +375 (44) 599-90-75 ( Средне )
Схема проезда
г. Витебск ул. Правды, 33 +375 (44) 770-80-87 ( Мало )
Схема проезда
г. Витебск ул. Петруся Бровки, 34 +375 (29) 636-25-08 ( Мало )
Схема проезда
г. Глубокое ул. Энгельса, 22 +375 (44) 505-71-40 ( Средне )
Схема проезда
г. Горки ул.Мира, д.51а/1 +375 (44) 565-33-61 ( Мало )
Схема проезда
г. Дрогичин ул. Юбилейная, 42 +375 (29) 682-17-13 ( Средне )
Схема проезда
г. Житковичи ул. Комсомольская, 49 +375 (29) 394-82-52 ( Много )
Схема проезда
г. Жлобин ул. Козлова, 25 +375 (29) 346-06-78 ( Много )
Схема проезда
г. Ивацевичи ул. Загородная, 6А +375 (29) 188-59-01 ( Средне )
Схема проезда
г. Лельчицы ул. Советская, д.96/1 +375 (29) 346-98-96 ( Средне )
Схема проезда
г. Лепель ул. Лобанка, 43 +375 (44) 778-65-21 ( Средне )
Схема проезда
г. Могилев ул. Габровская 11Б +375 (29) 662-02-16 ( Средне )
Схема проезда
г. Мозырь промузел Козенки +375 (44) 731-94-60 ( Мало )
Схема проезда
г. Молодечно ул. Галицкого, 14 +375 (44) 567-28-47 ( Средне )
Схема проезда
г. Новогрудок ул. Индустриальная, 3 +375 (44) 729-39-19 ( Средне )
Схема проезда
г. Осиповичи ул. Короткая, 11 +375 (29) 165-60-07 ( Много )
Схема проезда
г. Пинск ул. Калиновского 32 +375 (44) 560-99-59 ( Средне )
Схема проезда
г. Полоцк-2 ул. Шенягина, 52 +375 (29) 302-94-73 ( Средне )
Схема проезда
г. Поставы ул. Советская, 69 +375 (44) 770-80-13 ( Средне )
Схема проезда
г. Слоним ул. Советская, 93а +375 (29) 394-82-01 ( Много )
Схема проезда
г. Сморгонь ул. Железнодорожная, 32 +375 (29) 671-02-10 ( Мало )
Схема проезда
г. Солигорск Чижевичский сельсовет, 3Г +375 (29) 899-58-52 ( Средне )
Схема проезда
г. Щучин ул. Советская, 39 +375 (29) 177-29-70 ( Средне )
Схема проезда
Патрубок нижний УАЗ 451-1303027
Патрубок нижний УАЗ
Каталожный номер 451-1303027
Производитель RSTA RSTA
Код 14940
Доставка по всей Беларуси
Доступность остатки на филиалах Остатки на филиалах
Остаток В наличии
Склад Адрес Контакт Остатки
г. Сморгонь ул. Железнодорожная, 32 +375 (29) 671-02-10 ( Мало )
Схема проезда