Республика Беларусь,
г. Минск, ул. Селицкого 21к - центральный склад
Пн-пт с 8:00 до 17:00
Меню
90-8401080 Решетка
Наименование: Решетка 90-8401080
Каталожный номер: 90-8401080
Производитель: RSTA
Код товара: 32972
Доставка: по всей Беларуси
Остаток: под заказ

Нашли не точность в описании товара? сообщить администратору.

+375 (44) 770-80-78 +375 (29) 747-80-78
* Выставить счет, получить техническую информацию и стоимость
Заказать деталь Онлайн
Описание
Наличие на филиалах
Применяемость
Заменить на СТО

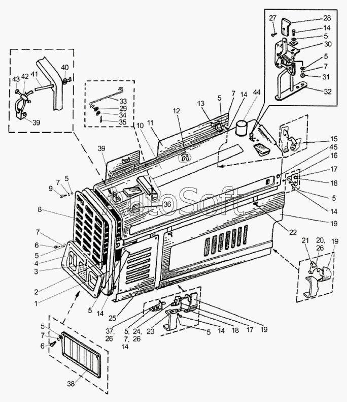
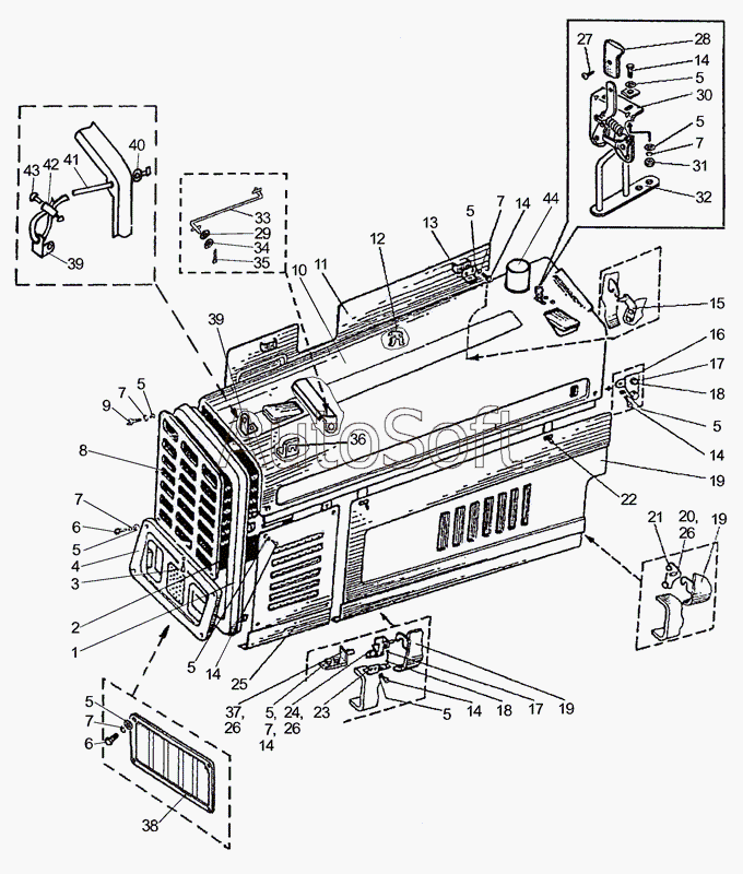
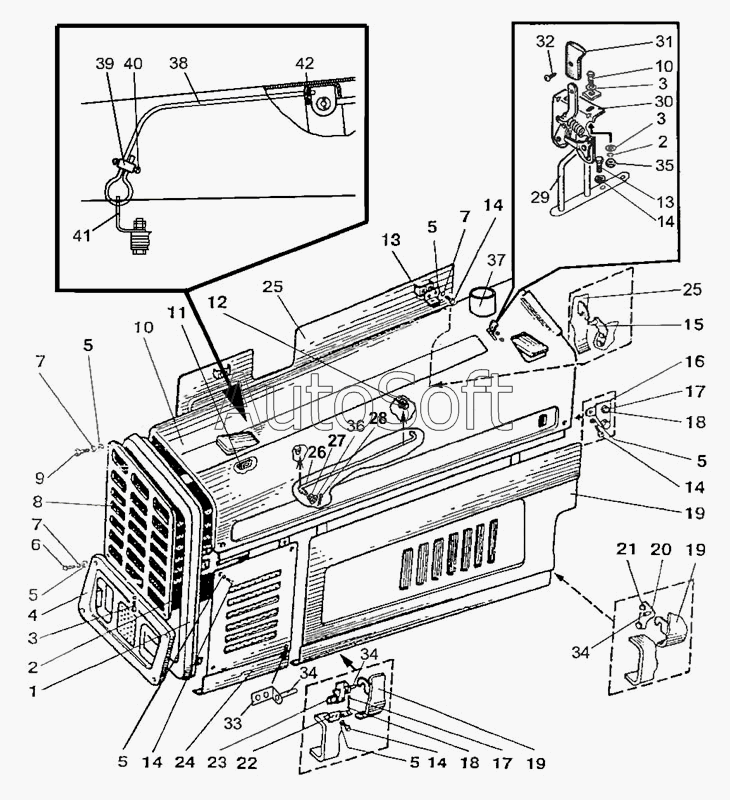
Решетка 90-8401080, 90-8401080

  • Каталожный номер: 90-8401080
  • Код товара  для заказа:  32972
Марка Модель Кат.номер Наим. по каталогу Чертеж
МТЗ МТЗ-100 80-8401080 Решетка (со встроенными фарами) Облицовка
МТЗ МТЗ-1523 1522-8401080 Рамка Облицовка
МТЗ МТЗ-1523 1222-8401080 Рамка Облицовка Чертеж Облицовка
МТЗ МТЗ-1522 (2008) 1522-8401080 Рамка Облицовка
МТЗ МТЗ-1522 (2008) 1222-8401080 Рамка Облицовка Чертеж Облицовка
МТЗ МТЗ-822 (2008) 822-8401080 Рамка Облицовка Чертеж Облицовка
МТЗ МТЗ-822 (2008) 923-8401080 Рамка Облицовка
МТЗ МТЗ-922 (2008) 822-8401080 Рамка Облицовка Чертеж Облицовка
МТЗ МТЗ-922 (2008) 923-8401080 Рамка Облицовка Чертеж Облицовка
МТЗ МТЗ-923 (2008) 822-8401080 Рамка Облицовка Чертеж Облицовка
МТЗ МТЗ-923 (2008) 923-8401080 Рамка Облицовка
МТЗ МТЗ-80 (2002) (2002) 80-8401080 Решетка (со встроенными фарами) 8401, 8402 Облицовка радиатора. Капот
МТЗ МТЗ-90/92 (2008) 80-8401080 Решетка (со встроенными фарами) Облицовка радиатора. Капот
МТЗ МТЗ-80 (2009) (2009) 80-8401080-Б Решетка Облицовка радиатора. Капот (кроме трактора «БЕЛАРУС-82Р») Чертеж Облицовка радиатора. Капот (кроме трактора «БЕЛАРУС-82Р»)
МТЗ МТЗ-80 (2009) (2009) 90-8401080 Решетка Облицовка радиатора. Капот (для трактора «БЕЛАРУС-82Р») Чертеж Облицовка радиатора. Капот (для трактора «БЕЛАРУС-82Р»)
МТЗ МТЗ-570 (2010) 90-8401080 Решетка Облицовка Чертеж Облицовка
МТЗ МТЗ-570 (2010) 80-8401080-Б Решетка Облицовка
МТЗ МТЗ-900/920/950/952 (2009) 90-8401080 Решетка Облицовка Чертеж Облицовка
МТЗ МТЗ-510/512, 520/522 (2010) 80-8401080-Б Решетка Облицовка радиатора, капот Чертеж Облицовка радиатора, капот
МТЗ МТЗ-510/512, 520/522 (2010) 80-8401080 Решетка (со встроенными фарами) Облицовка радиатора, капот Чертеж Облицовка радиатора, капот
Товары из этой категории
Брызговик заднего крыла МТЗ 85-8404040
Брызговик заднего крыла МТЗ
Каталожный номер 85-8404040
Производитель RSTA RSTA
Код 16610
Доставка по всей Беларуси
Доступность остатки на филиалах Остатки на филиалах
Остаток: г.Минск, ул.Селицкого 21к В наличии
Склад Адрес Контакт Остатки
г. Минск ул. Селицкого, 21к +375 (44) 770-80-78 ( Много )
Схема проезда
г. Бобруйск ул. Орловского, 22к3 +375 (29) 345-37-07 ( Средне )
Схема проезда
г. Глубокое ул. Энгельса, 22 +375 (44) 505-71-40 ( Средне )
Схема проезда
г. Дрогичин ул. Юбилейная, 42 +375 (29) 682-17-13 ( Средне )
Схема проезда
г. Ивацевичи ул. Загородная, 6А +375 (29) 188-59-01 ( Средне )
Схема проезда
г. Кричев ул. Комсомольская, 126 +375 (29) 628-88-42 ( Средне )
Схема проезда
г. Лунинец ул.Красная, 175а +375 (44) 721-46-74 ( Средне )
Схема проезда
г. Новогрудок ул. Индустриальная, 3 +375 (44) 729-39-19 ( Средне )
Схема проезда
г. Орша ул. Сергея Кирова, д. 34 +375 (44) 583-91-42 ( Средне )
Схема проезда
г. Осиповичи ул. Короткая, 11 +375 (29) 165-60-07 ( Средне )
Схема проезда
г. Ошмяны ул. Льнозоводская 3 +375 (44) 770-80-91 ( Средне )
Схема проезда
г. Полоцк-2 ул. Шенягина, 52 +375 (29) 302-94-73 ( Средне )
Схема проезда
г. Слоним ул. Советская, 93а +375 (29) 394-82-01 ( Много )
Схема проезда
г. Столин ул. Быковского, 29 +375 (33) 304-54-36 ( Средне )
Схема проезда
Крыло передних колес МТЗ-1221 1221-8403001-01
Крыло передних колес МТЗ-1221
Каталожный номер 1221-8403001-01
Производитель RSTA RSTA
Код 46518
Доставка по всей Беларуси
Доступность остатки на филиалах Остатки на филиалах
Остаток: г.Минск, ул.Селицкого 21к В наличии
Склад Адрес Контакт Остатки
г. Минск ул. Селицкого, 21к +375 (44) 770-80-78 ( Много )
Схема проезда
г. Бобруйск ул. Орловского, 22к3 +375 (29) 345-37-07 ( Средне )
Схема проезда
г. Дрогичин ул. Юбилейная, 42 +375 (29) 682-17-13 ( Средне )
Схема проезда
г. Ивацевичи ул. Загородная, 6А +375 (29) 188-59-01 ( Средне )
Схема проезда
г. Осиповичи ул. Короткая, 11 +375 (29) 165-60-07 ( Средне )
Схема проезда
г. Ошмяны ул. Льнозоводская 3 +375 (44) 770-80-91 ( Средне )
Схема проезда
г. Полоцк-2 ул. Шенягина, 52 +375 (29) 302-94-73 ( Средне )
Схема проезда
Закрылок 80-8404020-01 УК 80-8404020-Б-01
Закрылок 80-8404020-01 УК
Каталожный номер 80-8404020-Б-01
Производитель МТЗ МТЗ
Код 11929
Доставка по всей Беларуси
Доступность остатки на филиалах Остатки на филиалах
Остаток: г.Минск, ул.Селицкого 21к В наличии
Склад Адрес Контакт Остатки
г. Минск ул. Селицкого, 21к +375 (44) 770-80-78 ( Много )
Схема проезда
г. Барановичи ул. Пролетарская, 40 +375 (29) 795-96-37 ( Мало )
Схема проезда
г. Гомель ул. Барыкина, 291Б +375 (44) 514-15-30 ( Мало )
Схема проезда
г. Ивацевичи ул. Загородная, 6А +375 (29) 188-59-01 ( Мало )
Схема проезда
г. Лунинец ул.Красная, 175а +375 (44) 721-46-74 ( Мало )
Схема проезда
г. Несвиж ул. Кутузова, 2 +375 (29) 394-82-48 ( Мало )
Схема проезда
г. Новогрудок ул. Индустриальная, 3 +375 (44) 729-39-19 ( Мало )
Схема проезда
г. Полоцк-2 ул. Шенягина, 52 +375 (29) 302-94-73 ( Мало )
Схема проезда
г. Полоцк-2 ул. Шенягина, 52 +375 (29) 302-94-73 ( Мало )
Схема проезда
г. Слоним ул. Советская, 93а +375 (29) 394-82-01 ( Мало )
Схема проезда
г. Столин ул. Быковского, 29 +375 (33) 304-54-36 ( Мало )
Схема проезда
Крыло пластмассовое 4мм 80-8403041
Крыло пластмассовое 4мм
Каталожный номер 80-8403041
Производитель RSTA RSTA
Код 27917
Доставка по всей Беларуси
Доступность остатки на филиалах Остатки на филиалах
Остаток: г.Минск, ул.Селицкого 21к В наличии
Склад Адрес Контакт Остатки
г. Минск ул. Селицкого, 21к +375 (44) 770-80-78 ( Много )
Схема проезда
г. Глубокое ул. Энгельса, 22 +375 (44) 505-71-40 ( Средне )
Схема проезда
г. Горки ул.Мира, д.51а/1 +375 (44) 565-33-61 ( Средне )
Схема проезда
г. Дрогичин ул. Юбилейная, 42 +375 (29) 682-17-13 ( Средне )
Схема проезда
г. Житковичи ул. Комсомольская, 49 +375 (29) 394-82-52 ( Средне )
Схема проезда
г. Жлобин ул. Козлова, 25 +375 (29) 346-06-78 ( Средне )
Схема проезда
г. Ивацевичи ул. Загородная, 6А +375 (29) 188-59-01 ( Средне )
Схема проезда
г. Кричев ул. Комсомольская, 126 +375 (29) 628-88-42 ( Средне )
Схема проезда
г. Лепель ул. Лобанка, 43 +375 (44) 778-65-21 ( Средне )
Схема проезда
г. Молодечно ул. Галицкого, 14 +375 (44) 567-28-47 ( Средне )
Схема проезда
г. Несвиж ул. Кутузова, 2 +375 (29) 394-82-48 ( Средне )
Схема проезда
г. Новогрудок ул. Индустриальная, 3 +375 (44) 729-39-19 ( Средне )
Схема проезда
г. Ошмяны ул. Льнозоводская 3 +375 (44) 770-80-91 ( Средне )
Схема проезда
г. Петриков ул. Первомайская, 124 +375 (33) 660-06-75 ( Средне )
Схема проезда
г. Полоцк-2 ул. Шенягина, 52 +375 (29) 302-94-73 ( Средне )
Схема проезда
г. Пружаны ул. Макаренко, 21 +375 (29) 348-83-18 ( Средне )
Схема проезда
г. Слоним ул. Советская, 93а +375 (29) 394-82-01 ( Средне )
Схема проезда
г. Столин ул. Быковского, 29 +375 (33) 304-54-36 ( Средне )
Схема проезда
Брызговик 80-8403030
Брызговик
Каталожный номер 80-8403030
Производитель RSTA RSTA
Код 49144
Доставка по всей Беларуси
Доступность остатки на филиалах Остатки на филиалах
Остаток: г.Минск, ул.Селицкого 21к В наличии
Склад Адрес Контакт Остатки
г. Минск ул. Селицкого, 21к +375 (44) 770-80-78 ( Мало )
Схема проезда