Республика Беларусь,
г. Минск, ул. Селицкого 21к - центральный склад
Пн-пт с 8:00 до 17:00
Меню
33-1111000-20 Ремкомплект ТНВД КАМАЗ Евро-0
Наименование: Ремкомплект ТНВД 33-1111000-20 КАМАЗ Евро-0
Каталожный номер: 33-1111000-20
Производитель: RSTA
Код товара: 12310
Доставка: по всей Беларуси
Остаток: под заказ

Нашли не точность в описании товара? сообщить администратору.

+375 (44) 770-80-78 +375 (29) 747-80-78
* Выставить счет, получить техническую информацию и стоимость
Заказать деталь Онлайн
Описание
Наличие на филиалах
Применяемость
Заменить на СТО

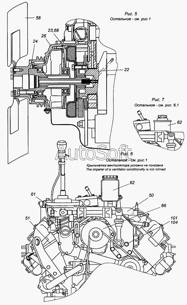
016-020-25-2-1 Кольцо (мбс) 33.1106379, 25.3111.3064, 236-1110479 — 1 шт.
018-021-19-2-2 Кольцо (мбс) 33.1111259, 25.3111.3027 — 8 шт.
33-1121100 Кольцо (рти) 122-128-25-2-2 — 1 шт.
017-021-25-2-2 Кольцо (мбс) 33.1111054-01 — 2 шт.
740.1029240 Манжета (мбс) 20*42 — 1 шт.
33.1111058 Кольцо (мбс) (008-012-19-2-2) — 4 шт.
33.1111083-01 Кольцо уплотнительное (РТИ) — 8 шт.
33.1121066-01 Манжета полумуфты (мбс) 28*45*10 — 1 шт
236-1121090-А2 Манжета муфты опережения впрыска ТНВД в сборе (мбс) 2.2-75*94*10 (33.1121090-01) — 1 шт.
050-054-25-2-2 Кольцо (мбс) 33-1111196 — 1 шт.
027-031-25-2-1 Кольцо (мбс) 840.1002038, 25.3111.2076, 33.1111069 — 16 шт.
024-028-25-2-1 Кольцо (мбс) 25.3111.3073, 33.1112342, 740.354-1009295 — 8 шт.
022-028-36-2-1 Кольцо (мбс) 240-1005586 (740.1111578) — 2 шт.
012-016-25-2-1 Кольцо (мбс) 33.1110949, 236-1111245, 238Н-1722063, 864204 — 2 шт.

Код для заказа: 12310

Марка Модель Кат.номер Наим. по каталогу Чертеж
Камский автозавод 6460 740.50-1111000 Установка и привод ТНВД Установка и привод ТНВД
Камский автозавод 5360 740.50-1111000 Установка и привод ТНВД Двигатель с оборудованием Чертеж Двигатель с оборудованием
Камский автозавод 5360 740.50-1111000 Установка и привод ТНВД Установка привода ТНВД Чертеж Установка привода ТНВД
Камский автозавод 6540 740.13-1111000 Установка топливного насоса высокого давления Двигатель КамАЗ-740.13-260 с оборудованием в сборе Чертеж Двигатель КамАЗ-740.13-260 с оборудованием в сборе
Камский автозавод 6540 740.13-1111000 Установка топливного насоса высокого давления Двигатель КамАЗ-740.13-260 с оборудованием в сборе Чертеж Двигатель КамАЗ-740.13-260 с оборудованием в сборе
Камский автозавод 6540 740.13-1111000 Установка топливного насоса высокого давления Двигатель КамАЗ-740.13-260 с оборудованием в сборе Чертеж Двигатель КамАЗ-740.13-260 с оборудованием в сборе
Камский автозавод 6540 740.13-1111000 Установка топливного насоса высокого давления Двигатель КамАЗ-740.13-260 с оборудованием в сборе Чертеж Двигатель КамАЗ-740.13-260 с оборудованием в сборе
Камский автозавод 6540 740.13-1111000 Установка топливного насоса высокого давления Двигатель КамАЗ-740.13-260 с оборудованием в сборе Чертеж Двигатель КамАЗ-740.13-260 с оборудованием в сборе
Камский автозавод 5460 740.50-1111000 Установка и привод ТНВД Двигатель с оборудованием Чертеж Двигатель с оборудованием
Камский автозавод 5460 740.50-1111000 Установка и привод ТНВД Установка привода ТНВД Чертеж Установка привода ТНВД
Камский автозавод 53228, 65111 (2004) 740.13-1111000 Установка топливного насоса высокого давления Двигатель с оборудованием Чертеж Двигатель с оборудованием
Камский автозавод 53228, 65111 (2004) 740.13-1111000 Установка топливного насоса высокого давления Установка и привод ТНВД Чертеж Установка и привод ТНВД
Камский автозавод 6522 (2005) 740.50-1111000 Установка и привод ТНВД Двигатель с оборудованием Чертеж Двигатель с оборудованием
Камский автозавод 6522 (2005) 740.51-1111000 Установка ТНВД Двигатель с оборудованием Чертеж Двигатель с оборудованием
Камский автозавод 6522 (2005) 740.50-1111000 Установка и привод ТНВД Двигатель с оборудованием Чертеж Двигатель с оборудованием
Камский автозавод 6522 (2005) 740.51-1111000 Установка ТНВД Двигатель с оборудованием Чертеж Двигатель с оборудованием
Камский автозавод 6522 (2005) 740.50-1111000 Установка и привод ТНВД Двигатель с оборудованием Чертеж Двигатель с оборудованием
Камский автозавод 6522 (2005) 740.51-1111000 Установка ТНВД Двигатель с оборудованием Чертеж Двигатель с оборудованием
Камский автозавод 6522 (2005) 740.50-1111000 Установка и привод ТНВД Двигатель с оборудованием Чертеж Двигатель с оборудованием
Камский автозавод 6522 (2005) 740.51-1111000 Установка ТНВД Двигатель с оборудованием Чертеж Двигатель с оборудованием
Товары из этой категории
Фильтр топливный  (PL 420) в сборе DIFA 6402/1
Фильтр топливный (PL 420) в сборе
Каталожный номер DIFA 6402/1
Производитель ДИФА ДИФА
Код 27461
Доставка по всей Беларуси
Доступность остатки на филиалах Остатки на филиалах
Остаток: г.Минск, ул.Селицкого 21к В наличии
Склад Адрес Контакт Остатки
г. Минск ул. Селицкого, 21к +375 (44) 770-80-78 ( Много )
Схема проезда
г. Барановичи ул. Пролетарская, 40 +375 (29) 795-96-37 ( Средне )
Схема проезда
г. Барановичи ул. Бадака, 27Б +375 (29) 350-33-47 ( Средне )
Схема проезда
г. Березино ул. Комсомольская, д. 24 +375 (44) 770-80-17 ( Средне )
Схема проезда
г. Бобруйск ул. Гоголя, 181/1-6 +375 (29) 630-05-01 ( Средне )
Схема проезда
г. Бобруйск ул. Орловского, 22к3 +375 (29) 345-37-07 ( Мало )
Схема проезда
г. Борисов ул. Демина, 2а +375 (44) 560-99-75 ( Мало )
Схема проезда
г. Брест Тельминский с/с, 1Д/1, 1 км южнее д. Тельмы-2 +375 (44) 599-90-75 ( Много )
Схема проезда
г. Витебск ул. Правды, 33 +375 (44) 770-80-87 ( Средне )
Схема проезда
г. Глубокое ул. Энгельса, 22 +375 (44) 505-71-40 ( Средне )
Схема проезда
г. Гомель ул. Барыкина, 291Б +375 (44) 514-15-30 ( Средне )
Схема проезда
г. Гомель ул. Барыкина, 291Б +375 (44) 514-15-30 ( Средне )
Схема проезда
г. Горки ул.Мира, д.51а/1 +375 (44) 565-33-61 ( Средне )
Схема проезда
г. Гродно ул. Карского, 35 +375 (44) 770-70-21 ( Средне )
Схема проезда
г. Дрогичин ул. Юбилейная, 42 +375 (29) 682-17-13 ( Мало )
Схема проезда
г. Дятлово ул. Советская ,104 +375 (29) 187-87-37 ( Мало )
Схема проезда
г. Житковичи ул. Комсомольская, 49 +375 (29) 394-82-52 ( Мало )
Схема проезда
г. Ивацевичи ул. Загородная, 6А +375 (29) 188-59-01 ( Средне )
Схема проезда
г. Кобрин ул. Пролетарская, 177А +375 (44) 588-10-80 ( Средне )
Схема проезда
г. Кричев ул. Комсомольская, 126 +375 (29) 628-88-42 ( Средне )
Схема проезда
г. Лельчицы ул. Советская, д.96/1 +375 (29) 346-98-96 ( Средне )
Схема проезда
г. Лепель ул. Лобанка, 43 +375 (44) 778-65-21 ( Средне )
Схема проезда
г. Лунинец ул.Красная, 175а +375 (44) 721-46-74 ( Средне )
Схема проезда
г. Могилев ул. Габровская 11Б +375 (29) 662-02-16 ( Много )
Схема проезда
г. Мозырь промузел Козенки +375 (44) 731-94-60 ( Средне )
Схема проезда
г. Молодечно ул. Галицкого, 14 +375 (44) 567-28-47 ( Средне )
Схема проезда
г. Несвиж ул. Кутузова, 2 +375 (29) 394-82-48 ( Средне )
Схема проезда
г. Осиповичи ул. Короткая, 11 +375 (29) 165-60-07 ( Мало )
Схема проезда
г. Ошмяны ул. Льнозоводская 3 +375 (44) 770-80-91 ( Средне )
Схема проезда
г. Петриков ул. Первомайская, 124 +375 (33) 660-06-75 ( Мало )
Схема проезда
г. Пинск ул. Калиновского 32 +375 (44) 560-99-59 ( Средне )
Схема проезда
г. Полоцк-2 ул. Шенягина, 52 +375 (29) 302-94-73 ( Средне )
Схема проезда
г. Полоцк-2 ул. Шенягина, 52 +375 (29) 302-94-73 ( Мало )
Схема проезда
г. Поставы ул. Советская, 69 +375 (44) 770-80-13 ( Средне )
Схема проезда
г. Слоним ул. Советская, 93а +375 (29) 394-82-01 ( Средне )
Схема проезда
г. Слуцк ул. Тутаринова, 8 +375 (29) 346-06-90 ( Средне )
Схема проезда
г. Сморгонь ул. Железнодорожная, 32 +375 (29) 671-02-10 ( Средне )
Схема проезда
г. Солигорск Чижевичский сельсовет, 3Г +375 (29) 899-58-52 ( Средне )
Схема проезда
г. Столин ул. Быковского, 29 +375 (33) 304-54-36 ( Мало )
Схема проезда
г. Щучин ул. Советская, 39 +375 (29) 177-29-70 ( Средне )
Схема проезда
Кольцо ТНВД 016х020х25 33-1106379
Кольцо ТНВД 016х020х25
Каталожный номер 33-1106379
Производитель РФ РФ
Код 29193
Доставка по всей Беларуси
Доступность остатки на филиалах Остатки на филиалах
Остаток В наличии
Склад Адрес Контакт Остатки
г. Гродно ул. Карского, 35 +375 (44) 770-70-21 ( Мало )
Схема проезда
Трубка 5320-1104384
Трубка
Каталожный номер 5320-1104384
Производитель РФ РФ
Код 11430
Доставка по всей Беларуси
Доступность остатки на филиалах Остатки на филиалах
Остаток В наличии
Склад Адрес Контакт Остатки
г. Гродно ул. Карского, 35 +375 (44) 770-70-21 ( Мало )
Схема проезда
г. Полоцк-2 ул. Шенягина, 52 +375 (29) 302-94-73 ( Средне )
Схема проезда
Фильтр очистки топлива дизелей и их сменный элемент PL-270 в сборе PL-270
Фильтр очистки топлива дизелей и их сменный элемент PL-270 в сборе
Каталожный номер PL-270
Производитель ZTD ZTD
Код 22275
Доставка по всей Беларуси
Доступность остатки на филиалах Остатки на филиалах
Остаток В наличии
Склад Адрес Контакт Остатки
г. Ошмяны ул. Льнозоводская 3 +375 (44) 770-80-91 ( Мало )
Схема проезда
г. Полоцк-2 ул. Шенягина, 52 +375 (29) 302-94-73 ( Мало )
Схема проезда
Фильтр очистки топлива дизелей и их сменный элемент в сборе с подогревом PL-420
Фильтр очистки топлива дизелей и их сменный элемент в сборе с подогревом
Каталожный номер PL-420
Производитель СпецМаш СпецМаш
Код 32010
Доставка по всей Беларуси
Доступность остатки на филиалах Остатки на филиалах
Остаток В наличии
Склад Адрес Контакт Остатки
г. Сморгонь ул. Железнодорожная, 32 +375 (29) 671-02-10 ( Мало )
Схема проезда
Трубка дренажная форсунки 740-1104370
Трубка дренажная форсунки
Каталожный номер 740-1104370
Производитель РФ РФ
Код 13408
Доставка по всей Беларуси
Доступность остатки на филиалах Остатки на филиалах
Остаток: г.Минск, ул.Селицкого 21к В наличии
Склад Адрес Контакт Остатки
г. Минск ул. Селицкого, 21к +375 (44) 770-80-78 ( Много )
Схема проезда
г. Осиповичи ул. Короткая, 11 +375 (29) 165-60-07 ( Мало )
Схема проезда
г. Солигорск Чижевичский сельсовет, 3Г +375 (29) 899-58-52 ( Мало )
Схема проезда
К-т трубок 740-1104346/70
К-т трубок
Каталожный номер 740-1104346/70
Производитель КММЗ КММЗ
Код 19463
Доставка по всей Беларуси
Доступность остатки на филиалах Остатки на филиалах
Остаток В наличии
Склад Адрес Контакт Остатки
г. Кобрин ул. Пролетарская, 177А +375 (44) 588-10-80 ( Мало )
Схема проезда
г. Ошмяны ул. Льнозоводская 3 +375 (44) 770-80-91 ( Средне )
Схема проезда
г. Полоцк-2 ул. Шенягина, 52 +375 (29) 302-94-73 ( Мало )
Схема проезда
г. Полоцк-2 ул. Шенягина, 52 +375 (29) 302-94-73 ( Мало )
Схема проезда
г. Сморгонь ул. Железнодорожная, 32 +375 (29) 671-02-10 ( Мало )
Схема проезда
г. Столин ул. Быковского, 29 +375 (33) 304-54-36 ( Мало )
Схема проезда
Прокладка форсунки медная КАМАЗ 312471-П (9.3х14.8х0.7)
Прокладка форсунки медная КАМАЗ
Каталожный номер 312471-П (9.3х14.8х0.7)
Производитель RSTA RSTA
Код 12523
Доставка по всей Беларуси
Доступность остатки на филиалах Остатки на филиалах
Остаток: г.Минск, ул.Селицкого 21к В наличии
Склад Адрес Контакт Остатки
г. Минск ул. Селицкого, 21к +375 (44) 770-80-78 ( Много )
Схема проезда
г. Барановичи ул. Пролетарская, 40 +375 (29) 795-96-37 ( Много )
Схема проезда
г. Бобруйск ул. Орловского, 22к3 +375 (29) 345-37-07 ( Много )
Схема проезда
г. Борисов ул. Демина, 2а +375 (44) 560-99-75 ( Много )
Схема проезда
г. Брест Тельминский с/с, 1Д/1, 1 км южнее д. Тельмы-2 +375 (44) 599-90-75 ( Много )
Схема проезда
г. Витебск ул. Правды, 33 +375 (44) 770-80-87 ( Много )
Схема проезда
г. Житковичи ул. Комсомольская, 49 +375 (29) 394-82-52 ( Много )
Схема проезда
г. Ивацевичи ул. Загородная, 6А +375 (29) 188-59-01 ( Много )
Схема проезда
г. Кобрин ул. Пролетарская, 177А +375 (44) 588-10-80 ( Много )
Схема проезда
г. Лунинец ул.Красная, 175а +375 (44) 721-46-74 ( Много )
Схема проезда
г. Осиповичи ул. Короткая, 11 +375 (29) 165-60-07 ( Много )
Схема проезда
г. Ошмяны ул. Льнозоводская 3 +375 (44) 770-80-91 ( Много )
Схема проезда
г. Петриков ул. Первомайская, 124 +375 (33) 660-06-75 ( Средне )
Схема проезда
г. Пинск ул. Калиновского 32 +375 (44) 560-99-59 ( Средне )
Схема проезда
г. Полоцк-2 ул. Шенягина, 52 +375 (29) 302-94-73 ( Много )
Схема проезда
г. Полоцк-2 ул. Шенягина, 52 +375 (29) 302-94-73 ( Много )
Схема проезда
г. Слоним ул. Советская, 93а +375 (29) 394-82-01 ( Много )
Схема проезда
г. Слуцк ул. Тутаринова, 8 +375 (29) 346-06-90 ( Средне )
Схема проезда
г. Сморгонь ул. Железнодорожная, 32 +375 (29) 671-02-10 ( Много )
Схема проезда
г. Солигорск Чижевичский сельсовет, 3Г +375 (29) 899-58-52 ( Много )
Схема проезда