Республика Беларусь,
г. Минск, ул. Селицкого 21к - центральный склад
Пн-пт с 8:00 до 17:00
Меню
6361ЯХ-1602410 Ремкомплект ПГУ
Наименование: Ремкомплект ПГУ 6361ЯХ-1602410
Каталожный номер: 6361ЯХ-1602410
Производитель: УРАЛ
Код товара: 00-ГР043132
Доставка: по всей Беларуси
Остаток: под заказ

Нашли не точность в описании товара? сообщить администратору.

+375 (44) 770-80-78 +375 (29) 747-80-78
* Выставить счет, получить техническую информацию и стоимость
Заказать деталь Онлайн
Описание
Наличие на филиалах
Применяемость
Заменить на СТО

Ремкомплект ПГУ 6361ЯХ-1602410 производства УРАЛ (РФ), Код для заказа: 00-ГР043132

Марка Модель Кат.номер Наим. по каталогу Чертеж
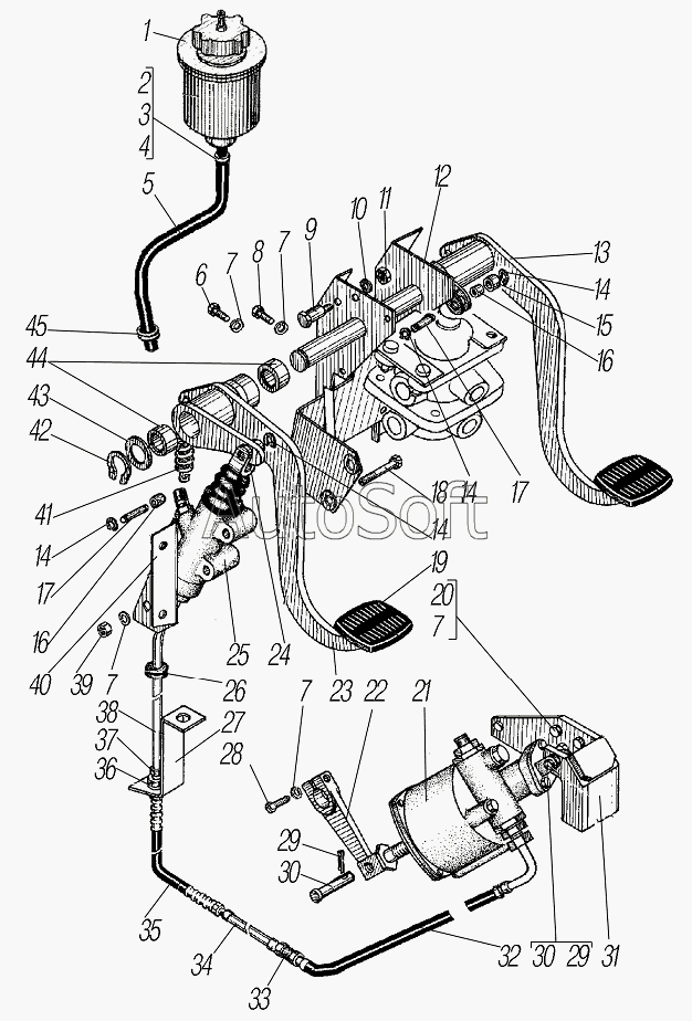
УралАЗ УРАЛ-4320-31 6361ЯХ-1602410 Пневмогидроусилитель Привод управления сцеплением и тормозным краном
УралАЗ УРАЛ-4320-41 6361ЯХ-1602410 Пневмогидроусилитель Привод управления сцеплением и тормозным краном Чертеж Привод управления сцеплением и тормозным краном
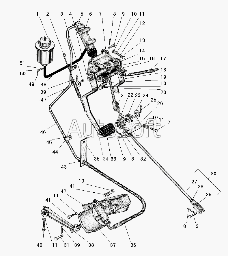
УралАЗ УРАЛ-43203-10 6361ЯХ-1602410 Пневмогидроусилитель Привод педалей сцепления и тормоза с пневмогидроуправлением
УралАЗ УРАЛ-43206-41 6361ЯХ-1602410 Пневмогидроусилитель Привод педалей сцепления и тормоза с пневмогидроуправлением Чертеж Привод педалей сцепления и тормоза с пневмогидроуправлением
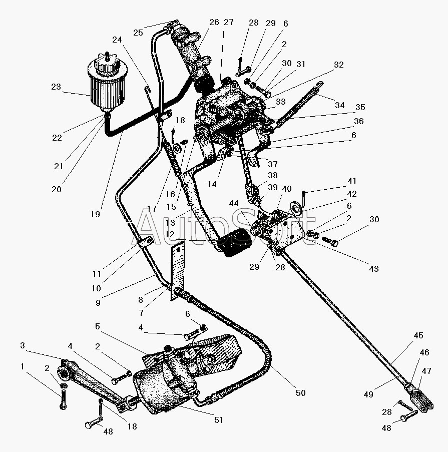
УралАЗ УРАЛ-532301 6361ЯХ-1602410 Пневмогидроусилитель Привод педалей сцепления и тормоза
УралАЗ УРАЛ-63674 6361ЯХ-1602410 Пневмогидроусилитель Привод педалей сцепления и тормоза
УралАЗ УРАЛ-63685 6361ЯХ-1602410 Пневмогидроусилитель Привод педалей сцепления и тормоза
УралАЗ УРАЛ-55571-40 (2010) 6361ЯХ-1602410 Пневмогидроусилитель Привод педалей сцепления и тормоза с пневмогидроуправлением
УралАЗ УРАЛ-5557-40 6361ЯХ-1602410 Пневмогидроусилитель Привод педалей сцепления и тормоза с пневмогидроуправлением
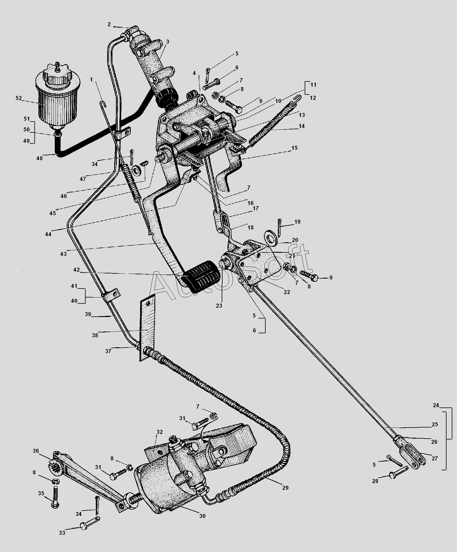
УралАЗ УРАЛ-44202-0511-58 (2010) 6361ЯХ-1602410 Пневмогидроусилитель Привод педалей сцепления и тормоза Чертеж Привод педалей сцепления и тормоза
УралАЗ УРАЛ-4320-60 (2013) 6361ЯХ-1602410-01 Цилиндр выключения сцепления Установка цилиндра выключения сцепления
УралАЗ УРАЛ-4320-61 (2013) 6361ЯХ-1602410-01 Цилиндр выключения сцепления Установка цилиндра выключения сцепления для автомобилей 4320-0000110-61, 4320-0000111-61И03, 4320-0001112-61Р02, 5557-0001122-60, 55571-0001121-60Р02 Чертеж Установка цилиндра выключения сцепления для автомобилей 4320-0000110-61, 4320-0000111-61И03, 4320-0001112-61Р02, 5557-0001122-60, 55571-0001121-60Р02
УралАЗ СПТС УРАЛ-32552 (2010) 6361ЯХ-1602410 Пневмогидроусилитель Привод педалей сцепления и тормоза Чертеж Привод педалей сцепления и тормоза
УралАЗ УРАЛ-5557-31 (2010) 6361ЯХ-1602410 Пневмогидроусилитель Привод педалей сцепления и тормоза с пневмогидроуправлением
УралАЗ УРАЛ-55571-30 (2010) 6361ЯХ-1602410 Пневмогидроусилитель Привод педалей сцепления и тормоза с пневмогидроуправлением Чертеж Привод педалей сцепления и тормоза с пневмогидроуправлением
Товары из этой категории
Манжета 375-2304093 поворотного кулака с пружиной 375-2304093
Манжета 375-2304093 поворотного кулака с пружиной
Каталожный номер 375-2304093
Производитель RSTA RSTA
Код 00-ГР033312
Доставка по всей Беларуси
Доступность остатки на филиалах Остатки на филиалах
Остаток Под заказ
Кольцо 375-2304096 уплотнительное УРАЛ 375-2304096
Кольцо 375-2304096 уплотнительное УРАЛ
Каталожный номер 375-2304096
Производитель УРАЛ УРАЛ
Код 00-ГР043670
Доставка по всей Беларуси
Доступность остатки на филиалах Остатки на филиалах
Остаток Под заказ
Элемент фильтра возд. Урал,ЗИЛ-133 диз. 740-1109560-10МЭ
Элемент фильтра возд. Урал,ЗИЛ-133 диз.
Каталожный номер 740-1109560-10МЭ
Производитель УП Фильтр УП Фильтр
Код 15212
Доставка по всей Беларуси
Доступность остатки на филиалах Остатки на филиалах
Остаток: г.Минск, ул.Селицкого 21к В наличии
Склад Адрес Контакт Остатки
г. Минск ул. Селицкого, 21к +375 (44) 770-80-78 ( Средне )
Схема проезда
г. Барановичи ул. Пролетарская, 40 +375 (29) 795-96-37 ( Мало )
Схема проезда
г. Бобруйск ул. Орловского, 22к3 +375 (29) 345-37-07 ( Мало )
Схема проезда
г. Борисов ул. Демина, 2а +375 (44) 560-99-75 ( Мало )
Схема проезда
г. Гродно ул. Карского, 35 +375 (44) 770-70-21 ( Средне )
Схема проезда
г. Житковичи ул. Комсомольская, 49 +375 (29) 394-82-52 ( Мало )
Схема проезда
г. Жлобин ул. Козлова, 25 +375 (29) 346-06-78 ( Мало )
Схема проезда
г. Ошмяны ул. Льнозоводская 3 +375 (44) 770-80-91 ( Мало )
Схема проезда
г. Полоцк-2 ул. Шенягина, 52 +375 (29) 302-94-73 ( Мало )
Схема проезда
г. Слоним ул. Советская, 93а +375 (29) 394-82-01 ( Мало )
Схема проезда
г. Столин ул. Быковского, 29 +375 (33) 304-54-36 ( Мало )
Схема проезда
Прокладка 5261421F коллектора выпускного Cummins ISF2.8 5261421F
Прокладка 5261421F коллектора выпускного Cummins ISF2.8
Каталожный номер 5261421F
Производитель Cummins Cummins
Код 00-ГР025377
Доставка по всей Беларуси
Доступность остатки на филиалах Остатки на филиалах
Остаток: г.Минск, ул.Селицкого 21к В наличии
Склад Адрес Контакт Остатки
г. Минск ул. Селицкого, 21к +375 (44) 770-80-78 ( Средне )
Схема проезда
г. Витебск ул. Правды, 33 +375 (44) 770-80-87 ( Мало )
Схема проезда
г. Осиповичи ул. Короткая, 11 +375 (29) 165-60-07 ( Мало )
Схема проезда