Республика Беларусь,
г. Минск, ул. Селицкого 21к - центральный склад
Пн-пт с 8:00 до 17:00
Меню
24-1017065/62 Ремкомплект масляного фильтра Г-
Наименование: Ремкомплект масляного фильтра Г-24-1017065/62
Каталожный номер: 24-1017065/62
Производитель: RSTA
Код товара: 18205
Доставка: по всей Беларуси
Остаток: в наличии

Нашли не точность в описании товара? сообщить администратору.

+375 (44) 770-80-78 +375 (29) 747-80-78
* Выставить счет, получить техническую информацию и стоимость
Заказать деталь Онлайн
Описание
Наличие на филиалах
Применяемость
Заменить на СТО

БС вес: 0,05 на 11.03.2020

Код для заказа: 18205

Марка Модель Кат.номер Наим. по каталогу Чертеж
ГАЗ ГАЗ-14 (Чайка) (1980) 52-01-1017065 Прокладка отстойника масляного фильтра Радиатор масляный, привод распределителя зажигания и фильтр масляный двигателя
ГАЗ ГАЗ-24 24-1017065 Прокладка Масляный фильтр
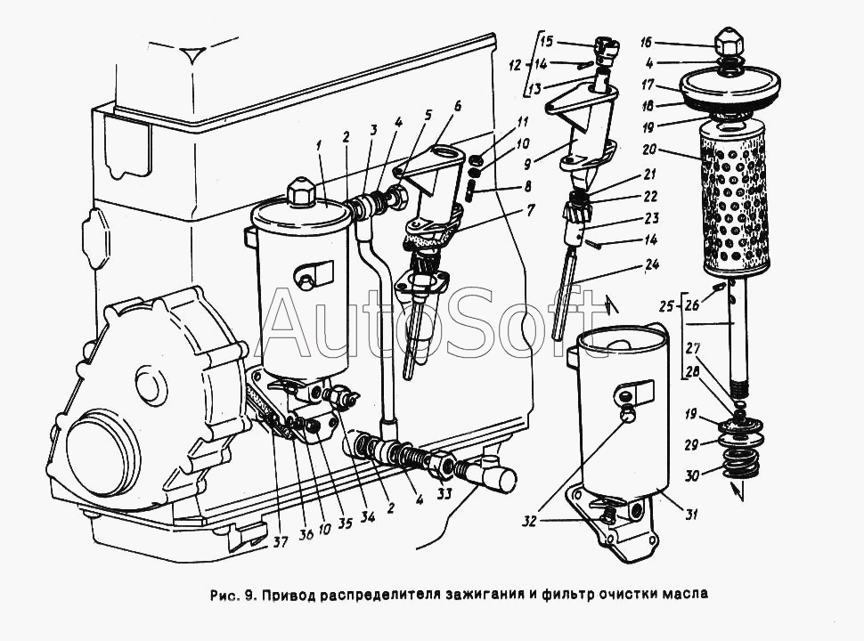
ГАЗ ГАЗ-24-10 (1995) 24-1017065-10 Прокладка крышки Привод распределителя зажигания и фильтр очистки масла Чертеж Привод распределителя зажигания и фильтр очистки масла
ГАЗ ГАЗ-3102 (2000) 24-1017065-10 Прокладка крышки Привод распределителя зажигания, фильтр масляный и крепление масляного фильтра Чертеж Привод распределителя зажигания, фильтр масляный и крепление масляного фильтра
ГАЗ ГАЗ-31029 24-1017065-10 Прокладка крышки Привод распределителя зажигания и фильтр очистки масла Чертеж Привод распределителя зажигания и фильтр очистки масла
ГАЗ ГАЗ-3110 24-1017065-10 Прокладка крышки Привод распределителя зажигания и масляного насоса, фильтр очистки масла, датчик аварийного давления масла двигателей ЗМЗ-402.10 и ЗМЗ-4021.10
ГАЗ ГАЗ-3302 (ГАЗель) 24-1017065-10 Прокладка крышки Привод распределителя зажигания и фильтр очистки масла двигателей ЗМЗ 4025.10, ЗМЗ 4026.10 Чертеж Привод распределителя зажигания и фильтр очистки масла двигателей ЗМЗ 4025.10, ЗМЗ 4026.10
ГАЗ ГАЗ-2705 (ГАЗель) (2000) 24-1017065-10 Прокладка крышки Привод распределителя зажигания и масляного насоса, фильтр очистки масла сдатчиком аварийного давления масла двигателей ЗМЗ-4025.10, ЗМЗ-4026.10
ГАЗ ГАЗ-3307 (2000) 53-11-1017065 Прокладка корпуса фильтра Радиатор масляный и фильтр тонкой очистки масла Чертеж Радиатор масляный и фильтр тонкой очистки масла
ГАЗ ГАЗ-52-01 51-1017065-Б1 Прокладка крышки масляного фильтра тонкой очистки Фильтр тонкой очистки масла
ГАЗ ГАЗ-52-02 52-04-1017065 Прокладка корпуса фильтра Масляный картер, приемник масляного насоса, масляный радиатор и масляный фильтр
ГАЗ ГАЗ-66 (Каталог 1996 г.) (1996) 53-11-1017065 Прокладка корпуса фильтра Радиатор масляный, фильтр тонкой очистки масла Чертеж Радиатор масляный, фильтр тонкой очистки масла
ГАЗ ГАЗ-69 (1957) 51-1017065 Прокладка крышки масляного фильтра тонкой очистки Фильтр масляный тонкой очистки Чертеж Фильтр масляный тонкой очистки
ГАЗ ГАЗ-3302 (2004) (2004) 24-1017065-22 Прокладка крышки Привод распределителя зажигания и масляного насоса, фильтр тонкой очистки масла Чертеж Привод распределителя зажигания и масляного насоса, фильтр тонкой очистки масла
ГАЗ ГАЗ-21 51-1017065-Б Прокладка крышки масляного фильтра тонкой очистки Фильтр масляный тонкой очистки Чертеж Фильтр масляный тонкой очистки
ГАЗ М20 Победа 51-1017065 Прокладка крышки масляного фильтра тонкой очистки Фильтр масляный тонкой очистки Чертеж Фильтр масляный тонкой очистки
ГАЗ ГАЗ-21 (каталог 69 г.) (1969) 51-1017065-Б1 Прокладка крышки масляного фильтра тонкой очистки Масляный фильтр тонкой очистки Чертеж Масляный фильтр тонкой очистки
ГАЗ ГАЗ-51 (63, 63А) (1956) 51-1017065 Прокладка крышки масляного фильтра тонкой очистки Масляный фильтр тонкой очистки Чертеж Масляный фильтр тонкой очистки
ГАЗ ГАЗ-12 (ЗИМ) 51 1017065 Прокладка крышки масляного фильтра тонкой очистки Масляный фильтр тонкой очистки Чертеж Масляный фильтр тонкой очистки
ЛуАЗ ЛуАЗ 969М 968-1017065 Прокладка Привод распределителя зажигания, маслоочиститель центробежный Чертеж Привод распределителя зажигания, маслоочиститель центробежный
Склад Адрес Контакт Остатки
г. Барановичи ул. Пролетарская, 40 +375 (29) 795-96-37 ( Мало )
Схема проезда
г. Витебск ул. Правды, 33 +375 (44) 770-80-87 ( Средне )
Схема проезда
г. Мозырь промузел Козенки +375 (44) 731-94-60 ( Мало )
Схема проезда
г. Новогрудок ул. Индустриальная, 3 +375 (44) 729-39-19 ( Мало )
Схема проезда
г. Орша ул. Сергея Кирова, д. 34 +375 (44) 583-91-42 ( Средне )
Схема проезда
г. Осиповичи ул. Короткая, 11 +375 (29) 165-60-07 ( Мало )
Схема проезда
г. Полоцк-2 ул. Шенягина, 52 +375 (29) 302-94-73 ( Мало )
Схема проезда
г. Барановичи ул. Бадака, 27Б +375 (29) 350-33-47 Под заказ
Схема проезда
г. Берёза ул. Красноармейская, 89/11 +375 (29) 676-70-71 Под заказ
Схема проезда
г. Березино ул. Комсомольская, д. 24 +375 (44) 770-80-17 Под заказ
Схема проезда
г. Бобруйск ул. Орловского, 22к3 +375 (29) 345-37-07 Под заказ
Схема проезда
г. Бобруйск ул. Гоголя, 181/1-6 +375 (29) 630-05-01 Под заказ
Схема проезда
г. Борисов ул. Демина, 2а +375 (44) 560-99-75 Под заказ
Схема проезда
г. Брест Тельминский с/с, 1Д/1, 1 км южнее д. Тельмы-2 +375 (44) 599-90-75 Под заказ
Схема проезда
г. Витебск ул. Петруся Бровки, 34 +375 (29) 636-25-08 Под заказ
Схема проезда
г. Глубокое ул. Энгельса, 22 +375 (44) 505-71-40 Под заказ
Схема проезда
г. Гомель ул. Барыкина, 291Б +375 (44) 514-15-30 Под заказ
Схема проезда
г. Гомель ул. Текстильная, 10 +375 (44) 540-02-05 Под заказ
Схема проезда
г. Горки ул.Мира, д.51а/1 +375 (44) 565-33-61 Под заказ
Схема проезда
г. Гродно ул. Карского, 35 +375 (44) 770-70-21 Под заказ
Схема проезда
г. Дрогичин ул. Юбилейная, 42 +375 (29) 682-17-13 Под заказ
Схема проезда
г. Дятлово ул. Советская ,104 +375 (29) 187-87-37 Под заказ
Схема проезда
г. Житковичи ул. Комсомольская, 49 +375 (29) 394-82-52 Под заказ
Схема проезда
г. Жлобин ул. Козлова, 25 +375 (29) 346-06-78 Под заказ
Схема проезда
г. Ивацевичи ул. Загородная, 6А +375 (29) 188-59-01 Под заказ
Схема проезда
г. Кобрин ул. Пролетарская, 177А +375 (44) 588-10-80 Под заказ
Схема проезда
г. Кричев ул. Комсомольская, 126 +375 (29) 628-88-42 Под заказ
Схема проезда
г. Лельчицы ул. Советская, д.96/1 +375 (29) 346-98-96 Под заказ
Схема проезда
г. Лепель ул. Лобанка, 43 +375 (44) 778-65-21 Под заказ
Схема проезда
г. Лида ул. Качана, 7 +375 (29) 612-60-61 Под заказ
Схема проезда
г. Лунинец ул.Красная, 175а +375 (44) 721-46-74 Под заказ
Схема проезда
г. Минск ул. Бабушкина, 37 +375 (29) 632-00-82 Под заказ
Схема проезда
г. Минск ул. Селицкого, 21к +375 (44) 770-80-78 Под заказ
Схема проезда
г. Могилев ул. Габровская 11Б +375 (29) 662-02-16 Под заказ
Схема проезда
г. Молодечно ул. Галицкого, 14 +375 (44) 567-28-47 Под заказ
Схема проезда
г. Несвиж ул. Кутузова, 2 +375 (29) 394-82-48 Под заказ
Схема проезда
г. Ошмяны ул. Льнозоводская 3 +375 (44) 770-80-91 Под заказ
Схема проезда
г. Петриков ул. Первомайская, 124 +375 (33) 660-06-75 Под заказ
Схема проезда
г. Пинск ул. Калиновского 32 +375 (44) 560-99-59 Под заказ
Схема проезда
г. Полоцк ул. Пролетарская, 6 +375 (29) 644-57-58 Под заказ
Схема проезда
г. Полоцк ул. Строительная, 30Б +375 (29) 302-97-91 Под заказ
Схема проезда
г. Поставы ул. Советская, 69 +375 (44) 770-80-13 Под заказ
Схема проезда
г. Пружаны ул. Макаренко, 21 +375 (29) 348-83-18 Под заказ
Схема проезда
г. Слоним ул. Советская, 93а +375 (29) 394-82-01 Под заказ
Схема проезда
г. Слуцк ул. Тутаринова, 8 +375 (29) 346-06-90 Под заказ
Схема проезда
г. Сморгонь ул. Железнодорожная, 32 +375 (29) 671-02-10 Под заказ
Схема проезда
г. Солигорск Чижевичский сельсовет, 3Г +375 (29) 899-58-52 Под заказ
Схема проезда
г. Столин ул. Быковского, 29 +375 (33) 304-54-36 Под заказ
Схема проезда
г. Щучин ул. Советская, 39 +375 (29) 177-29-70 Под заказ
Схема проезда