Республика Беларусь,
г. Минск, ул. Селицкого 21к - центральный склад
Пн-пт с 8:00 до 17:00
Меню
53-3505010 Р/к-т главного тормозного цилиндра Г-53 с поршнями
Наименование: Р/к-т главного тормозного цилиндра 53-3505010 Г-53 с поршнями
Каталожный номер: 53-3505010
Производитель: RSTA
Код товара: 13656
Доставка: по всей Беларуси
Остаток: под заказ

Нашли не точность в описании товара? сообщить администратору.

+375 (44) 770-80-78 +375 (29) 747-80-78
* Выставить счет, получить техническую информацию и стоимость
Заказать деталь Онлайн
Описание
Наличие на филиалах
Применяемость
Заменить на СТО

БС вес: 0,1 на 18.03.2020

Код для заказа: 13656

Марка Модель Кат.номер Наим. по каталогу Чертеж
ВАЗ ВАЗ-2108 2108-3505010 Цилиндр главный гидротормозов Элементы привода тормозов
ВАЗ ВАЗ-2109 (1991) 2108-3505010 Цилиндр главный гидротормозов Элементы привода тормозов Чертеж Элементы привода тормозов
ВАЗ ВАЗ-21099 2108-3505010 Цилиндр главный гидротормозов Элементы привода тормозов
ВАЗ ВАЗ-2110 2108-3505010 Цилиндр главный гидротормозов Элементы привода тормозов
ВАЗ ВАЗ-2111 2108-3505010 Цилиндр главный гидротормозов Элементы привода тормозов
ВАЗ ВАЗ-2112 2108-3505010 Цилиндр главный гидротормозов Элементы привода тормозов
ВАЗ ВАЗ-2115 (2000) 2108-3505010 Цилиндр главный гидротормозов Элементы привода тормозов
ВАЗ ВАЗ-2120 (Надежда) 2108-3505010 Цилиндр главный гидротормозов Элементы привода тормозов
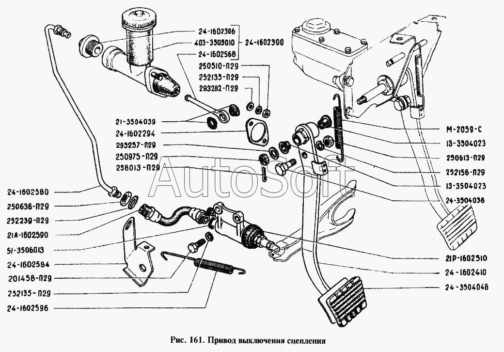
ГАЗ ГАЗ-24 403-3505010 Главный цилиндр Привод выключения сцепления Чертеж Привод выключения сцепления
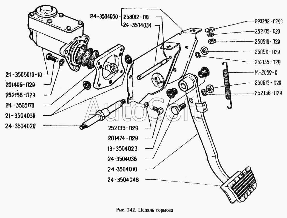
ГАЗ ГАЗ-24 24-3505010-10 Цилиндр в сборе Педаль тормоза Чертеж Педаль тормоза
ГАЗ ГАЗ-24 24-3505010-10 Цилиндр в сборе Главный цилиндр тормоза Чертеж Главный цилиндр тормоза
ГАЗ ГАЗ-24-10 (1995) 24-10-3505010 Главный цилиндр тормозов Крепление главного цилиндра привода сцепления, цилиндра выключения, педали тормоза
ГАЗ ГАЗ-3102 (2000) 412-3505010-20 Главный цилиндр тормоза в сборе Крепление главного цилиндра привода сцепления, цилиндра выключения сцепления, педали тормоза и сцепления с кронштейном, главного цилиндра тормоза и вакуумного усилителя тормоза
ГАЗ ГАЗ-31029 24-10-3505010 Главный цилиндр тормозов Крепление главного цилиндра привода сцепления, цилиндра выключения, педали тормоза
ГАЗ ГАЗ-3110 31029-3505010 Цилиндр главный тормозов Главный цилиндр и рабочий цилиндр привода выключения сцепления, главный цилиндр тормозов с вакуумным усилителем, кронштейн с педалями
ГАЗ ГАЗ-3302 (ГАЗель) 31029-3505010 Цилиндр главный тормозов Цилиндр выключения сцепления, усилитель вакуумный с главным цилиндром тормозов и их приводы Чертеж Цилиндр выключения сцепления, усилитель вакуумный с главным цилиндром тормозов и их приводы
ГАЗ ГАЗ-2705 (ГАЗель) (2000) 31029-3505010 Цилиндр главный тормозов Цилиндр главный и рабочий привода выключения сцепления, усилитель вакуумный с главным цилиндром тормозов, кронштейн с педалями Чертеж Цилиндр главный и рабочий привода выключения сцепления, усилитель вакуумный с главным цилиндром тормозов, кронштейн с педалями
ГАЗ ГАЗ-33027 (Дополнение) 31029-3505010 Цилиндр главный тормозов Тормоза Чертеж Тормоза
ГАЗ ГАЗ-2217 (Соболь) (1999) 31029-3505010 Цилиндр главный тормозов Главный цилиндр и рабочий цилиндр привода выключения сцепления, главный цилиндр тормозов с вакуумным усилителем, кронштейн с педалями: I - для автомобилей с двигателем ЗМЗ-4063, II - для автомобилей с двигателем ГАЗ-560 Чертеж Главный цилиндр и рабочий цилиндр привода выключения сцепления, главный цилиндр тормозов с вакуумным усилителем, кронштейн с педалями: I - для автомобилей с двигателем ЗМЗ-4063, II - для автомобилей с двигателем ГАЗ-560
ГАЗ ГАЗ-3306 (1994) 66-11-3505010 Цилиндр главный тормозов в сборе Кронштейн с педалями сцепления, тормоза и цилиндр главный тормозов
Товары из этой категории
Щит тормоза заднего левый в сборе 3302-3502013
Щит тормоза заднего левый в сборе
Каталожный номер 3302-3502013
Производитель ЗавГар ЗавГар
Код 28855
Доставка по всей Беларуси
Доступность остатки на филиалах Остатки на филиалах
Остаток: г.Минск, ул.Селицкого 21к В наличии
Склад Адрес Контакт Остатки
г. Минск ул. Селицкого, 21к +375 (44) 770-80-78 ( Средне )
Схема проезда
г. Витебск ул. Правды, 33 +375 (44) 770-80-87 ( Средне )
Схема проезда
г. Новогрудок ул. Индустриальная, 3 +375 (44) 729-39-19 ( Мало )
Схема проезда
г. Ошмяны ул. Льнозоводская 3 +375 (44) 770-80-91 ( Мало )
Схема проезда
г. Слоним ул. Советская, 93а +375 (29) 394-82-01 ( Мало )
Схема проезда
г. Щучин ул. Советская, 39 +375 (29) 177-29-70 ( Мало )
Схема проезда
Суппорт 3302-3501136 переднего дискового тормоза правый 3302-3501136
Суппорт 3302-3501136 переднего дискового тормоза правый
Каталожный номер 3302-3501136
Производитель RSTA RSTA
Код 00-ГР025363
Доставка по всей Беларуси
Доступность остатки на филиалах Остатки на филиалах
Остаток Под заказ
Барабан тормозной задний 3307/53 3307-3502070
Барабан тормозной задний 3307/53
Каталожный номер 3307-3502070
Производитель Автомагнат Автомагнат
Код 19682
Доставка по всей Беларуси
Доступность остатки на филиалах Остатки на филиалах
Остаток: г.Минск, ул.Селицкого 21к В наличии
Склад Адрес Контакт Остатки
г. Минск ул. Селицкого, 21к +375 (44) 770-80-78 ( Средне )
Схема проезда
г. Барановичи ул. Бадака, 27Б +375 (29) 350-33-47 ( Средне )
Схема проезда
г. Бобруйск ул. Гоголя, 181/1-6 +375 (29) 630-05-01 ( Средне )
Схема проезда
г. Брест Тельминский с/с, 1Д/1, 1 км южнее д. Тельмы-2 +375 (44) 599-90-75 ( Средне )
Схема проезда
г. Витебск ул. Правды, 33 +375 (44) 770-80-87 ( Средне )
Схема проезда
г. Гродно ул. Карского, 35 +375 (44) 770-70-21 ( Средне )
Схема проезда
г. Лельчицы ул. Советская, д.96/1 +375 (29) 346-98-96 ( Средне )
Схема проезда
г. Новогрудок ул. Индустриальная, 3 +375 (44) 729-39-19 ( Средне )
Схема проезда
г. Пинск ул. Калиновского 32 +375 (44) 560-99-59 ( Средне )
Схема проезда
г. Полоцк-2 ул. Шенягина, 52 +375 (29) 302-94-73 ( Средне )
Схема проезда
г. Слуцк ул. Тутаринова, 8 +375 (29) 346-06-90 ( Средне )
Схема проезда
г. Солигорск Чижевичский сельсовет, 3Г +375 (29) 899-58-52 ( Средне )
Схема проезда
г. Столин ул. Быковского, 29 +375 (33) 304-54-36 ( Средне )
Схема проезда
Цилиндр 4301-3502040 (K3811C3) тормозной рабочий задний FENOX K3811C3
Цилиндр 4301-3502040 (K3811C3) тормозной рабочий задний FENOX
Каталожный номер K3811C3
Производитель FENOX FENOX
Код 00-ГР017632
Доставка по всей Беларуси
Доступность остатки на филиалах Остатки на филиалах
Остаток В наличии
Склад Адрес Контакт Остатки
г. Барановичи ул. Пролетарская, 40 +375 (29) 795-96-37 ( Средне )
Схема проезда
г. Бобруйск ул. Орловского, 22к3 +375 (29) 345-37-07 ( Средне )
Схема проезда
г. Витебск ул. Правды, 33 +375 (44) 770-80-87 ( Мало )
Схема проезда
г. Глубокое ул. Энгельса, 22 +375 (44) 505-71-40 ( Средне )
Схема проезда
г. Гомель ул. Барыкина, 291Б +375 (44) 514-15-30 ( Мало )
Схема проезда
г. Горки ул.Мира, д.51а/1 +375 (44) 565-33-61 ( Мало )
Схема проезда
г. Дятлово ул. Советская ,104 +375 (29) 187-87-37 ( Средне )
Схема проезда
г. Лельчицы ул. Советская, д.96/1 +375 (29) 346-98-96 ( Средне )
Схема проезда
г. Лунинец ул.Красная, 175а +375 (44) 721-46-74 ( Средне )
Схема проезда
г. Могилев ул. Габровская 11Б +375 (29) 662-02-16 ( Мало )
Схема проезда
г. Новогрудок ул. Индустриальная, 3 +375 (44) 729-39-19 ( Средне )
Схема проезда
г. Орша ул. Сергея Кирова, д. 34 +375 (44) 583-91-42 ( Средне )
Схема проезда
г. Ошмяны ул. Льнозоводская 3 +375 (44) 770-80-91 ( Мало )
Схема проезда
г. Петриков ул. Первомайская, 124 +375 (33) 660-06-75 ( Средне )
Схема проезда
г. Полоцк-2 ул. Шенягина, 52 +375 (29) 302-94-73 ( Средне )
Схема проезда
г. Полоцк-2 ул. Шенягина, 52 +375 (29) 302-94-73 ( Мало )
Схема проезда
г. Поставы ул. Советская, 69 +375 (44) 770-80-13 ( Мало )
Схема проезда
г. Пружаны ул. Макаренко, 21 +375 (29) 348-83-18 ( Мало )
Схема проезда
г. Слоним ул. Советская, 93а +375 (29) 394-82-01 ( Средне )
Схема проезда
г. Солигорск Чижевичский сельсовет, 3Г +375 (29) 899-58-52 ( Средне )
Схема проезда
г. Щучин ул. Советская, 39 +375 (29) 177-29-70 ( Средне )
Схема проезда
Трос ручного тормоза задний 3302-3508180
Трос ручного тормоза задний
Каталожный номер 3302-3508180
Производитель Автотрос Автотрос
Код 12279
Доставка по всей Беларуси
Доступность остатки на филиалах Остатки на филиалах
Остаток: г.Минск, ул.Селицкого 21к В наличии
Склад Адрес Контакт Остатки
г. Минск ул. Селицкого, 21к +375 (44) 770-80-78 ( Средне )
Схема проезда
г. Барановичи ул. Бадака, 27Б +375 (29) 350-33-47 ( Мало )
Схема проезда
г. Березино ул. Комсомольская, д. 24 +375 (44) 770-80-17 ( Средне )
Схема проезда
г. Бобруйск ул. Гоголя, 181/1-6 +375 (29) 630-05-01 ( Средне )
Схема проезда
г. Бобруйск ул. Орловского, 22к3 +375 (29) 345-37-07 ( Средне )
Схема проезда
г. Борисов ул. Демина, 2а +375 (44) 560-99-75 ( Средне )
Схема проезда
г. Витебск ул. Правды, 33 +375 (44) 770-80-87 ( Много )
Схема проезда
г. Витебск ул. Петруся Бровки, 34 +375 (29) 636-25-08 ( Средне )
Схема проезда
г. Глубокое ул. Энгельса, 22 +375 (44) 505-71-40 ( Много )
Схема проезда
г. Гомель ул. Барыкина, 291Б +375 (44) 514-15-30 ( Средне )
Схема проезда
г. Гомель ул. Барыкина, 291Б +375 (44) 514-15-30 ( Средне )
Схема проезда
г. Горки ул.Мира, д.51а/1 +375 (44) 565-33-61 ( Средне )
Схема проезда
г. Гродно ул. Карского, 35 +375 (44) 770-70-21 ( Мало )
Схема проезда
г. Дятлово ул. Советская ,104 +375 (29) 187-87-37 ( Средне )
Схема проезда
г. Житковичи ул. Комсомольская, 49 +375 (29) 394-82-52 ( Много )
Схема проезда
г. Жлобин ул. Козлова, 25 +375 (29) 346-06-78 ( Средне )
Схема проезда
г. Ивацевичи ул. Загородная, 6А +375 (29) 188-59-01 ( Средне )
Схема проезда
г. Кобрин ул. Пролетарская, 177А +375 (44) 588-10-80 ( Средне )
Схема проезда
г. Кричев ул. Комсомольская, 126 +375 (29) 628-88-42 ( Мало )
Схема проезда
г. Лельчицы ул. Советская, д.96/1 +375 (29) 346-98-96 ( Мало )
Схема проезда
г. Мозырь промузел Козенки +375 (44) 731-94-60 ( Средне )
Схема проезда
г. Молодечно ул. Галицкого, 14 +375 (44) 567-28-47 ( Средне )
Схема проезда
г. Несвиж ул. Кутузова, 2 +375 (29) 394-82-48 ( Средне )
Схема проезда
г. Новогрудок ул. Индустриальная, 3 +375 (44) 729-39-19 ( Средне )
Схема проезда
г. Осиповичи ул. Короткая, 11 +375 (29) 165-60-07 ( Мало )
Схема проезда
г. Ошмяны ул. Льнозоводская 3 +375 (44) 770-80-91 ( Средне )
Схема проезда
г. Петриков ул. Первомайская, 124 +375 (33) 660-06-75 ( Мало )
Схема проезда
г. Пинск ул. Калиновского 32 +375 (44) 560-99-59 ( Средне )
Схема проезда
г. Полоцк-2 ул. Шенягина, 52 +375 (29) 302-94-73 ( Средне )
Схема проезда
г. Полоцк-2 ул. Шенягина, 52 +375 (29) 302-94-73 ( Средне )
Схема проезда
г. Полоцк-2 ул. Шенягина, 52 +375 (29) 302-94-73 ( Средне )
Схема проезда
г. Поставы ул. Советская, 69 +375 (44) 770-80-13 ( Средне )
Схема проезда
г. Пружаны ул. Макаренко, 21 +375 (29) 348-83-18 ( Средне )
Схема проезда
г. Слоним ул. Советская, 93а +375 (29) 394-82-01 ( Средне )
Схема проезда
г. Слуцк ул. Тутаринова, 8 +375 (29) 346-06-90 ( Средне )
Схема проезда
г. Сморгонь ул. Железнодорожная, 32 +375 (29) 671-02-10 ( Средне )
Схема проезда
г. Солигорск Чижевичский сельсовет, 3Г +375 (29) 899-58-52 ( Средне )
Схема проезда
г. Столин ул. Быковского, 29 +375 (33) 304-54-36 ( Мало )
Схема проезда