Республика Беларусь,
г. Минск, ул. Селицкого 21к - центральный склад
Пн-пт с 8:00 до 17:00
Меню
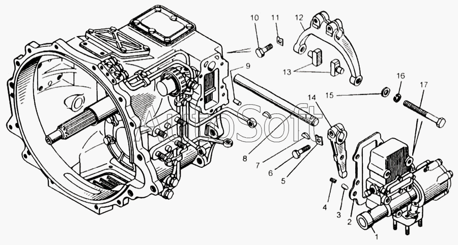
15-1771010-09 Ремкомплект делителя малый
Наименование: Ремкомплект делителя 15-1771010-09 малый
Каталожный номер: 15-1771010-09
Производитель: РФ
Код товара: 17003
Доставка: по всей Беларуси
Остаток: под заказ

Нашли не точность в описании товара? сообщить администратору.

+375 (44) 770-80-78 +375 (29) 747-80-78
* Выставить счет, получить техническую информацию и стоимость
Заказать деталь Онлайн
Описание
Наличие на филиалах
Применяемость
Заменить на СТО

Ремкомплект делителя 15-1771010-09 малый производства РФ (РФ), Код для заказа: 17003

Марка Модель Кат.номер Наим. по каталогу Чертеж
Камский автозавод 5315 15.1771010 Механизм переключения делителя передач в сборе Механизм переключения делителя передач
Камский автозавод 5320 15.1771010 Механизм переключения делителя передач в сборе Установка механизма переключения делителя передач
Камский автозавод 5320 15.1771010 Механизм переключения делителя передач в сборе Механизм переключения делителя передач
Камский автозавод 53212 15.1771010 Механизм переключения делителя передач в сборе Установка механизма переключения делителя передач Чертеж Установка механизма переключения делителя передач
Камский автозавод 53212 15.1771010 Механизм переключения делителя передач в сборе Механизм переключения делителя передач Чертеж Механизм переключения делителя передач
Камский автозавод 5410 15.1771010 Механизм переключения делителя передач в сборе Установка механизма переключения делителя передач
Камский автозавод 5410 15.1771010 Механизм переключения делителя передач в сборе Механизм переключения делителя передач
Камский автозавод 54112 15.1771010 Механизм переключения делителя передач в сборе Установка механизма переключения делителя передач Чертеж Установка механизма переключения делителя передач
Камский автозавод 54112 15.1771010 Механизм переключения делителя передач в сборе Механизм переключения делителя передач Чертеж Механизм переключения делителя передач
Камский автозавод 5511 (2003) 15.1771010 Механизм переключения делителя передач в сборе Установка механизма переключения делителя передач
Камский автозавод 5511 (2003) 15.1771010 Механизм переключения делителя передач в сборе Механизм переключения делителя передач Чертеж Механизм переключения делителя передач
Камский автозавод 55102 15.1771010 Механизм переключения делителя передач в сборе Установка механизма переключения делителя передач
Камский автозавод 55102 15.1771010 Механизм переключения делителя передач в сборе Механизм переключения делителя передач Чертеж Механизм переключения делителя передач
Камский автозавод Общий (5320, 53212, 5410, 54112, 5511, 55102) 15.1771010 Механизм переключения делителя передач в сборе Установка механизма переключения делителя передач Чертеж Установка механизма переключения делителя передач
Камский автозавод Общий (5320, 53212, 5410, 54112, 5511, 55102) 15.1771010 Механизм переключения делителя передач в сборе Механизм переключения делителя передач Чертеж Механизм переключения делителя передач
Камский автозавод 65115 (2001) 15.1771010 Механизм переключения делителя передач в сборе Установка механизма переключения делителя передач Чертеж Установка механизма переключения делителя передач
Камский автозавод 65115 (2001) 15.1771010 Механизм переключения делителя передач в сборе Механизм переключения делителя передач Чертеж Механизм переключения делителя передач
ЗИЛ ЗИЛ-133ГЯ 15.1771010-10 Механизм переключения делителя передач в сборе Механизм переключения передач делителя Чертеж Механизм переключения передач делителя
ЗИЛ ЗИЛ-433100 4421-1771010 Механизм переключения демультипликатора до 1990 г. Демультипликатор коробки передач Чертеж Демультипликатор коробки передач
ЗИЛ ЗИЛ-433100 4421-1771010-40 Механизм переключения демультипликатора с 1990 г. Демультипликатор коробки передач Чертеж Демультипликатор коробки передач
Товары из этой категории
Шестерня 154-1770050
Шестерня
Каталожный номер 154-1770050
Производитель РФ РФ
Код 35732
Доставка по всей Беларуси
Доступность остатки на филиалах Остатки на филиалах
Остаток Под заказ
К-т прокладок КПП КАМАЗ 14-1700001-01
К-т прокладок КПП КАМАЗ
Каталожный номер 14-1700001-01
Производитель RSTA RSTA
Код 16039
Доставка по всей Беларуси
Доступность остатки на филиалах Остатки на филиалах
Остаток: г.Минск, ул.Селицкого 21к В наличии
Склад Адрес Контакт Остатки
г. Минск ул. Селицкого, 21к +375 (44) 770-80-78 ( Мало )
Схема проезда
г. Лельчицы ул. Советская, д.96/1 +375 (29) 346-98-96 ( Мало )
Схема проезда
г. Ошмяны ул. Льнозоводская 3 +375 (44) 770-80-91 ( Мало )
Схема проезда
Сальник 14-1701238
Сальник
Каталожный номер 14-1701238
Производитель БРТ БРТ
Код 11265
Доставка по всей Беларуси
Доступность остатки на филиалах Остатки на филиалах
Остаток В наличии
Склад Адрес Контакт Остатки
г. Брест Тельминский с/с, 1Д/1, 1 км южнее д. Тельмы-2 +375 (44) 599-90-75 ( Средне )
Схема проезда
г. Мозырь промузел Козенки +375 (44) 731-94-60 ( Мало )
Схема проезда
г. Орша ул. Сергея Кирова, д. 34 +375 (44) 583-91-42 ( Мало )
Схема проезда
г. Осиповичи ул. Короткая, 11 +375 (29) 165-60-07 ( Средне )
Схема проезда
г. Пинск ул. Калиновского 32 +375 (44) 560-99-59 ( Средне )
Схема проезда
г. Слоним ул. Советская, 93а +375 (29) 394-82-01 ( Средне )
Схема проезда
г. Слуцк ул. Тутаринова, 8 +375 (29) 346-06-90 ( Мало )
Схема проезда
Сальник 14-1701230
Сальник
Каталожный номер 14-1701230
Производитель БРТ БРТ
Код 11517
Доставка по всей Беларуси
Доступность остатки на филиалах Остатки на филиалах
Остаток: г.Минск, ул.Селицкого 21к В наличии
Склад Адрес Контакт Остатки
г. Минск ул. Селицкого, 21к +375 (44) 770-80-78 ( Много )
Схема проезда
г. Бобруйск ул. Орловского, 22к3 +375 (29) 345-37-07 ( Средне )
Схема проезда
г. Брест Тельминский с/с, 1Д/1, 1 км южнее д. Тельмы-2 +375 (44) 599-90-75 ( Средне )
Схема проезда
г. Горки ул.Мира, д.51а/1 +375 (44) 565-33-61 ( Мало )
Схема проезда
г. Дрогичин ул. Юбилейная, 42 +375 (29) 682-17-13 ( Мало )
Схема проезда
г. Кричев ул. Комсомольская, 126 +375 (29) 628-88-42 ( Мало )
Схема проезда
г. Мозырь промузел Козенки +375 (44) 731-94-60 ( Средне )
Схема проезда
г. Молодечно ул. Галицкого, 14 +375 (44) 567-28-47 ( Мало )
Схема проезда
г. Орша ул. Сергея Кирова, д. 34 +375 (44) 583-91-42 ( Мало )
Схема проезда
г. Осиповичи ул. Короткая, 11 +375 (29) 165-60-07 ( Средне )
Схема проезда
г. Пинск ул. Калиновского 32 +375 (44) 560-99-59 ( Мало )
Схема проезда
г. Слоним ул. Советская, 93а +375 (29) 394-82-01 ( Средне )
Схема проезда
г. Слуцк ул. Тутаринова, 8 +375 (29) 346-06-90 ( Средне )
Схема проезда